+7 (701) 588 50 05 Телефон для связи
RU

WhatsApp

Позвонить

ГИДРОСИСТЕМА в Алматы

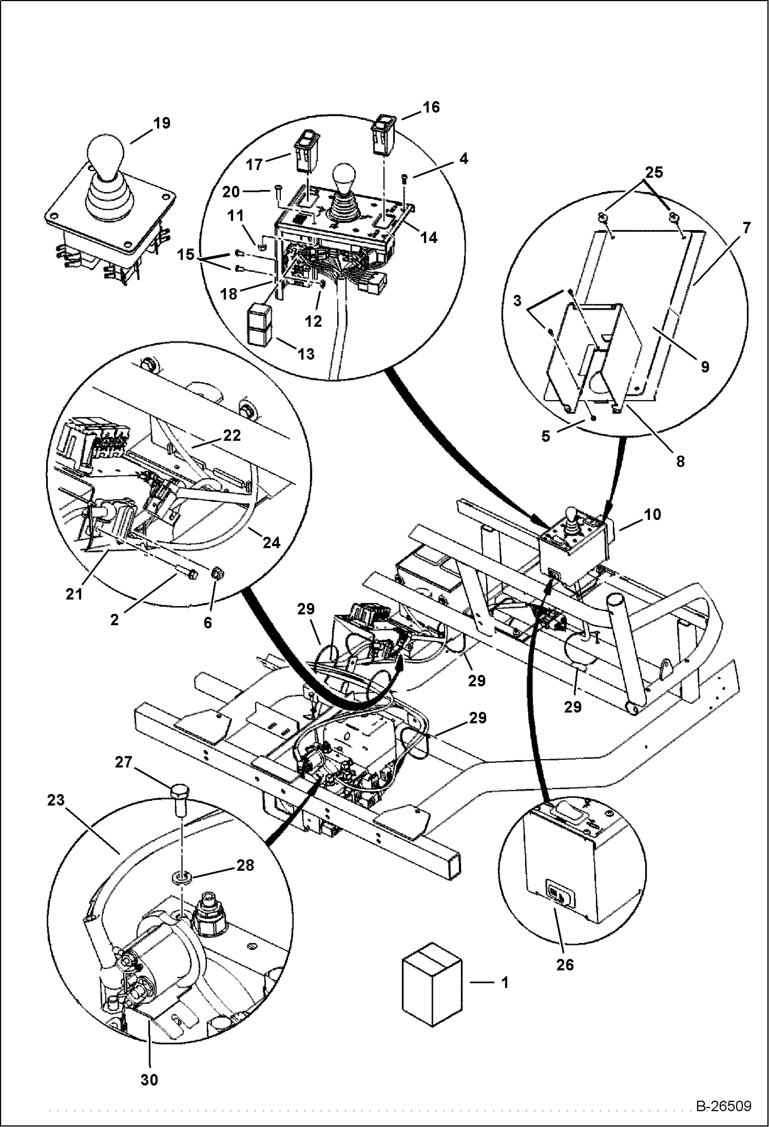
СТАНДАРТНАЯ ГИДРАВЛИЧЕСКАЯ СИСТЕМА ДОПОЛНИТЕЛЬНОГО ОБОРУДОВАНИЯ

СТАНДАРТНАЯ ГИДРАВЛИЧЕСКАЯ СИСТЕМА ДОПОЛНИТЕЛЬНОГО ОБОРУДОВАНИЯ

1Артикул: 102787601CC, HOSE ASSMBLY Ref. 14-22
2Артикул: 102491001CC, BOLT
3Артикул: 102617201CC, NUT
Подробнее >
ВСПОМОГАТЕЛЬНАЯ ГИДРАВЛИЧЕСКАЯ СИСТЕМА ДОПОЛНИТЕЛЬНОГО ОБОРУДОВАНИЯ

ВСПОМОГАТЕЛЬНАЯ ГИДРАВЛИЧЕСКАЯ СИСТЕМА ДОПОЛНИТЕЛЬНОГО ОБОРУДОВАНИЯ

1Артикул: 102787602CC, HOSE ASSMBLY auxilliary - W/Ref. 15-24
2Артикул: 102491001CC, BOLT
3Артикул: 102617201CC, NUT
Подробнее >
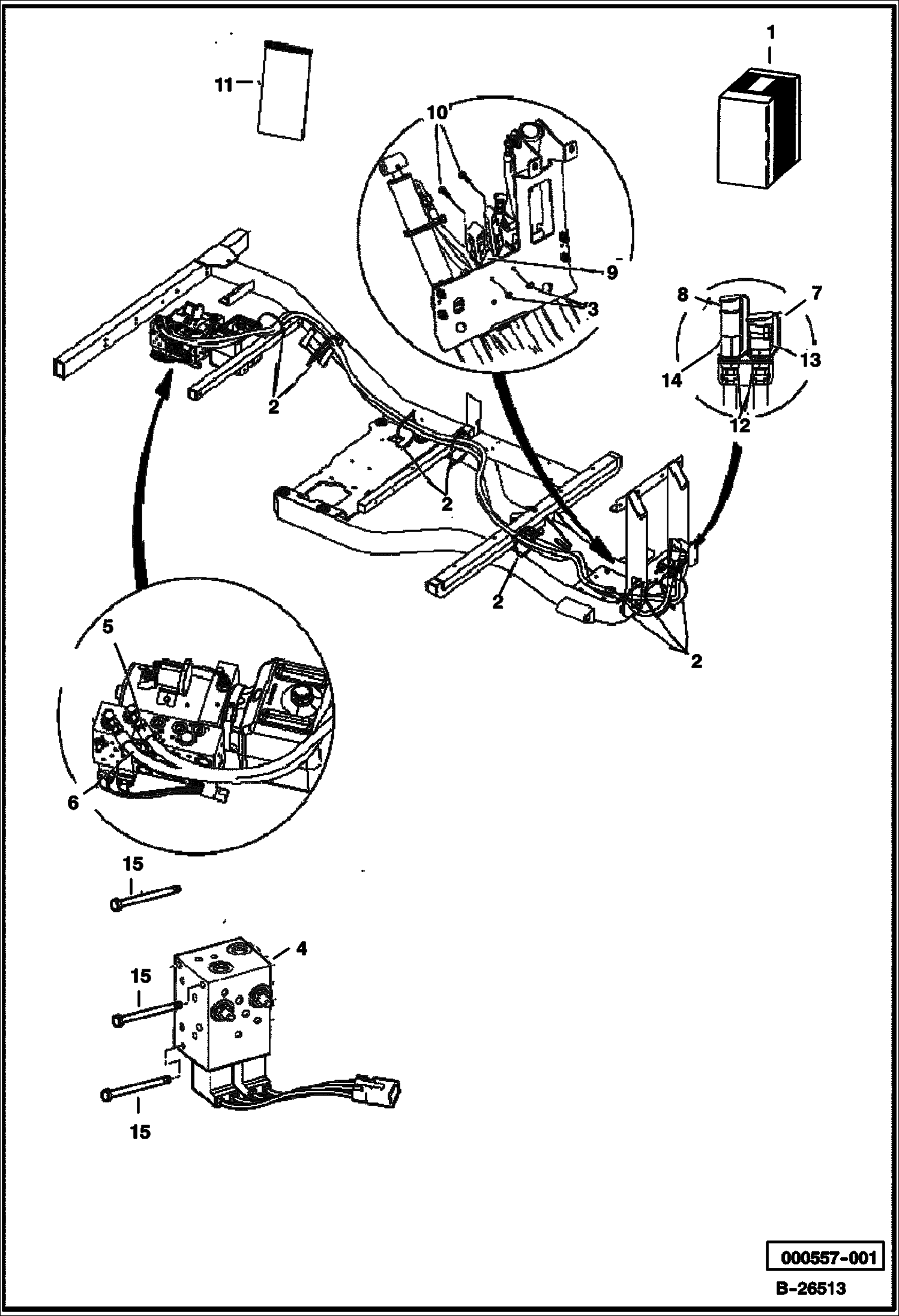
ЭЛЕКТРОСИЛОВАЯ УСТАНОВКА (ВСПОМОГАТЕЛЬНЫЕ ГИДРАВЛИЧЕСКИЕ МЕХАНИЗМЫ)

ЭЛЕКТРОСИЛОВАЯ УСТАНОВКА (ВСПОМОГАТЕЛЬНЫЕ ГИДРАВЛИЧЕСКИЕ МЕХАНИЗМЫ)

1Артикул: 6698500, PUMP, HYD
2Артикул: 102928201CC, MOTOR
3Артикул: 7008063, VALVE ASSEMBLY See Illustration VALVE ASSEMBLY/ MS2823
Подробнее >
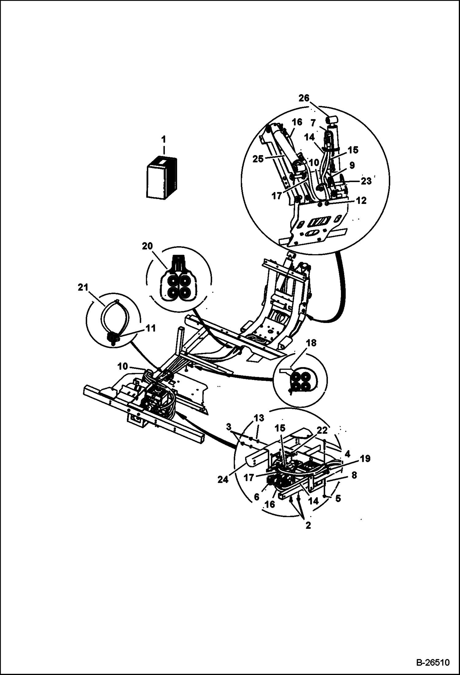
ЦИЛИНДР ПОДЪЕМА

ЦИЛИНДР ПОДЪЕМА

1Артикул: 7120556, LIFT CYLINDER 2300 W/Ref. 2-16
2Артикул: CASE, CASE NLA
3Артикул: 92D10, NUT
Подробнее >
КЛАПАН В СБОРЕ

КЛАПАН В СБОРЕ

1Артикул: 7008063, VALVE ASSEMBLY Was 102928601CC - W/Ref. 2-21
2Артикул: HOUSING, HOUSING NSS
3Артикул: 7010273, FILTER, OIL HYD Was 7010272 - B,D
Подробнее >
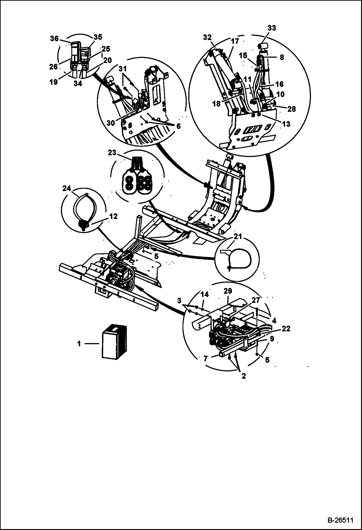
КОМПЛЕКТ УГЛОВЫХ КРОНШТЕЙНОВ ДЛЯ НАВЕСНОГО ГИДРАВЛИЧЕСКОГО ОБОРУДОВАНИЯ

КОМПЛЕКТ УГЛОВЫХ КРОНШТЕЙНОВ ДЛЯ НАВЕСНОГО ГИДРАВЛИЧЕСКОГО ОБОРУДОВАНИЯ

1Артикул: ANGLE, ANGLE KIT See Illustration HYDRAULIC ATTACHMENT/ B26512A NLA - W/Ref. 2-7 - Order 7129850 angle kit - Was 102930501CC
2Артикул: 102926301CC, FITIING elbow -90 degree
3Артикул: 102926401CC, HOSE
Подробнее >
ВСПОМОГАТЕЛЬНЫЙ БЛОК ГИДРАВЛИЧЕСКИХ КЛАПАНОВ

ВСПОМОГАТЕЛЬНЫЙ БЛОК ГИДРАВЛИЧЕСКИХ КЛАПАНОВ

1Артикул: 102928701CC, VALVE ASSM.
2Артикул: 7003630, COIL ASSEMBLY Was 102928901CC - B,D
3Артикул: 6698483, SOLENOID, LOCK SPOOL W/seals
Подробнее >
ГИДРАВЛИЧЕСКАЯ СИСТЕМА УПРАВЛЕНИЯ

ГИДРАВЛИЧЕСКАЯ СИСТЕМА УПРАВЛЕНИЯ

1Артикул: CONTROLS, CONTROLS KIT NLA- W/Ref. 2-29 - Order components
2Артикул: 1014063CC, SCREW
3Артикул: 1011931CC, WASHER
Подробнее >
СТАНДАРТНЫЙ КОМПЛЕКТ ПЕРЕОБОРУДОВАНИЯ ДОПОЛНИТЕЛЬНОЙ ГИДРАВЛИЧЕСКОЙ СИСТЕМЫ

СТАНДАРТНЫЙ КОМПЛЕКТ ПЕРЕОБОРУДОВАНИЯ ДОПОЛНИТЕЛЬНОЙ ГИДРАВЛИЧЕСКОЙ СИСТЕМЫ

1Артикул: 102785401CC, AUX HYDRAULIC KIT W/Ref. 2-14
2Артикул: 102025401CC, TIE WRAP, HEAVY DUTY
3Артикул: 102741601CC, FLG, M8X1.25
Подробнее >
ЦИЛИНДР НАКЛОНА

ЦИЛИНДР НАКЛОНА

1Артикул: TILT, TILT CYLINDER 2300 NLA - Ref. 2-16 - Order 7211839 tilt cylinder - Was 7109063 - A
2Артикул: 7211839, CYLINDER, TILT Ref. 2-16
3Артикул: CASE, CASE NLA - Use W/Ref. 1 (NLA/ 7109063 tilt cylinder - Order 7214288 tilt cyl case tube - Was 7120649 - A
Подробнее >
ЭЛЕКТРОСИЛОВАЯ УСТАНОВКА (ГИДРАВЛИКА INTELLITACH)

ЭЛЕКТРОСИЛОВАЯ УСТАНОВКА (ГИДРАВЛИКА INTELLITACH)

1Артикул: 102784001CC, POWER UNIT
2Артикул: 102928201CC, MOTOR
3Артикул: 102928301CC, SWITCH
Подробнее >