+7 (701) 588 50 05 Телефон для связи
RU

WhatsApp

Позвонить

ГИДРОСТАТИЧЕСКАЯ СИСТЕМА в Алматы

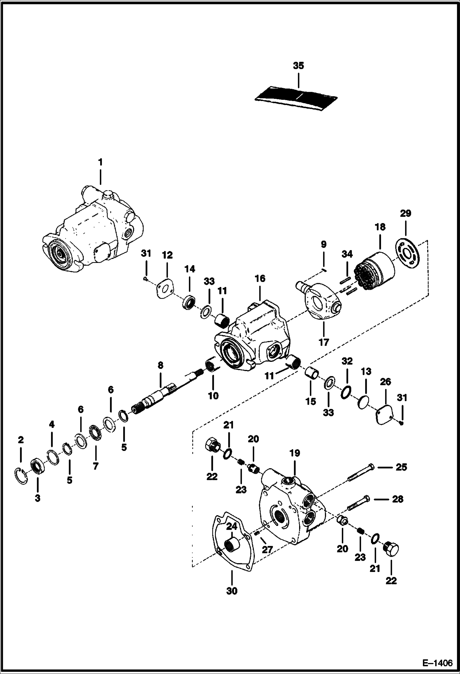
ГИДРОСТАТИЧЕСКИЙ НАСОС (EATON 78116-RBD)

ГИДРОСТАТИЧЕСКИЙ НАСОС (EATON 78116-RBD)

1Артикул: PUMP, PUMP NLA - Order 6673754 pump, 6562960 yoke, 6558924 adapter, 616783B washer & 18C000616B bolt - Was 6670753 - A
2Артикул: GEAR, GEAR PUMP See Illustration GEAR PUMP/ B17118
3Артикул: 6510585, WASHER
Подробнее >
ГИДРОСТАТИЧЕСКИЙ НАСОС (ЗАДНИЙ)

ГИДРОСТАТИЧЕСКИЙ НАСОС (ЗАДНИЙ)

1Артикул: 6673975, PUMP Eaton 50145-REW-02 - W/tapered shaft to engine yoke
2Артикул: 661415, SNAP RING
3Артикул: SEAL, SEAL NSS
Подробнее >
ГИДРОСТАТИЧЕСКИЙ НАСОС (ПЕРЕДНИЙ)

ГИДРОСТАТИЧЕСКИЙ НАСОС (ПЕРЕДНИЙ)

1Артикул: 6672702, PUMP
2Артикул: 661415, SNAP RING
3Артикул: SEAL, SEAL NSS
Подробнее >
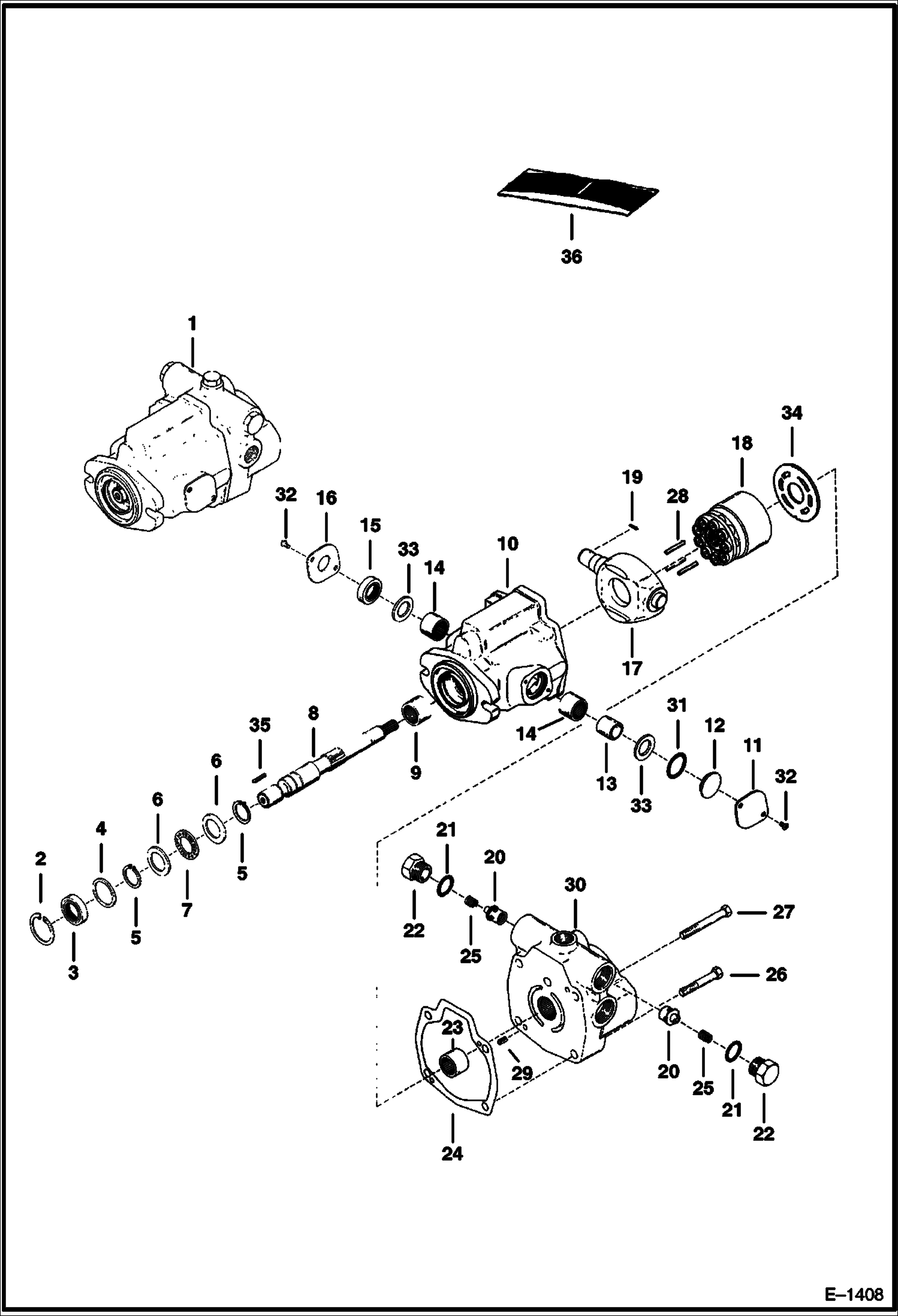
ГИДРОСТАТИЧЕСКИЙ НАСОС (EATON 78116-RBE-02)

ГИДРОСТАТИЧЕСКИЙ НАСОС (EATON 78116-RBE-02)

1Артикул: 6673754, PUMP
2Артикул: GEAR, GEAR PUMP See Illustration GEAR PUMP/ B17118
3Артикул: 6510585, WASHER
Подробнее >
ШЕСТЕРЕННЫЙ НАСОС

ШЕСТЕРЕННЫЙ НАСОС

1Артикул: 6673112, PUMP Was 6672484 - A
2Артикул: 93G536, BOLT
3Артикул: BODY, BODY NSS
Подробнее >
ГИДРОСТАТИЧЕСКИЙ ДВИГАТЕЛЬ (ПАЗОВЫЙ ВАЛ)

ГИДРОСТАТИЧЕСКИЙ ДВИГАТЕЛЬ (ПАЗОВЫЙ ВАЛ)

1Артикул: 6664889, MOTOR, DRIVE HYD New
2Артикул: 6513506, DRIVE
3Артикул: SEAL, SEAL NSS
Подробнее >
ОРГАНЫ РУЧНОГО УПРАВЛЕНИЯ

ОРГАНЫ РУЧНОГО УПРАВЛЕНИЯ

1Артикул: 17C612, BOLT 5
2Артикул: 6558736, FLANGE
3Артикул: 6512027, BUSHING
Подробнее >
СХЕМА ГИДРОСТАТИЧЕСКОЙ СИСТЕМЫ

СХЕМА ГИДРОСТАТИЧЕСКОЙ СИСТЕМЫ

1Артикул: ADAPTOR, ADAPTOR NLA - W/Ref. 26 - tapered boss face - Was 15KV00005B - A
2Артикул: 97K6, O RING flared end
3Артикул: 15KB0606, FITTING, HYD CONNECTOR W/Ref. 26 - flat boss face
Подробнее >