+7 (701) 588 50 05 Телефон для связи
RU

WhatsApp

Позвонить

ГИДРОСТАТИЧЕСКАЯ СИСТЕМА в Алматы

ГИДРОСТАТИЧЕСКИЙ ДВИГАТЕЛЬ В СБОРЕ

ГИДРОСТАТИЧЕСКИЙ ДВИГАТЕЛЬ В СБОРЕ

1Артикул: 6916685, MOTOR, DRIVE Ref. 2-55 - 27 mL (0.91 U.S. fl oz) - Was 6924245 - B,D
2Артикул: 6921591, SHAFT
3Артикул: BEARING, BEARING NAP - Order Ref. 36 - Was 6921592 - D
Подробнее >
СХЕМА ГИДРОСТАТИЧЕСКОЙ СИСТЕМЫ

СХЕМА ГИДРОСТАТИЧЕСКОЙ СИСТЕМЫ

1Артикул: 4CM825, BOLT Was 01597-4 - B
2Артикул: 6917191, HOSE Was 6908671 - D
3Артикул: 6925635, CLAMP Was 008372-14Q - D
Подробнее >
УСТАНОВКА БУКСИРОВОЧНОГО КЛАПАНА

УСТАНОВКА БУКСИРОВОЧНОГО КЛАПАНА

1Артикул: 01519-8, SCREW
2Артикул: 4CM825, BOLT Was 01597-4 - B
3Артикул: 000350-02V, WASHER Was 000350-02V - B
Подробнее >
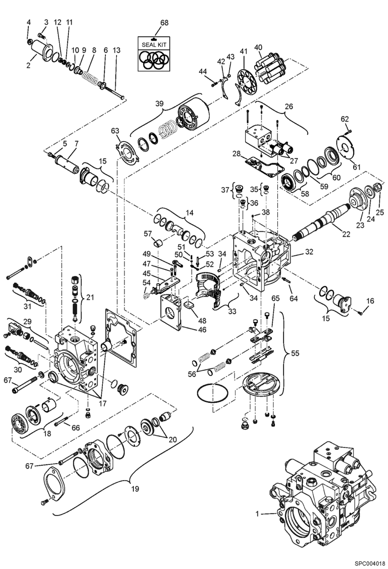
ГИДРОСТАТИЧЕСКИЙ НАСОС В СБОРЕ (СЕРИИ 90 НАСОС)

ГИДРОСТАТИЧЕСКИЙ НАСОС В СБОРЕ (СЕРИИ 90 НАСОС)

1Артикул: HYDRAULIC, HYDRAULIC TRANSMISSION PUMP NLA - W/Ref. 2-66 - Order 7282174 pump kit - Was 6921182 - A
2Артикул: 7282174, KIT, PUMP replace supplier-installed multi-function valves with valves supplied in kit
3Артикул: 6921529, CYLINDER SERVO
Подробнее >
ГИДРОПРИВОДНОЙ НАСОС В СБОРЕ

ГИДРОПРИВОДНОЙ НАСОС В СБОРЕ

1Артикул: 6926230, PUMP Model 03580839
2Артикул: 6919800, SET OF SEALS W/Ref. 3-8
3Артикул: O-RING, O-RING NAP - Order Ref. 2
Подробнее >