+7 (701) 588 50 05 Телефон для связи
RU

WhatsApp

Позвонить

ГИДРОСТАТИЧЕСКАЯ СИСТЕМА в Алматы

УСТРОЙСТВА РУЧНОГО УПРАВЛЕНИЯ (СЕРИЙНЫЙ НОМЕР 5141 15001-39999, 5142 13000-39999)

УСТРОЙСТВА РУЧНОГО УПРАВЛЕНИЯ (СЕРИЙНЫЙ НОМЕР 5141 15001-39999, 5142 13000-39999)

1Артикул: 6702543, LEVER, STEERING
2Артикул: BELLCRANK, BELLCRANK NLA - .8725-- (22,2 mm) I.D. hole for Ref. 29 (6665701 bushing) - W/O notch for bushing tab - Use W/Ref. 8 (6673710 bearing) & Ref. 9 (6518200 grease zerk) - Order 7110571 bellcrank, Ref. 28 (619021 washer), Ref. 29 (6678067 bushing) & (2) of Ref. 8 (6703879 bushing) - Was 6703880 - A
3Артикул: BELLCRANK, BELLCRANK NLA - 1.0475-- (26,2 mm) I.D. hole for Ref. 29 (6678067 Bushing) - W/notch for Use W/Ref. 8 (6703879 bushing) - Use W/Ref. 9 (6518200 Grease Zerk) - Order 7110571 Bellcrank & Ref. 9 (10H35 grease zerk) - Was 7101047 - A
Подробнее >
ГИДРОСТАТИЧЕСКИЙ НАСОС (ЛЕВАЯ ПОЛОВИНА) (M46 - УСИЛИТЕЛЬ РУЛЯ РУЛЕВОГО КОЛЕСА) (СЕРИЙНЫЙ НОМЕР 5141 14999, 5142 12999 И НИЖЕ)

ГИДРОСТАТИЧЕСКИЙ НАСОС (ЛЕВАЯ ПОЛОВИНА) (M46 - УСИЛИТЕЛЬ РУЛЯ РУЛЕВОГО КОЛЕСА) (СЕРИЙНЫЙ НОМЕР 5141 14999, 5142 12999 И НИЖЕ)

1Артикул: PUMP, PUMP NLA - W/gear pump - Model M91-46130 - Was 6665523 - A
2Артикул: PUMP,, PUMP, HYD TANDEM NLA - W/gear pump - Model M91-46598 - Was 6669045 - A
3Артикул: PUMP,, PUMP, HYD TANDEM, W/O GEAR PUMP NLA - Order 6671020REM - Was 6669045REM - A
Подробнее >
ГИДРОСТАТИЧЕСКИЙ ДВИГАТЕЛЬ (R921805367)

ГИДРОСТАТИЧЕСКИЙ ДВИГАТЕЛЬ (R921805367)

1Артикул: MOTOR,14, MOTOR,14 STD PLNR NLA - Ref. 2-27 - Order 7261335 motor - Was 6675290 - A
2Артикул: ROTARY, ROTARY GROUP NLA - Ref. 3-4 - Order 6677850 cam & 6686719 block - Was 6674390 - A
3Артикул: 6676953, CYLINDER BLOCK
Подробнее >
СХЕМА ГИДРОСТАТИЧЕСКОЙ СИСТЕМЫ (СЕРИЙНЫЙ НОМЕР 5141 23902-39999, 5142 22306-39999)

СХЕМА ГИДРОСТАТИЧЕСКОЙ СИСТЕМЫ (СЕРИЙНЫЙ НОМЕР 5141 23902-39999, 5142 22306-39999)

1Артикул: 6715079, BRACKET
2Артикул: 6716449, PAD
3Артикул: 84G3716, SCREW 5
Подробнее >
СХЕМА ГИДРОСТАТИЧЕСКОЙ СИСТЕМЫ (СЕРИЙНЫЙ НОМЕР 5141 15001-21999 И 5142 13001-21999)

СХЕМА ГИДРОСТАТИЧЕСКОЙ СИСТЕМЫ (СЕРИЙНЫЙ НОМЕР 5141 15001-21999 И 5142 13001-21999)

1Артикул: 6667896, EXCHANGER, OIL COOLER oil
2Артикул: 11K8, ELBOW
3Артикул: 6531336, HOSE
Подробнее >
ГИДРОСТАТИЧЕСКИЙ НАСОС (M44 - БЕЗ УСИЛИТЕЛЯ РУЛЯ РУЛЕВОГО КОЛЕСА) (СЕРИЙНЫЙ НОМЕР 5141 22814-39999, 5142 22028-39999)

ГИДРОСТАТИЧЕСКИЙ НАСОС (M44 - БЕЗ УСИЛИТЕЛЯ РУЛЯ РУЛЕВОГО КОЛЕСА) (СЕРИЙНЫЙ НОМЕР 5141 22814-39999, 5142 22028-39999)

1Артикул: PUMP, PUMP NLA - Model 4445056 - complete W/gear pump - Order 6673914 pump, 6717662 tee, 19J000012B (2) clamp, 58K000214B O-ring & 17C000620B (4) bolt - Was 6672955 - A
2Артикул: PUMP, PUMP NLA - Model 4445062 - complete W/split flange gear pump - Order 7001068 hyd tandem pump & 6673911 gear pump or 6673914REM hyd tandem pump & 6673911 gear pump - Was 6673914 - A
3Артикул: 7001068REM, PUMP, HYD Was 6673914REM
Подробнее >
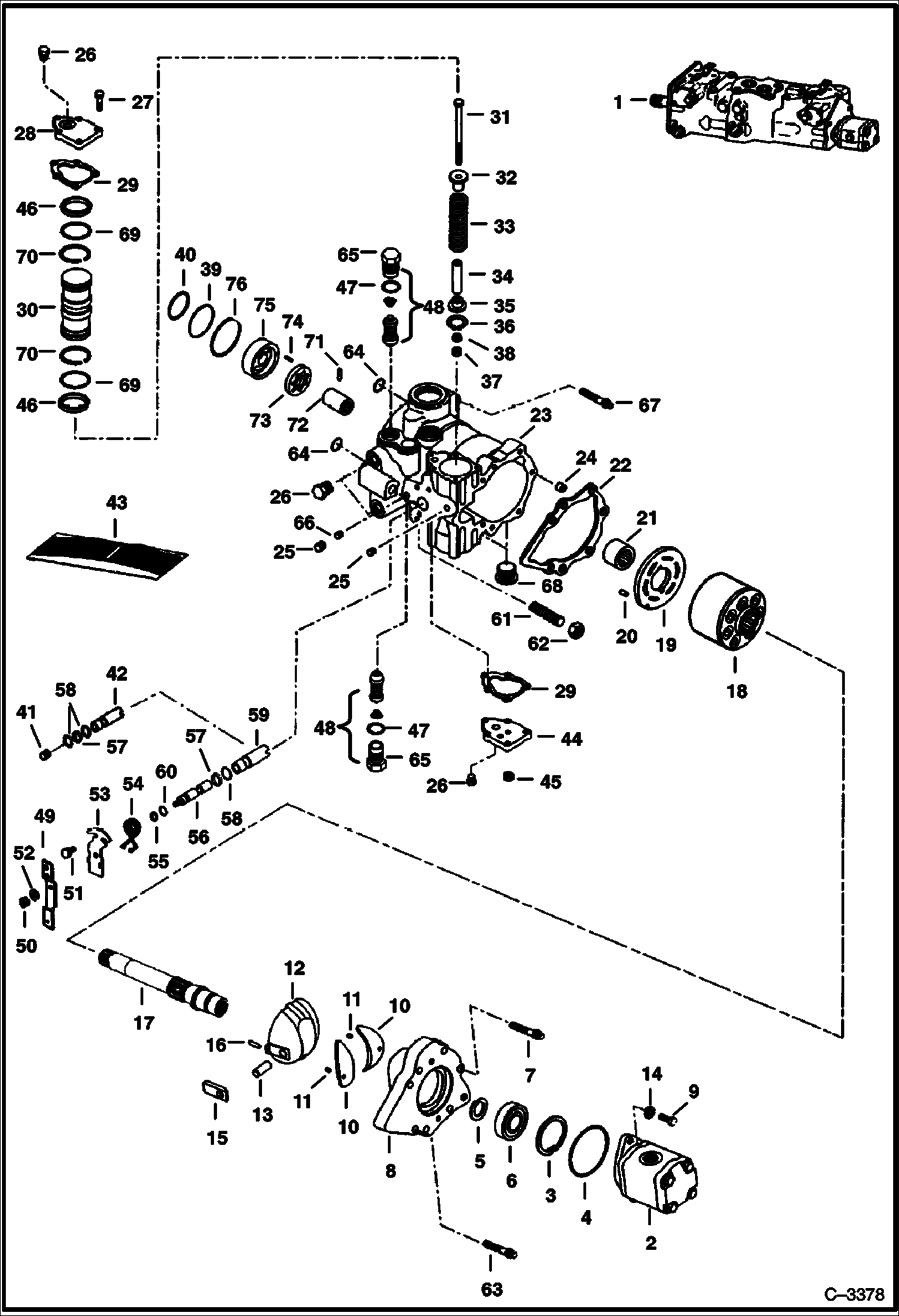
ГИДРОСТАТИЧЕСКИЙ ДВИГАТЕЛЬ (СЕРИЙНЫЙ НОМЕР 5141 12409, 5142 12269 И НИЖЕ)

ГИДРОСТАТИЧЕСКИЙ ДВИГАТЕЛЬ (СЕРИЙНЫЙ НОМЕР 5141 12409, 5142 12269 И НИЖЕ)

1Артикул: MOTOR, MOTOR See Illustration HYDROSTATIC MOTOR/ B17126 - NLA - Ref. 2-35 - Order 6675290 motor, 17KB608 elbow, (2) of 7231894 elbows & (10) of 6717806 bolt - Was 6665394 - A
2Артикул: REAR, REAR HOUSING NLA - Order Ref. 13 - assy - Ref. 3-8 - Was 6666361 - A
3Артикул: DISTRIBUTOR, DISTRIBUTOR NLA - Was 6666370 - A
Подробнее >
УСТРОЙСТВА РУЧНОГО УПРАВЛЕНИЯ (СЕРИЙНЫЙ НОМЕР 5141 14999, 5142 12999 И НИЖЕ)

УСТРОЙСТВА РУЧНОГО УПРАВЛЕНИЯ (СЕРИЙНЫЙ НОМЕР 5141 14999, 5142 12999 И НИЖЕ)

1Артикул: 6702543, LEVER, STEERING
2Артикул: 6703881, BELLCRANK
3Артикул: 6599741, WASHER wave
Подробнее >
СХЕМА ГИДРОСТАТИЧЕСКОЙ СИСТЕМЫ (СЕРИЙНЫЙ НОМЕР 5141 22814-39999, 5142 22028-39999)

СХЕМА ГИДРОСТАТИЧЕСКОЙ СИСТЕМЫ (СЕРИЙНЫЙ НОМЕР 5141 22814-39999, 5142 22028-39999)

1Артикул: 6667896, EXCHANGER, OIL COOLER oil
2Артикул: 11K8, ELBOW
3Артикул: 6531336, HOSE
Подробнее >
СХЕМА ГИДРОСТАТИЧЕСКОЙ СИСТЕМЫ (СЕРИЙНЫЙ НОМЕР 5141 22001-22813, И 5142 22001-22027)

СХЕМА ГИДРОСТАТИЧЕСКОЙ СИСТЕМЫ (СЕРИЙНЫЙ НОМЕР 5141 22001-22813, И 5142 22001-22027)

1Артикул: 6667896, EXCHANGER, OIL COOLER oil
2Артикул: 11K8, ELBOW
3Артикул: 6531336, HOSE
Подробнее >
СХЕМА ГИДРОСТАТИЧЕСКОЙ СИСТЕМЫ (СЕРИЙНЫЙ НОМЕР 5141 22001-22813, 5142 22001-22027)

СХЕМА ГИДРОСТАТИЧЕСКОЙ СИСТЕМЫ (СЕРИЙНЫЙ НОМЕР 5141 22001-22813, 5142 22001-22027)

1Артикул: 6715079, BRACKET
2Артикул: 6716449, PAD
3Артикул: 84G3716, SCREW 5
Подробнее >
СХЕМА ГИДРОСТАТИЧЕСКОЙ СИСТЕМЫ (СЕРИЙНЫЙ НОМЕР 5141 22814-23901, 5142 22028-22305)

СХЕМА ГИДРОСТАТИЧЕСКОЙ СИСТЕМЫ (СЕРИЙНЫЙ НОМЕР 5141 22814-23901, 5142 22028-22305)

1Артикул: 6715079, BRACKET
2Артикул: 6716449, PAD
3Артикул: 84G3716, SCREW 5
Подробнее >
СХЕМА ГИДРОСТАТИЧЕСКОЙ СИСТЕМЫ (СЕРИЙНЫЙ НОМЕР 5141 12410-14999 И 5142 12270-12999)

СХЕМА ГИДРОСТАТИЧЕСКОЙ СИСТЕМЫ (СЕРИЙНЫЙ НОМЕР 5141 12410-14999 И 5142 12270-12999)

1Артикул: 6707922, BAND
2Артикул: 6559447, WASHER square
3Артикул: 84G3716, SCREW 5
Подробнее >
НАСОС С ДВОЙНОЙ ЗУБЧАТОЙ ПЕРЕДАЧЕЙ

НАСОС С ДВОЙНОЙ ЗУБЧАТОЙ ПЕРЕДАЧЕЙ

1Артикул: 6671521, PUMP double - Ref. 2-28 - for 4445254 - B5501-36630
2Артикул: BOLT, BOLT NSS
3Артикул: WASHER, WASHER NSS
Подробнее >
ФИЛЬТР ГИДРОСТАТИЧЕСКОГО МАСЛА (В СОСТАВЕ ЛИНИИ)

ФИЛЬТР ГИДРОСТАТИЧЕСКОГО МАСЛА (В СОСТАВЕ ЛИНИИ)

1Артикул: 6661022, FILTER, OIL HYD IN-LINE Ref. 2-8
2Артикул: HOUSING, HOUSING NSS
3Артикул: SPRING, SPRING NSS
Подробнее >
ГИДРОСТАТИЧЕСКИЙ НАСОС (M44 - БЕЗ УСИЛИТЕЛЯ РУЛЯ РУЛЕВОГО КОЛЕСА) (СЕРИЙНЫЙ НОМЕР 5141 15001-22813, 5142 13000-22027)

ГИДРОСТАТИЧЕСКИЙ НАСОС (M44 - БЕЗ УСИЛИТЕЛЯ РУЛЯ РУЛЕВОГО КОЛЕСА) (СЕРИЙНЫЙ НОМЕР 5141 15001-22813, 5142 13000-22027)

1Артикул: 6670689, PUMP, HYD TANDEM complete W/ gear pump - model 4445254 - must use brackets 6576196 & 6706096 from original pump
2Артикул: 6670689REM, PUMP, HYD TANDEM, W/O GEAR PUMP
3Артикул: 6657028, O-RING
Подробнее >
ШЕСТЕРЕННЫЙ НАСОС

ШЕСТЕРЕННЫЙ НАСОС

1Артикул: PUMP, PUMP NLA - B5501-34022 - W/Ref. 2-14 - for M91-46130 & M91-46598 - Order 6673916 pump, 6717662 fitting, 19J000012B (2) clamp, 58K000214B O-ring & 17C000620B (4) bolt - Was 6665551 - A
2Артикул: 6673916, PUMP B5501-37211 - split flange - W/Ref. 2-14 - for M91-46130 & M91-46598
3Артикул: PUMP, PUMP NLA - B5501-36980 - W/Ref. 2-14 - for Model 4445056 - Order 6673911 pump, 6717662 fitting, 19J000012B (2) clamp, 58K000214B O-ring & 17C000620B (4) bolt - Was 6672829 - A
Подробнее >
СХЕМА ГИДРОСТАТИЧЕСКОЙ СИСТЕМЫ (СЕРИЙНЫЙ НОМЕР 5141 12409, 5142 12269 И НИЖЕ)

СХЕМА ГИДРОСТАТИЧЕСКОЙ СИСТЕМЫ (СЕРИЙНЫЙ НОМЕР 5141 12409, 5142 12269 И НИЖЕ)

1Артикул: 6707922, BAND
2Артикул: 6559447, WASHER square
3Артикул: 17C612, BOLT 5
Подробнее >
СХЕМА ГИДРОСТАТИЧЕСКОЙ СИСТЕМЫ (СЕРИЙНЫЙ НОМЕР 5141 11516-14999 И 5142 11108-12999)

СХЕМА ГИДРОСТАТИЧЕСКОЙ СИСТЕМЫ (СЕРИЙНЫЙ НОМЕР 5141 11516-14999 И 5142 11108-12999)

1Артикул: 6667896, EXCHANGER, OIL COOLER oil
2Артикул: 6703012, TUBE W/ 6711639 hose
3Артикул: 11K8, ELBOW W/ 6531336 hose
Подробнее >
ГИДРОСТАТИЧЕСКИЙ ДВИГАТЕЛЬ (R921805322) (СЕРИЙНЫЙ НОМЕР 514123902 - 514139999, 514222306 - 514239999)

ГИДРОСТАТИЧЕСКИЙ ДВИГАТЕЛЬ (R921805322) (СЕРИЙНЫЙ НОМЕР 514123902 - 514139999, 514222306 - 514239999)

1Артикул: MOTOR,, MOTOR, DRIVE HYD NLA - 4-bolt flange ports - Order 7261333 motor - Was 6672825 - A
2Артикул: 6674037, SPRING
3Артикул: 6674184, RING
Подробнее >
ФИЛЬТР ГИДРОСТАТИЧЕСКОГО МАСЛА (БЕЗ B.O.S.S. (ОПЦИЯ))

ФИЛЬТР ГИДРОСТАТИЧЕСКОГО МАСЛА (БЕЗ B.O.S.S. (ОПЦИЯ))

1Артикул: 6661334, FILTER ASSY W/Ref. 2-5 (50 PSI by-pass & switch)
2Артикул: 6632053, SWITCH pressure - normally open
3Артикул: 6599365, KIT Nut, washer & O-rings for switch
Подробнее >
ФИЛЬТР ГИДРОСТАТИЧЕСКОГО МАСЛА (С B.O.S.S. (ОПЦИЯ))

ФИЛЬТР ГИДРОСТАТИЧЕСКОГО МАСЛА (С B.O.S.S. (ОПЦИЯ))

1Артикул: 6661247, FILTER W/Ref. 2-5 - (50 PSI by-pass & switch)
2Артикул: 6660260, SWITCH pressure - normally closed
3Артикул: 6599365, KIT nut, washer & O-rings for switch
Подробнее >
СХЕМА ГИДРОСТАТИЧЕСКОЙ СИСТЕМЫ (СЕРИЙНЫЙ НОМЕР 5141 11515 И НИЖЕ И 5142 11107 И НИЖЕ)

СХЕМА ГИДРОСТАТИЧЕСКОЙ СИСТЕМЫ (СЕРИЙНЫЙ НОМЕР 5141 11515 И НИЖЕ И 5142 11107 И НИЖЕ)

1Артикул: COOLER, COOLER See Illustration COOLING SYSTEM/ E2276 - NLA - Oil - Order 6709450 Cooler & 6709451 Tube - Was 6708609 - A
2Артикул: 6709450, EXCHANGER, OIL COOLER See Illustration COOLING SYSTEM/ E2276 - Oil
3Артикул: 6708413, TUBE
Подробнее >
ГИДРОСТАТИЧЕСКИЙ НАСОС (ПРАВОСТОРОННИЙ) (M46 - УСИЛИТЕЛЬ РУЛЯ РУЛЕВОГО КОЛЕСА) (5141 14999, 5142 12999 И НИЖЕ)

ГИДРОСТАТИЧЕСКИЙ НАСОС (ПРАВОСТОРОННИЙ) (M46 - УСИЛИТЕЛЬ РУЛЯ РУЛЕВОГО КОЛЕСА) (5141 14999, 5142 12999 И НИЖЕ)

1Артикул: PUMP, PUMP NLA - W/gear pump - Model M91-46130 - Was 6665523 - A
2Артикул: PUMP,, PUMP, HYD TANDEM NLA - W/gear pump - Model M91-46598 - Was 6669045 - A
3Артикул: PUMP,, PUMP, HYD TANDEM, W/O GEAR PUMP NLA - Order 6671020REM - Was 6669045REM - A
Подробнее >
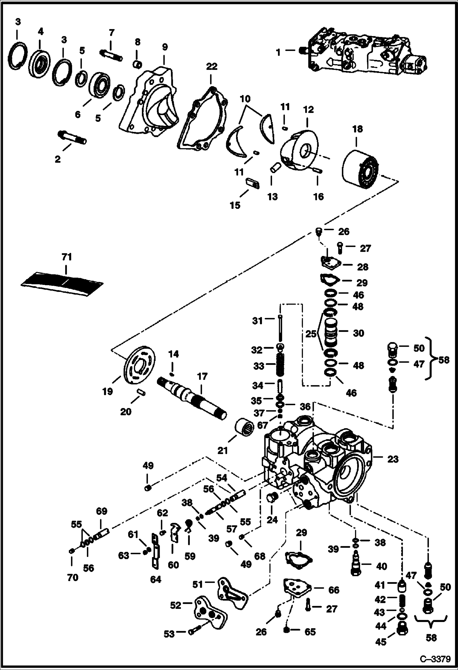
ГИДРОСТАТИЧЕСКИЙ ДВИГАТЕЛЬ (СЕРИЙНЫЙ НОМЕР 5141 12410-23901, 5142 12270-22305)

ГИДРОСТАТИЧЕСКИЙ ДВИГАТЕЛЬ (СЕРИЙНЫЙ НОМЕР 5141 12410-23901, 5142 12270-22305)

1Артикул: MOTOR, MOTOR See Illustration HYDROSTATIC MOTOR/ B18103 NLA - Ref. 2-29 - Model 5830-003-067 - Order 6675290 motor, (2) of 7231894 elbows, 17KB608 elbow & (10) of 6717806 bolt - Was 6668766 - A
2Артикул: MOTOR,, MOTOR, DRIVE HYD See Illustration HYDROSTATIC MOTOR/ B18103 NLA - model 5830-003-157 - Order 6675290 motor & (2) of 7231894 elbows - Was 6682171 - A
3Артикул: MOTOR,, MOTOR, DRIVE HYD See Illustration HYDROSTATIC MOTOR/ B18103 NLA - model 5830-003-157 - Order 6675290 motor & (2) of 7231894 elbows when replacing the LH motor or (1) 7231894 elbow & (1) 41E1612 adapter when replacing the RH motor - Was 6682171
Подробнее >