+7 (701) 588 50 05 Телефон для связи
RU

WhatsApp

Позвонить

ГИДРОСТАТИЧЕСКАЯ СИСТЕМА в Алматы

ФИЛЬТР ГИДРОСТАТИЧЕСКОГО МАСЛА

ФИЛЬТР ГИДРОСТАТИЧЕСКОГО МАСЛА

1Артикул: FILTER, FILTER ASSY NLA - W/25 PSI Bypass & Switch - Ref. 2-5 - When replacing the 25 PSI by-pass filter assy. with the 50 PSI by-pass filter assy. metal stamp the 50 PSI filter head to read 50 PSI so when ordering the by-pass or switch this will avoid confusion.
2Артикул: 6631706, FILTER ASSY. W/50 PSI Bypass & Switch - W/Ref. 2-5
3Артикул: 6599364, SWITCH pressure - Use W/25 PSI
Подробнее >
ШЕСТЕРЕННЫЙ НАСОС (DOUBLE) (СЕРИЙНЫЙ НОМЕР 15001 И ВЫШЕ)

ШЕСТЕРЕННЫЙ НАСОС (DOUBLE) (СЕРИЙНЫЙ НОМЕР 15001 И ВЫШЕ)

1Артикул: 6698248, PUMP, GEAR 5/8 (15,8mm) - 9 tooth shaft - Was 6630287 - A
2Артикул: 6698249, PUMP, GEAR 3/4 (15,8mm) - 11 tooth shaft - Was 6632039 - A
3Артикул: 6630361, PLATE back
Подробнее >
ШЕСТЕРЕННЫЙ НАСОС (#24307 RCA) (СЕРИЙНЫЙ НОМЕР 14999 И НИЖЕ)

ШЕСТЕРЕННЫЙ НАСОС (#24307 RCA) (СЕРИЙНЫЙ НОМЕР 14999 И НИЖЕ)

1Артикул: PUMP, PUMP See BTI211 NLA - Order 6630239
2Артикул: 6598423, DRIVE GEAR
3Артикул: 891346, RING
Подробнее >
ГИДРОСТАТИЧЕСКИЙ ДВИГАТЕЛЬ

ГИДРОСТАТИЧЕСКИЙ ДВИГАТЕЛЬ

1Артикул: 6567926, MOTOR KIT kit - New
2Артикул: 6567927, MOTOR KIT kit - Remanufactured
3Артикул: 6513528, FLANGE mounting
Подробнее >
ГИДРОСТАТИЧЕСКИЙ НАСОС (ПЕРЕДНИЙ)

ГИДРОСТАТИЧЕСКИЙ НАСОС (ПЕРЕДНИЙ)

1Артикул: 6513977, PUMP front - New - 5/8 (15,8 mm) -9 tooth - For 78552 RAC
2Артикул: PUMP, PUMP NLA - 5/8 (15,8 mm) - 9 tooth - For 78552 RAC - Was 6599513REM - A
3Артикул: 6631910, PUMP, HYD FRONT NLA - front - New - 3/4 (19,05 mm) - 11 tooth - For 78552 RAF - Was 6631910 - A
Подробнее >
СХЕМА ГИДРОСТАТИЧЕСКОЙ СИСТЕМЫ (СЕРИЙНЫЙ НОМЕР 21515 И ВЫШЕ)

СХЕМА ГИДРОСТАТИЧЕСКОЙ СИСТЕМЫ (СЕРИЙНЫЙ НОМЕР 21515 И ВЫШЕ)

1Артикул: 6559159, HOSE
2Артикул: 15K10, ADAPTOR W/Ref. 3
3Артикул: 79K16, O RING 10
Подробнее >
УСТРОЙСТВА РУЧНОГО УПРАВЛЕНИЯ (СЕРИЙНЫЙ НОМЕР 16192 ЧЕРЕЗ 21750)

УСТРОЙСТВА РУЧНОГО УПРАВЛЕНИЯ (СЕРИЙНЫЙ НОМЕР 16192 ЧЕРЕЗ 21750)

1Артикул: 35C612, BOLT
2Артикул: 6558736, FLANGE
3Артикул: 6512027, BUSHING
Подробнее >
УСТРОЙСТВА РУЧНОГО УПРАВЛЕНИЯ (СЕРИЙНЫЙ НОМЕР 21751 И ВЫШЕ)

УСТРОЙСТВА РУЧНОГО УПРАВЛЕНИЯ (СЕРИЙНЫЙ НОМЕР 21751 И ВЫШЕ)

1Артикул: 35C612, BOLT
2Артикул: 6558736, FLANGE
3Артикул: 6512027, BUSHING
Подробнее >
УСТРОЙСТВА РУЧНОГО УПРАВЛЕНИЯ (СЕРИЙНЫЙ НОМЕР 14999 И НИЖЕ)

УСТРОЙСТВА РУЧНОГО УПРАВЛЕНИЯ (СЕРИЙНЫЙ НОМЕР 14999 И НИЖЕ)

1Артикул: 35C612, BOLT Was 31C000612B - A
2Артикул: 6558736, FLANGE
3Артикул: 6512027, BUSHING
Подробнее >
СХЕМА ГИДРОСТАТИЧЕСКОЙ СИСТЕМЫ (СЕРИЙНЫЙ НОМЕР 15001 ЧЕРЕЗ 15622)

СХЕМА ГИДРОСТАТИЧЕСКОЙ СИСТЕМЫ (СЕРИЙНЫЙ НОМЕР 15001 ЧЕРЕЗ 15622)

1Артикул: 6567026, HOSE
2Артикул: 15K7, FITTING W/Ref. 3 - See Ref. 19
3Артикул: 79K10, O RING 10
Подробнее >
ШЕСТЕРЕННЫЙ НАСОС (#25306 RCA) (СЕРИЙНЫЙ НОМЕР 14999 И НИЖЕ)

ШЕСТЕРЕННЫЙ НАСОС (#25306 RCA) (СЕРИЙНЫЙ НОМЕР 14999 И НИЖЕ)

1Артикул: 6698247, GEAR PUMP See BTI211 Was 6630239 - A
2Артикул: 6630386, DRIVE GEAR
3Артикул: 6630359, BODY W/Ref. 9
Подробнее >
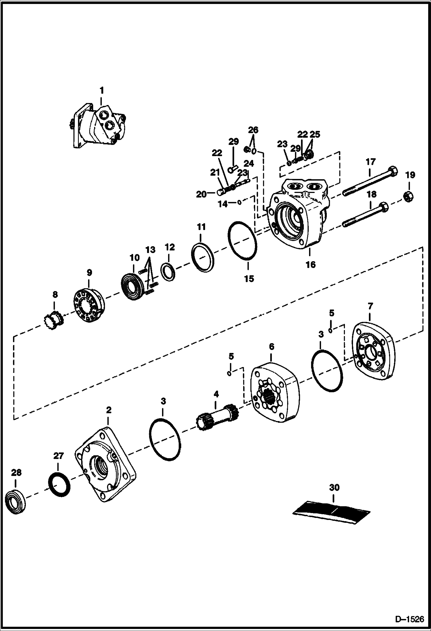
ГИДРОСТАТИЧЕСКИЙ НАСОС (ЗАДНИЙ)

ГИДРОСТАТИЧЕСКИЙ НАСОС (ЗАДНИЙ)

1Артикул: 6513976, PUMP, HYD REAR rear - New
2Артикул: PUMP, PUMP NLA - Was 6599512REM - A
3Артикул: 952149, SNAP RING
Подробнее >
СХЕМА ГИДРОСТАТИЧЕСКОЙ СИСТЕМЫ (СЕРИЙНЫЙ НОМЕР 15001 ЧЕРЕЗ 21514)

СХЕМА ГИДРОСТАТИЧЕСКОЙ СИСТЕМЫ (СЕРИЙНЫЙ НОМЕР 15001 ЧЕРЕЗ 21514)

1Артикул: 6559159, HOSE
2Артикул: 15K10, ADAPTOR W/Ref. 3
3Артикул: 79K16, O RING 10
Подробнее >
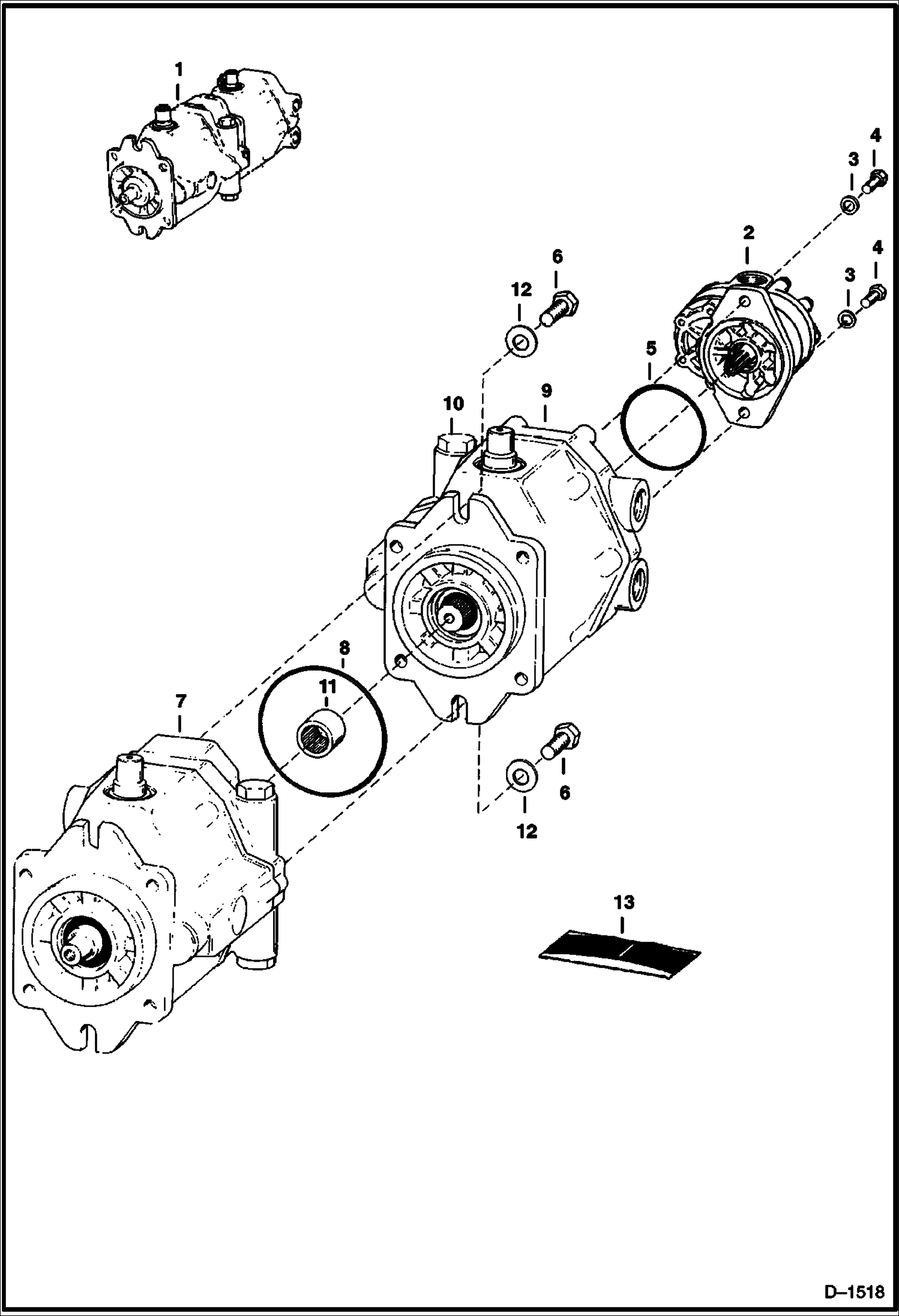
ГИДРОСТАТИЧЕСКИЕ НАСОСЫ

ГИДРОСТАТИЧЕСКИЕ НАСОСЫ

1Артикул: 6562725, PUMP New
2Артикул: PUMP, PUMP NLA - W/double gear pump - New - 5/8-9 tooth shaft - 78552-RAC - Order 6631702
3Артикул: PUMP,, PUMP, HYD TANDEM NLA - W/double gear pump - New - 3/4-11 tooth shaft - 78552-RAF - Was 6631702 - A
Подробнее >
СХЕМА ГИДРОСТАТИЧЕСКОЙ СИСТЕМЫ (СЕРИЙНЫЙ НОМЕР 14999 И НИЖЕ)

СХЕМА ГИДРОСТАТИЧЕСКОЙ СИСТЕМЫ (СЕРИЙНЫЙ НОМЕР 14999 И НИЖЕ)

1Артикул: 6560575, DIPSTICK
2Артикул: 6553411, BUSHING
3Артикул: 6559449, BAND
Подробнее >
СХЕМА ГИДРОСТАТИЧЕСКОЙ СИСТЕМЫ (СЕРИЙНЫЙ НОМЕР 22441 И ВЫШЕ)

СХЕМА ГИДРОСТАТИЧЕСКОЙ СИСТЕМЫ (СЕРИЙНЫЙ НОМЕР 22441 И ВЫШЕ)

1Артикул: 6568967, HOSE
2Артикул: 15K7, FITTING W/Ref. 3
3Артикул: 79K10, O RING 10
Подробнее >
УСТРОЙСТВА РУЧНОГО УПРАВЛЕНИЯ (СЕРИЙНЫЙ НОМЕР 15001 ЧЕРЕЗ 16191)

УСТРОЙСТВА РУЧНОГО УПРАВЛЕНИЯ (СЕРИЙНЫЙ НОМЕР 15001 ЧЕРЕЗ 16191)

1Артикул: 35C612, BOLT
2Артикул: 6558736, FLANGE
3Артикул: 6512027, BUSHING
Подробнее >
СХЕМА ГИДРОСТАТИЧЕСКОЙ СИСТЕМЫ (СЕРИЙНЫЙ НОМЕР 15623 ЧЕРЕЗ 22440)

СХЕМА ГИДРОСТАТИЧЕСКОЙ СИСТЕМЫ (СЕРИЙНЫЙ НОМЕР 15623 ЧЕРЕЗ 22440)

1Артикул: 6567026, HOSE
2Артикул: 6568967, HOSE
3Артикул: 15K7, FITTING W/Ref. 3
Подробнее >