+7 (701) 588 50 05 Телефон для связи
RU

WhatsApp

Позвонить

ГИДРОСТАТИЧЕСКАЯ СИСТЕМА в Алматы

НАСОС С КРЫЛЬЧАТКОЙ

НАСОС С КРЫЛЬЧАТКОЙ

1Артикул: PUMP, PUMP NLA - Vickers 426757 -2 - Order 6648982 - Was 6512950 - A
2Артикул: 6648982, PUMP Vickers 503193 -2
3Артикул: 17C648, BOLT 5
Подробнее >
ГИДРОСТАТИЧЕСКИЙ ДВИГАТЕЛЬ

ГИДРОСТАТИЧЕСКИЙ ДВИГАТЕЛЬ

1Артикул: 6567421, MOTOR KIT New - W/Ref. 30 & 25K030508B O-ring
2Артикул: 6567752, MOTOR remanufactured
3Артикул: 6513506, DRIVE
Подробнее >
ГИДРОСТАТИЧЕСКИЙ НАСОС

ГИДРОСТАТИЧЕСКИЙ НАСОС

1Артикул: PUMP, PUMP See BTI209 NLA
2Артикул: PUMP, PUMP NLA - New - Vickers 451809 - order 6648980 - Was 6630086 - A
3Артикул: PUMP,, PUMP, HYD TANDEM NLA - New - Vickers 567686 - Was 6648980 - A
Подробнее >
УСТРОЙСТВА РУЧНОГО УПРАВЛЕНИЯ (СЕРИЙНЫЙ НОМЕР 15001 И ВЫШЕ)

УСТРОЙСТВА РУЧНОГО УПРАВЛЕНИЯ (СЕРИЙНЫЙ НОМЕР 15001 И ВЫШЕ)

1Артикул: 17C612, BOLT 5
2Артикул: 6558736, FLANGE
3Артикул: 6512027, BUSHING
Подробнее >
СХЕМА ГИДРОСТАТИЧЕСКОЙ СИСТЕМЫ (СЕРИЙНЫЙ НОМЕР 15001 И ВЫШЕ)

СХЕМА ГИДРОСТАТИЧЕСКОЙ СИСТЕМЫ (СЕРИЙНЫЙ НОМЕР 15001 И ВЫШЕ)

1Артикул: 85D6, NUT, 5
2Артикул: 35C616, BOLT 5
3Артикул: 6560954, OIL COOLER
Подробнее >
УСТРОЙСТВА РУЧНОГО УПРАВЛЕНИЯ (СЕРИЙНЫЙ НОМЕР 14999 И НИЖЕ)

УСТРОЙСТВА РУЧНОГО УПРАВЛЕНИЯ (СЕРИЙНЫЙ НОМЕР 14999 И НИЖЕ)

1Артикул: 17C612, BOLT 5
2Артикул: 6558736, FLANGE
3Артикул: 6512027, BUSHING
Подробнее >
ШЕСТЕРЕННЫЙ НАСОС (W9A1S012) (СЕРИЙНЫЙ НОМЕР 15001 И ВЫШЕ)

ШЕСТЕРЕННЫЙ НАСОС (W9A1S012) (СЕРИЙНЫЙ НОМЕР 15001 И ВЫШЕ)

1Артикул: 6662894, GEAR PUMP
2Артикул: 6662925, SNAP RING
3Артикул: 6662926, SEAL
Подробнее >
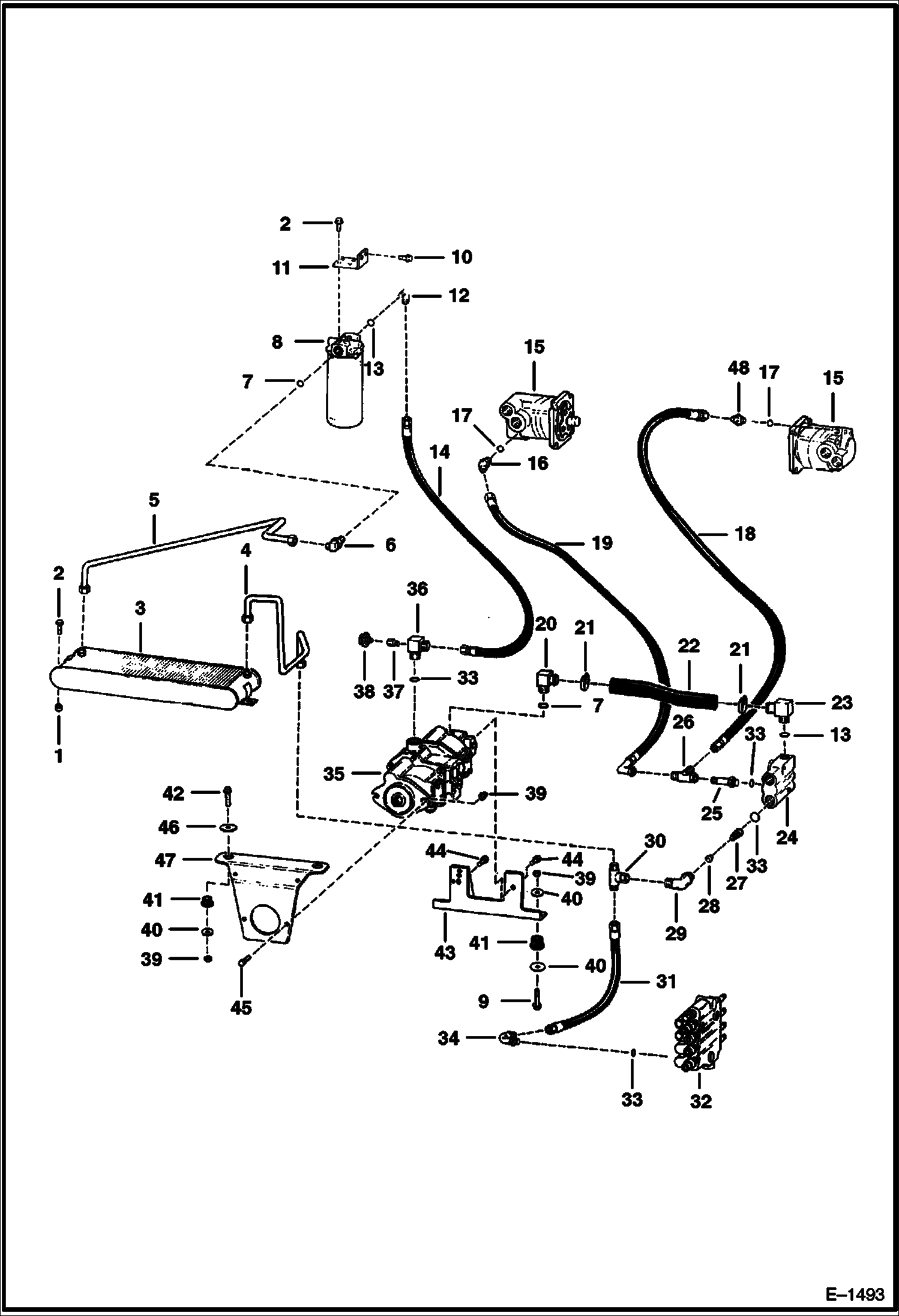
СХЕМА ГИДРОСТАТИЧЕСКОЙ СИСТЕМЫ (СЕРИЙНЫЙ НОМЕР 14999 И НИЖЕ)

СХЕМА ГИДРОСТАТИЧЕСКОЙ СИСТЕМЫ (СЕРИЙНЫЙ НОМЕР 14999 И НИЖЕ)

1Артикул: 37C616, BOLT carriage - Was 6514537 - A
2Артикул: 6560954, OIL COOLER
3Артикул: 15K7, FITTING W/Ref. 4
Подробнее >
ФИЛЬТР ГИДРОСТАТИЧЕСКОГО МАСЛА (СЕРИЙНЫЙ НОМЕР 15001 И ВЫШЕ)

ФИЛЬТР ГИДРОСТАТИЧЕСКОГО МАСЛА (СЕРИЙНЫЙ НОМЕР 15001 И ВЫШЕ)

1Артикул: FILTER, FILTER ASSY. NLA - W/Ref. 2-5 - 25 PSI by-pass & switch - When replacing the 25 PSI by-pass filter assy with the 50 PSI by-pass filter assy. Metal stamp the 50 PSI filter head to read 50 PSI so when ordering the by-pass or switch this will avoid confusion.
2Артикул: 6631706, FILTER ASSY. W/Ref. 2-5 - 50 PSI by-pass & switch
3Артикул: 6599364, SWITCH pressure - Use W/25 PSI by-pass
Подробнее >