+7 (701) 588 50 05 Телефон для связи
RU

WhatsApp

Позвонить

ГИДРОСТАТИЧЕСКАЯ СИСТЕМА в Алматы

ГИДРОСТАТИЧЕСКИЙ НАСОС (ПЕРЕДНИЙ)

ГИДРОСТАТИЧЕСКИЙ НАСОС (ПЕРЕДНИЙ)

1Артикул: 6667669, PUMP
2Артикул: 661415, SNAP RING
3Артикул: SEAL, SEAL NSS
Подробнее >
ШЕСТЕРЕННЫЙ НАСОС

ШЕСТЕРЕННЫЙ НАСОС

1Артикул: GEAR, GEAR PUMP NLA - Do not Install Shaft Seal In This Pump - Was 6598854 - A
2Артикул: PLATE, PLATE Was 6598869 - A
3Артикул: SEAL, SEAL NSS
Подробнее >
СХЕМА ГИДРОСТАТИЧЕСКОЙ СИСТЕМЫ

СХЕМА ГИДРОСТАТИЧЕСКОЙ СИСТЕМЫ

1Артикул: 15K5, FITTING W/Ref. 26
2Артикул: MOTOR, MOTOR See Illustration HYDROSTATIC MOTOR/ D1678
3Артикул: 15K7, FITTING W/Ref. 18
Подробнее >
ОРГАНЫ РУЧНОГО УПРАВЛЕНИЯ

ОРГАНЫ РУЧНОГО УПРАВЛЕНИЯ

1Артикул: 17C612, BOLT 5
2Артикул: 6558736, FLANGE
3Артикул: 6512027, BUSHING
Подробнее >
ГИДРОСТАТИЧЕСКИЙ НАСОС (ЗАДНИЙ)

ГИДРОСТАТИЧЕСКИЙ НАСОС (ЗАДНИЙ)

1Артикул: 6667672, PUMP new
2Артикул: 661415, SNAP RING
3Артикул: SEAL, SEAL NSS
Подробнее >
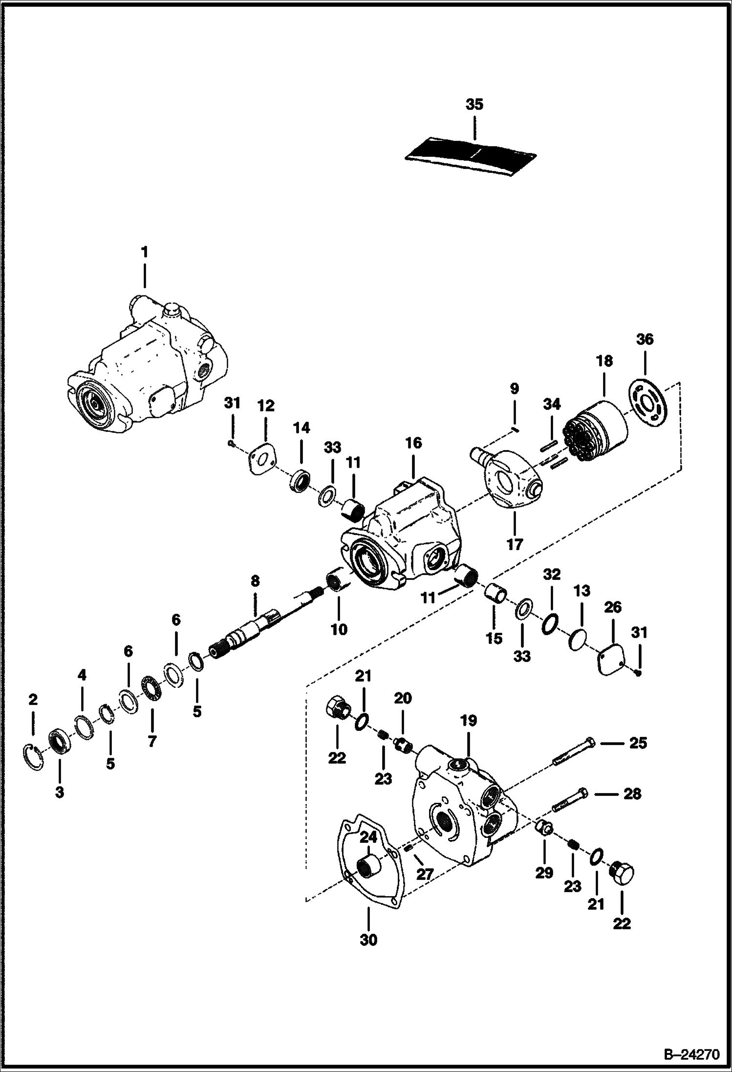
ГИДРОСТАТИЧЕСКИЙ НАСОС

ГИДРОСТАТИЧЕСКИЙ НАСОС

1Артикул: PUMP, PUMP See BTI321 NLA - Was 6665399 - A
2Артикул: GEAR, GEAR PUMP See Illustration GEAR PUMP/ C2733 NLA - Was 6598854 - A
3Артикул: 6510585, WASHER
Подробнее >
ГИДРОСТАТИЧЕСКИЙ ДВИГАТЕЛЬ (ПАЗОВЫЙ ВАЛ)

ГИДРОСТАТИЧЕСКИЙ ДВИГАТЕЛЬ (ПАЗОВЫЙ ВАЛ)

1Артикул: 6664889, MOTOR, DRIVE HYD New
2Артикул: 6513506, DRIVE
3Артикул: SEAL, SEAL NSS
Подробнее >