ГИДРОСТАТИЧЕСКАЯ СИСТЕМА в Алматы
КЛАПАН ПЕРЕКЛЮЧЕНИЯ 2-СКОРОСТНОГО ДИАПАЗОНА
1Артикул: 6679102, VALVE assy.
2Артикул: BLOCK, BLOCK NSS - Order Ref. 1
3Артикул: 6677982, CARTRIDGE make up valve - W/Ref. 5
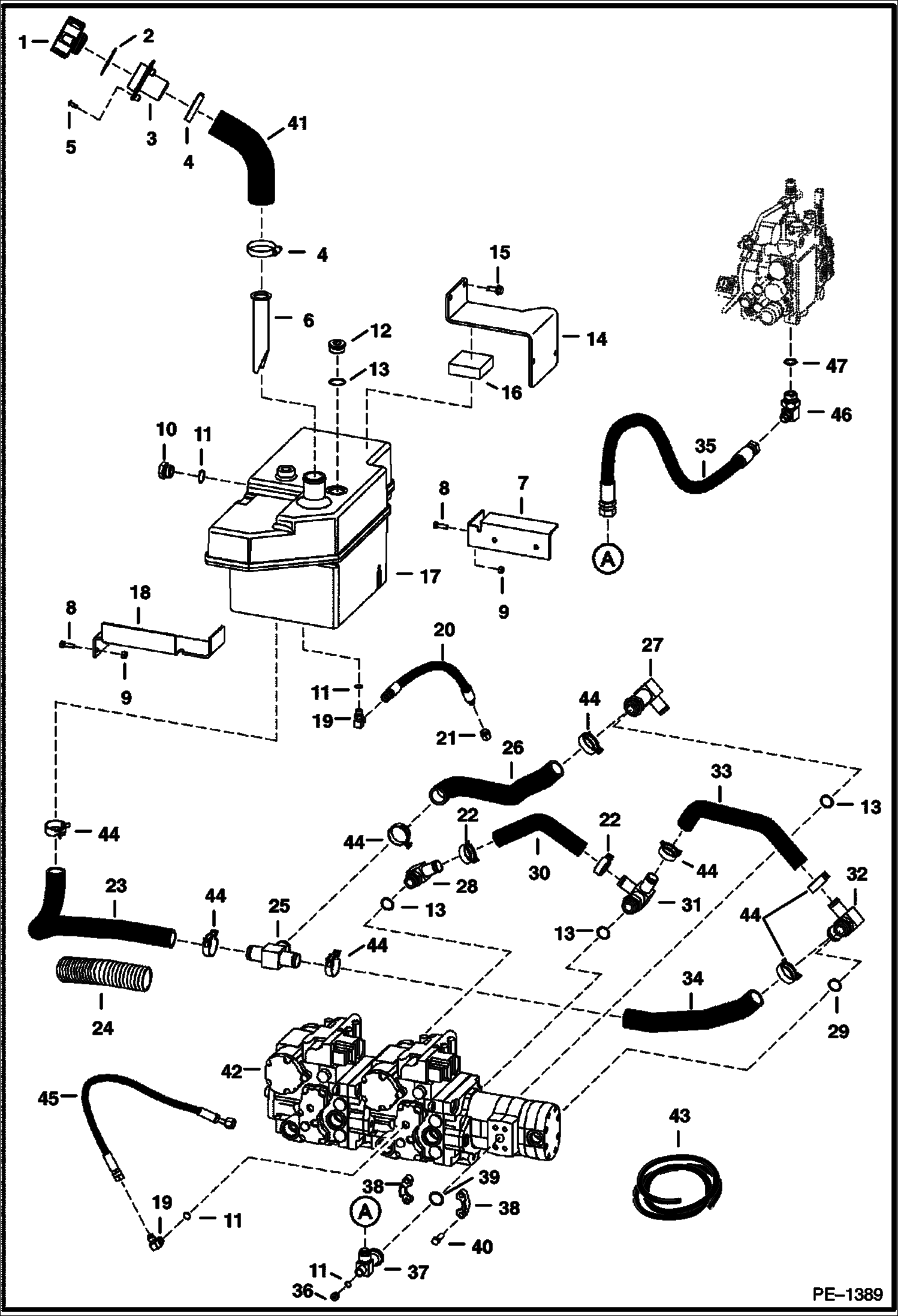
ФИЛЬТР ГИДРОСТАТИЧЕСКОГО МАСЛА (В СОСТАВЕ ЛИНИИ)
1Артикул: 6661022, FILTER, OIL HYD IN-LINE Ref. 2-8
2Артикул: HOUSING, HOUSING NSS
3Артикул: SPRING, SPRING NSS
ГИДРОСТАТИЧЕСКИЙ НАСОС (РУЛЕВОЕ УПРАВЛЕНИЕ С УСИЛИТЕЛЕМ) (ЛЕВАЯ ПОЛОВИНА)
1Артикул: PUMP, PUMP NLA - complete W/ gear pump - Model 4415507 - standard flow - Order 6681938 - Was 6677772 - A
2Артикул: 6681938, PUMP See BTI394 Model 4412922 - Was 6679821 - A
3Артикул: PUMP,, PUMP, HYD TANDEM See BTI394 NLA - Model 4412936 - complete W/ 6686699 gear pump - Order 7021130 pump & 6686699 gear pump or 6686698REM pump & 6686699 gear pump - Was 6686698 - A
ГИДРОСТАТИЧЕСКИЙ ДВИГАТЕЛЬ И ТОРМОЗ (2-ФУНКЦИЯ РЕГУЛИРОВКИ ЧИСЛА ОБОРОТОВ ДВИГАТЕЛЯ) (ВСПОМОГАТЕЛЬНЫЙ) (R921811649)
1Артикул: 7261334, MOTOR, DRIVE HYD 2-SPD Ref. 2-57
2Артикул: 7257498, DISTRIBUTOR MOTOR
3Артикул: 6674037, SPRING
ГИДРОСТАТИЧЕСКИЙ ДВИГАТЕЛЬ И ТОРМОЗ (R921810294)
1Артикул: MOTOR,, MOTOR, HYDROSTATIC 2-SPEED See Illustration HYDROSTATIC MOTOR & BRAKE/ NA10878 - NLA - Ref. 2-56 - Was 6674738 - A
2Артикул: 6674738REM, MOTOR, HYDROSTATIC 2 SP
3Артикул: 6690067, DISTRIBUTOR MOTOR
КЛАПАН РУЛЕВОГО УПРАВЛЕНИЯ
1Артикул: 6678781, VALVE Was 6677796 - A
2Артикул: 6678655, CHECK VALVE W/Ref. 16
3Артикул: 24K5, PLUG W.Ref. 4 - tapered boss face - Was 90KV5 - A
ГИДРОСТАТИЧЕСКИЙ ДВИГАТЕЛЬ (R921805316)
1Артикул: MOTOR,, MOTOR, DRIVE HYD See Illustration HYDROSTATIC MOTOR/ NA12625 - NLA - 4-bolt flange ports - Ref. 2-28 - Was 6672821 - A
2Артикул: 6674037, SPRING
3Артикул: 6674184, RING
СХЕМА ГИДРОСТАТИЧЕСКОЙ СИСТЕМЫ (С КАМЕРОЙ ОХЛАЖДЕНИЯ)
1Артикул: 6678194, COOLER
2Артикул: 6729475, HOSE
3Артикул: 6729478, HOSE
ФИЛЬТР ГИДРОСТАТИЧЕСКОГО МАСЛА
1Артикул: 6661247, FILTER W/Ref. 2-5 (50 PSI by-pass & switch)
2Артикул: 6660260, SWITCH pressure - Normally closed
3Артикул: 6599365, KIT Nut, washer & O-rings for switch
СХЕМА ГИДРОСТАТИЧЕСКОЙ СИСТЕМЫ (2-ФУНКЦИЯ РЕГУЛИРОВКИ ЧИСЛА ОБОРОТОВ ДВИГАТЕЛЯ)
1Артикул: 6809144, HOSE
2Артикул: 6628613, HOSE
3Артикул: 6661753, PLUG diagnostic - Use W/6676417 2-speed valve
ШЕСТЕРЕННЫЙ НАСОС
1Артикул: PUMP, PUMP NLA - Model 163D1187 - for model 4415507 - Order 6681598 pump - Was 6678529 - A
2Артикул: PUMP, PUMP NLA - Model 163D1302 - Was 6681598 - A
3Артикул: 6686699, PUMP, GEAR DOUBLE Model 163D1479
СХЕМА ГИДРОСТАТИЧЕСКОЙ СИСТЕМЫ (С БАКОМ)
1Артикул: 6577785, CAP breather & fill - Also Order Ref. 2
2Артикул: 6700631, GASKET
3Артикул: 6727354, INLET
ГИДРОСТАТИЧЕСКИЙ ДВИГАТЕЛЬ (R921811668)
1Артикул: 7261332, MOTOR, DRIVE HYD Ref. 2-27
2Артикул: 7257504, HOUSING
3Артикул: 6687081, SCREW
ГИДРОСТАТИЧЕСКИЙ НАСОС (РУЛЕВОЕ УПРАВЛЕНИЕ С УСИЛИТЕЛЕМ) (ПРАВОСТОРОННИЙ)
1Артикул: PUMP,, PUMP, HYD TANDEM, W/O GEAR PUMP
2Артикул: 7023432, PUMP, HYD RH Model 83003926 - Ref. 3-79 - W/ 5220 psi reliefs
3Артикул: HOUSING, HOUSING NSS - W/Ref. 13, 61 & 75
ГИДРОСТАТИЧЕСКИЙ ДВИГАТЕЛЬ И ТОРМОЗ
1Артикул: MOTOR, MOTOR See Illustration HRDROSTATIC MOTOR & BRAKE/ MS2600 NLA - 5830-003-138 model - Ref. 2-54 - Order 6674738 motor
2Артикул: 6674738REM, MOTOR, HYDROSTATIC 2 SP
3Артикул: 6675876, DISTRIBUTOR
ФИЛЬТР ГИДРОСТАТИЧЕСКОГО МАСЛА (В СОСТАВЕ ЛИНИИ) (ФИЛЬТР РУЛЕВОГО УПРАВЛЕНИЯ)
1Артикул: 6679143, FILTER, VALVE STEERING IN-LINE Ref. 2-8
2Артикул: HOUSING, HOUSING NSS
3Артикул: SPRING, SPRING NSS
СХЕМА ГИДРОСТАТИЧЕСКОЙ СИСТЕМЫ (КЛАПАН РУЛЕВОГО УПРАВЛЕНИЯ)
1Артикул: VALVE, VALVE See Illustration 2-SPEED VALVE/ MS1143 2-SPEED
2Артикул: 43C640, BOLT
3Артикул: 6729039, BLOCK
СХЕМА ГИДРОСТАТИЧЕСКОЙ СИСТЕМЫ (С ДВИГАТЕЛЯМИ)
1Артикул: 6726453, HOSE
2Артикул: 21KB0808, FTG HYD STRAIGHT TEE See Illustration MANUAL LIFT RELEASE SYSTEM/ PE2463 W/Ref. 3 - Was 21KN00006B - A
3Артикул: 97K8, RING,O flared end