+7 (701) 588 50 05 Телефон для связи
RU

WhatsApp

Позвонить

ГИДРОСТАТИЧЕСКАЯ СИСТЕМА в Алматы

ФИЛЬТР ГИДРОСТАТИЧЕСКОГО МАСЛА (В СОСТАВЕ ЛИНИИ)

ФИЛЬТР ГИДРОСТАТИЧЕСКОГО МАСЛА (В СОСТАВЕ ЛИНИИ)

1Артикул: 6661022, FILTER, OIL HYD IN-LINE Ref. 2-8
2Артикул: HOUSING, HOUSING NSS
3Артикул: SPRING, SPRING NSS
Подробнее >
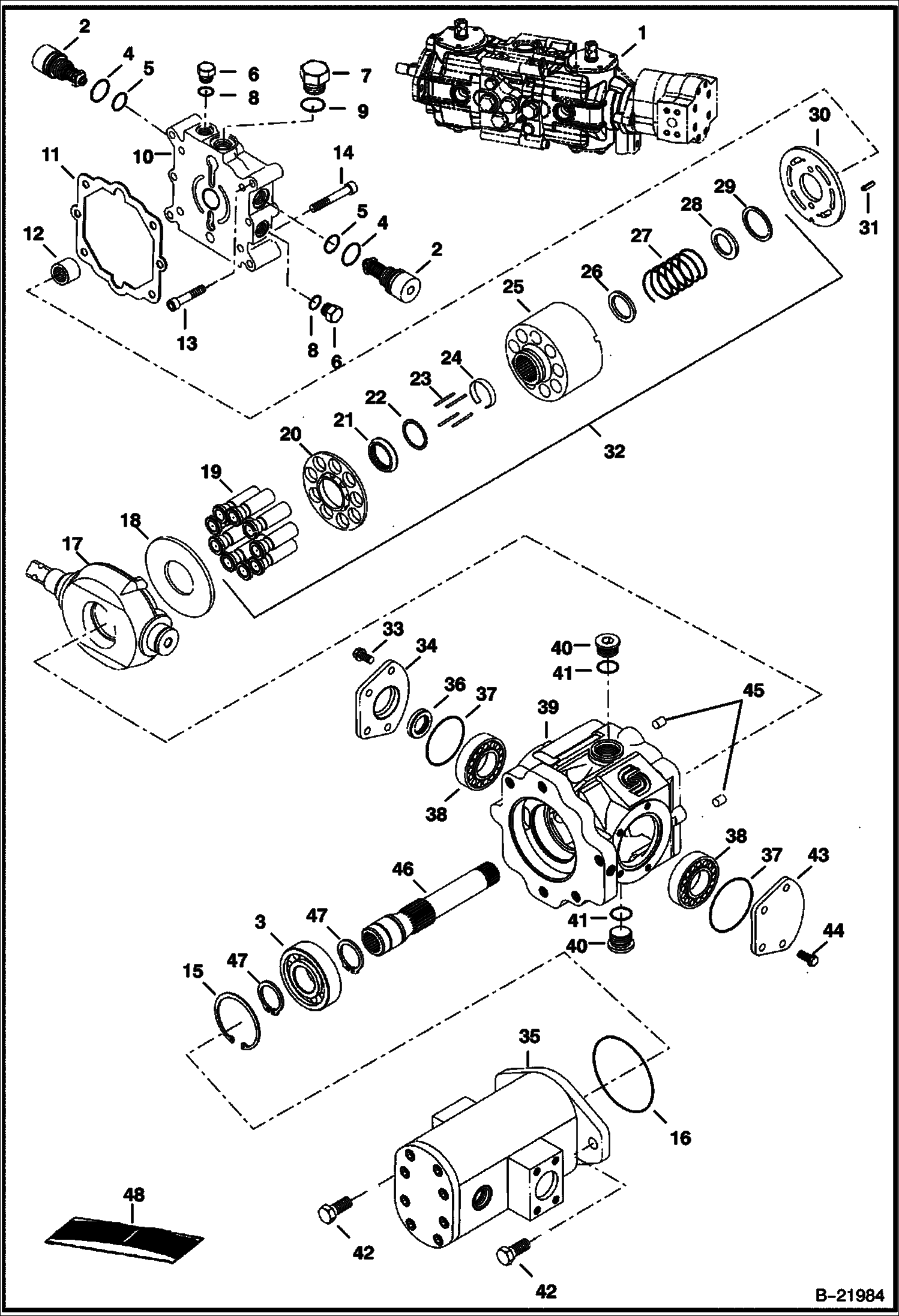
ГИДРОСТАТИЧЕСКИЙ НАСОС (ПРАВОСТОРОННИЙ)

ГИДРОСТАТИЧЕСКИЙ НАСОС (ПРАВОСТОРОННИЙ)

1Артикул: PUMP, PUMP NLA - Model 4445143 - complete W/gear pump - standard flow - Order 6686708 pump or 6686708REM pump - Also Order 7127545 bracket - must use 6576196 bracket & 6706096 bracket from original pump - Was 6682984 - A
2Артикул: PUMP, PUMP NLA - Model 4445164 - complete W/gear pump - standard flow - Order 6686708 pump or 6686708REM pump - Also Order 7127545 bracket - Was 6685036 - A
3Артикул: 6686708, PUMP, HYD TANDEM Model 4445188 - complete W/gear pump - standard flow - Also Order 7127545 bracket
Подробнее >
ГИДРОСТАТИЧЕСКИЙ НАСОС (ЛЕВАЯ ПОЛОВИНА)

ГИДРОСТАТИЧЕСКИЙ НАСОС (ЛЕВАЯ ПОЛОВИНА)

1Артикул: PUMP, PUMP NLA - Model 4445143 - complete W/gear pump - standard flow - Order 6686708 pump or 6686708REM pump - Also Order 7127545 bracket - must use 6576196 bracket & 6706096 bracket from original pump - Was 6682984 - A
2Артикул: PUMP, PUMP NLA - Model 4445164 - complete W/gear pump - standard flow - Order 6686708 pump or 6686708REM pump - Also Order 7127545 bracket - Was 6685036 - A
3Артикул: 6686708, PUMP, HYD TANDEM Model 4445188 - complete W/gear pump - standard flow - Also Order 7127545 bracket
Подробнее >
ГИДРОСТАТИЧЕСКИЙ НАСОС (РУЛЕВОЕ УПРАВЛЕНИЕ С УСИЛИТЕЛЕМ) (ПРАВОСТОРОННИЙ)

ГИДРОСТАТИЧЕСКИЙ НАСОС (РУЛЕВОЕ УПРАВЛЕНИЕ С УСИЛИТЕЛЕМ) (ПРАВОСТОРОННИЙ)

1Артикул: PUMP,, PUMP, HYD TANDEM, W/O GEAR PUMP
2Артикул: 7023432, PUMP, HYD RH Model 83003926 - Ref. 3-79 - W/ 5220 psi reliefs
3Артикул: HOUSING, HOUSING NSS - W/Ref. 13, 61 & 75
Подробнее >
ФИЛЬТР ГИДРОСТАТИЧЕСКОГО МАСЛА

ФИЛЬТР ГИДРОСТАТИЧЕСКОГО МАСЛА

1Артикул: 6678155, FILTER ASSY W/Ref. 2-5 - 50 PSI by-pass & switch - Was 6676495 - B,D
2Артикул: 6685847, FILTER ASSY (high flow) ( 40 GPM)
3Артикул: 6660260, SWITCH pressure - normally closed
Подробнее >
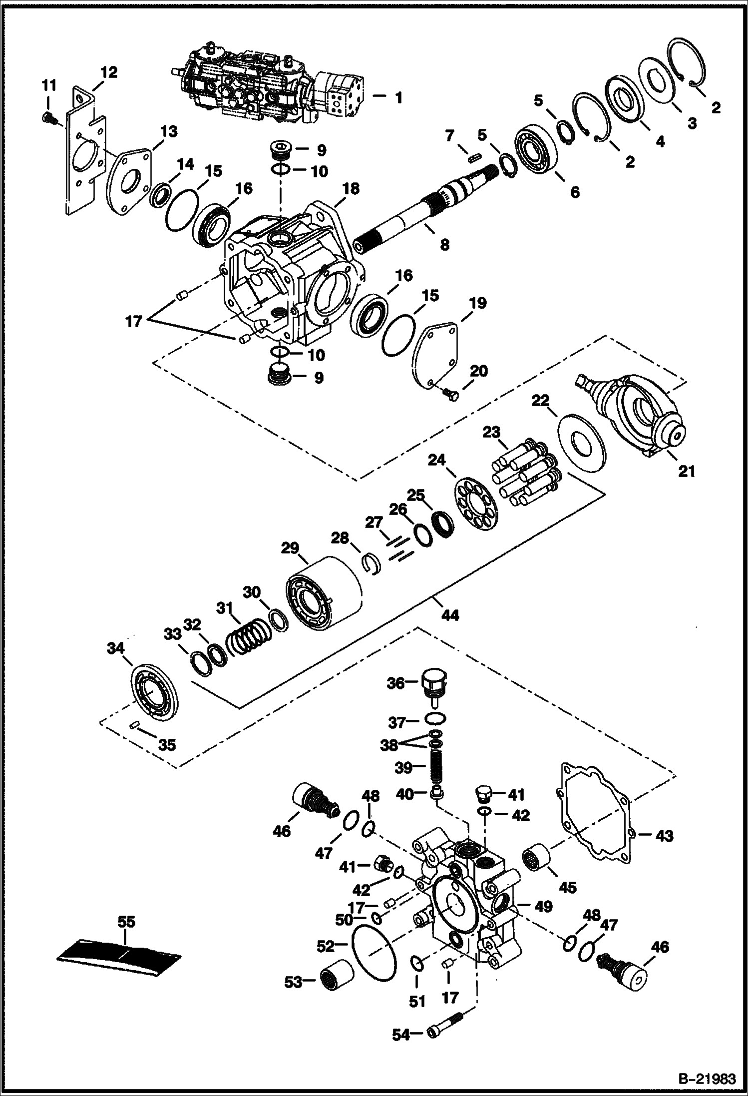
ГИДРОСТАТИЧЕСКИЙ ДВИГАТЕЛЬ И ТОРМОЗ

ГИДРОСТАТИЧЕСКИЙ ДВИГАТЕЛЬ И ТОРМОЗ

1Артикул: 6690156, MOTOR, DRIVE HYD Model R921810561
2Артикул: 6690156REM, MOTOR, DRIVE HYD Model R921810561
3Артикул: 6680019, PLUG Was 6691209 - D
Подробнее >
ШЕСТЕРЕННЫЙ НАСОС (МНОГОРЕЖИМНЫЙ ДЖОЙСТИК УПРАВЛЕНИЯ) (С ВНЕШНИМ НАГНЕТАТЕЛЬНЫМ НАСОСОМ)

ШЕСТЕРЕННЫЙ НАСОС (МНОГОРЕЖИМНЫЙ ДЖОЙСТИК УПРАВЛЕНИЯ) (С ВНЕШНИМ НАГНЕТАТЕЛЬНЫМ НАСОСОМ)

1Артикул: PUMP, PUMP NLA - gear - model 163D1357 - for model 4412928 - Order 6686701 - Was 6684386 - A
2Артикул: 6686701, GEAR PUMP model 163D1481 - for model 4412937
3Артикул: BOLT, BOLT NSS
Подробнее >
ТОРМОЗНОЙ КЛАПАН

ТОРМОЗНОЙ КЛАПАН

1Артикул: 6679103, VALVE, BRAKE Ref. 2-6
2Артикул: BLOCK, BLOCK NSS - Order Ref. 1
3Артикул: 6680403, VALVE W/Ref. 5 - Was 6676509
Подробнее >
ШЕСТЕРЕННЫЙ НАСОС

ШЕСТЕРЕННЫЙ НАСОС

1Артикул: GEAR, GEAR PUMP NLA - standard flow - model 163D1316 - for pump 4445143 - Order 6686709 - Was 6684454 - A
2Артикул: GEAR, GEAR PUMP NLA - standard flow - model 163D1316 - for pump 4445164 - Order 6686709 - Was 6682982 - A
3Артикул: 6686709, PUMP, GEAR DOUBLE standard flow - model 163D1487 - for model 4445188
Подробнее >
УСТРОЙСТВА РУЧНОГО УПРАВЛЕНИЯ (СЕРИЙНЫЙ НОМЕР 525611074, 525711003 И ВЫШЕ)

УСТРОЙСТВА РУЧНОГО УПРАВЛЕНИЯ (СЕРИЙНЫЙ НОМЕР 525611074, 525711003 И ВЫШЕ)

1Артикул: 6702543, LEVER, STEERING
2Артикул: BELLCRANK, BELLCRANK NLA - For Underslung shocks - Order 7110573 & Ref. 9 (10H35 grease zerk) - Was 6730264 - A
3Артикул: BELLCRANK, BELLCRANK NLA - 1.0475 in. (26,2 mm) I.D. Hole For Ref. 29 (6678067 Bushing) - Use W/Ref. 9 (6518200 Grease Zerk) - Order 7110573 Bellcrank & Ref. 9 (10H000035B Grease Zerk) - Was 7101048 - A
Подробнее >
ГИДРОСТАТИЧЕСКИЙ ДВИГАТЕЛЬ И ТОРМОЗ (СЕРИЙНЫЙ НОМЕР 525611054-13797, 525711003-12110)

ГИДРОСТАТИЧЕСКИЙ ДВИГАТЕЛЬ И ТОРМОЗ (СЕРИЙНЫЙ НОМЕР 525611054-13797, 525711003-12110)

1Артикул: MOTOR, MOTOR NLA - models 80689332, 5840-003-080, R921806893 - w/ twin distributor seals - Order 6690156 or 6690156REM motor & 7165109 sprocket - Was 6684440 - A
2Артикул: MOTOR, MOTOR NLA - models 80689332, 5840-003-080, R921806893 - w/ twin distributor seals - Order 6690156 or 6690156REM motor & 7165109 sprocket - Was 6684440REM - A
3Артикул: 6680019, PLUG
Подробнее >