+7 (701) 588 50 05 Телефон для связи
RU

WhatsApp

Позвонить

ГИДРОСТАТИЧЕСКАЯ СИСТЕМА в Алматы

КЛАПАН ПЕРЕКЛЮЧЕНИЯ 2-СКОРОСТНОГО ДИАПАЗОНА

КЛАПАН ПЕРЕКЛЮЧЕНИЯ 2-СКОРОСТНОГО ДИАПАЗОНА

1Артикул: 6679102, VALVE assy.
2Артикул: BLOCK, BLOCK NSS - Order Ref. 1
3Артикул: 6677982, CARTRIDGE make up valve - W/Ref. 5
Подробнее >
ГИДРОСТАТИЧЕСКИЙ ДВИГАТЕЛЬ И ТОРМОЗ (2-ФУНКЦИЯ РЕГУЛИРОВКИ ЧИСЛА ОБОРОТОВ ДВИГАТЕЛЯ) (R921810294)

ГИДРОСТАТИЧЕСКИЙ ДВИГАТЕЛЬ И ТОРМОЗ (2-ФУНКЦИЯ РЕГУЛИРОВКИ ЧИСЛА ОБОРОТОВ ДВИГАТЕЛЯ) (R921810294)

1Артикул: MOTOR,, MOTOR, HYDROSTATIC 2-SPEED See Illustration HYDROSTATIC MOTOR & BRAKE/ NA10878 - NLA - Ref. 2-52 - Was 6674738 - A
2Артикул: 6674738REM, MOTOR, HYDROSTATIC 2 SP
3Артикул: 6675876, DISTRIBUTOR
Подробнее >
ШЕСТЕРЕННЫЙ НАСОС (АЛЮМИНИЕВЫЙ) (СЕРИЙНЫЙ НОМЕР 514449259, 514541068 И НИЖЕ)

ШЕСТЕРЕННЫЙ НАСОС (АЛЮМИНИЕВЫЙ) (СЕРИЙНЫЙ НОМЕР 514449259, 514541068 И НИЖЕ)

1Артикул: 6673911, PUMP B5501-37255 - W/Ref. 2-13 - for model 4445060
2Артикул: 6675660, PUMP, GEAR B5501-38094 - W/Ref. 2-13 - for model 4445066
3Артикул: BOLT, BOLT NSS
Подробнее >
СХЕМА ГИДРОСТАТИЧЕСКОЙ СИСТЕМЫ (СЕРИЙНЫЙ НОМЕР 514449260, 514541069, 514641171 И ВЫШЕ)

СХЕМА ГИДРОСТАТИЧЕСКОЙ СИСТЕМЫ (СЕРИЙНЫЙ НОМЕР 514449260, 514541069, 514641171 И ВЫШЕ)

1Артикул: 6678194, COOLER Was 6675587 - A
2Артикул: 6674798, REPAIR KIT for Ref. 1, 4 & 9 - Consists of Retaining Ring (1), Back-up Ring (1) & O-Ring (1)
3Артикул: 6675829, HOSE
Подробнее >
ОРГАНЫ РУЧНОГО УПРАВЛЕНИЯ

ОРГАНЫ РУЧНОГО УПРАВЛЕНИЯ

1Артикул: 6702543, LEVER, STEERING
2Артикул: BELLCRANK, BELLCRANK NLA - .8725-- (22,2 mm) I.D. hole for Ref. 29 (6665701 bushing) - Use W/Ref. 8 (6673710 bearing) & Ref. 9 (6518200 grease zerk) - Order 7110571 bellcrank, Ref. 28 (619021B washer), Ref. 29 (6678067 bushing) & (2) of Ref. 8 (6703879 bushing) - Was 6716977 - A
3Артикул: BELLCRANK, BELLCRANK NLA - 1.0475-- (26,5 mm) I.D. hole for Ref. 29 (6678067 bushing) - Use W/Ref. 8 (6673710 bearing) & Ref. 9 (6518200 grease zerk) - Order 7110571 bellcrank, Ref. 9 (10H35 grease zerk) & (2) of Ref. 8 (6703879 bushing) - Was 7101048 - A
Подробнее >
ГИДРОСТАТИЧЕСКИЙ ДВИГАТЕЛЬ (R921805316)

ГИДРОСТАТИЧЕСКИЙ ДВИГАТЕЛЬ (R921805316)

1Артикул: MOTOR,, MOTOR, DRIVE HYD See Illustration HYDROSTATIC MOTOR/ NA12625 - NLA - 4-bolt flange ports - Ref. 2-28 - Was 6672821 - A
2Артикул: 6674037, SPRING
3Артикул: 6674184, RING
Подробнее >
ФИЛЬТР ГИДРОСТАТИЧЕСКОГО МАСЛА

ФИЛЬТР ГИДРОСТАТИЧЕСКОГО МАСЛА

1Артикул: 6661247, FILTER W/Ref. 2-5 (50 PSI by-pass & switch)
2Артикул: 6660260, SWITCH pressure - normally closed
3Артикул: 6599365, KIT nut, washer & O-rings for switch
Подробнее >
ГИДРОСТАТИЧЕСКИЙ ДВИГАТЕЛЬ (R921811668)

ГИДРОСТАТИЧЕСКИЙ ДВИГАТЕЛЬ (R921811668)

1Артикул: 7261332, MOTOR, DRIVE HYD Ref. 2-27
2Артикул: 7257504, HOUSING
3Артикул: 6687081, SCREW
Подробнее >
СХЕМА ГИДРОСТАТИЧЕСКОЙ СИСТЕМЫ (2-ФУНКЦИЯ РЕГУЛИРОВКИ ЧИСЛА ОБОРОТОВ ДВИГАТЕЛЯ)

СХЕМА ГИДРОСТАТИЧЕСКОЙ СИСТЕМЫ (2-ФУНКЦИЯ РЕГУЛИРОВКИ ЧИСЛА ОБОРОТОВ ДВИГАТЕЛЯ)

1Артикул: PUMP, PUMP See Illustration HYDROSTATIC PUMP/ B17765A
2Артикул: MOTOR, MOTOR See Illustration HYDROSTATIC MOTOR & BRAKE/ B18015
3Артикул: 6803932, DECAL 2-speed valve
Подробнее >
ШЕСТЕРЕННЫЙ НАСОС (ЧУГУН) (СЕРИЙНЫЙ НОМЕР 514449260, 514541069 И ВЫШЕ)

ШЕСТЕРЕННЫЙ НАСОС (ЧУГУН) (СЕРИЙНЫЙ НОМЕР 514449260, 514541069 И ВЫШЕ)

1Артикул: GEAR, GEAR PUMP NLA - Standard Flow - Model 163D1185 - Order 6681596 Pump - Was 6678224 - A
2Артикул: GEAR, GEAR PUMP NLA - Model 163D1301 - Was 6681596 - A
3Артикул: 6687867, PUMP, GEAR Model 163D70003
Подробнее >
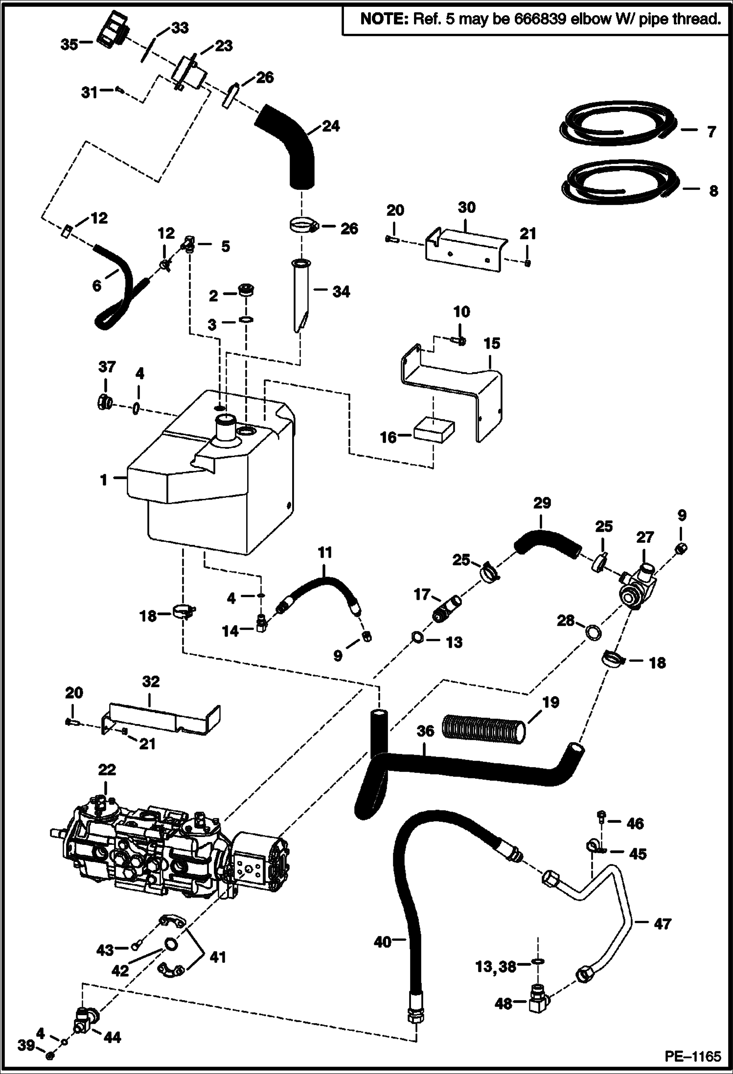
СХЕМА ГИДРОСТАТИЧЕСКОЙ СИСТЕМЫ (СЕРИЙНЫЙ НОМЕР 514441938, 514540073, 514640147 И НИЖЕ)

СХЕМА ГИДРОСТАТИЧЕСКОЙ СИСТЕМЫ (СЕРИЙНЫЙ НОМЕР 514441938, 514540073, 514640147 И НИЖЕ)

1Артикул: TANK, TANK NLA - hydraulic oil - W/ 9/16 in port - Order 6731209 tank & 6727175 tee, Also Order 6727475 cap, 6727354 inlet, 6727318 hose, 6727313 fitting, 5HM-15 (2) clamp & 23 in. (584 mm) of 6586251 hose & 6731906 BPV mount & 6731838 Panel - Was 6718502 - A
2Артикул: 47K10, PLUG W/Ref. 3
3Артикул: 79K16, O RING 10
Подробнее >
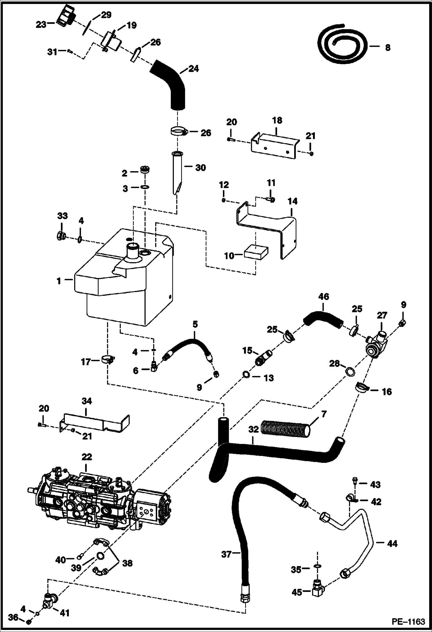
СХЕМА ГИДРОСТАТИЧЕСКОЙ СИСТЕМЫ (СЕРИЙНЫЙ НОМЕР 514441939, 514540074, 514640148 И ВЫШЕ)

СХЕМА ГИДРОСТАТИЧЕСКОЙ СИСТЕМЫ (СЕРИЙНЫЙ НОМЕР 514441939, 514540074, 514640148 И ВЫШЕ)

1Артикул: TANK, TANK NLA - hydraulic oil - Order 6731209 , also Order 6727475 cap, 6727354 inlet, 6727318 hose, 6727313 fitting, 5HM00015B (2) clamp & 23 in. (584 mm) of 6586251 hose & 6731906 BPV Mount & 6731838 Panel - Was 6725422 - A
2Артикул: TANK, TANK NLA - Hydraulic Oil - Order 6731209, Also Order 6731906 BPV Mount & 6731838 Panel - Was 6727265
3Артикул: 6731209, TANK hydraulic oil
Подробнее >
ГИДРОСТАТИЧЕСКИЙ ДВИГАТЕЛЬ И ТОРМОЗ (2-ФУНКЦИЯ РЕГУЛИРОВКИ ЧИСЛА ОБОРОТОВ ДВИГАТЕЛЯ) (ВСПОМОГАТЕЛЬНЫЙ) (R921811649)

ГИДРОСТАТИЧЕСКИЙ ДВИГАТЕЛЬ И ТОРМОЗ (2-ФУНКЦИЯ РЕГУЛИРОВКИ ЧИСЛА ОБОРОТОВ ДВИГАТЕЛЯ) (ВСПОМОГАТЕЛЬНЫЙ) (R921811649)

1Артикул: 7261334, MOTOR, DRIVE HYD 2-SPD Ref. 2-57
2Артикул: 7257498, DISTRIBUTOR MOTOR
3Артикул: 6674037, SPRING
Подробнее >
ФИЛЬТР ГИДРОСТАТИЧЕСКОГО МАСЛА (В СОСТАВЕ ЛИНИИ)

ФИЛЬТР ГИДРОСТАТИЧЕСКОГО МАСЛА (В СОСТАВЕ ЛИНИИ)

1Артикул: 6661022, FILTER, OIL HYD IN-LINE Ref. 2-8
2Артикул: HOUSING, HOUSING NSS
3Артикул: SPRING, SPRING NSS
Подробнее >