+7 (701) 588 50 05 Телефон для связи
RU

WhatsApp

Позвонить

ГИДРОСТАТИЧЕСКАЯ СИСТЕМА в Алматы

РУЛЕВОЙ ЦИЛИНДР

РУЛЕВОЙ ЦИЛИНДР

1Артикул: 6688675, CYLINDER, STEERING Ref. 2-14
2Артикул: TUBE, TUBE NSS - cylinder - Order Ref. 1
3Артикул: 6693153, ROD ASSY
Подробнее >
ГИДРОСТАТИЧЕСКИЙ НАСОС (ТОРЕЦ ШЕСТЕРЕННОГО НАСОСА)

ГИДРОСТАТИЧЕСКИЙ НАСОС (ТОРЕЦ ШЕСТЕРЕННОГО НАСОСА)

1Артикул: 6692684, PLATE ASSY complete W/valves - Ref. 2 & 17-32
2Артикул: 6692685, PLATE port
3Артикул: 6692682, PUMP internal gear - Ref. 4-16
Подробнее >
ГИДРОМОТОР ВЕНТИЛЯТОРА

ГИДРОМОТОР ВЕНТИЛЯТОРА

1Артикул: 6689703, MOTOR, FAN Ref. 2-29
2Артикул: 6689059, VALVE, RELIEF relief - W/Ref. 3,4, 23-28
3Артикул: O-RING, O-RING NSS-Order Ref. 27
Подробнее >
ПРИВОДНОЙ ЭЛЕКТРОДВИГАТЕЛЬ

ПРИВОДНОЙ ЭЛЕКТРОДВИГАТЕЛЬ

1Артикул: 6689772, MOTOR Ref. 2-49
2Артикул: 6691443, HOUSING
3Артикул: 6690407, SEAL,O-RING
Подробнее >
ТРОЙНОЙ ШЕСТЕРЕНЧАТЫЙ НАСОС

ТРОЙНОЙ ШЕСТЕРЕНЧАТЫЙ НАСОС

1Артикул: 6688864, PUMP triple - Was 6686656 - D
2Артикул: SNAP, SNAP RING NSS
3Артикул: SHAFT, SHAFT SEAL NSS
Подробнее >
ГИДРОСТАТИЧЕСКИЙ НАСОС

ГИДРОСТАТИЧЕСКИЙ НАСОС

1Артикул: 6688865, PUMP, HYD - hydrostatic
2Артикул: 6688864, PUMP See Illustration TRIPLE GEAR PUMP/ MS2307
3Артикул: PUMP, PUMP See Illustration HYDROSTATIC PUMP/ MS1478 - pulley end
Подробнее >
ГИДРОСТАТИЧЕСКИЙ НАСОС (КОНСОЛЬНЫЙ ШКИВ)

ГИДРОСТАТИЧЕСКИЙ НАСОС (КОНСОЛЬНЫЙ ШКИВ)

1Артикул: FRONT, FRONT HSG ASSY NSS
2Артикул: 6692688, ROTARY GROUP Ref. 3-17
3Артикул: 6692676, ROTARY GROUP
Подробнее >
КЛАПАН РУЛЕВОГО УПРАВЛЕНИЯ

КЛАПАН РУЛЕВОГО УПРАВЛЕНИЯ

1Артикул: 6685112, VALVE ASSY
2Артикул: 6686204, VALVE
3Артикул: 6686201, NUT
Подробнее >
ФИЛЬТР ГИДРОСТАТИЧЕСКОГО МАСЛА

ФИЛЬТР ГИДРОСТАТИЧЕСКОГО МАСЛА

1Артикул: 6679592, FILTER ASSY W/Ref. 2-5 - 50 psi by-pass & switch
2Артикул: 6660260, SWITCH pressure - normally closed
3Артикул: 6599365, KIT nut, washer & O-rings for 6660260 switch
Подробнее >
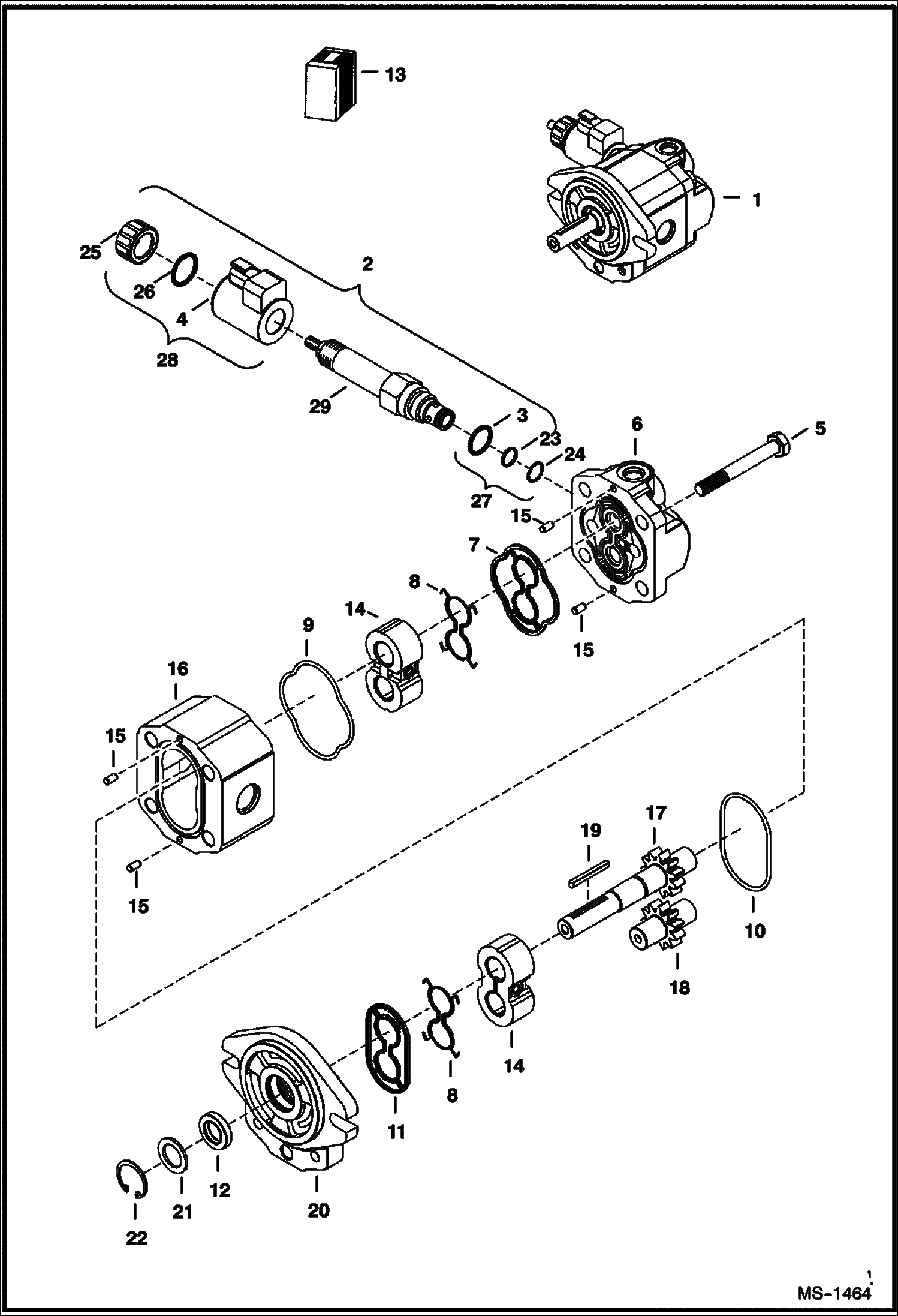
НАСОС ГИДРОУСИЛИТЕЛЯ

НАСОС ГИДРОУСИЛИТЕЛЯ

1Артикул: 7248000, CONTROL, POWER STRG Was 6678758 - power steering - Ref. 2-22 - A
2Артикул: 6683255, SCREW
3Артикул: 6664435, END CAP
Подробнее >