+7 (701) 588 50 05 Телефон для связи
RU

WhatsApp

Позвонить

ГИДРОСТАТИЧЕСКАЯ СИСТЕМА в Алматы

ШЕСТЕРЕННЫЙ НАСОС (СЕРИЙНЫЙ НОМЕР 31104 И ВЫШЕ)

ШЕСТЕРЕННЫЙ НАСОС (СЕРИЙНЫЙ НОМЕР 31104 И ВЫШЕ)

1Артикул: GEAR, GEAR PUMP See Illustration GEAR PUMP KIT/ C3177 NLA - FOR GEAR PUMP KIT ER 6662894 & 6705891 HOSE - WAS 6648323 - A
2Артикул: SEAL, SEAL KIT NLA - For 858021 Gear Pump - Was 6652881 - A
3Артикул: 6510584, WASHER
Подробнее >
ГИДРОСТАТИЧЕСКИЙ НАСОС (СЕРИЙНЫЙ НОМЕР 31103 И НИЖЕ)

ГИДРОСТАТИЧЕСКИЙ НАСОС (СЕРИЙНЫЙ НОМЕР 31103 И НИЖЕ)

1Артикул: PUMP, PUMP NLA - New - Vickers 451808 - Order 6648981
2Артикул: PUMP, PUMP NLA - New - Vickers 567685 - Was 6648981 - A
3Артикул: PUMP,, PUMP, HYD NLA - Vickers 451808 - Was 6630534REM - A
Подробнее >
ФИЛЬТР ГИДРОСТАТИЧЕСКОГО МАСЛА

ФИЛЬТР ГИДРОСТАТИЧЕСКОГО МАСЛА

1Артикул: 6631706, FILTER ASSY. When replacing the 25 PSI by-pass filter assy. with the 50 PSI by-pass filter assy. Metal stamp the 50 PSI filter head to read 50 PSI so when ordering the by-pass or switch this will avoid confusion
2Артикул: 6632053, SWITCH Pressure
3Артикул: 6599365, KIT switch - Nuts, Washers & O-Rings for Ref. 2
Подробнее >
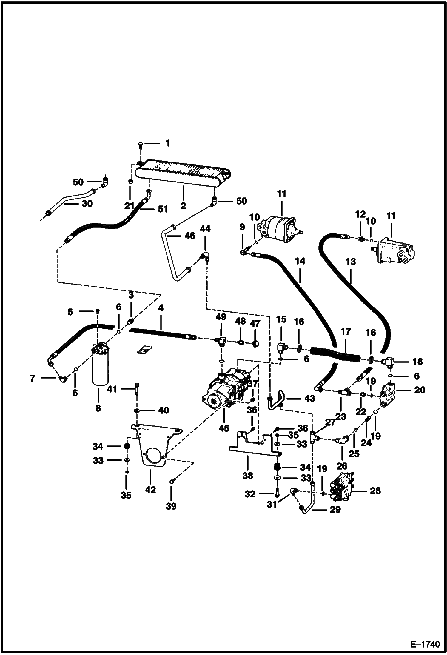
СХЕМА ГИДРОСТАТИЧЕСКОЙ СИСТЕМЫ (СЕРИЙНЫЙ НОМЕР 31103 И НИЖЕ)

СХЕМА ГИДРОСТАТИЧЕСКОЙ СИСТЕМЫ (СЕРИЙНЫЙ НОМЕР 31103 И НИЖЕ)

1Артикул: 37C616, BOLT Was 6514537 - A
2Артикул: 6560954, OIL COOLER
3Артикул: 6575655, OIL COOLER
Подробнее >
НАСОС С КРЫЛЬЧАТКОЙ (СЕРИЙНЫЙ НОМЕР 31103 И НИЖЕ)

НАСОС С КРЫЛЬЧАТКОЙ (СЕРИЙНЫЙ НОМЕР 31103 И НИЖЕ)

1Артикул: See, See Illustration GEAR PUMP KIT/ C3177 NLA - VICKERS 426757 -2 - ORDER 6648982 - FOR GEAR PUMP KIT - Was 6512950 - A
2Артикул: 6648982, PUMP Vickers 503193 -2
3Артикул: 17C648, BOLT 5
Подробнее >
ШЕСТЕРЕННЫЙ НАСОС (W9A1S012)

ШЕСТЕРЕННЫЙ НАСОС (W9A1S012)

1Артикул: 6662894, GEAR PUMP See Illustration GEAR PUMP KIT/ C3177 FOR GEAR PUMP KIT
2Артикул: 6662925, SNAP RING
3Артикул: 6662926, SEAL
Подробнее >
ГИДРОСТАТИЧЕСКИЙ ДВИГАТЕЛЬ

ГИДРОСТАТИЧЕСКИЙ ДВИГАТЕЛЬ

1Артикул: 6630037, MOTOR, DRIVE HYD New
2Артикул: 6630507REM, MOTOR, REMAN HYD remanufactured - Was 6630507 - A
3Артикул: 6513506, DRIVE
Подробнее >
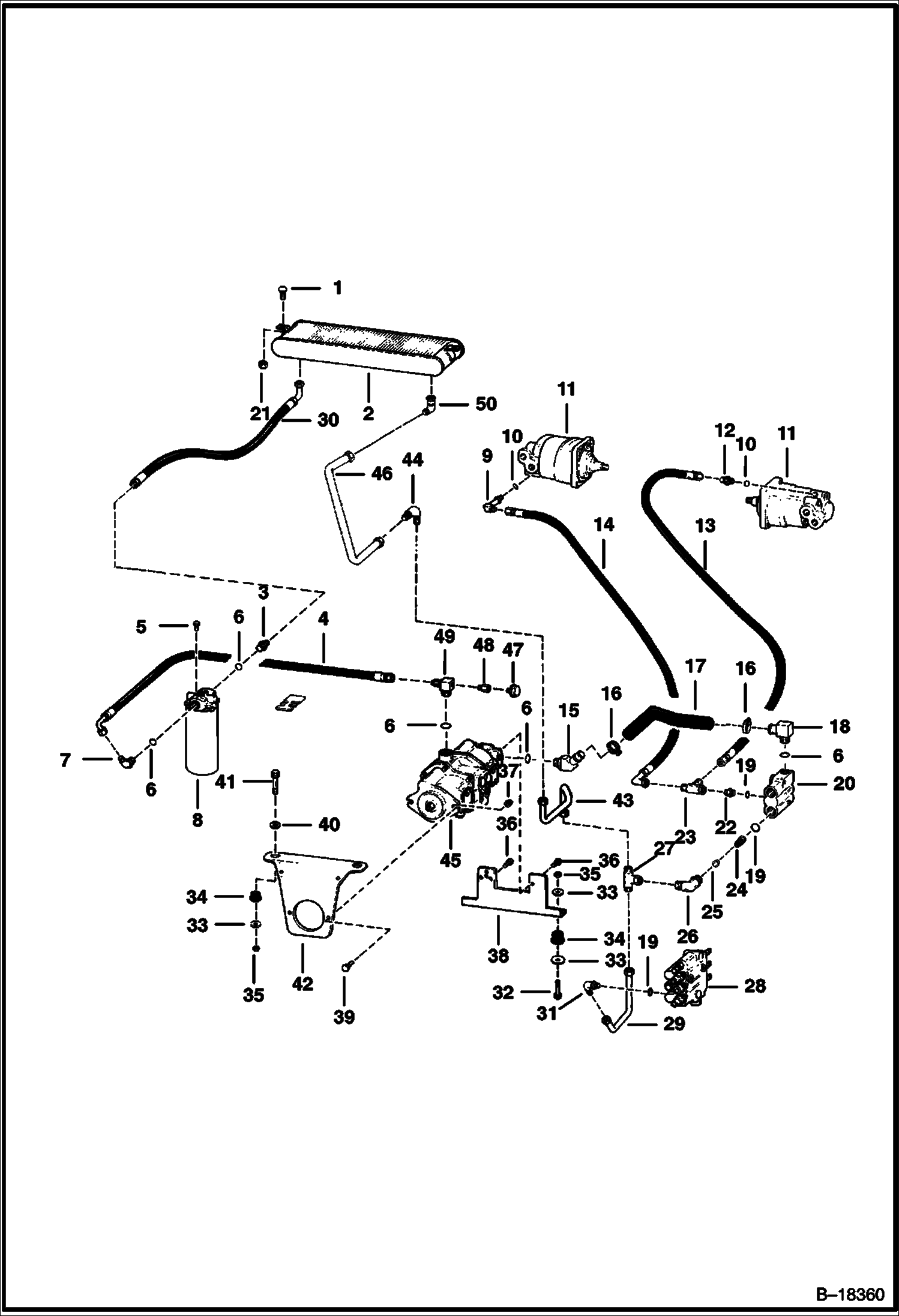
СХЕМА ГИДРОСТАТИЧЕСКОЙ СИСТЕМЫ (СЕРИЙНЫЙ НОМЕР 31104 И ВЫШЕ)

СХЕМА ГИДРОСТАТИЧЕСКОЙ СИСТЕМЫ (СЕРИЙНЫЙ НОМЕР 31104 И ВЫШЕ)

1Артикул: 37C616, BOLT Was 6514537 - A
2Артикул: OIL, OIL COOLER NLA - Was 6575655 - A
3Артикул: 15KB1012, FITTING, HYD CONNECTOR W/Ref. 6 - Was 755055B - A
Подробнее >
ГИДРОСТАТИЧЕСКИЙ НАСОС (СЕРИЙНЫЙ НОМЕР 31104 И ВЫШЕ)

ГИДРОСТАТИЧЕСКИЙ НАСОС (СЕРИЙНЫЙ НОМЕР 31104 И ВЫШЕ)

1Артикул: 6660948, PUMP New
2Артикул: 6513631, BOLT
3Артикул: 6630784, PLUG
Подробнее >
ОРГАНЫ РУЧНОГО УПРАВЛЕНИЯ

ОРГАНЫ РУЧНОГО УПРАВЛЕНИЯ

1Артикул: 17C612, BOLT 5
2Артикул: 6558736, FLANGE
3Артикул: 6512027, BUSHING
Подробнее >