ГИДРОСТАТИЧЕСКАЯ СИСТЕМА в Алматы
ГИДРОСТАТИЧЕСКИЙ НАСОС
1Артикул: PUMP, PUMP NLA - Model 4445096 - W/cast iron gear pump - Order 6686702 pump or 6686702REM pump - must use 6576196 bracket & 6706096 bracket from original pump - Was 6677647 - A
2Артикул: PUMP, PUMP NLA - Model 4445132 - W/cast iron gear pump - Order 6686702 pump or 6686702REM pump - must use 6576196 bracket & 6706096 bracket from original pump - Was 6681635 - A
3Артикул: PUMP, PUMP NLA - Model 4445160 - W/cast iron gear pump - Order 6686702 pump or 6686702REM pump - must use 6576196 bracket & 6706096 bracket from original pump - Was 6685032 - A
ФИЛЬТР ГИДРОСТАТИЧЕСКОГО МАСЛА
1Артикул: 6676969, FILTER
2Артикул: 6660260, SWITCH pressure - normally closed
3Артикул: 6599365, KIT Nut, washer & o-rings for 6660260 switch
ГИДРОСТАТИЧЕСКИЙ ДВИГАТЕЛЬ
1Артикул: MOTOR,, MOTOR, DRIVE HYD NLA - R921810311 - Was 6686384 - A
2Артикул: MOTOR,, MOTOR, DRIVE HYD NLA - 6686384REM - A
3Артикул: 7308724, MOTOR DRIVE R921811718
ГИДРОСТАТИЧЕСКИЙ ДВИГАТЕЛЬ (ТОРМОЗ В СБОРЕ)
1Артикул: 6691109, BRAKE assy - Ref. 2 - 22
2Артикул: 6678121, WASHER
3Артикул: 6689683, HOUSING W/snap ring groove for Ref. 16
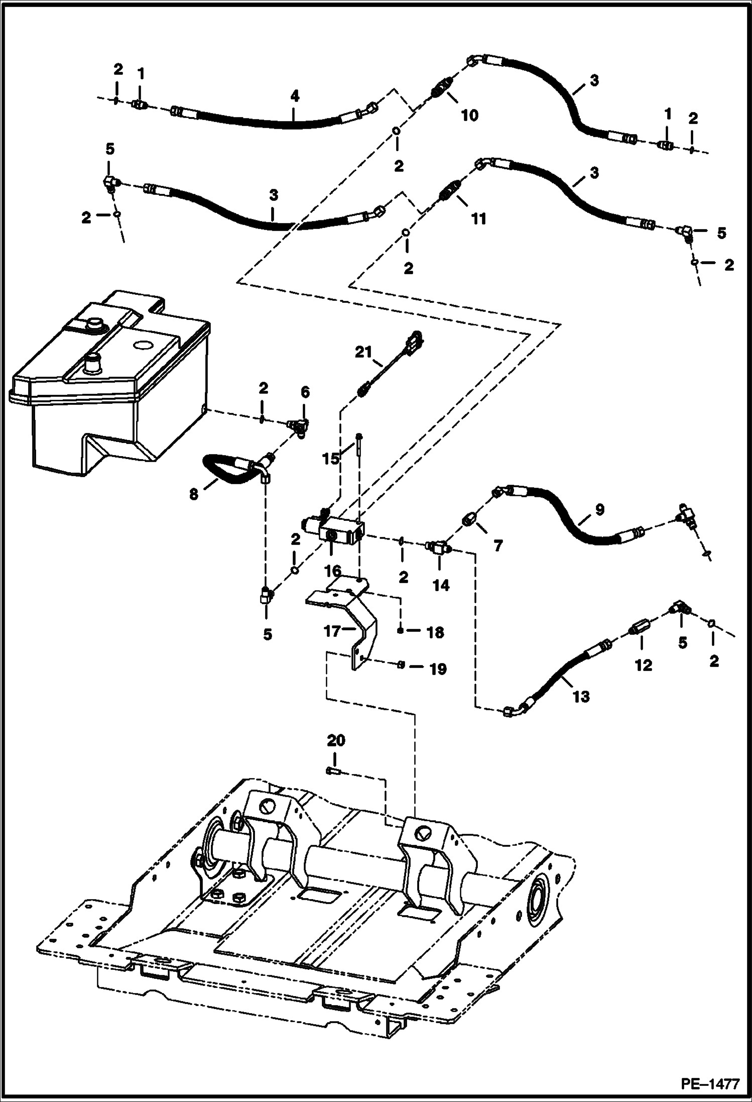
СХЕМА ГИДРОСТАТИЧЕСКОЙ СИСТЕМЫ (ТОРМОЗНОЙ КЛАПАН) (СЕРИЙНЫЙ НОМЕР 5193 И НИЖЕ, 5194 И НИЖЕ)
1Артикул: ADAPTER, ADAPTER NLA - W/Ref. 2 - tapered boss face - Was 15KV00005B - A
2Артикул: 97K6, O RING flared end
3Артикул: 15KB0606, FITTING, HYD CONNECTOR W/Ref. 2 - flat boss face
УСТРОЙСТВА РУЧНОГО УПРАВЛЕНИЯ (5193 11001 И ВЫШЕ, 5194 11001 И ВЫШЕ)
1Артикул: 6702543, LEVER, STEERING
2Артикул: BELLCRANK, BELLCRANK NLA - W/ Notch for bushing tab - Order 7110571 Bellcrank, Ref. 9 (10H000035B Grease Zerk), Ref. 28 (619021B Washer) & Ref. 29 (6678067 Bushing) - Was 6703880 - A
3Артикул: BELLCRANK, BELLCRANK NLA - W/ Notch for bushing tab - Use W/Ref. 9 (6518200 Grease Zerk) - Order 7110571 Bellcrank & Ref. (10H000035B Grease Zerk) - Was 7101047 - A
УСТРОЙСТВА РУЧНОГО УПРАВЛЕНИЯ (СЕРИЙНЫЙ НОМЕР 5270 И ВЫШЕ, 5279 И ВЫШЕ)
1Артикул: 6702543, LEVER, STEERING
2Артикул: BELLCRANK, BELLCRANK NLA - W/notch for bushing tab - Use W/Ref. 9 (6518200 Grease Zerk) - Order 7110571 Bellcrank & Ref. 9 (10H000035B Grease Zerk) - Was 7101047 - A
3Артикул: 7110571, BELLCRANK, STEERING W/notch for Ref. 8 (6703879 bushing) - Use W/Ref. 9 (10H35 grease zerk)
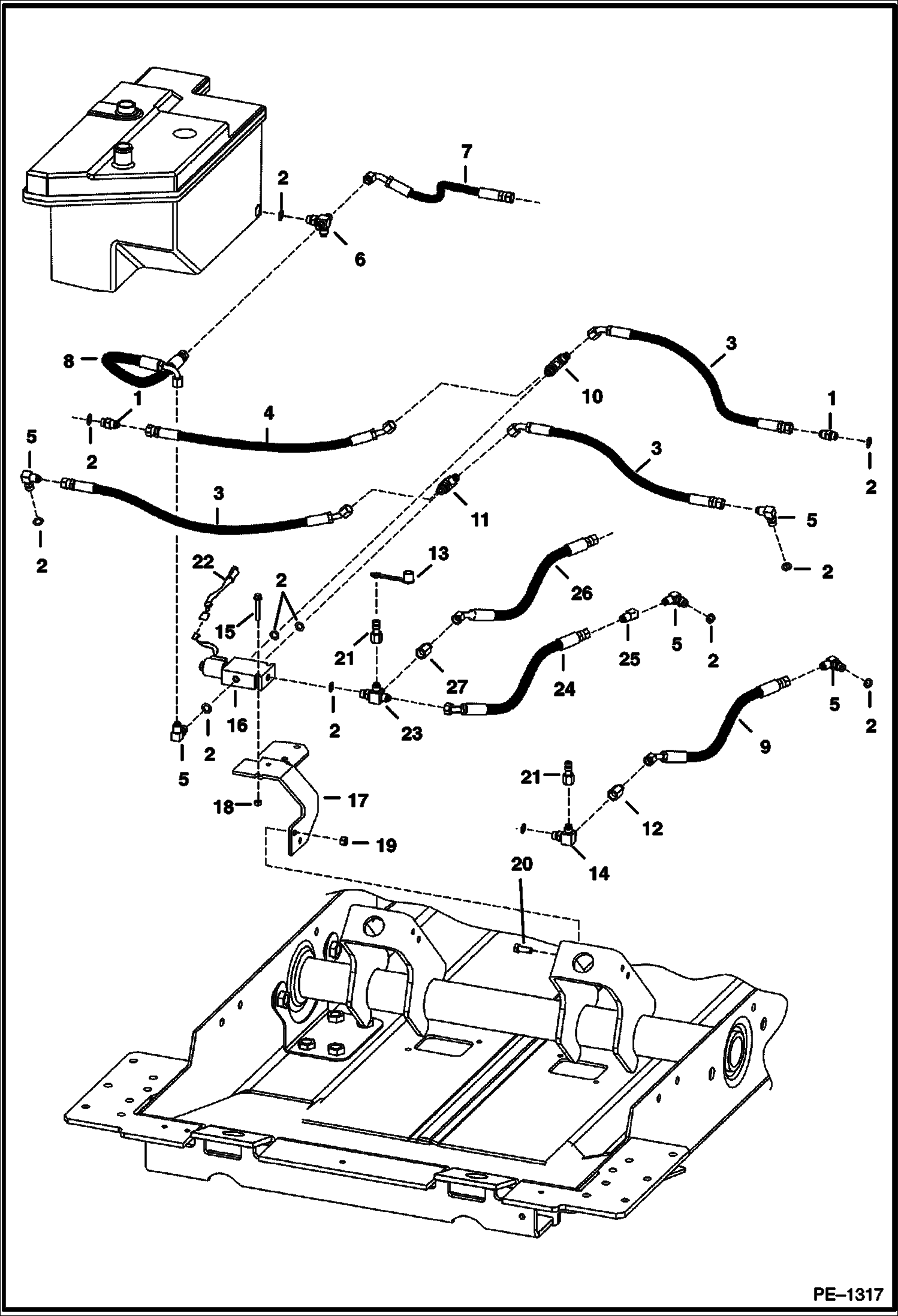
СХЕМА ГИДРОСТАТИЧЕСКОЙ СИСТЕМЫ
1Артикул: 6728157, EXCHANGER, OIL COOLER
2Артикул: 6674798, REPAIR KIT For Ref. 1, 5 or 8 - contains internal retaining ring (1), back-up ring (1) & O-ring (1)
3Артикул: 7192812, KIT, INSERT STC Use Between Ref. 4 & 27
ФИЛЬТР ГИДРОСТАТИЧЕСКОГО МАСЛА (В СОСТАВЕ ЛИНИИ)
1Артикул: 6661022, FILTER, OIL HYD IN-LINE Ref. 2-8
2Артикул: HOUSING, HOUSING NSS
3Артикул: SPRING, SPRING NSS
СХЕМА ГИДРОСТАТИЧЕСКОЙ СИСТЕМЫ (ТОРМОЗНОЙ КЛАПАН) (СЕРИЙНЫЙ НОМЕР 5193 -13197, 5194 -12038)
1Артикул: ADAPTER, ADAPTER NLA - W/Ref. 2 - tapered boss face - Was 15KV00005B - A
2Артикул: 97K6, O RING flared end
3Артикул: 15KB0606, FITTING, HYD CONNECTOR W/Ref. 2 - flat boss face
ГИДРОСТАТИЧЕСКИЙ ДВИГАТЕЛЬ (РОТОР В СБОРЕ И КАРТЕР ЗАДНЕГО МОСТА)
1Артикул: 6691108, CASE rear - Ref. 2 - 22
2Артикул: 6674184, RING
3Артикул: 6674037, SPRING
ШЕСТЕРЕННЫЙ НАСОС (ЧУГУН)
1Артикул: PUMP, PUMP NLA - Model 163D-1184 - Order 6681602 Pump - Was 6678042 - A
2Артикул: PUMP, PUMP NLA - Model 163D-1306 - Order 6681602 Pump - Was 6681595 - A
3Артикул: PUMP, PUMP NLA - Model 163D-1286 - Order 6681602 Pump - Was 6681580 - A
УСТРОЙСТВА РУЧНОГО УПРАВЛЕНИЯ (СЕРИЙНЫЙ НОМЕР 5270 И НИЖЕ, 5279 И НИЖЕ)
1Артикул: 6702543, LEVER, STEERING
2Артикул: BELLCRANK, BELLCRANK NLA - W/notch for bushing tab - Use W/Ref. 9 (6518200 Grease Zerk) - Order 7110571 Bellcrank & Ref. 9 (10H000035B Grease Zerk) - Was 7101047 - A
3Артикул: 7110571, BELLCRANK, STEERING W/notch for Ref. 8 (6703879 bushing) - Use W/Ref. 9 (10H35 grease zerk)
ГИДРОСТАТИЧЕСКИЙ ДВИГАТЕЛЬ (ПЕРЕДНИЙ КОРПУС)
1Артикул: 6681980, CASE front assy - Ref. 2 - 12 - contains improved bearing and seal - Was 7008696
2Артикул: 7024981, OIL, SYNTHETIC DRIVE MOTOR 4 236 ml (8 oz) - Was 7003026 - A
3Артикул: 6681982, SHAFT