+7 (701) 588 50 05 Телефон для связи
RU

WhatsApp

Позвонить

ГИДРОСТАТИЧЕСКАЯ СИСТЕМА в Алматы

ШЕСТЕРЕННЫЙ НАСОС (W9A1S012)

ШЕСТЕРЕННЫЙ НАСОС (W9A1S012)

1Артикул: 6662894, GEAR PUMP See Illustration GEAR PUMP KIT/ C3177 FOR GEAR PUMP KIT
2Артикул: 6662925, SNAP RING
3Артикул: 6662926, SEAL
Подробнее >
ГИДРОСТАТИЧЕСКИЙ НАСОС (СЕРИЙНЫЙ НОМЕР 13887 И НИЖЕ)

ГИДРОСТАТИЧЕСКИЙ НАСОС (СЕРИЙНЫЙ НОМЕР 13887 И НИЖЕ)

1Артикул: PUMP,, PUMP, HYD TANDEM NLA - New - Vickers 567686 - Was 6648980 - A
2Артикул: 6630535REM, PUMP, REMAN HYD COMPLETE See BTI209 Remanufactured - Was 6630535 - A
3Артикул: 6513631, BOLT
Подробнее >
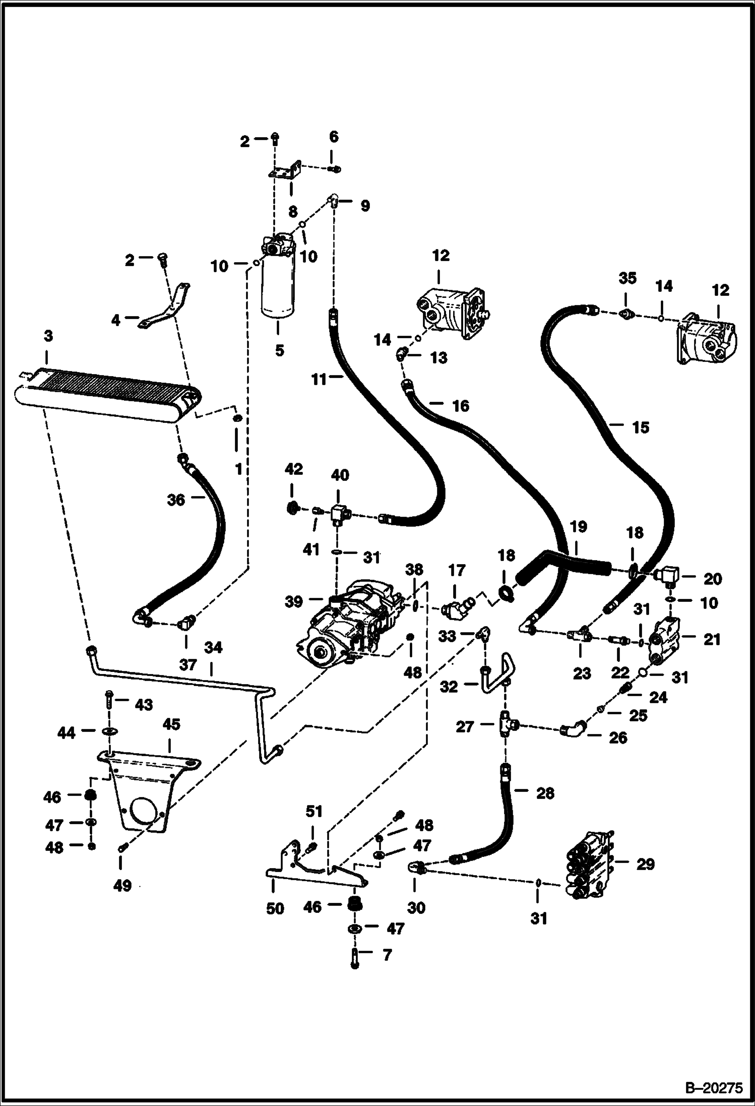
СХЕМА ГИДРОСТАТИЧЕСКОЙ СИСТЕМЫ (СЕРИЙНЫЙ НОМЕР 13887 И НИЖЕ)

СХЕМА ГИДРОСТАТИЧЕСКОЙ СИСТЕМЫ (СЕРИЙНЫЙ НОМЕР 13887 И НИЖЕ)

1Артикул: 85D6, NUT, 5
2Артикул: 35C612, BOLT
3Артикул: 6560954, OIL COOLER
Подробнее >
ГИДРОСТАТИЧЕСКИЙ ДВИГАТЕЛЬ

ГИДРОСТАТИЧЕСКИЙ ДВИГАТЕЛЬ

1Артикул: 6567421, MOTOR KIT New - W/Ref. 29 & 25K030508B O-Ring
2Артикул: 6567752, MOTOR Remanufactured
3Артикул: 6513506, DRIVE
Подробнее >
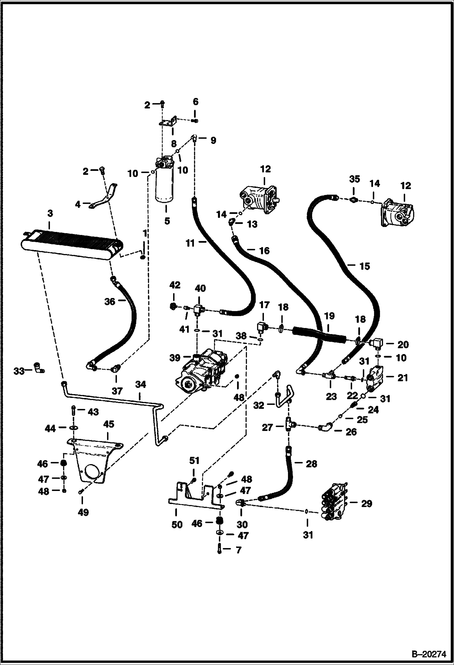
СХЕМА ГИДРОСТАТИЧЕСКОЙ СИСТЕМЫ (СЕРИЙНЫЙ НОМЕР 13888 И ВЫШЕ)

СХЕМА ГИДРОСТАТИЧЕСКОЙ СИСТЕМЫ (СЕРИЙНЫЙ НОМЕР 13888 И ВЫШЕ)

1Артикул: 85D6, NUT, 5
2Артикул: 35C612, BOLT
3Артикул: 6560954, OIL COOLER
Подробнее >
ГИДРОСТАТИЧЕСКИЙ НАСОС (СЕРИЙНЫЙ НОМЕР 13888 И ВЫШЕ)

ГИДРОСТАТИЧЕСКИЙ НАСОС (СЕРИЙНЫЙ НОМЕР 13888 И ВЫШЕ)

1Артикул: PUMP, PUMP NLA - New - Order 6662835 Pump & 1 6704606 Yoke - Was 6660458 - A
2Артикул: PUMP, PUMP NLA - reman - Was 6662835 - A
3Артикул: 6513631, BOLT
Подробнее >
ФИЛЬТР ГИДРОСТАТИЧЕСКОГО МАСЛА

ФИЛЬТР ГИДРОСТАТИЧЕСКОГО МАСЛА

1Артикул: 6631706, FILTER ASSY. W/Ref. 2-5 - 50 PSI by-pass & switch
2Артикул: 6632053, SWITCH pressure - Use W/50 PSI by-pass
3Артикул: 6599365, KIT Nut, washer & O-rings for 6632053 switches
Подробнее >
НАСОС С КРЫЛЬЧАТКОЙ (СЕРИЙНЫЙ НОМЕР 13887 И НИЖЕ)

НАСОС С КРЫЛЬЧАТКОЙ (СЕРИЙНЫЙ НОМЕР 13887 И НИЖЕ)

1Артикул: 6648982, PUMP See Illustration GEAR PUMP KIT/ C3177 for kit - VICKERS 503193 -2
2Артикул: 17C648, BOLT 5
3Артикул: COVER, COVER NLA
Подробнее >
ОРГАНЫ РУЧНОГО УПРАВЛЕНИЯ

ОРГАНЫ РУЧНОГО УПРАВЛЕНИЯ

1Артикул: 17C612, BOLT 5
2Артикул: 6558736, FLANGE
3Артикул: 6512027, BUSHING
Подробнее >
ШЕСТЕРЕННЫЙ НАСОС (СЕРИЙНЫЙ НОМЕР 13888 И ВЫШЕ)

ШЕСТЕРЕННЫЙ НАСОС (СЕРИЙНЫЙ НОМЕР 13888 И ВЫШЕ)

1Артикул: GEAR, GEAR PUMP See Illustration GEAR PUMP KIT/ C3177 NLA - ORDER 6662894 & 6705891 HOSE - FOR GEAR PUMP KIT - Was 6648323 - A
2Артикул: SEAL, SEAL KIT NLA - For 858021 Gear Pump - Was 6652881 - A
3Артикул: 6510584, WASHER
Подробнее >