+7 (701) 588 50 05 Телефон для связи
RU

WhatsApp

Позвонить

ГИДРОСТАТИЧЕСКАЯ СИСТЕМА в Алматы

ШЕСТЕРЕННЫЙ НАСОС

ШЕСТЕРЕННЫЙ НАСОС

1Артикул: PUMP, PUMP NLA - Order 7003484 pump, 7172914 bracket, 6515817 washer & 6660339 gasket - Was 7001434 - B,D
2Артикул: 7003484, PUMP, GEAR Also Order 7172914 bracket, 6515817 washer & 6660339 gasket - no seal kit available for this gear pump
3Артикул: 6598933, PLATE
Подробнее >
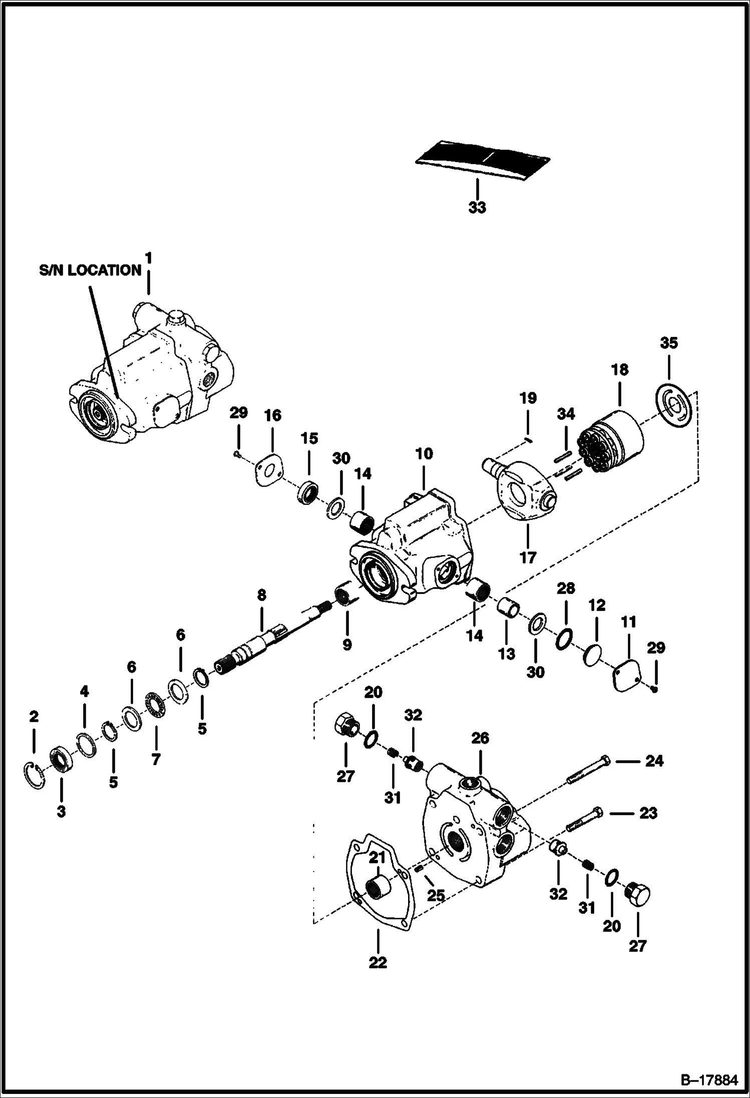
ГИДРОСТАТИЧЕСКИЙ НАСОС (СЕРИЙНЫЙ НОМЕР 561711933 И ВЫШЕ, СЕРИЙНЫЙ НОМЕР 562011284 И ВЫШЕ)

ГИДРОСТАТИЧЕСКИЙ НАСОС (СЕРИЙНЫЙ НОМЕР 561711933 И ВЫШЕ, СЕРИЙНЫЙ НОМЕР 562011284 И ВЫШЕ)

1Артикул: PUMP, PUMP NLA - Order 6675696 pump - New - Ref. 2-11 - Tapered Keyed Front Shaft - C78116-LAE-02 - Was 7000006 - A
2Артикул: PUMP, PUMP See Illustration HYDROSTATIC PUMP/ B17653 NEW - TAPERED
3Артикул: 6598855, COUPLER
Подробнее >
ГИДРОСТАТИЧЕСКИЙ ДВИГАТЕЛЬ (105-1102-006)

ГИДРОСТАТИЧЕСКИЙ ДВИГАТЕЛЬ (105-1102-006)

1Артикул: 6632177, MOTOR, DRIVE HYD
2Артикул: 1992084, DR VALVE
3Артикул: SEAL, SEAL NSS
Подробнее >
СХЕМА ГИДРОСТАТИЧЕСКОЙ СИСТЕМЫ

СХЕМА ГИДРОСТАТИЧЕСКОЙ СИСТЕМЫ

1Артикул: 6708543, TANK Was 6564006 - A
2Артикул: 19K3, FITTING
3Артикул: 6530858, HOSE
Подробнее >
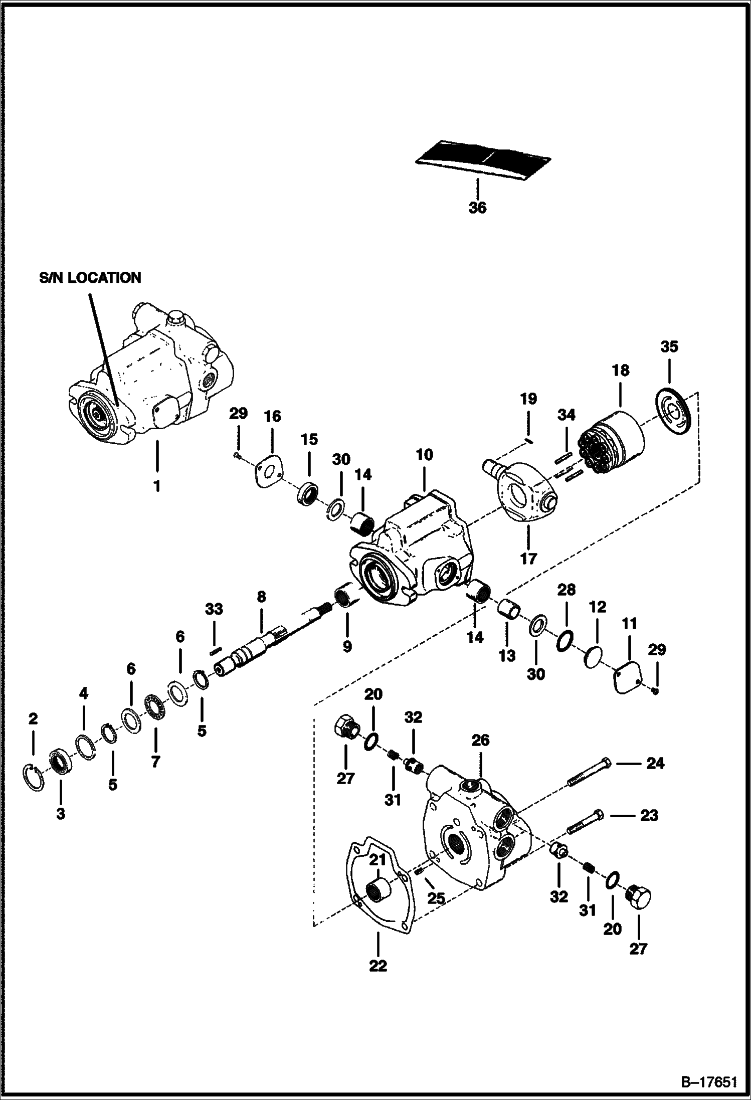
ГИДРОСТАТИЧЕСКИЙ НАСОС (КОНСОЛЬНЫЙ ШКИВ) (СЕРИЙНЫЙ НОМЕР 561711932 И НИЖЕ, СЕРИЙНЫЙ НОМЕР 562011283 И НИЖЕ)

ГИДРОСТАТИЧЕСКИЙ НАСОС (КОНСОЛЬНЫЙ ШКИВ) (СЕРИЙНЫЙ НОМЕР 561711932 И НИЖЕ, СЕРИЙНЫЙ НОМЕР 562011283 И НИЖЕ)

1Артикул: PUMP, PUMP NLA - New - Keyed Shaft - 70145-LAK Order 6668006 - Was 6649268 - A
2Артикул: 6668006, PUMP New - 70145-LBC
3Артикул: 661415, SNAP RING
Подробнее >
ГИДРОСТАТИЧЕСКИЙ НАСОС (ТОРЕЦ ШЕСТЕРЕННОГО НАСОСА) (СЕРИЙНЫЙ НОМЕР 561711933 И ВЫШЕ, СЕРИЙНЫЙ НОМЕР 562011284 И ВЫШЕ)

ГИДРОСТАТИЧЕСКИЙ НАСОС (ТОРЕЦ ШЕСТЕРЕННОГО НАСОСА) (СЕРИЙНЫЙ НОМЕР 561711933 И ВЫШЕ, СЕРИЙНЫЙ НОМЕР 562011284 И ВЫШЕ)

1Артикул: 6670854, PUMP New - 70145-LBH-02 - Gear pump end
2Артикул: 661415, SNAP RING
3Артикул: 6654126, PIN
Подробнее >
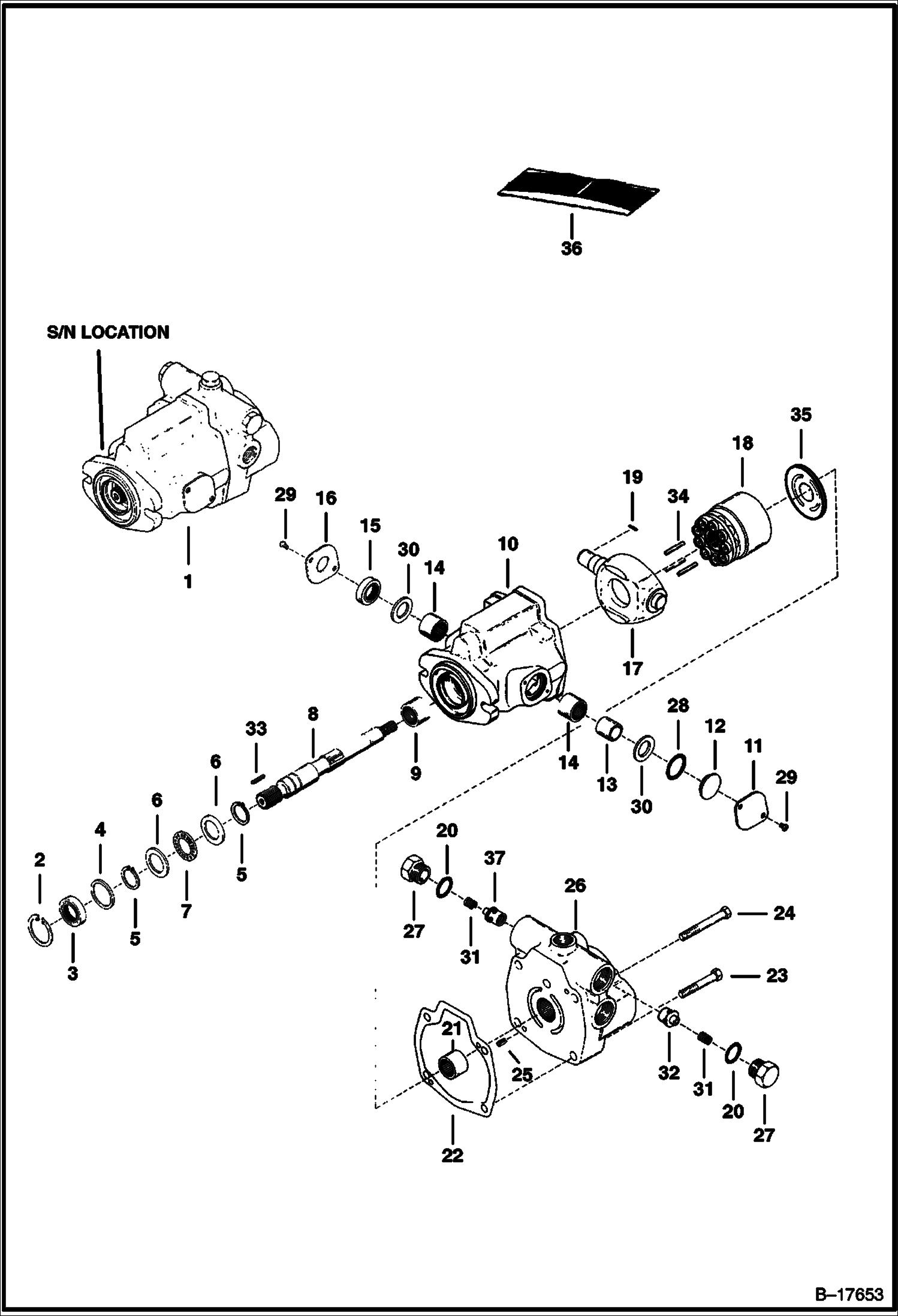
ГИДРОСТАТИЧЕСКИЙ НАСОС (СЕРИЙНЫЙ НОМЕР 561711932 И НИЖЕ, СЕРИЙНЫЙ НОМЕР 562011283 И НИЖЕ)

ГИДРОСТАТИЧЕСКИЙ НАСОС (СЕРИЙНЫЙ НОМЕР 561711932 И НИЖЕ, СЕРИЙНЫЙ НОМЕР 562011283 И НИЖЕ)

1Артикул: PUMP, PUMP See Illustration HYDROSTATIC PUMP/ B17651 NLA - NEW - Ref. 2-11 - TAPERED KEYED FRONT SHAFT - 78116-LAC - ORDER 7000006 - WAS 6648633 - A
2Артикул: PUMP, PUMP See Illustration HYDROSTATIC PUMP/ B17883A NLA - NEW - Ref. 2-11 - TAPERED KEYED FRONT SHAFT - 78116-LAA - ORDER 7000006 - WAS 6666921 - A
3Артикул: PUMP, PUMP See Illustration HYDROSTATIC PUMP/ B17651 NLA - NEW - TAPERED KEYED SHAFT - 70145-LAK - ORDER 6668006 - WAS 6649268 - A
Подробнее >
ОРГАНЫ РУЧНОГО УПРАВЛЕНИЯ

ОРГАНЫ РУЧНОГО УПРАВЛЕНИЯ

1Артикул: 35C612, BOLT
2Артикул: 6558736, FLANGE
3Артикул: 6512027, BUSHING
Подробнее >
ГИДРОСТАТИЧЕСКИЙ НАСОС (ТОРЕЦ ШЕСТЕРЕННОГО НАСОСА) (СЕРИЙНЫЙ НОМЕР 561711932 И НИЖЕ, СЕРИЙНЫЙ НОМЕР 562011283 И НИЖЕ)

ГИДРОСТАТИЧЕСКИЙ НАСОС (ТОРЕЦ ШЕСТЕРЕННОГО НАСОСА) (СЕРИЙНЫЙ НОМЕР 561711932 И НИЖЕ, СЕРИЙНЫЙ НОМЕР 562011283 И НИЖЕ)

1Артикул: PUMP, PUMP NLA - New - 70145-LAB - Order 6668005 - Was 6630022 - A
2Артикул: 6668005, PUMP New - 70145-LBD
3Артикул: PUMP, PUMP NLA - remanufactured - R 70145-LAB - Order 6668005 - Was 6630497 - A
Подробнее >
ГИДРОСТАТИЧЕСКИЙ НАСОС (КОНСОЛЬНЫЙ ШКИВ) (СЕРИЙНЫЙ НОМЕР 561711933 И ВЫШЕ, СЕРИЙНЫЙ НОМЕР 562011284 И ВЫШЕ)

ГИДРОСТАТИЧЕСКИЙ НАСОС (КОНСОЛЬНЫЙ ШКИВ) (СЕРИЙНЫЙ НОМЕР 561711933 И ВЫШЕ, СЕРИЙНЫЙ НОМЕР 562011284 И ВЫШЕ)

1Артикул: 6670853, PUMP New - 70145-LBG-02 - Pulley end of pump - Pumps are gray in color
2Артикул: 661415, SNAP RING
3Артикул: SEAL, SEAL SHAFT NSS
Подробнее >