+7 (701) 588 50 05 Телефон для связи
RU

WhatsApp

Позвонить

ГИДРОСТАТИЧЕСКАЯ СИСТЕМА в Алматы

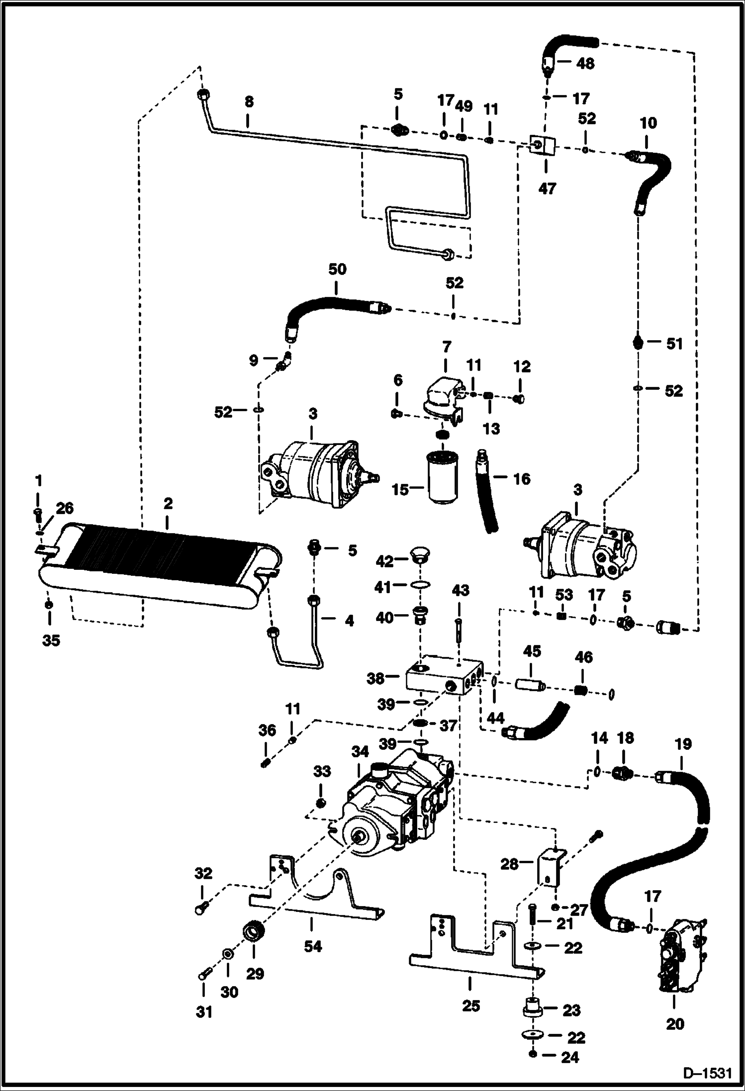
СХЕМА ГИДРОСТАТИЧЕСКОЙ СИСТЕМЫ (СЕРИЙНЫЙ НОМЕР 15319 И НИЖЕ)

СХЕМА ГИДРОСТАТИЧЕСКОЙ СИСТЕМЫ (СЕРИЙНЫЙ НОМЕР 15319 И НИЖЕ)

1Артикул: 84G3716, SCREW 5
2Артикул: 6560954, OIL COOLER
3Артикул: MOTOR, MOTOR See Illustration HYDROSTATIC MOTOR/ B20768 See Illustration HYDROSTATIC MOTOR/ B20769 See Illustration HYDROSTATIC MOTOR/ C2013 See Illustration HYDROSTATIC MOTOR/ D1650 See Illustration HYDROSTATIC MOTOR/ B20670 HYDRO.
Подробнее >
НАСОС С КРЫЛЬЧАТКОЙ

НАСОС С КРЫЛЬЧАТКОЙ

1Артикул: 6648982, PUMP vane - Ref. 2 - 13 - Was 6512950 - A
2Артикул: 17C648, BOLT 5
3Артикул: COVER, COVER NLA
Подробнее >
ГИДРОСТАТИЧЕСКИЙ НАСОС

ГИДРОСТАТИЧЕСКИЙ НАСОС

1Артикул: PUMP, PUMP See BTI154 hydrostatic
2Артикул: PUMP, PUMP See BTI154 NLA
3Артикул: PUMP, PUMP See BTI154 remanufactured
Подробнее >
ГИДРОСТАТИЧЕСКИЙ ДВИГАТЕЛЬ (ROSS MAE 24027)

ГИДРОСТАТИЧЕСКИЙ ДВИГАТЕЛЬ (ROSS MAE 24027)

1Артикул: MOTOR, MOTOR See BTI137 See BTI149 See BTI155 See BTI287 NLA - hydrostatic
2Артикул: 6512296, PLATE
3Артикул: ROTOR, ROTOR NLA - Was 6512297 - A
Подробнее >
СХЕМА ГИДРОСТАТИЧЕСКОЙ СИСТЕМЫ (СЕРИЙНЫЙ НОМЕР 15320 И ВЫШЕ)

СХЕМА ГИДРОСТАТИЧЕСКОЙ СИСТЕМЫ (СЕРИЙНЫЙ НОМЕР 15320 И ВЫШЕ)

1Артикул: 84G3716, SCREW 5
2Артикул: 6560954, OIL COOLER
3Артикул: MOTOR, MOTOR See Illustration HYDROSTATIC MOTOR/ B20768 See Illustration HYDROSTATIC MOTOR/ B20769 See Illustration HYDROSTATIC MOTOR/ C2013 See Illustration HYDROSTATIC MOTOR/ D1650 See Illustration HYDROSTATIC MOTOR/ B20670 HYDRO.
Подробнее >
ГИДРОСТАТИЧЕСКИЙ ДВИГАТЕЛЬ (МОДЕЛЬ 109-1052-006)

ГИДРОСТАТИЧЕСКИЙ ДВИГАТЕЛЬ (МОДЕЛЬ 109-1052-006)

1Артикул: 6599718, MOTOR, DRIVE HYD new
2Артикул: 6630245REM, MOTOR, REMAN HYD remanufactured - Was 6630245 - A
3Артикул: 6513506, DRIVE
Подробнее >
ГИДРОСТАТИЧЕСКИЙ ДВИГАТЕЛЬ (ROSS MAE 24012, MAE 24021, MAE 24024)

ГИДРОСТАТИЧЕСКИЙ ДВИГАТЕЛЬ (ROSS MAE 24012, MAE 24021, MAE 24024)

1Артикул: MOTOR, MOTOR See BTI137 See BTI149 See BTI155 See BTI287 NLA - hydrostatic
2Артикул: 6512296, PLATE
3Артикул: ROTOR, ROTOR NLA -Was 6512297 - A
Подробнее >
СХЕМА ГИДРОСТАТИЧЕСКОЙ СИСТЕМЫ

СХЕМА ГИДРОСТАТИЧЕСКОЙ СИСТЕМЫ

1Артикул: CAP, CAP NLA - breather - Pack of 12 - Was 1779011B - A
2Артикул: 6577785, CAP breather - Qty. of 1
3Артикул: 713133, SNAP RING snap ring
Подробнее >
ОРГАНЫ РУЧНОГО УПРАВЛЕНИЯ

ОРГАНЫ РУЧНОГО УПРАВЛЕНИЯ

1Артикул: 17C612, BOLT 5
2Артикул: 6558736, FLANGE
3Артикул: 6512027, BUSHING
Подробнее >
ГИДРОСТАТИЧЕСКИЙ ДВИГАТЕЛЬ (ROSS MAE 24032 И MAE 24033)

ГИДРОСТАТИЧЕСКИЙ ДВИГАТЕЛЬ (ROSS MAE 24032 И MAE 24033)

1Артикул: MOTOR, MOTOR See BTI149 See BTI155 See BTI287 NLA - hydrostatic (24032)
2Артикул: MOTOR, MOTOR See BTI287 NLA - 24033 - Was 6562006 - A
3Артикул: 6512296, PLATE
Подробнее >
ГИДРОСТАТИЧЕСКИЙ ДВИГАТЕЛЬ (CHAR-LYNN) (МОДЕЛЬ ДВИГАТЕЛЯ 109-1052-004 И -005)

ГИДРОСТАТИЧЕСКИЙ ДВИГАТЕЛЬ (CHAR-LYNN) (МОДЕЛЬ ДВИГАТЕЛЯ 109-1052-004 И -005)

1Артикул: MOTOR, MOTOR See BTI193 NLA - Order 6599718
2Артикул: MOTOR, MOTOR See Illustration HYDROSTATIC MOTOR/ D1650 NLA - REMANUFACTURED - ORDER 6630245
3Артикул: 6513506, DRIVE
Подробнее >