ГИДРОСТАТИЧЕСКАЯ СИСТЕМА в Алматы
ФИЛЬТР ГИДРОСТАТИЧЕСКОГО МАСЛА (В СОСТАВЕ ЛИНИИ)
1Артикул: 6661022, FILTER, OIL HYD IN-LINE Ref. 2-8
2Артикул: HOUSING, HOUSING NLA
3Артикул: SPRING, SPRING NLA
ШЕСТЕРЕННЫЙ НАСОС
1Артикул: PUMP, PUMP NLA - cast iron - Model 163D-1309 - Was 6681602 - A
2Артикул: 6686703, PUMP, GEAR Model 163D-1483 - cast iron
3Артикул: 6688325, KIT, SEAL Was 6681581 - A
ГИДРОСТАТИЧЕСКИЙ НАСОС
1Артикул: PUMP, PUMP NLA - Model 4445160 - W/cast iron gear pump - Order 6686702 pump or 6686702REM pump - must use 6576196 bracket & 6706096 bracket from original pump - Was 6685032 - A
2Артикул: PUMP, PUMP NLA - Model 4445192 - Order 6686702 pump or 6686702REM pump - must use 6576196 bracket & 6706096 bracket from original pump - Was 6687632 - A
3Артикул: 6686702, PUMP, HYD TANDEM Model 4445187
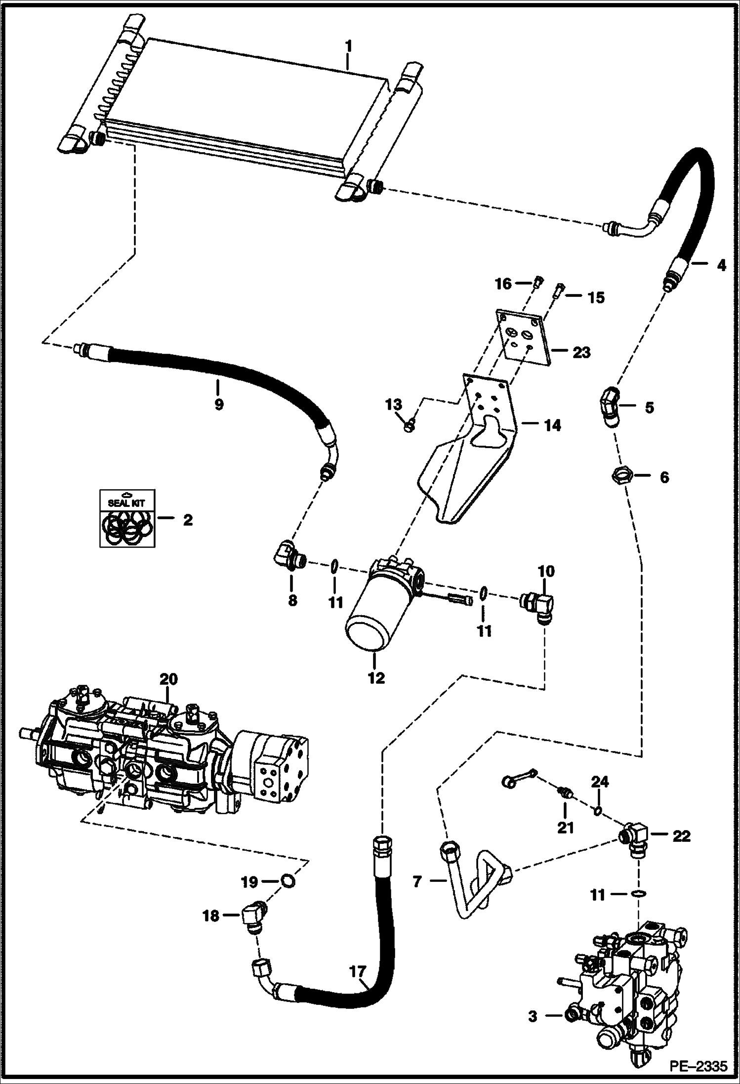
СХЕМА ГИДРОСТАТИЧЕСКОЙ СИСТЕМЫ (СЕРИЙНЫЙ НОМЕР 5246 14400 И ВЫШЕ, 5247 11900 И ВЫШЕ)
1Артикул: 6736377, EXCHANGER, OIL COOLER Also Order 7192812 STC insert kit for Ref. 4 hose
2Артикул: 6674798, REPAIR KIT For Ref. 4, 5 or 8 - includes internal retaining ring (1), back-up ring (1) & O-ring (1)
3Артикул: 7192812, KIT, INSERT STC Use Between Ref. 1 & 4
СХЕМА ГИДРОСТАТИЧЕСКОЙ СИСТЕМЫ (СЕРИЙНЫЙ НОМЕР 5246 14399 И НИЖЕ, 5247 11899 И НИЖЕ)
1Артикул: 6674150, EXCHANGER, OIL COOLER
2Артикул: 6674798, REPAIR KIT For Ref. 4, 5 or 8 - includes internal retaining ring (1), back-up ring (1) & O-ring (1)
3Артикул: VALVE, VALVE See Illustration HYDRAULIC CONTROL VALVE/ B17114 HYD. CONTROL
СХЕМА ГИДРОСТАТИЧЕСКОЙ СИСТЕМЫ
1Артикул: 7108991, TANK Was 6732278 - A
2Артикул: 6577459, DIPSTICK W/Ref. 28
3Артикул: 6728149, CAP , HYD NON VENTED breather - Was 6532508 - A
УСТРОЙСТВА РУЧНОГО УПРАВЛЕНИЯ (СЕРИЙНЫЙ НОМЕР 524614759 И ВЫШЕ, 524711992 И ВЫШЕ)
1Артикул: 6702543, LEVER, STEERING
2Артикул: BELLCRANK, BELLCRANK NLA - W/Notch for bushing tab - Use W/Ref. 9 (6518200 Grease Zerk) - Order 7110571 Bellcrank & Ref. 9 (10H000035B Grease Zerk) - Was 7101047 - A
3Артикул: 7110571, BELLCRANK, STEERING W/notch for Ref. 8 (6703879 bushing) - Use W/Ref. 9 (10H35 grease zerk)
ФИЛЬТР ГИДРОСТАТИЧЕСКОГО МАСЛА
1Артикул: 6676969, FILTER W/Ref. 2 - 5 (50 PSI by-pass & switch)
2Артикул: 6660260, SWITCH pressure - normally open
3Артикул: VALVE, VALVE NLA - by-pass (50 PSI - Order Ref. 1)
УСТРОЙСТВА РУЧНОГО УПРАВЛЕНИЯ (СЕРИЙНЫЙ НОМЕР 524614758 И НИЖЕ, 524711991 И НИЖЕ)
1Артикул: 6702543, LEVER, STEERING
2Артикул: BELLCRANK, BELLCRANK NLA - W/Notch for bushing tab - Use W/Ref. 9 (6518200 Grease Zerk) - Order 7110571 Bellcrank & Ref. 9 (10H000035B Grease Zerk) - Was 7101047 - A
3Артикул: 7110571, BELLCRANK, STEERING W/notch for Ref. 8 (6703879 bushing) - Use W/Ref. 9 (10H35 grease zerk)
ГИДРОСТАТИЧЕСКИЙ ДВИГАТЕЛЬ
1Артикул: MOTOR, MOTOR See BTI367 NLA - Ref. 2-27 - Was 6671617 - A
2Артикул: HOUSING, HOUSING NLA - W/Ref. 3-7 - Was 6669442 - A
3Артикул: 6668079, PLUG, MOTOR W/Ref. 4