ГИДРОСТАТИЧЕСКАЯ СИСТЕМА в Алматы
ГИДРОСТАТИЧЕСКИЙ ДВИГАТЕЛЬ
1Артикул: MOTOR, MOTOR See BTI367 NLA - Ref. 2-27 - Was 6671617 - A
2Артикул: HOUSING, HOUSING NLA - W/Ref. 3-7 - Was 6669442 - A
3Артикул: 6668079, PLUG, MOTOR W/Ref. 4
ГИДРОСТАТИЧЕСКИЙ НАСОС
1Артикул: PUMP, PUMP NLA - Model 4445132 - W/cast iron gear pump - Order 6686702 pump or 6686702REM pump - must use 6576196 bracket & 6706096 bracket from original pump - Was 6681635 - A
2Артикул: PUMP, PUMP NLA - Model 4445160 - W/cast iron gear pump - Order 6686702 pump or 6686702REM pump - must use 6576196 bracket & 6706096 bracket from original pump - Was 6685032 - A
3Артикул: PUMP, PUMP NLA - Model 4445192 - Order 6686702 pump or 6686702REM pump - must use 6576196 bracket & 6706096 bracket from original pump - Was 6687632
ФИЛЬТР ГИДРОСТАТИЧЕСКОГО МАСЛА
1Артикул: 6676969, FILTER W/Ref. 2-5 - (50 PSI by-pass & switch)
2Артикул: 6660260, SWITCH pressure - normally closed
3Артикул: 6599365, KIT Nut, washer & o-rings
ФИЛЬТР ГИДРОСТАТИЧЕСКОГО МАСЛА (В СОСТАВЕ ЛИНИИ)
1Артикул: 6661022, FILTER, OIL HYD IN-LINE Ref. 2-8
2Артикул: HOUSING, HOUSING NSS
3Артикул: SPRING, SPRING NSS
ШЕСТЕРЕННЫЙ НАСОС
1Артикул: PUMP, PUMP NLA - cast iron - Model 163D-1309 - Was 6681602 - A
2Артикул: 6686703, PUMP, GEAR Model 163D-1483 - cast iron
3Артикул: 6688325, KIT, SEAL Was 6681581 - A
ОРГАНЫ РУЧНОГО УПРАВЛЕНИЯ
1Артикул: 6702543, LEVER, STEERING
2Артикул: BELLCRANK, BELLCRANK NLA - W/notch for bushing tab - Use W/Ref. 9 (6518200 Grease Zerk) - Order 7110571 Bellcrank & Ref. 9 (10H000035B Grease Zerk) - Was 7101047 - A
3Артикул: 7110571, BELLCRANK, STEERING W/notch for Ref. 8 (6703879 bushing) - Use W/Ref. 9 (10H35 grease zerk)
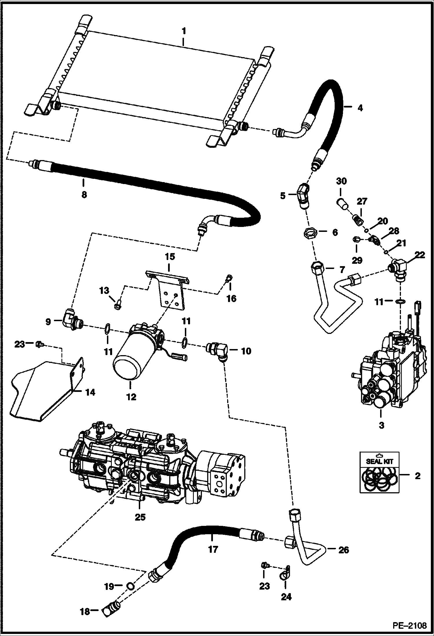
СХЕМА ГИДРОСТАТИЧЕСКОЙ СИСТЕМЫ
1Артикул: 7109582, OIL COOLER W/(2) of Ref. 2 (6674798 kit) - Also Order Ref. 2 (7192812 kit) for Ref. 4 - Was 6734743 - A
2Артикул: 6674798, REPAIR KIT For Ref. 1, 5 or 9 - contains internal retaining ring (1), back-up ring (1) & O-ring (1)
3Артикул: 7192812, KIT, INSERT STC Use Between Ref. 1 & 4