+7 (701) 588 50 05 Телефон для связи
RU

WhatsApp

Позвонить

ГИДРОСТАТИЧЕСКАЯ СИСТЕМА в Алматы

ГИДРОСТАТИЧЕСКИЙ НАСОС

ГИДРОСТАТИЧЕСКИЙ НАСОС

1Артикул: PUMP,, PUMP, HYD TANDEM NLA - New - Vickers 567686 - Was 6648980 - A
2Артикул: PUMP,, PUMP, HYD TANDEM See BTI209 NLA - remanufactured - Was 6648980 - A
3Артикул: 6513631, BOLT
Подробнее >
ОРГАНЫ РУЧНОГО УПРАВЛЕНИЯ

ОРГАНЫ РУЧНОГО УПРАВЛЕНИЯ

1Артикул: 17C612, BOLT 5
2Артикул: 6558736, FLANGE
3Артикул: 6512027, BUSHING
Подробнее >
СХЕМА ГИДРОСТАТИЧЕСКОЙ СИСТЕМЫ

СХЕМА ГИДРОСТАТИЧЕСКОЙ СИСТЕМЫ

1Артикул: 85D6, NUT, 5
2Артикул: 35C612, BOLT
3Артикул: 6575655, OIL COOLER
Подробнее >
ШЕСТЕРЕННЫЙ НАСОС (W9A1S012)

ШЕСТЕРЕННЫЙ НАСОС (W9A1S012)

1Артикул: 6662894, GEAR PUMP
2Артикул: 6662925, SNAP RING
3Артикул: 6662926, SEAL
Подробнее >
НАСОС С КРЫЛЬЧАТКОЙ (СЕРИЙНЫЙ НОМЕР 11250 И НИЖЕ)

НАСОС С КРЫЛЬЧАТКОЙ (СЕРИЙНЫЙ НОМЕР 11250 И НИЖЕ)

1Артикул: 6648982, PUMP See Illustration GEAR PUMP KIT/ C3177 VICKERS 503193 -2 - FOR GEAR PUMP KIT
2Артикул: 17C648, BOLT 5
3Артикул: COVER, COVER NLA
Подробнее >
ФИЛЬТР ГИДРОСТАТИЧЕСКОГО МАСЛА

ФИЛЬТР ГИДРОСТАТИЧЕСКОГО МАСЛА

1Артикул: 6631706, FILTER ASSY. Ref. 2-5 - W/50 PSI By-Pass & Switch
2Артикул: 6632053, SWITCH Pressure
3Артикул: 6599365, KIT Nut, Washer & O-Rings for 6632053 Switch
Подробнее >
ШЕСТЕРЕННЫЙ НАСОС

ШЕСТЕРЕННЫЙ НАСОС

1Артикул: GEAR, GEAR PUMP See Illustration GEAR PUMP KIT/ C3177 NLA - ORDER 6662894 & 6705891 HOSE - FOR GEAR PUMP KIT
2Артикул: SEAL, SEAL KIT NLA - For 858021 Gear Pump - Was 6652881 - A
3Артикул: 6510584, WASHER
Подробнее >
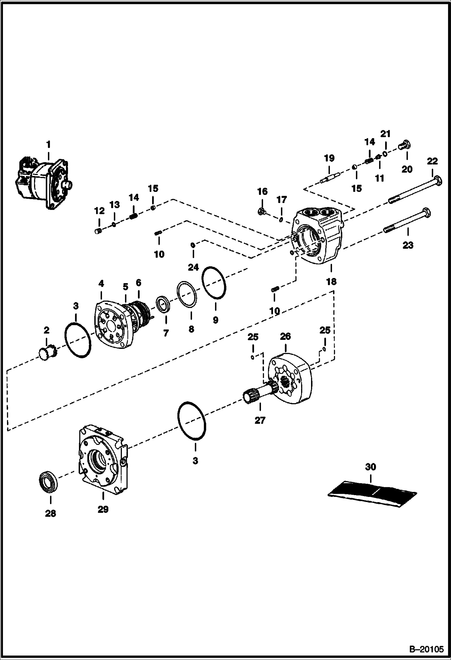
ГИДРОСТАТИЧЕСКИЙ ДВИГАТЕЛЬ

ГИДРОСТАТИЧЕСКИЙ ДВИГАТЕЛЬ

1Артикул: 6567421, MOTOR KIT New W/Ref. 28 & 25K030508B O-Ring
2Артикул: 6567752, MOTOR Remanufactured
3Артикул: 6513506, DRIVE
Подробнее >