+7 (701) 588 50 05 Телефон для связи
RU

WhatsApp

Позвонить

ГИДРОСТАТИЧЕСКАЯ СИСТЕМА в Алматы

СХЕМА ГИДРОСТАТИЧЕСКОЙ СИСТЕМЫ (2-ФУНКЦИЯ РЕГУЛИРОВКИ ЧИСЛА ОБОРОТОВ ДВИГАТЕЛЯ)

СХЕМА ГИДРОСТАТИЧЕСКОЙ СИСТЕМЫ (2-ФУНКЦИЯ РЕГУЛИРОВКИ ЧИСЛА ОБОРОТОВ ДВИГАТЕЛЯ)

1Артикул: PUMP, PUMP See Illustration HYDROSTATIC PUMP/ B17765
2Артикул: MOTOR, MOTOR
3Артикул: 6803932, DECAL 2-speed valve
Подробнее >
ГИДРОСТАТИЧЕСКИЙ ДВИГАТЕЛЬ И ТОРМОЗ (2-ФУНКЦИЯ РЕГУЛИРОВКИ ЧИСЛА ОБОРОТОВ ДВИГАТЕЛЯ) (ВСПОМОГАТЕЛЬНЫЙ) (R921811649)

ГИДРОСТАТИЧЕСКИЙ ДВИГАТЕЛЬ И ТОРМОЗ (2-ФУНКЦИЯ РЕГУЛИРОВКИ ЧИСЛА ОБОРОТОВ ДВИГАТЕЛЯ) (ВСПОМОГАТЕЛЬНЫЙ) (R921811649)

1Артикул: 7261334, MOTOR, DRIVE HYD 2-SPD Ref. 2-57
2Артикул: 7257498, DISTRIBUTOR MOTOR
3Артикул: 6674037, SPRING
Подробнее >
ГИДРОСТАТИЧЕСКИЙ ДВИГАТЕЛЬ (ОДНА СКОРОСТЬ) (R921811669)

ГИДРОСТАТИЧЕСКИЙ ДВИГАТЕЛЬ (ОДНА СКОРОСТЬ) (R921811669)

1Артикул: 7261333, MOTOR, DRIVE HYD Ref. 2-27
2Артикул: 7257504, HOUSING
3Артикул: 6687081, SCREW
Подробнее >
ГИДРОСТАТИЧЕСКИЙ НАСОС (ПРАВОСТОРОННИЙ)

ГИДРОСТАТИЧЕСКИЙ НАСОС (ПРАВОСТОРОННИЙ)

1Артикул: 6681936, PUMP Model 4445098 - complete W/gear pump - standard flow - must use 6576196 bracket & 6706096 bracket from original pump - Was 6677649 - A
2Артикул: 6689135REM, PUMP, HYD TANDEM, W/O GEAR PUMP Was 6681936REM
3Артикул: 6677657, PUMP, HYD 2-SPEED model 4445099 - complete W/gear pump - high flow - must use 6576196 bracket & 6706096 bracket from original pump
Подробнее >
ГИДРОСТАТИЧЕСКИЙ ДВИГАТЕЛЬ И ТОРМОЗ (2-ФУНКЦИЯ РЕГУЛИРОВКИ ЧИСЛА ОБОРОТОВ ДВИГАТЕЛЯ)

ГИДРОСТАТИЧЕСКИЙ ДВИГАТЕЛЬ И ТОРМОЗ (2-ФУНКЦИЯ РЕГУЛИРОВКИ ЧИСЛА ОБОРОТОВ ДВИГАТЕЛЯ)

1Артикул: MOTOR, MOTOR See Illustration HRDROSTATIC MOTOR & BRAKE/ MS2600 NLA - 5830-003-138 model - Ref. 2-54 - Order 6674738 motor
2Артикул: 6674738REM, MOTOR, HYDROSTATIC 2 SP
3Артикул: 6675876, DISTRIBUTOR
Подробнее >
ШЕСТЕРЕННЫЙ НАСОС

ШЕСТЕРЕННЫЙ НАСОС

1Артикул: GEAR, GEAR PUMP NLA - standard flow - Model 163D1185 - Order 6687867 pump - Was 6678224 - A
2Артикул: GEAR, GEAR PUMP Model 163D1301 - Order 6687867 gear pump - Was 6681596 - A
3Артикул: 6687867, PUMP, GEAR Model 163D70003
Подробнее >
КЛАПАН ПЕРЕКЛЮЧЕНИЯ 2-СКОРОСТНОГО ДИАПАЗОНА

КЛАПАН ПЕРЕКЛЮЧЕНИЯ 2-СКОРОСТНОГО ДИАПАЗОНА

1Артикул: 6679102, VALVE assy.
2Артикул: BLOCK, BLOCK NSS - Order Ref. 1
3Артикул: 6677982, CARTRIDGE make up valve - W/Ref. 5
Подробнее >
ФИЛЬТР ГИДРОСТАТИЧЕСКОГО МАСЛА

ФИЛЬТР ГИДРОСТАТИЧЕСКОГО МАСЛА

1Артикул: 6661247, FILTER W/Ref. 2-5 - 50 PSI by-pass & switch
2Артикул: 6660260, SWITCH pressure - Normally closed
3Артикул: 6599365, KIT Nut, washer & O-rings for switch
Подробнее >
СХЕМА ГИДРОСТАТИЧЕСКОЙ СИСТЕМЫ (С КАМЕРОЙ ОХЛАЖДЕНИЯ)

СХЕМА ГИДРОСТАТИЧЕСКОЙ СИСТЕМЫ (С КАМЕРОЙ ОХЛАЖДЕНИЯ)

1Артикул: 6678194, COOLER oil - Was 6675587 - A
2Артикул: 6674798, REPAIR KIT Consists of Retaining Ring (1), Back-up Ring (1) & O-Ring (1)
3Артикул: 6676150, HOSE
Подробнее >
ГИДРОСТАТИЧЕСКИЙ ДВИГАТЕЛЬ И ТОРМОЗ (2-ФУНКЦИЯ РЕГУЛИРОВКИ ЧИСЛА ОБОРОТОВ ДВИГАТЕЛЯ) (R921810294)

ГИДРОСТАТИЧЕСКИЙ ДВИГАТЕЛЬ И ТОРМОЗ (2-ФУНКЦИЯ РЕГУЛИРОВКИ ЧИСЛА ОБОРОТОВ ДВИГАТЕЛЯ) (R921810294)

1Артикул: MOTOR,, MOTOR, HYDROSTATIC 2-SPEED See Illustration HYDROSTATIC MOTOR & BRAKE/ NA10878 - NLA - Ref. 2-56- Was 6674738 - A
2Артикул: 6674738REM, MOTOR, HYDROSTATIC 2 SP
3Артикул: 6690067, DISTRIBUTOR MOTOR
Подробнее >
СХЕМА ГИДРОСТАТИЧЕСКОЙ СИСТЕМЫ (С ДВИГАТЕЛЯМИ)

СХЕМА ГИДРОСТАТИЧЕСКОЙ СИСТЕМЫ (С ДВИГАТЕЛЯМИ)

1Артикул: PUMP, PUMP
2Артикул: 6717306, ADAPTER W/Ref. 13 - tapered boss face
3Артикул: 97K6, O RING flared end
Подробнее >
ГИДРОСТАТИЧЕСКИЙ НАСОС (ЛЕВАЯ ПОЛОВИНА)

ГИДРОСТАТИЧЕСКИЙ НАСОС (ЛЕВАЯ ПОЛОВИНА)

1Артикул: 6681936, PUMP Model 4445098 - complete W/gear pump - standard flow - must use 6576196 bracket & 6706096 bracket from original pump - Was 6677649 - A
2Артикул: 6689135REM, PUMP, HYD TANDEM, W/O GEAR PUMP Was 6681936REM
3Артикул: 6677657, PUMP, HYD 2-SPEED model 4445099 - complete W/gear pump - high flow - must use 6576196 bracket & 6706096 bracket from original pump
Подробнее >
ГИДРОСТАТИЧЕСКИЙ ДВИГАТЕЛЬ (ОДНА СКОРОСТЬ) (R921805322)

ГИДРОСТАТИЧЕСКИЙ ДВИГАТЕЛЬ (ОДНА СКОРОСТЬ) (R921805322)

1Артикул: MOTOR,, MOTOR, DRIVE HYD See Illustration HYDROSTATIC MOTOR/ NA12625 - NLA - 4-bolt flange ports - Ref. 2-28 - Was 6672825 - A
2Артикул: 6674037, SPRING
3Артикул: 6674184, RING
Подробнее >
ФИЛЬТР ГИДРОСТАТИЧЕСКОГО МАСЛА (В СОСТАВЕ ЛИНИИ)

ФИЛЬТР ГИДРОСТАТИЧЕСКОГО МАСЛА (В СОСТАВЕ ЛИНИИ)

1Артикул: 6661022, FILTER, OIL HYD IN-LINE Ref. 2-8
2Артикул: HOUSING, HOUSING NSS
3Артикул: SPRING, SPRING NSS
Подробнее >
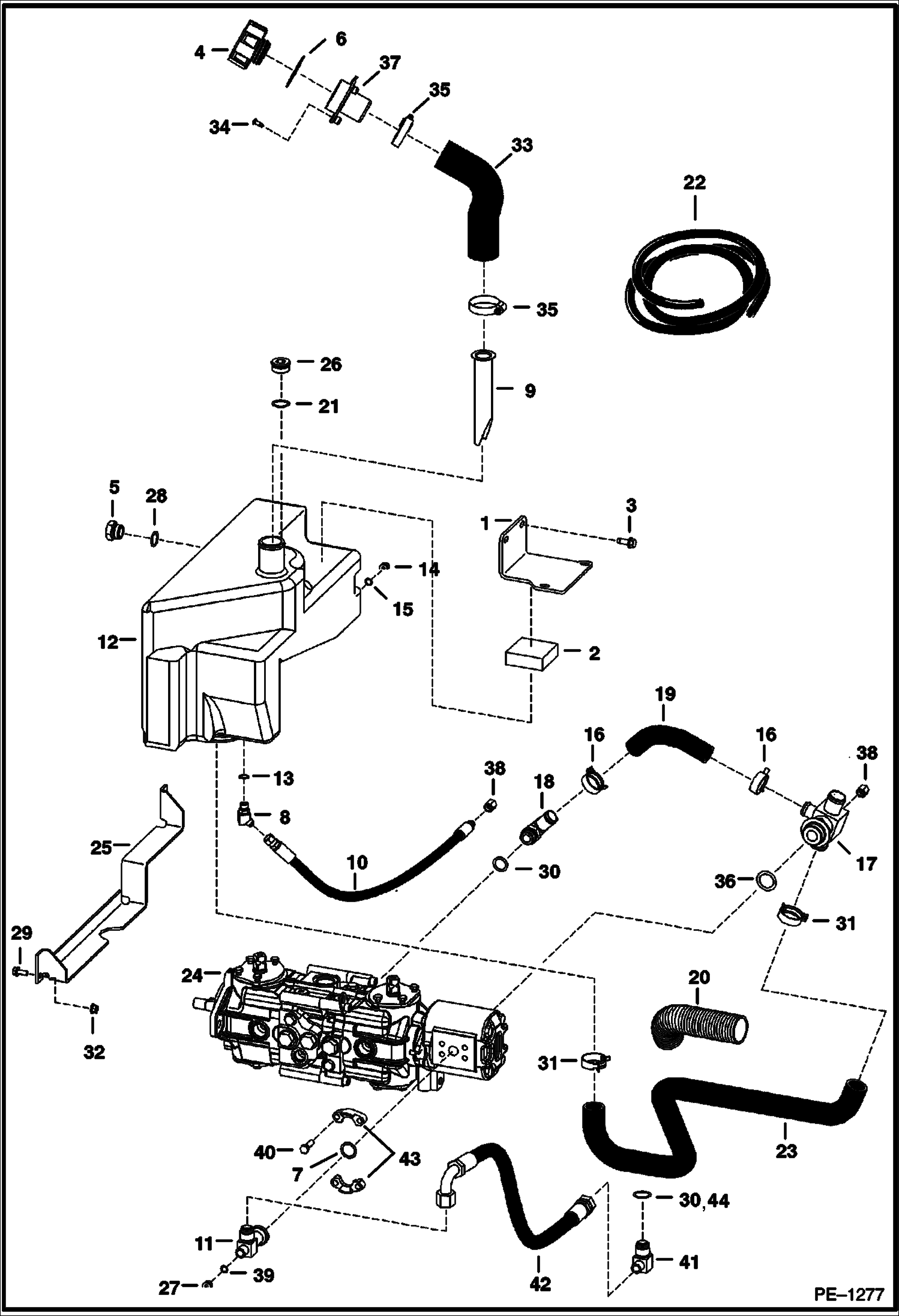
СХЕМА ГИДРОСТАТИЧЕСКОЙ СИСТЕМЫ (С БАКОМ)

СХЕМА ГИДРОСТАТИЧЕСКОЙ СИСТЕМЫ (С БАКОМ)

1Артикул: 6715079, BRACKET
2Артикул: 6716449, PAD
3Артикул: 84G3716, SCREW 5
Подробнее >
ОРГАНЫ РУЧНОГО УПРАВЛЕНИЯ

ОРГАНЫ РУЧНОГО УПРАВЛЕНИЯ

1Артикул: 6702543, LEVER, STEERING
2Артикул: BELLCRANK, BELLCRANK NLA - .8725-- (22,2 mm) I.D. hole for Ref. 29 (6665701 bushing) - Use W/Ref. 8 (6673710 bearing) & Ref. 9 (6518200 grease zerk) - Order 7110571 bellcrank, Ref. 28 (619021 washer), Ref. 29 (6678067 bushing) & (2) of Ref. 8 (6703879 bushing) - Was 6716977 - A
3Артикул: BELLCRANK, BELLCRANK NLA - 1.0475--( 26,2 mm) I.D. hole for Ref. 29 (6678067 bushing) - Use W/Ref. 8 (6673710 bearing) & Ref. 9 (6518200 grease zerk) - Order 7110571 bellcrank, Ref. 9 (10H35 grease zerk) & (2) of Ref. 8 (6703879 bushing) - Was 7101048 - A
Подробнее >