+7 (701) 588 50 05 Телефон для связи
RU

WhatsApp

Позвонить

ГИДРОСТАТИЧЕСКАЯ СИСТЕМА в Алматы

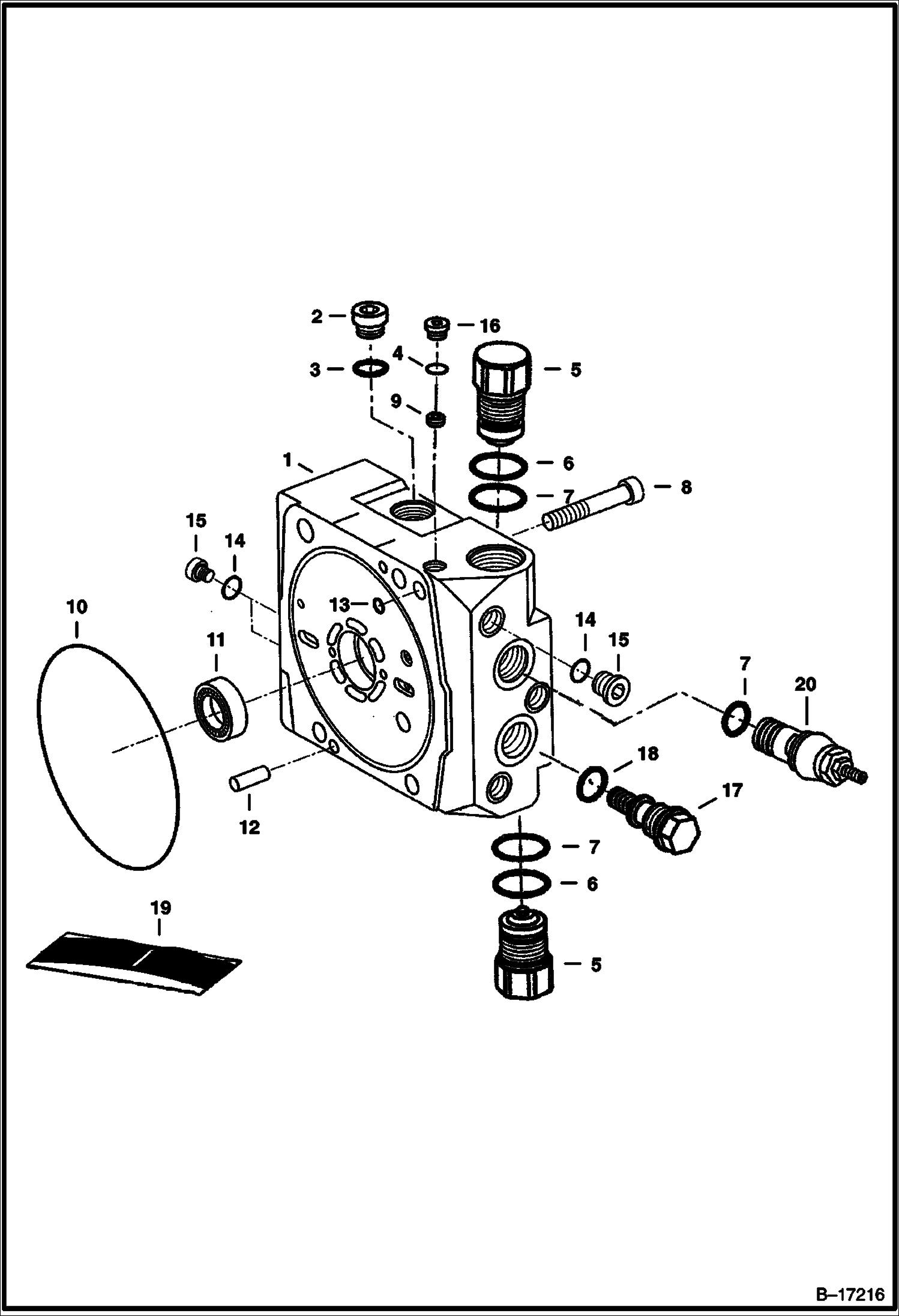
КОРПУС В СБОРЕ

КОРПУС В СБОРЕ

1Артикул: 6671781, HOUSING W/Ref. 2 - 12
2Артикул: 6671783, PLUG
3Артикул: 6671784, O-RING W/Ref. 2
Подробнее >
ФИЛЬТР ГИДРОСТАТИЧЕСКОГО МАСЛА

ФИЛЬТР ГИДРОСТАТИЧЕСКОГО МАСЛА

1Артикул: 6668818, FILTER ASSY See Illustration ENGINE ELECTRICAL/ E2275 - W/Ref. 2 - 50 PSI by-pass & switch
2Артикул: 6632053, SWITCH pressure - Use with 50 PSI by-pass - Was 6660260 - A
3Артикул: 6599365, KIT nut, washer & O-rings for 6632060 switch
Подробнее >
РАСПРЕДЕЛИТЕЛЬ

РАСПРЕДЕЛИТЕЛЬ

1Артикул: PORT, PORT BLOCK NLA - W/Ref. 2 - 15 - Order Components - Was 6671827 - A
2Артикул: 6666364, PLUG W/Ref. 3 - Was 6671759 - A
3Артикул: 6671758, O-RING
Подробнее >
ДИСКОВЫЙ ТОРМОЗ (MICO) (СЕРИЙНЫЙ НОМЕР 562211954 И НИЖЕ, 516511093 И НИЖЕ)

ДИСКОВЫЙ ТОРМОЗ (MICO) (СЕРИЙНЫЙ НОМЕР 562211954 И НИЖЕ, 516511093 И НИЖЕ)

1Артикул: BRAKE, BRAKE NLA - disc - Ref. 2 - 15 - Order 6670157 brake, 17C000860B bolt (2), 6701097 washer (2) & 6530862 hose (1) - Was 6670156 - A
2Артикул: BRAKE, BRAKE NLA - Order 6670157 brake, (2) 17C000860B bolt & (2) 6701097 washer
3Артикул: BOLT, BOLT NLA - Was 6672565 - A
Подробнее >
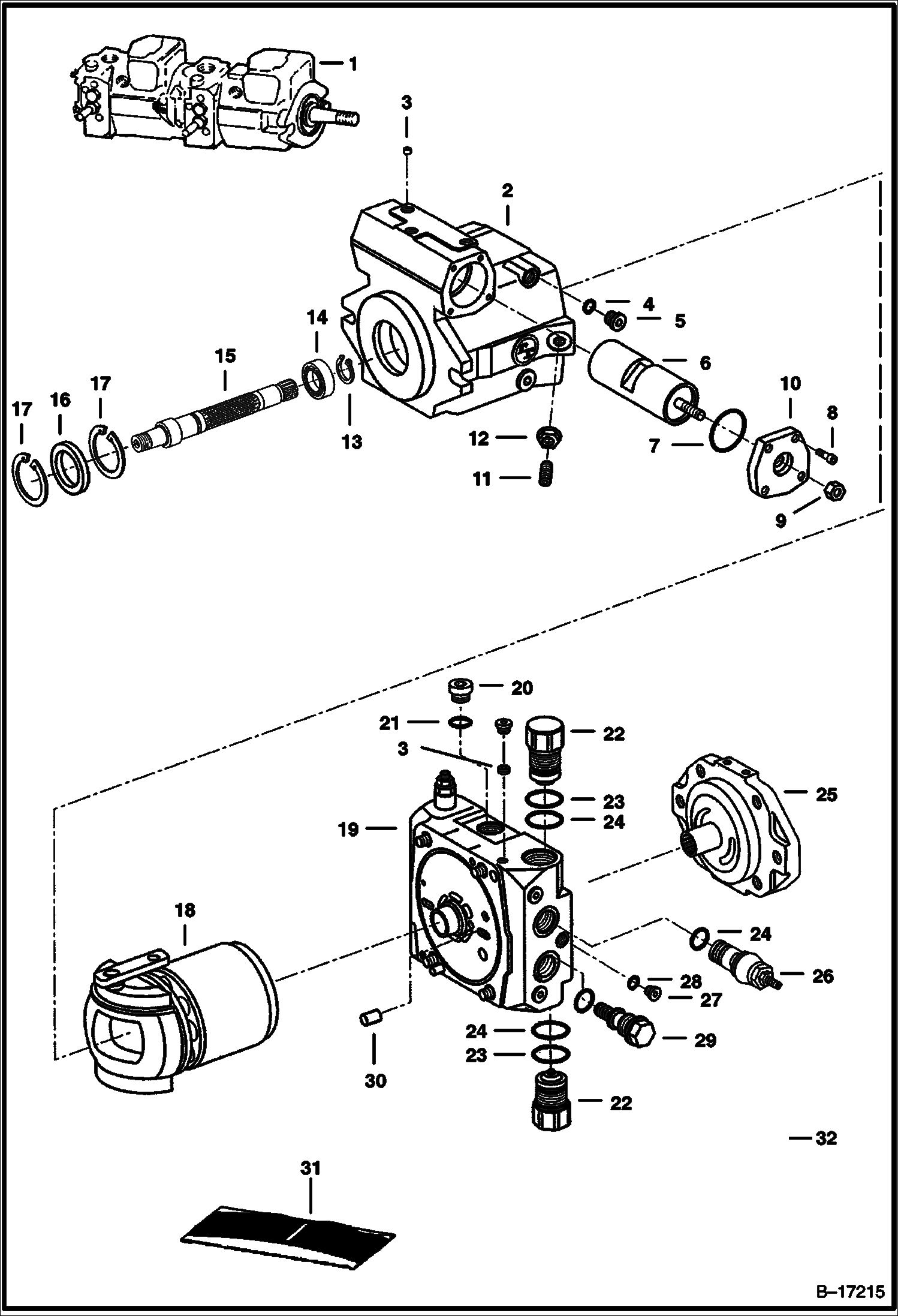
НАГНЕТАТЕЛЬНЫЙ НАСОС (ТОРЕЦ ШЕСТЕРЕННОГО НАСОСА)

НАГНЕТАТЕЛЬНЫЙ НАСОС (ТОРЕЦ ШЕСТЕРЕННОГО НАСОСА)

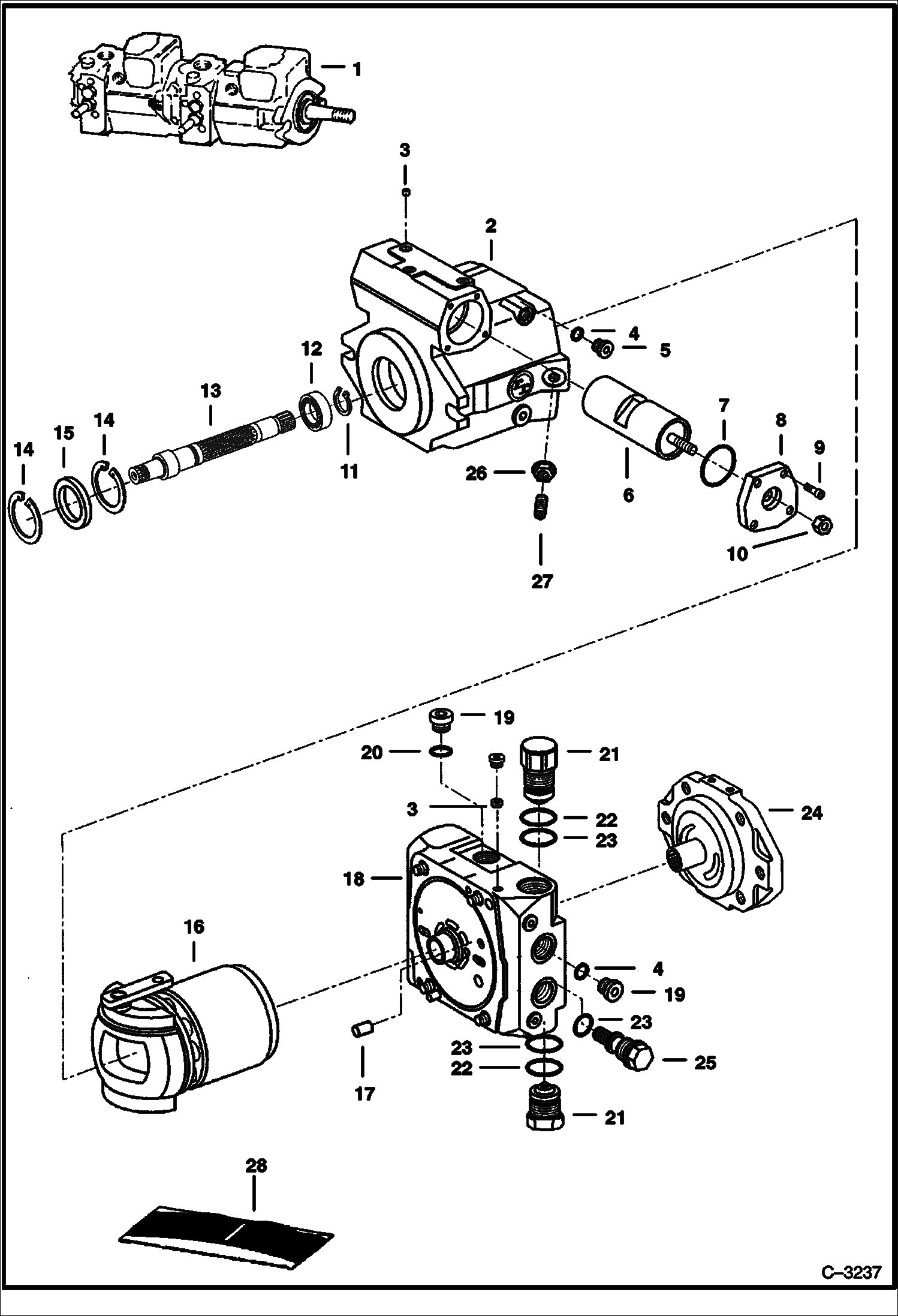
1Артикул: 6671824, CHARGE PUMP W/Ref. 2 - 12 - Was 6671740 - A
2Артикул: 6672016, SEAL KIT See Illustration HYDROSTATIC PUMP/ C3237 Ref. 28
3Артикул: 6682945, SNAP RING Was 6671814 - A
Подробнее >
РУКОВОДСТВО ПО ЭКСПЛУАТАЦИИ КЛАПАНА УСТРОЙСТВА ДЛЯ ОТПУСКАНИЯ

РУКОВОДСТВО ПО ЭКСПЛУАТАЦИИ КЛАПАНА УСТРОЙСТВА ДЛЯ ОТПУСКАНИЯ

1Артикул: 7230495, VALVE, LIFT MANUAL Ref. 2-4 - Was 6667844 - A
2Артикул: BLOCK, BLOCK NSS
3Артикул: 6669087, SEAL KIT
Подробнее >
УЗЕЛ - РОТОР В СБОРЕ

УЗЕЛ - РОТОР В СБОРЕ

1Артикул: BLOCK, BLOCK ASSY NLA - Order Components - Was 6674911 - A
2Артикул: 6967430, PIN Was 6671774 - A
3Артикул: 6967427, SLIDE Was 6671773 - A
Подробнее >
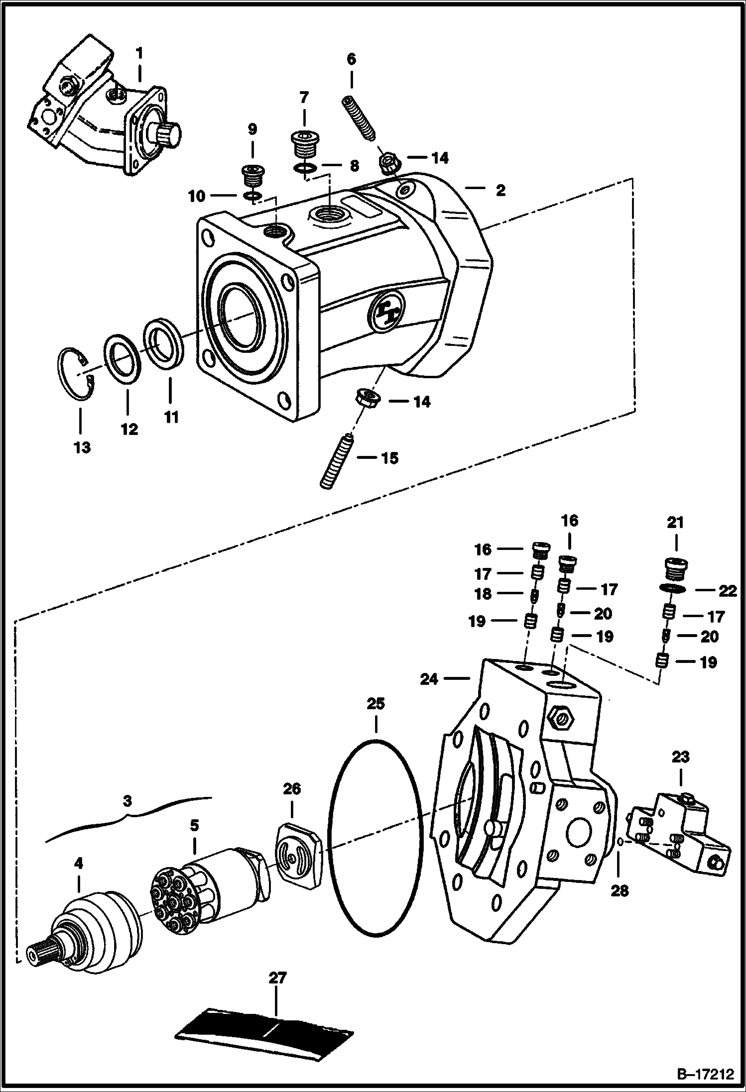
ГИДРОСТАТИЧЕСКИЙ НАСОС (ТОРЕЦ ШЕСТЕРЕННОГО НАСОСА)

ГИДРОСТАТИЧЕСКИЙ НАСОС (ТОРЕЦ ШЕСТЕРЕННОГО НАСОСА)

1Артикул: PUMP, PUMP NLA - assembly - Order 1 each of 6805533 , 6805550 , 6805549 & 6674238 - Was 6670816 - A
2Артикул: 6674238, PUMP, HYD TANDEM assembly
3Артикул: 6671781, HOUSING See Illustration HOUSING ASSY/ B17218
Подробнее >
ПРОМЫВНОЙ КЛАПАН

ПРОМЫВНОЙ КЛАПАН

1Артикул: 6671848, VALVE W/Ref. 2 - 13
2Артикул: 6967784, SCREW Was 6671884 - A
3Артикул: 6671885, SHIM
Подробнее >
ГИДРОСТАТИЧЕСКИЙ ДВИГАТЕЛЬ

ГИДРОСТАТИЧЕСКИЙ ДВИГАТЕЛЬ

1Артикул: 6670817, MOTOR W/Ref. 2 - 26
2Артикул: 6671842, HOUSING
3Артикул: 6671830, BLOCK ASSY rotary group
Подробнее >
ДИСКОВЫЙ ТОРМОЗ (AUSCO) (СЕРИЙНЫЙ НОМЕР 562211955 И ВЫШЕ, 516511094 И ВЫШЕ)

ДИСКОВЫЙ ТОРМОЗ (AUSCO) (СЕРИЙНЫЙ НОМЕР 562211955 И ВЫШЕ, 516511094 И ВЫШЕ)

1Артикул: 6670157, BRAKE disc - Ref. 2 - 18
2Артикул: 6675112, HOUSING Was 6675112
3Артикул: 6675113, RETAINER spring
Подробнее >
ОРГАНЫ РУЧНОГО УПРАВЛЕНИЯ

ОРГАНЫ РУЧНОГО УПРАВЛЕНИЯ

1Артикул: 6702543, LEVER, STEERING
2Артикул: 6713544, BELLCRANK
3Артикул: 6599741, WASHER wave
Подробнее >
ПОРШЕНЬ В СБОРЕ

ПОРШЕНЬ В СБОРЕ

1Артикул: PISTON, PISTON ASSY NLA - W/Ref. 2 - 10
2Артикул: 6674922, PISTON control - Was 6671792 - A
3Артикул: 6688031, ROD Was 6671791 - A
Подробнее >
НАГНЕТАТЕЛЬНЫЙ НАСОС (КОНСОЛЬНЫЙ ШКИВ)

НАГНЕТАТЕЛЬНЫЙ НАСОС (КОНСОЛЬНЫЙ ШКИВ)

1Артикул: 6671740, CHARGE PUMP W/Ref. 2 - 12
2Артикул: 6672016, SEAL KIT See Illustration HYDROSTATIC PUMP/ C3237 Ref. 28
3Артикул: 6682945, SNAP RING Was 6671814 - A
Подробнее >
СХЕМА ГИДРОСТАТИЧЕСКОЙ СИСТЕМЫ

СХЕМА ГИДРОСТАТИЧЕСКОЙ СИСТЕМЫ

1Артикул: 6727475, CAP, OIL HYD breather - Also Order Ref. 3 & 2 - Was 6577785 - A
2Артикул: 6703427, FOAM FILTER foam
3Артикул: 6700631, GASKET
Подробнее >
ФИЛЬТР ГИДРОСТАТИЧЕСКОГО МАСЛА (В СОСТАВЕ ЛИНИИ)

ФИЛЬТР ГИДРОСТАТИЧЕСКОГО МАСЛА (В СОСТАВЕ ЛИНИИ)

1Артикул: 6661022, FILTER, OIL HYD IN-LINE Ref. 2-8
2Артикул: HOUSING, HOUSING NSS
3Артикул: SPRING, SPRING NSS
Подробнее >
КОНТРОЛЛЕР

КОНТРОЛЛЕР

1Артикул: 6672953, CONTROLLER W/Ref. 2 - 21
2Артикул: 6673755, LEVER
3Артикул: 6671720, BOOT
Подробнее >
ГИДРОСТАТИЧЕСКИЙ НАСОС (СТОРОНА ШКИВА)

ГИДРОСТАТИЧЕСКИЙ НАСОС (СТОРОНА ШКИВА)

1Артикул: PUMP, PUMP NLA - assembly - Order 1 each of 6805533, 6805550, 6805549 & 6674238 - Was 6670816 - A
2Артикул: 6674238, PUMP, HYD TANDEM assembly
3Артикул: 6671781, HOUSING See Illustration HOUSING ASSY/ B17218
Подробнее >
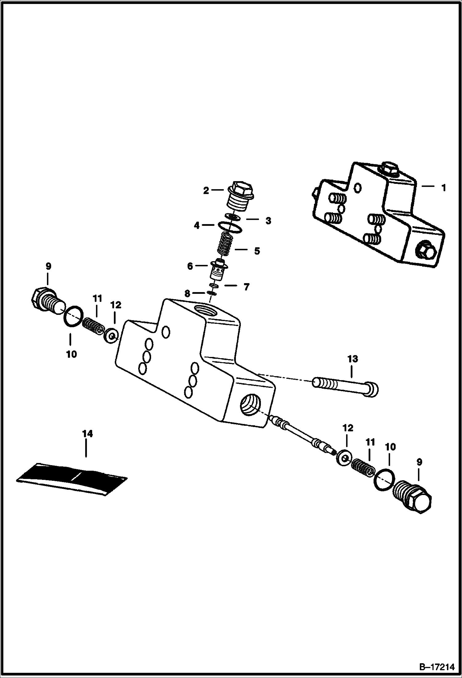
КЛАПАН В СБОРЕ (2-СКОРОСТИ)

КЛАПАН В СБОРЕ (2-СКОРОСТИ)

1Артикул: 6670809, VALVE ASSY Ref. 2 - 11
2Артикул: 6673188, SEAL KIT
3Артикул: 6667132, O-RING
Подробнее >
ЗАДНЯЯ КРЫШКА В СБОРЕ

ЗАДНЯЯ КРЫШКА В СБОРЕ

1Артикул: PORT, PORT BLOCK NLA - W/Ref. 2 - 17 - Was 6671882 - A
2Артикул: 6671868, PLUG
3Артикул: 6671869, O-RING
Подробнее >
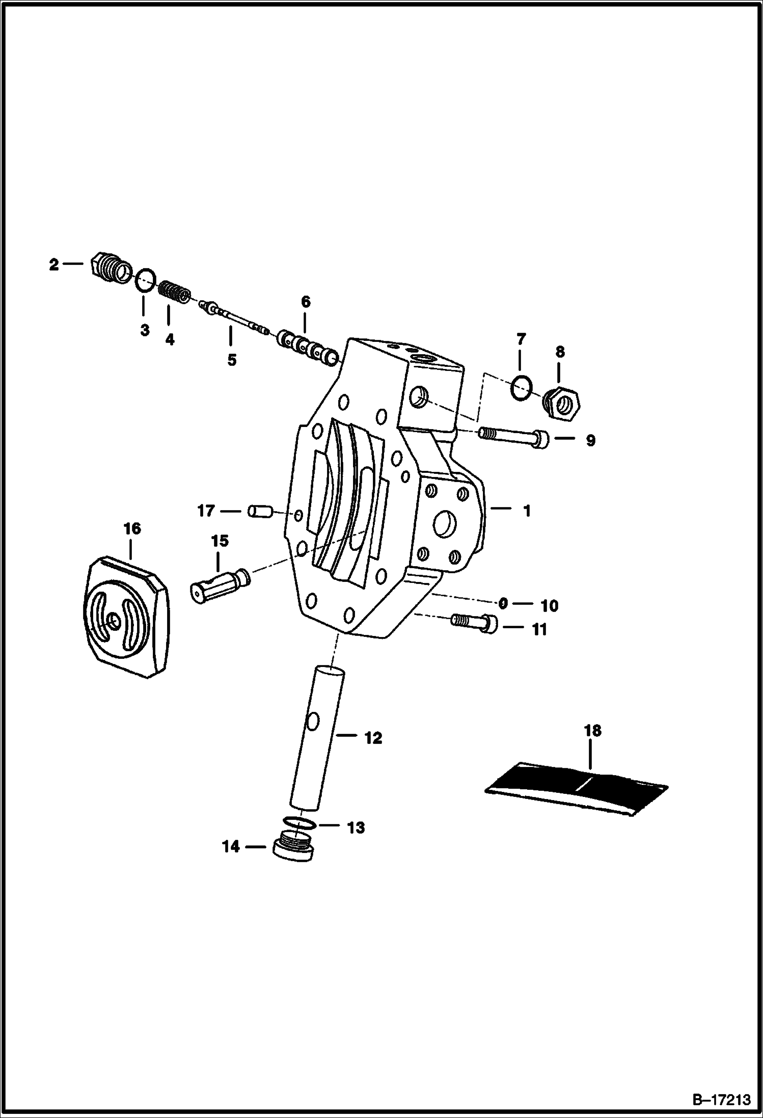
ШЕСТЕРЕННЫЙ НАСОС

ШЕСТЕРЕННЫЙ НАСОС

1Артикул: 6668882, GEAR PUMP Ref. 2 - 16
2Артикул: 6672156, SNAP RING
3Артикул: 6672157, SEAL
Подробнее >