+7 (701) 588 50 05 Телефон для связи
RU

WhatsApp

Позвонить

ГИДРОСТАТИЧЕСКАЯ СИСТЕМА в Алматы

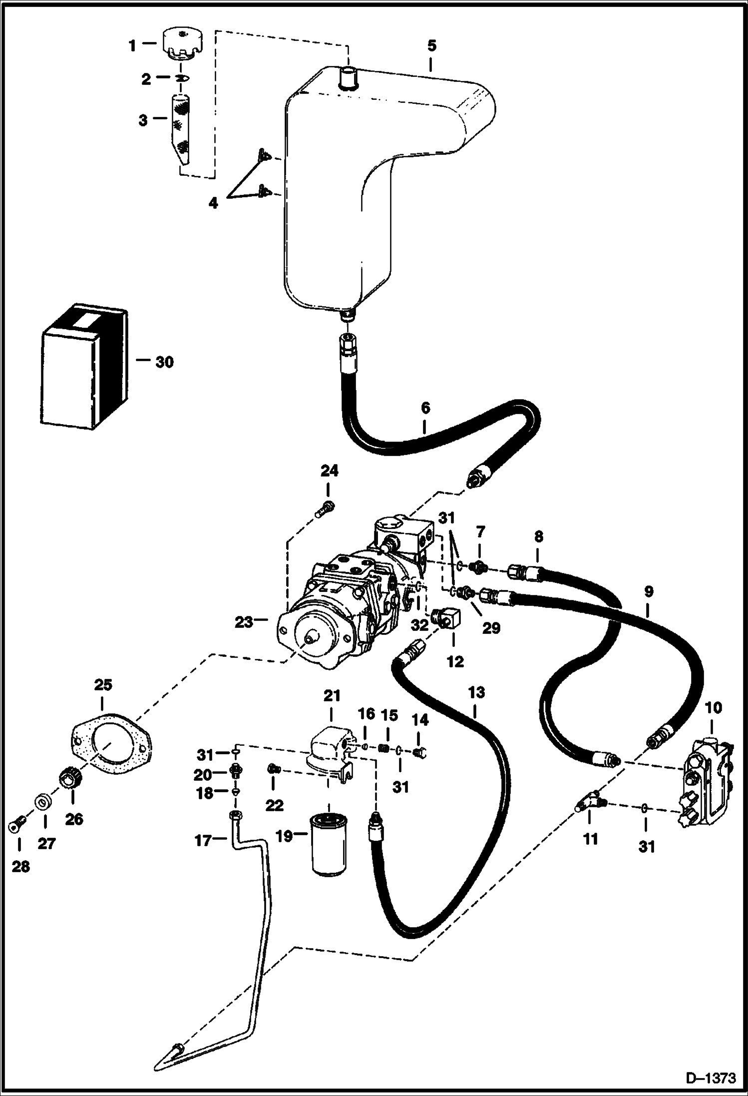
СХЕМА ГИДРОСТАТИЧЕСКОГО ДВИГАТЕЛЯ СЕРИЙНЫЙ НОМЕР 13999 И НИЖЕ

СХЕМА ГИДРОСТАТИЧЕСКОГО ДВИГАТЕЛЯ СЕРИЙНЫЙ НОМЕР 13999 И НИЖЕ

1Артикул: 6557647, HOSE
2Артикул: 730963, CONNECTR W/Ref. 32
3Артикул: 17K5, ELBOW W/Ref. 31
Подробнее >
ГИДРОСТАТИЧЕСКИЙ НАСОС

ГИДРОСТАТИЧЕСКИЙ НАСОС

1Артикул: PUMP, PUMP See BTI153 NLA
2Артикул: 6561056, PUMP New
3Артикул: 6599506REM, PUMP, HYD COMPLETE Remanufactured - Was 6599506 - A
Подробнее >
КОМПЛЕКТ МЕХАНИЗМОВ C ЗАПИРАНИЕМ В ЦЕНТРЕ MAE 24012, MAE 24021 И MAE 24024

КОМПЛЕКТ МЕХАНИЗМОВ C ЗАПИРАНИЕМ В ЦЕНТРЕ MAE 24012, MAE 24021 И MAE 24024

1Артикул: 6576451, KIT See BTI252 W/Ref. 2 -10
2Артикул: TEE, TEE NLA - case drain - Was 6561077 - A
3Артикул: 6559896, SPRING
Подробнее >
СХЕМА ГИДРОСТАТИЧЕСКОГО НАСОСА СЕРИЙНЫЙ НОМЕР 14001 И ВЫШЕ

СХЕМА ГИДРОСТАТИЧЕСКОГО НАСОСА СЕРИЙНЫЙ НОМЕР 14001 И ВЫШЕ

1Артикул: CAP, CAP NLA - Pack of 12 - Was 1779011B - A
2Артикул: 6577785, CAP breather - Qty. of 1
3Артикул: 713133, SNAP RING
Подробнее >
ГИДРОСТАТИЧЕСКИЙ ДВИГАТЕЛЬ MAE 24012, MAE 24021 И MAE 24024 СЕРИЙНЫЙ НОМЕР 13999 И НИЖЕ

ГИДРОСТАТИЧЕСКИЙ ДВИГАТЕЛЬ MAE 24012, MAE 24021 И MAE 24024 СЕРИЙНЫЙ НОМЕР 13999 И НИЖЕ

1Артикул: MOTOR, MOTOR See BTI155 See BTI287 NLA
2Артикул: 6512296, PLATE
3Артикул: ROTOR, ROTOR NLA - Was 6512297 - A
Подробнее >
НАСОС С КРЫЛЬЧАТКОЙ

НАСОС С КРЫЛЬЧАТКОЙ

1Артикул: 6512594, PUMP Ref. 2 - 13
2Артикул: 17C648, BOLT 5
3Артикул: COVER, COVER NLA
Подробнее >
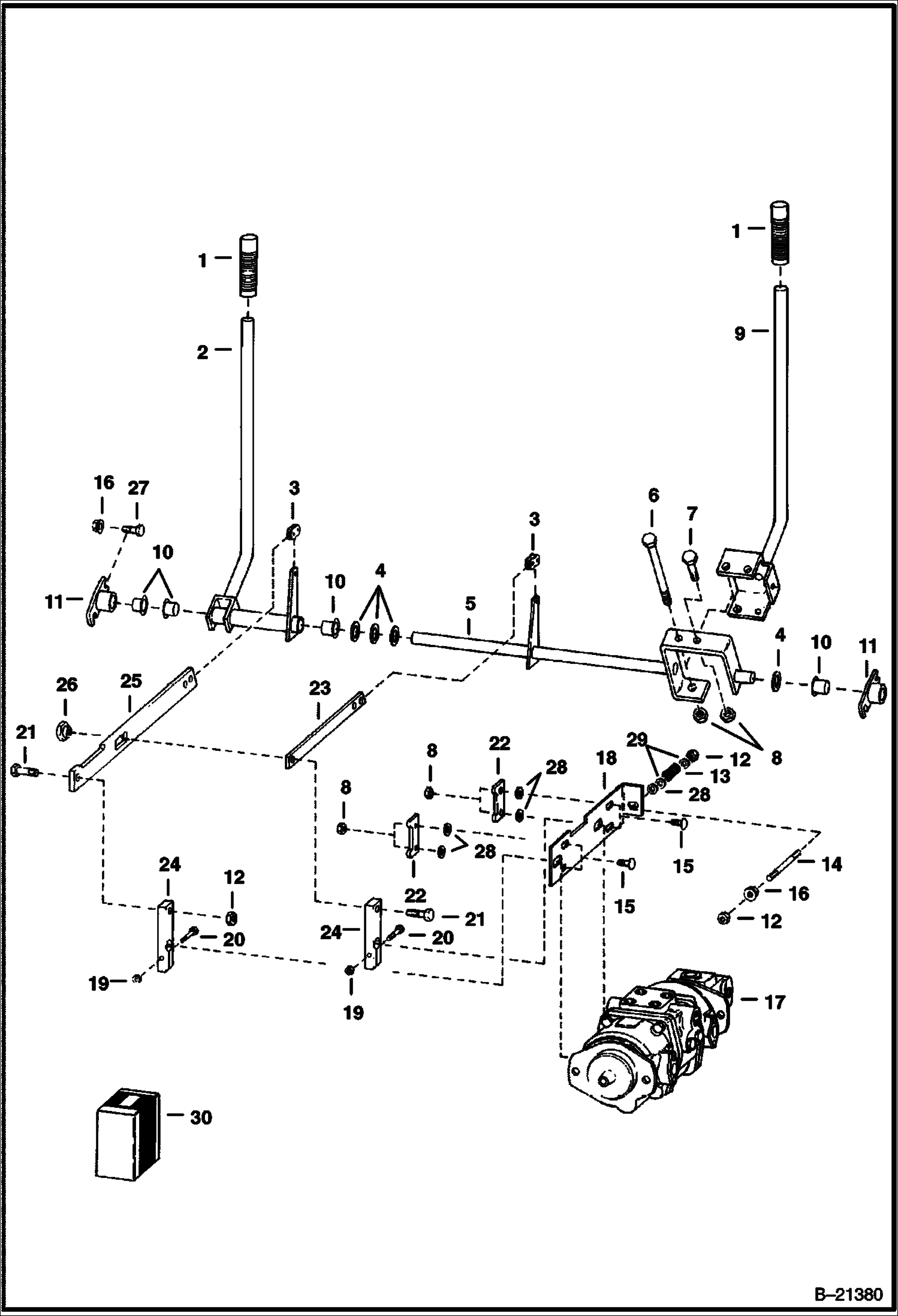
УСТРОЙСТВА РУЧНОГО УПРАВЛЕНИЯ СЕРИЙНЫЙ НОМЕР 11785 И ВЫШЕ

УСТРОЙСТВА РУЧНОГО УПРАВЛЕНИЯ СЕРИЙНЫЙ НОМЕР 11785 И ВЫШЕ

1Артикул: 17C612, BOLT 5
2Артикул: 6558736, FLANGE
3Артикул: 6512027, BUSHING
Подробнее >
СХЕМА ГИДРОСТАТИЧЕСКОГО ДВИГАТЕЛЯ СЕРИЙНЫЙ НОМЕР 14001 И ВЫШЕ

СХЕМА ГИДРОСТАТИЧЕСКОГО ДВИГАТЕЛЯ СЕРИЙНЫЙ НОМЕР 14001 И ВЫШЕ

1Артикул: 6557647, HOSE
2Артикул: 730963, CONNECTR W/Ref. 18
3Артикул: 17K5, ELBOW W/Ref. 19
Подробнее >
СХЕМА ГИДРОСТАТИЧЕСКОГО НАСОСА СЕРИЙНЫЙ НОМЕР 13999 И НИЖЕ

СХЕМА ГИДРОСТАТИЧЕСКОГО НАСОСА СЕРИЙНЫЙ НОМЕР 13999 И НИЖЕ

1Артикул: CAP, CAP NLA - Pack of 12 - Was 1779011B - A
2Артикул: 6577785, CAP breather - Qty. of 1
3Артикул: 713133, SNAP RING
Подробнее >
ГИДРОСТАТИЧЕСКИЙ ДВИГАТЕЛЬ MAE 24032 И MAE 24033

ГИДРОСТАТИЧЕСКИЙ ДВИГАТЕЛЬ MAE 24032 И MAE 24033

1Артикул: MOTOR, MOTOR See BTI155 See BTI287 NLA - hydrostatic - MAE 24032
2Артикул: MOTOR, MOTOR See BTI287 NLA - MAE 24033 - Was 6562006 - A
3Артикул: 6512296, PLATE
Подробнее >
УСТРОЙСТВА РУЧНОГО УПРАВЛЕНИЯ СЕРИЙНЫЙ НОМЕР 11784 И НИЖЕ

УСТРОЙСТВА РУЧНОГО УПРАВЛЕНИЯ СЕРИЙНЫЙ НОМЕР 11784 И НИЖЕ

1Артикул: 6513963, GRIP
2Артикул: 6553062, HANDLE L.H.
3Артикул: 6515186, CONNECTOR
Подробнее >