+7 (701) 588 50 05 Телефон для связи
RU

WhatsApp

Позвонить

ГИДРОСТАТИЧЕСКАЯ СИСТЕМА в Алматы

ГИДРОСТАТИЧЕСКИЙ НАСОС

ГИДРОСТАТИЧЕСКИЙ НАСОС

1Артикул: 6598726, PUMP New - Ref. 2-11 - Splined Front Shaft - 7816-LAA
2Артикул: PUMP,, PUMP, HYD COMPLETE NLA - Splined Shaft - Was 6630495REM - A
3Артикул: 6630021, PUMP See Illustration HYDROSTATIC PUMP/ B17952 NEW - SPLINED SHAFT
Подробнее >
ГИДРОСТАТИЧЕСКИЙ НАСОС (ТОРЕЦ ШЕСТЕРЕННОГО НАСОСА)

ГИДРОСТАТИЧЕСКИЙ НАСОС (ТОРЕЦ ШЕСТЕРЕННОГО НАСОСА)

1Артикул: PUMP, PUMP NLA - New - 70145-LAB - Order 6668005 - Was 6630022 - A
2Артикул: 6668005, PUMP New - 70145-LBD
3Артикул: PUMP, PUMP NLA - remanufactured - 70145-LAB - Order 6668005 - Was 6630497 - A
Подробнее >
СХЕМА ГИДРОСТАТИЧЕСКОЙ СИСТЕМЫ

СХЕМА ГИДРОСТАТИЧЕСКОЙ СИСТЕМЫ

1Артикул: 6564006, TANK
2Артикул: 19K3, FITTING
3Артикул: 6530858, HOSE Was 6565085 - A
Подробнее >
ГИДРОСТАТИЧЕСКИЙ ДВИГАТЕЛЬ (105-1102-006) (СЕРИЙНЫЙ НОМЕР 11712 И ВЫШЕ)

ГИДРОСТАТИЧЕСКИЙ ДВИГАТЕЛЬ (105-1102-006) (СЕРИЙНЫЙ НОМЕР 11712 И ВЫШЕ)

1Артикул: 6632177, MOTOR, DRIVE HYD
2Артикул: MOTOR, MOTOR NLA - Remanufactured - Order 6632177 - Was 6630506 - A
3Артикул: 1992084, DR VALVE
Подробнее >
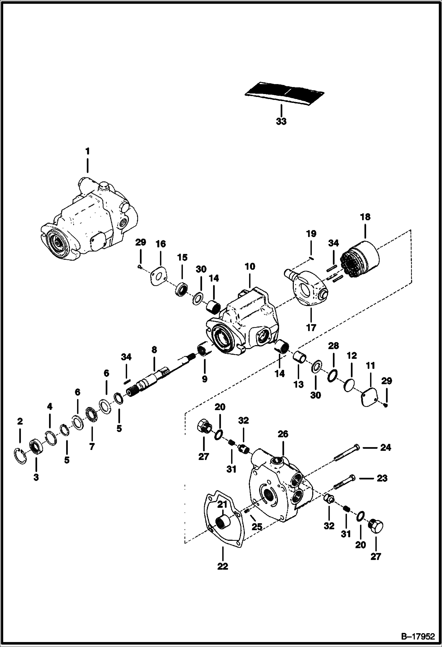
ГИДРОСТАТИЧЕСКИЙ НАСОС (ТОРЕЦ ВАЛА)

ГИДРОСТАТИЧЕСКИЙ НАСОС (ТОРЕЦ ВАЛА)

1Артикул: 6630021, PUMP New - Splined Shaft
2Артикул: PUMP, PUMP NLA - remanufactured - Splined Shaft - Order 6630021 - Was 6630496 - A
3Артикул: 661415, SNAP RING
Подробнее >
ОРГАНЫ РУЧНОГО УПРАВЛЕНИЯ

ОРГАНЫ РУЧНОГО УПРАВЛЕНИЯ

1Артикул: 35C612, BOLT Was 31C000612B - A
2Артикул: 6558736, FLANGE
3Артикул: 6512027, BUSHING
Подробнее >
ГИДРОСТАТИЧЕСКИЙ ДВИГАТЕЛЬ (105-1102-005) (СЕРИЙНЫЙ НОМЕР 11711 И НИЖЕ)

ГИДРОСТАТИЧЕСКИЙ ДВИГАТЕЛЬ (105-1102-005) (СЕРИЙНЫЙ НОМЕР 11711 И НИЖЕ)

1Артикул: MOTOR, MOTOR See Illustration HYDROSTATIC MOTOR/ D1635 NLA - Order 6632177 or 6630506 motor also for L.H. Motor order (1) 6529344 Hose & (1)17K-3 Elbow - for R.H. Motor order (1) 17K-3 Elbow
2Артикул: 1992084, DR VALVE
3Артикул: SEAL, SEAL NSS
Подробнее >
ШЕСТЕРЕННЫЙ НАСОС

ШЕСТЕРЕННЫЙ НАСОС

1Артикул: PUMP, PUMP NLA - Order 7003484 pump, 7172914 bracket, 6515817 washer & 6660339 gasket - Was 7001434 - B,D
2Артикул: 7003484, PUMP, GEAR Also Order 7172914 bracket, 6515817 washer & 6660339 gasket - no seal kit available for this gear pump
3Артикул: 6598933, PLATE
Подробнее >