+7 (701) 588 50 05 Телефон для связи
RU

WhatsApp

Позвонить

ГИДРОСТАТИЧЕСКАЯ СИСТЕМА в Алматы

УСТРОЙСТВА РУЧНОГО УПРАВЛЕНИЯ (СЕРИЙНЫЙ НОМЕР 13001 ЧЕРЕЗ 20750)

УСТРОЙСТВА РУЧНОГО УПРАВЛЕНИЯ (СЕРИЙНЫЙ НОМЕР 13001 ЧЕРЕЗ 20750)

1Артикул: 17C612, BOLT 5
2Артикул: 6558736, FLANGE
3Артикул: 6512027, BUSHING
Подробнее >
СХЕМА ГИДРОСТАТИЧЕСКОЙ СИСТЕМЫ (СЕРИЙНЫЙ НОМЕР 12999 И НИЖЕ)

СХЕМА ГИДРОСТАТИЧЕСКОЙ СИСТЕМЫ (СЕРИЙНЫЙ НОМЕР 12999 И НИЖЕ)

1Артикул: TUBE, TUBE NLA - Was 6561333 - A
2Артикул: MOTOR, MOTOR See Illustration HYDROSTATIC MOTOR/ D1650 See Illustration HYDROSTATIC MOTOR/ B17678 HYDRO.
3Артикул: 15K7, FITTING W/Ref. 14
Подробнее >
УСТРОЙСТВА РУЧНОГО УПРАВЛЕНИЯ (СЕРИЙНЫЙ НОМЕР 20751 И ВЫШЕ)

УСТРОЙСТВА РУЧНОГО УПРАВЛЕНИЯ (СЕРИЙНЫЙ НОМЕР 20751 И ВЫШЕ)

1Артикул: 17C612, BOLT 5
2Артикул: 6558736, FLANGE
3Артикул: 6512027, BUSHING
Подробнее >
ШЕСТЕРЕННЫЙ НАСОС (W9A1S012)

ШЕСТЕРЕННЫЙ НАСОС (W9A1S012)

1Артикул: 6662894, GEAR PUMP See Illustration GEAR PUMP KIT/ C3177 FOR GEAR PUMP KIT
2Артикул: 6662925, SNAP RING
3Артикул: 6662926, SEAL
Подробнее >
ГИДРОСТАТИЧЕСКИЙ ДВИГАТЕЛЬ (МОДЕЛЬ ДВИГАТЕЛЯ 109-1052-005 И НИЖЕ)

ГИДРОСТАТИЧЕСКИЙ ДВИГАТЕЛЬ (МОДЕЛЬ ДВИГАТЕЛЯ 109-1052-005 И НИЖЕ)

1Артикул: MOTOR, MOTOR NLA - new - Order 6599718
2Артикул: MOTOR, MOTOR NLA - remanufactured - Order 6630245
3Артикул: 6513506, DRIVE
Подробнее >
ГИДРОСТАТИЧЕСКИЙ ДВИГАТЕЛЬ (ПАЗОВЫЙ ВАЛ) (СЕРИЙНЫЙ НОМЕР 13346 И ВЫШЕ)

ГИДРОСТАТИЧЕСКИЙ ДВИГАТЕЛЬ (ПАЗОВЫЙ ВАЛ) (СЕРИЙНЫЙ НОМЕР 13346 И ВЫШЕ)

1Артикул: 6630037, MOTOR, DRIVE HYD New
2Артикул: 6630507REM, MOTOR, REMAN HYD remanufactured - Was 6630507 - A
3Артикул: 6513506, DRIVE
Подробнее >
ШЕСТЕРЕННЫЙ НАСОС

ШЕСТЕРЕННЫЙ НАСОС

1Артикул: GEAR, GEAR PUMP See Illustration GEAR PUMP KIT/ C3177 NLA - for gear pump kit see Ill. C3177 - Order 6662894 & 6705891 hose - Was 6648323 - A
2Артикул: SEAL, SEAL KIT NLA - For 858021 Gear Pump - Was 6652881 - A
3Артикул: 6510584, WASHER
Подробнее >
ГИДРОСТАТИЧЕСКИЙ ДВИГАТЕЛЬ (МОДЕЛЬ ДВИГАТЕЛЯ 109-1052-006 И ВЫШЕ) (КОНИЧЕСКИЙ ВАЛ)

ГИДРОСТАТИЧЕСКИЙ ДВИГАТЕЛЬ (МОДЕЛЬ ДВИГАТЕЛЯ 109-1052-006 И ВЫШЕ) (КОНИЧЕСКИЙ ВАЛ)

1Артикул: 6599718, MOTOR, DRIVE HYD New
2Артикул: 6630245REM, MOTOR, REMAN HYD remanufactured - Was 6630245 - A
3Артикул: 6513506, DRIVE
Подробнее >
УСТРОЙСТВА РУЧНОГО УПРАВЛЕНИЯ (СЕРИЙНЫЙ НОМЕР 12999 И НИЖЕ)

УСТРОЙСТВА РУЧНОГО УПРАВЛЕНИЯ (СЕРИЙНЫЙ НОМЕР 12999 И НИЖЕ)

1Артикул: 17C612, BOLT 5
2Артикул: 6558736, FLANGE
3Артикул: 6512027, BUSHING
Подробнее >
ГИДРОСТАТИЧЕСКИЙ НАСОС

ГИДРОСТАТИЧЕСКИЙ НАСОС

1Артикул: PUMP, PUMP See BTI154 NLA
2Артикул: PUMP, PUMP NLA - New - Order 6648981 - Vickers 451808 - Was 6630101 - A
3Артикул: PUMP, PUMP NLA - New - Vickers 567685 - Was 6648981 - A
Подробнее >
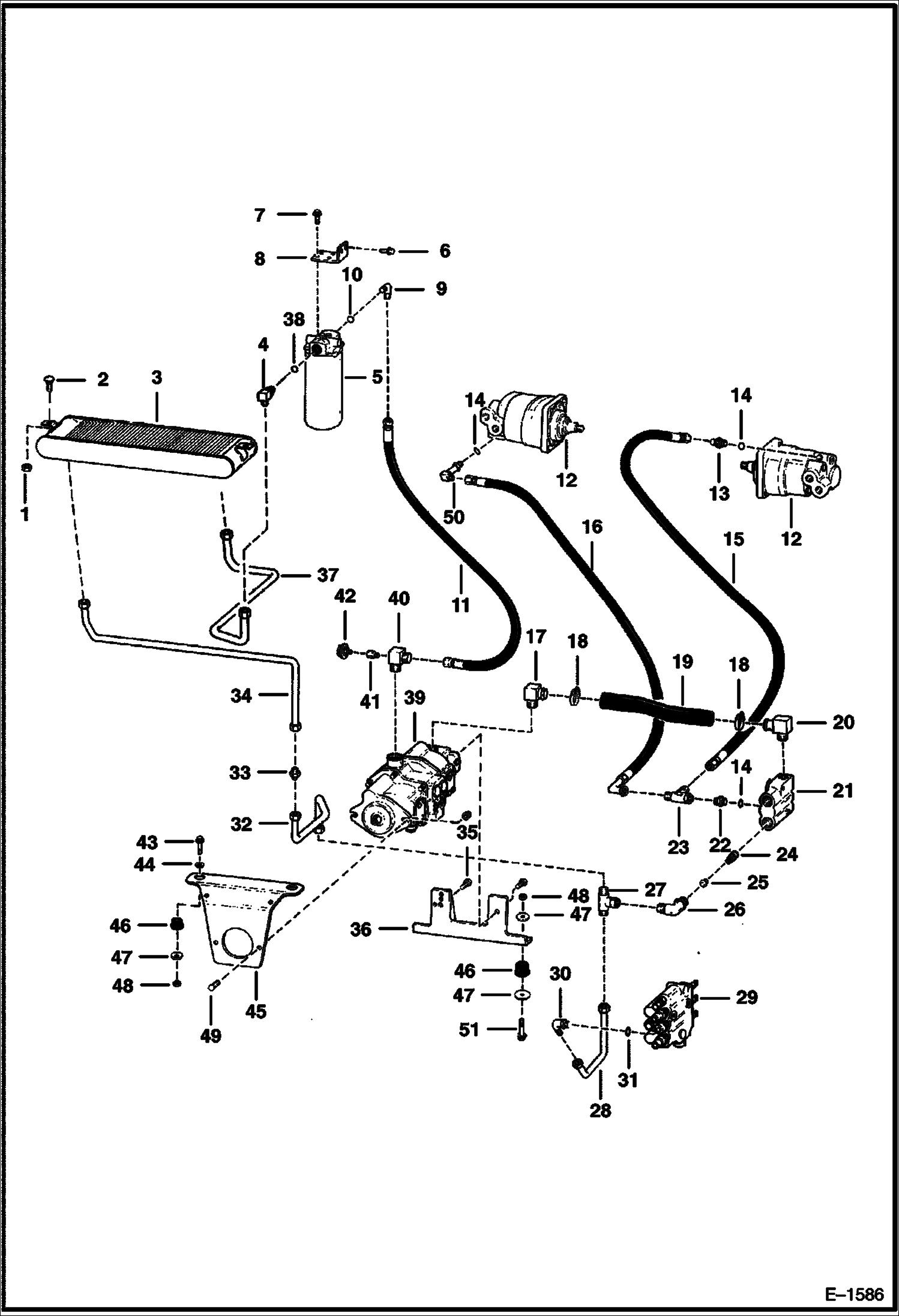
СХЕМА ГИДРОСТАТИЧЕСКОЙ СИСТЕМЫ (СЕРИЙНЫЙ НОМЕР 13524 И ВЫШЕ)

СХЕМА ГИДРОСТАТИЧЕСКОЙ СИСТЕМЫ (СЕРИЙНЫЙ НОМЕР 13524 И ВЫШЕ)

1Артикул: 85D6, NUT, 5
2Артикул: 37C616, BOLT Was 35C000616B - B
3Артикул: 6560954, OIL COOLER
Подробнее >
НАСОС С КРЫЛЬЧАТКОЙ

НАСОС С КРЫЛЬЧАТКОЙ

1Артикул: PUMP, PUMP NLA - Vickers 426757 - For Gear Pump kit see Ill. C3177 - Order 6648982 - WAS 6512950 - A
2Артикул: 6648982, PUMP Vickers 503193-2
3Артикул: 17C648, BOLT 5
Подробнее >
СХЕМА ГИДРОСТАТИЧЕСКОЙ СИСТЕМЫ (СЕРИЙНЫЙ НОМЕР 13001 ЧЕРЕЗ 13523)

СХЕМА ГИДРОСТАТИЧЕСКОЙ СИСТЕМЫ (СЕРИЙНЫЙ НОМЕР 13001 ЧЕРЕЗ 13523)

1Артикул: TUBE, TUBE NLA - Was 6561333 - A
2Артикул: MOTOR, MOTOR See Illustration HYDROSTATIC MOTOR/ B17678 See Illustration HYDROSTATIC MOTOR/ D1678 See Illustration HYDROSTATIC MOTOR/ D1650 HYDRO.
3Артикул: 15K7, FITTING W/Ref. 14
Подробнее >
ФИЛЬТР ГИДРОСТАТИЧЕСКОГО МАСЛА (СЕРИЙНЫЙ НОМЕР 13524 И ВЫШЕ)

ФИЛЬТР ГИДРОСТАТИЧЕСКОГО МАСЛА (СЕРИЙНЫЙ НОМЕР 13524 И ВЫШЕ)

1Артикул: FILTER, FILTER ASSY. NLA - Ref. 2-5 - W/25 PSI Bypass & Switch - When replacing the 25 PSI by-pass filter assy. with the 50 PSI by-pass filter assy. Metal stamp the 50 PSI filter head to read 50 PSI so when ordering the by-pass or switch this will avoid confusion
2Артикул: 6631706, FILTER ASSY. W/50 PSI Bypass & Switch - Ref. 2-5
3Артикул: 6599364, SWITCH pressure - Use W/25 PSI
Подробнее >