+7 (701) 588 50 05 Телефон для связи
RU

WhatsApp

Позвонить

ГИДРОСТАТИЧЕСКАЯ СИСТЕМА в Алматы

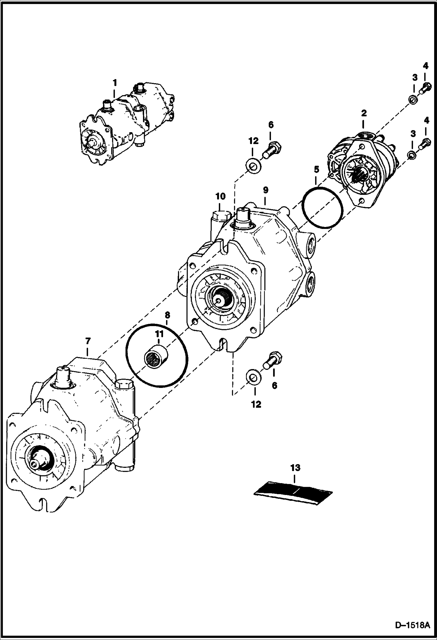
ГИДРОСТАТИЧЕСКИЙ НАСОС (ЗАДНИЙ)

ГИДРОСТАТИЧЕСКИЙ НАСОС (ЗАДНИЙ)

1Артикул: 6513976, PUMP, HYD REAR rear - New - 70543-RAA
2Артикул: PUMP, PUMP NLA - 70543-RAA - Was 6599512REM - A
3Артикул: 6646798, PUMP, HYD FRONT New - 70543-RAK
Подробнее >
СХЕМА ГИДРОСТАТИЧЕСКОЙ СИСТЕМЫ (СЕРИЙНЫЙ НОМЕР 503724001 ЧЕРЕЗ 503725999)

СХЕМА ГИДРОСТАТИЧЕСКОЙ СИСТЕМЫ (СЕРИЙНЫЙ НОМЕР 503724001 ЧЕРЕЗ 503725999)

1Артикул: 6568967, HOSE
2Артикул: 15K7, FITTING W/Ref. 3
3Артикул: 79K10, O RING 10
Подробнее >
ГИДРОСТАТИЧЕСКИЙ НАСОС (ФРОНТАЛЬНЫЕ) (СЕРИЙНЫЙ НОМЕР 503734222-503749999)

ГИДРОСТАТИЧЕСКИЙ НАСОС (ФРОНТАЛЬНЫЕ) (СЕРИЙНЫЙ НОМЕР 503734222-503749999)

1Артикул: PUMP, PUMP NLA - front - 70543 RAN - Was 6651973 - A
2Артикул: 952149, SNAP RING
3Артикул: 6513981, SPACER
Подробнее >
ГИДРОСТАТИЧЕСКИЙ ДВИГАТЕЛЬ

ГИДРОСТАТИЧЕСКИЙ ДВИГАТЕЛЬ

1Артикул: 6567926, MOTOR KIT kit - New
2Артикул: 6567927, MOTOR KIT kit - Remanufactured
3Артикул: 6513528, FLANGE mounting
Подробнее >
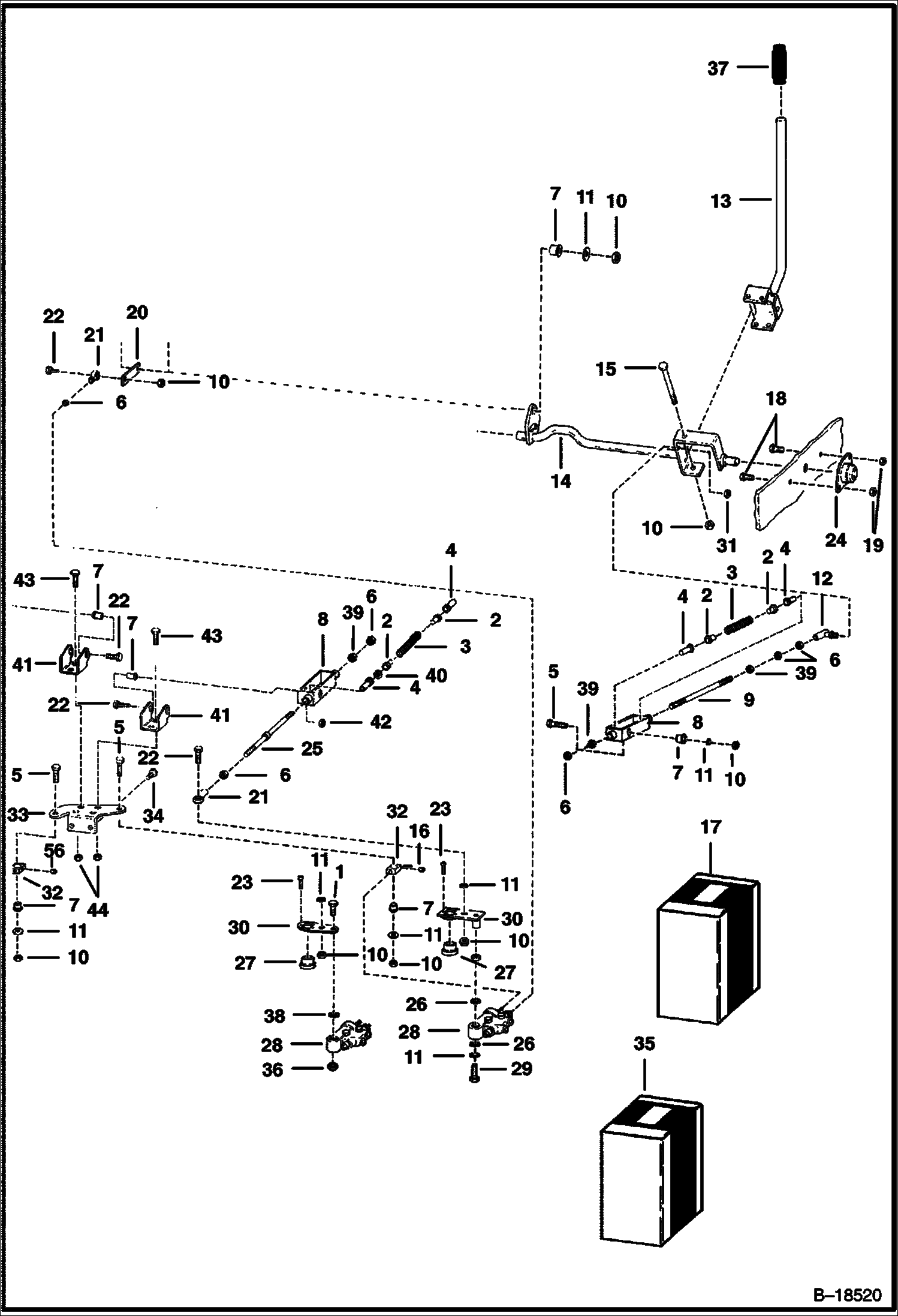
УСТРОЙСТВА РУЧНОГО УПРАВЛЕНИЯ (СЕРИЙНЫЙ НОМЕР 503724001-503725999 И 503734222-503749999)

УСТРОЙСТВА РУЧНОГО УПРАВЛЕНИЯ (СЕРИЙНЫЙ НОМЕР 503724001-503725999 И 503734222-503749999)

1Артикул: 35C612, BOLT
2Артикул: 6558736, FLANGE
3Артикул: 6512027, BUSHING
Подробнее >
ГИДРОСТАТИЧЕСКИЙ НАСОС (СЕРИЙНЫЙ НОМЕР 503724001-503734221 И 503750000-503759999) (СЕРИЙНЫЙ НОМЕР 503785001 И ВЫШЕ, 503790001-503795000, 503795001 И ВЫШЕ)

ГИДРОСТАТИЧЕСКИЙ НАСОС (СЕРИЙНЫЙ НОМЕР 503724001-503734221 И 503750000-503759999) (СЕРИЙНЫЙ НОМЕР 503785001 И ВЫШЕ, 503790001-503795000, 503795001 И ВЫШЕ)

1Артикул: PUMP,, PUMP, HYD TANDEM NLA - 78552-RAF - Was 6631702 - A
2Артикул: PUMP, PUMP NLA - 78552 RAF - Was 6632262REM - A
3Артикул: 6646382, PUMP 78552-RAH
Подробнее >
ФИЛЬТР ГИДРОСТАТИЧЕСКОГО МАСЛА

ФИЛЬТР ГИДРОСТАТИЧЕСКОГО МАСЛА

1Артикул: 6631706, FILTER ASSY. Ref. 2-5
2Артикул: 6632053, SWITCH pressure
3Артикул: 6599365, KIT nuts, washers & O-Rings for switch
Подробнее >
СЕРВО (СЕРИЙНЫЙ НОМЕР 503726001 И ВЫШЕ)

СЕРВО (СЕРИЙНЫЙ НОМЕР 503726001 И ВЫШЕ)

1Артикул: 6631608, SERVO Ref. 2-18
2Артикул: PLUG, PLUG NLA - Was 2509193
3Артикул: 6598863, CAP
Подробнее >
ШЕСТЕРЕННЫЙ НАСОС (ДВОЙНОЙ)

ШЕСТЕРЕННЫЙ НАСОС (ДВОЙНОЙ)

1Артикул: 6698249, PUMP, GEAR 25386-RAM - Was 6632039 - A
2Артикул: 6698250, PUMP, GEAR 25386-RAU - Was 6651877 - A
3Артикул: 6630361, PLATE back - For 6632039 Pump
Подробнее >
УСТРОЙСТВА РУЧНОГО УПРАВЛЕНИЯ (ПРАВАЯ СТОРОНА) (СЕРИЙНЫЙ НОМЕР 503729870-503734222, 503750000-503759999 И 503785000 И ВЫШЕ)

УСТРОЙСТВА РУЧНОГО УПРАВЛЕНИЯ (ПРАВАЯ СТОРОНА) (СЕРИЙНЫЙ НОМЕР 503729870-503734222, 503750000-503759999 И 503785000 И ВЫШЕ)

1Артикул: 33G504, SET SCREW
2Артикул: 6579990, WASHER
3Артикул: SPRING, SPRING NLA - Order Ref. 6, 9, & 41
Подробнее >
СХЕМА ГИДРОСТАТИЧЕСКОЙ СИСТЕМЫ (СЕРИЙНЫЙ НОМЕР 503724001 ЧЕРЕЗ )

СХЕМА ГИДРОСТАТИЧЕСКОЙ СИСТЕМЫ (СЕРИЙНЫЙ НОМЕР 503724001 ЧЕРЕЗ )

1Артикул: 6559159, HOSE
2Артикул: 15K10, ADAPTOR W/Ref. 3
3Артикул: 79K16, O RING 10
Подробнее >
ГИДРОСТАТИЧЕСКИЙ НАСОС (ЗАДНИЙ) (СЕРИЙНЫЙ НОМЕР 503734222-503749999)

ГИДРОСТАТИЧЕСКИЙ НАСОС (ЗАДНИЙ) (СЕРИЙНЫЙ НОМЕР 503734222-503749999)

1Артикул: 6513976, PUMP, HYD REAR rear - New - 70543-RAA
2Артикул: PUMP, PUMP NLA - 70543-RAA - Was 6599512REM - A
3Артикул: 952149, SNAP RING
Подробнее >
УСТРОЙСТВА РУЧНОГО УПРАВЛЕНИЯ (ЛЕВАЯ СТОРОНА) (СЕРИЙНЫЙ НОМЕР 503729870-503734222, 503750000-503759999 И 503785000 И ВЫШЕ)

УСТРОЙСТВА РУЧНОГО УПРАВЛЕНИЯ (ЛЕВАЯ СТОРОНА) (СЕРИЙНЫЙ НОМЕР 503729870-503734222, 503750000-503759999 И 503785000 И ВЫШЕ)

1Артикул: 6569496, LEVER
2Артикул: 6579990, WASHER
3Артикул: SPRING, SPRING NLA - Order Ref. 3, 6, 9 & 41
Подробнее >
СХЕМА ГИДРОСТАТИЧЕСКОЙ СИСТЕМЫ (СЕРИЙНЫЙ НОМЕР 503726001 И ВЫШЕ)

СХЕМА ГИДРОСТАТИЧЕСКОЙ СИСТЕМЫ (СЕРИЙНЫЙ НОМЕР 503726001 И ВЫШЕ)

1Артикул: 6565619, BLOCK
2Артикул: 79K12, O RING 10
3Артикул: 6576670, ELBOW
Подробнее >
УСТРОЙСТВА РУЧНОГО УПРАВЛЕНИЯ (ПРАВАЯ СТОРОНА) (СЕРИЙНЫЙ НОМЕР 503726001-503729869)

УСТРОЙСТВА РУЧНОГО УПРАВЛЕНИЯ (ПРАВАЯ СТОРОНА) (СЕРИЙНЫЙ НОМЕР 503726001-503729869)

1Артикул: 17C1048, BOLT
2Артикул: 6579990, WASHER Was 6558429 - A
3Артикул: 6569181, SPRING Was 6577186 - A
Подробнее >
УСТРОЙСТВА РУЧНОГО УПРАВЛЕНИЯ (ЛЕВАЯ СТОРОНА) (СЕРИЙНЫЙ НОМЕР 503726001-503729869)

УСТРОЙСТВА РУЧНОГО УПРАВЛЕНИЯ (ЛЕВАЯ СТОРОНА) (СЕРИЙНЫЙ НОМЕР 503726001-503729869)

1Артикул: 6569496, LEVER
2Артикул: 6579990, WASHER Was 6558429 - A
3Артикул: 6569181, SPRING Was 6577186 - A
Подробнее >
СХЕМА ГИДРОСТАТИЧЕСКОЙ СИСТЕМЫ (СЕРИЙНЫЙ НОМЕР 503734222 - )

СХЕМА ГИДРОСТАТИЧЕСКОЙ СИСТЕМЫ (СЕРИЙНЫЙ НОМЕР 503734222 - )

1Артикул: 6658098, HOSE
2Артикул: 15K10, ADAPTOR W/Ref. 3
3Артикул: 79K16, O RING 10
Подробнее >
ГИДРОСТАТИЧЕСКИЙ НАСОС (СЕРИЙНЫЙ НОМЕР 503734222-503749999)

ГИДРОСТАТИЧЕСКИЙ НАСОС (СЕРИЙНЫЙ НОМЕР 503734222-503749999)

1Артикул: PUMP,, PUMP, HYD TANDEM NLA - 78552-RAM - Was 6657718 - A
2Артикул: PUMP, PUMP See Illustration GEAR PUMP/ B18526 gear
3Артикул: 6510584, WASHER
Подробнее >
ГИДРОСТАТИЧЕСКИЙ НАСОС (ПЕРЕДНИЙ)

ГИДРОСТАТИЧЕСКИЙ НАСОС (ПЕРЕДНИЙ)

1Артикул: PUMP,, PUMP, HYD FRONT NLA - front - New - 70543-RAG - Was 6631910 - A
2Артикул: PUMP, PUMP NLA - 70543-RAG - Was 6632261REM - A
3Артикул: PUMP,, PUMP, HYD REAR NLA - 70543-RAL - Was 6659948REM - A
Подробнее >