+7 (701) 588 50 05 Телефон для связи
RU

WhatsApp

Позвонить

ХОДОВАЯ СИСТЕМА в Алматы

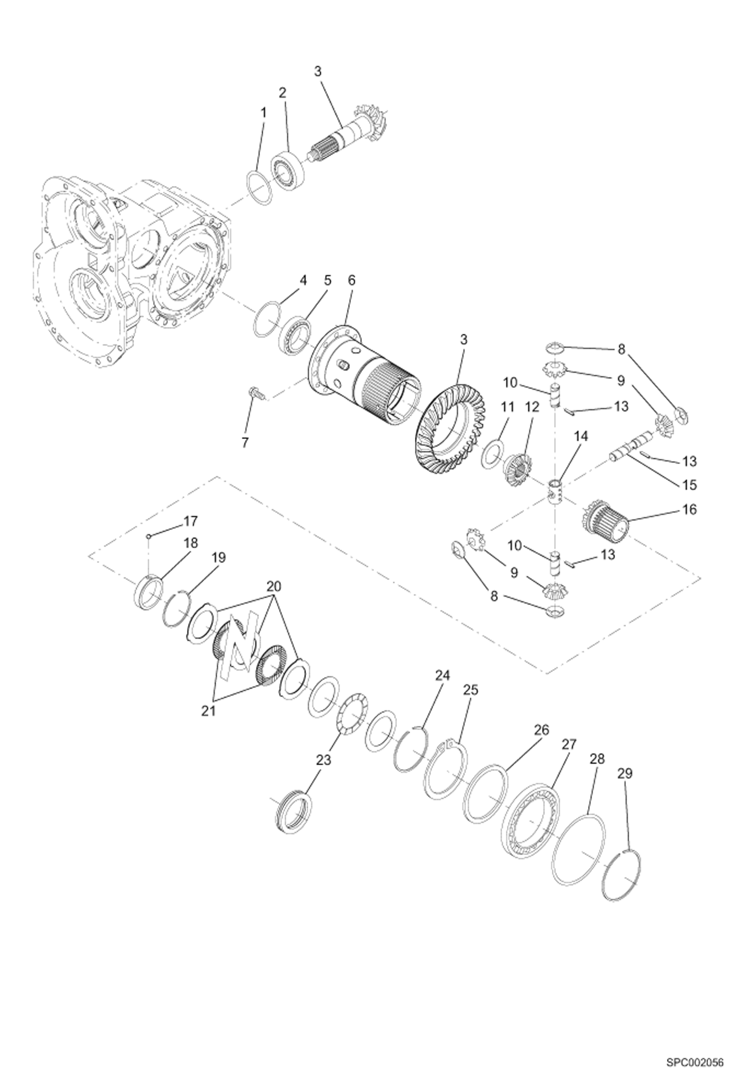
ДИФФЕРЕНЦИАЛ - ПЕРЕДНИЙ МОСТ (СЕРИЙНЫЙ НОМЕР 364612501 И ВЫШЕ, 364712501 И ВЫШЕ)

ДИФФЕРЕНЦИАЛ - ПЕРЕДНИЙ МОСТ (СЕРИЙНЫЙ НОМЕР 364612501 И ВЫШЕ, 364712501 И ВЫШЕ)

1Артикул: 6912638, SHIM 0,10 mm
2Артикул: 6912643, SHIM 0,15 mm
3Артикул: 6912644, SHIM 0,20 mm
Подробнее >
ДИФФЕРЕНЦИАЛ - ПЕРЕДНИЙ МОСТ (СЕРИЙНЫЙ НОМЕР 364612001 - 364612500, 364712001 - 364712500)

ДИФФЕРЕНЦИАЛ - ПЕРЕДНИЙ МОСТ (СЕРИЙНЫЙ НОМЕР 364612001 - 364612500, 364712001 - 364712500)

1Артикул: 6912639, SHIM 0,10 mm
2Артикул: 6912640, SHIM 0,15 mm
3Артикул: 6912641, SHIM 0,20 mm
Подробнее >
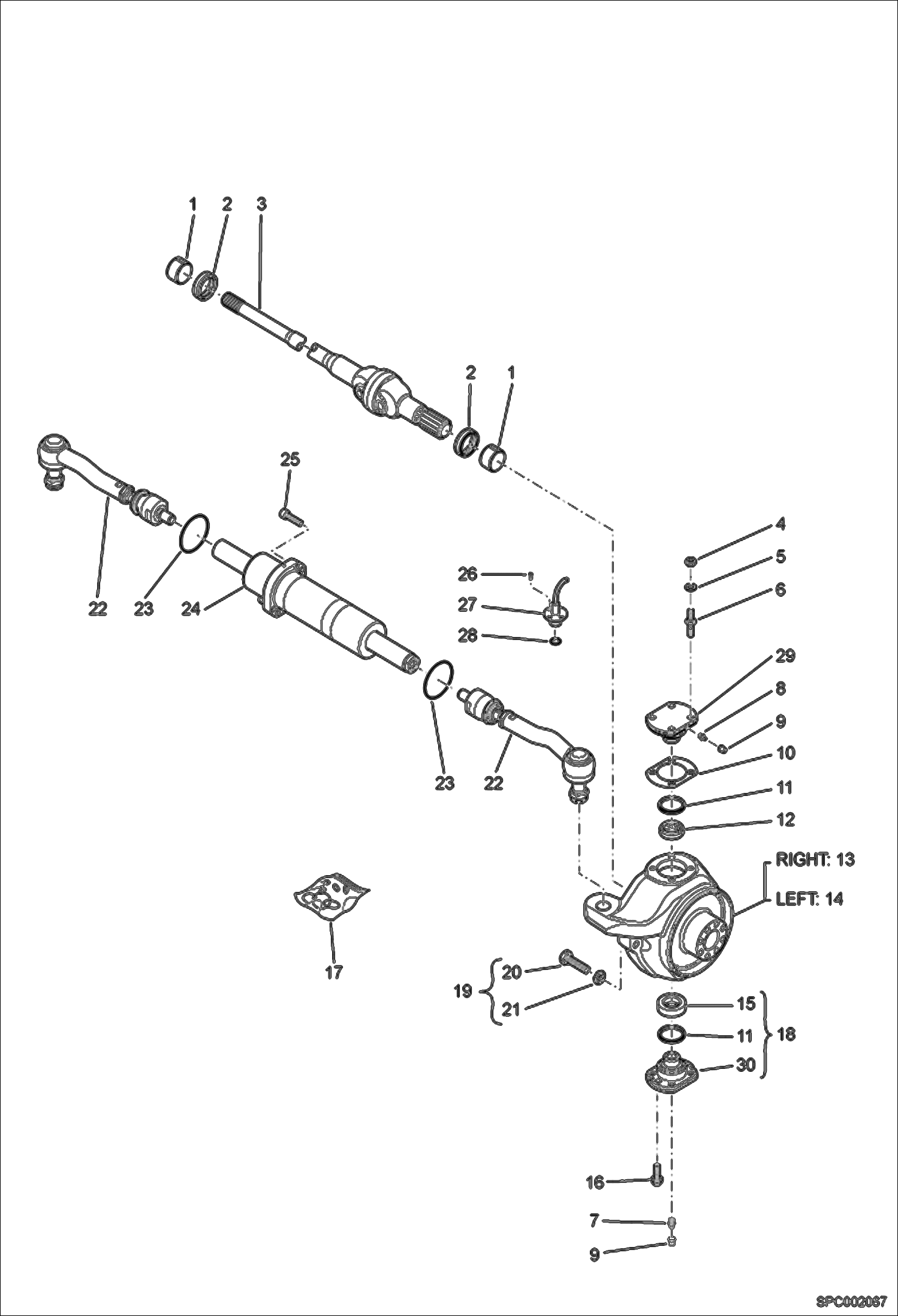
РУЛЕВОЕ УПРАВЛЕНИЕ - ПЕРЕДНИЙ МОСТ (СЕРИЙНЫЙ НОМЕР 364612501 И ВЫШЕ, 364712501 И ВЫШЕ)

РУЛЕВОЕ УПРАВЛЕНИЕ - ПЕРЕДНИЙ МОСТ (СЕРИЙНЫЙ НОМЕР 364612501 И ВЫШЕ, 364712501 И ВЫШЕ)

1Артикул: 6912679, BUSH
2Артикул: 6912708, SEAL
3Артикул: 7011980, DOUBLE UNIVERSAL JOINT Was 6912701 - B
Подробнее >
ТОРМОЗА - ПЕРЕДНИЙ МОСТ (СЕРИЙНЫЙ НОМЕР 364612501 И ВЫШЕ, 364712501 И ВЫШЕ)

ТОРМОЗА - ПЕРЕДНИЙ МОСТ (СЕРИЙНЫЙ НОМЕР 364612501 И ВЫШЕ, 364712501 И ВЫШЕ)

1Артикул: 6912140, BRAKE DISC
2Артикул: 6912675, BRAKE DISC intermediate
3Артикул: 6912142, REDUCER TUBE
Подробнее >
КОРПУС - ЗАДНИЙ МОСТ

КОРПУС - ЗАДНИЙ МОСТ

1Артикул: 6912714, O-RING Was 6912174 - D
2Артикул: 7010887, VENT
3Артикул: 7011134, CASE, AXLE W/Ref. 4 - Was 6912758 - A
Подробнее >
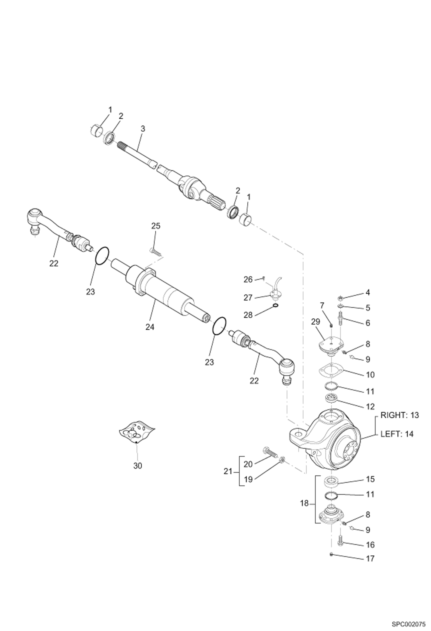
РУЛЕВОЕ УПРАВЛЕНИЕ - ПЕРЕДНИЙ МОСТ (СЕРИЙНЫЙ НОМЕР 364612001 - 364612500, 364712001 - 364712500)

РУЛЕВОЕ УПРАВЛЕНИЕ - ПЕРЕДНИЙ МОСТ (СЕРИЙНЫЙ НОМЕР 364612001 - 364612500, 364712001 - 364712500)

1Артикул: 6912679, BUSH
2Артикул: 6912708, SEAL
3Артикул: 6912701, JOINT
Подробнее >
РУЛЕВОЕ УПРАВЛЕНИЕ - ЗАДНИЯ ОСЬ

РУЛЕВОЕ УПРАВЛЕНИЕ - ЗАДНИЯ ОСЬ

1Артикул: 6912679, BUSH
2Артикул: 6912708, SEAL
3Артикул: 6912701, JOINT Was 6921022 - B,D
Подробнее >
ТОРМОЗА - ПЕРЕДНИЙ МОСТ (СЕРИЙНЫЙ НОМЕР 364612001 - 364612500, 364712001 - 364712500)

ТОРМОЗА - ПЕРЕДНИЙ МОСТ (СЕРИЙНЫЙ НОМЕР 364612001 - 364612500, 364712001 - 364712500)

1Артикул: 6912677, BRAKE DISC
2Артикул: 6912675, BRAKE DISC intermediate
3Артикул: 6912678, BUSH
Подробнее >