+7 (701) 588 50 05 Телефон для связи
RU

WhatsApp

Позвонить

ХОДОВАЯ СИСТЕМА в Алматы

ЗАДНЯЯ РУЛЕВАЯ ТЯГА И ЦИЛИНДР

ЗАДНЯЯ РУЛЕВАЯ ТЯГА И ЦИЛИНДР

1Артикул: 7014375, BOLT, CYLINDER
2Артикул: SENSOR, SENSOR NSS - optional
3Артикул: 7014424, SCREW optional
Подробнее >
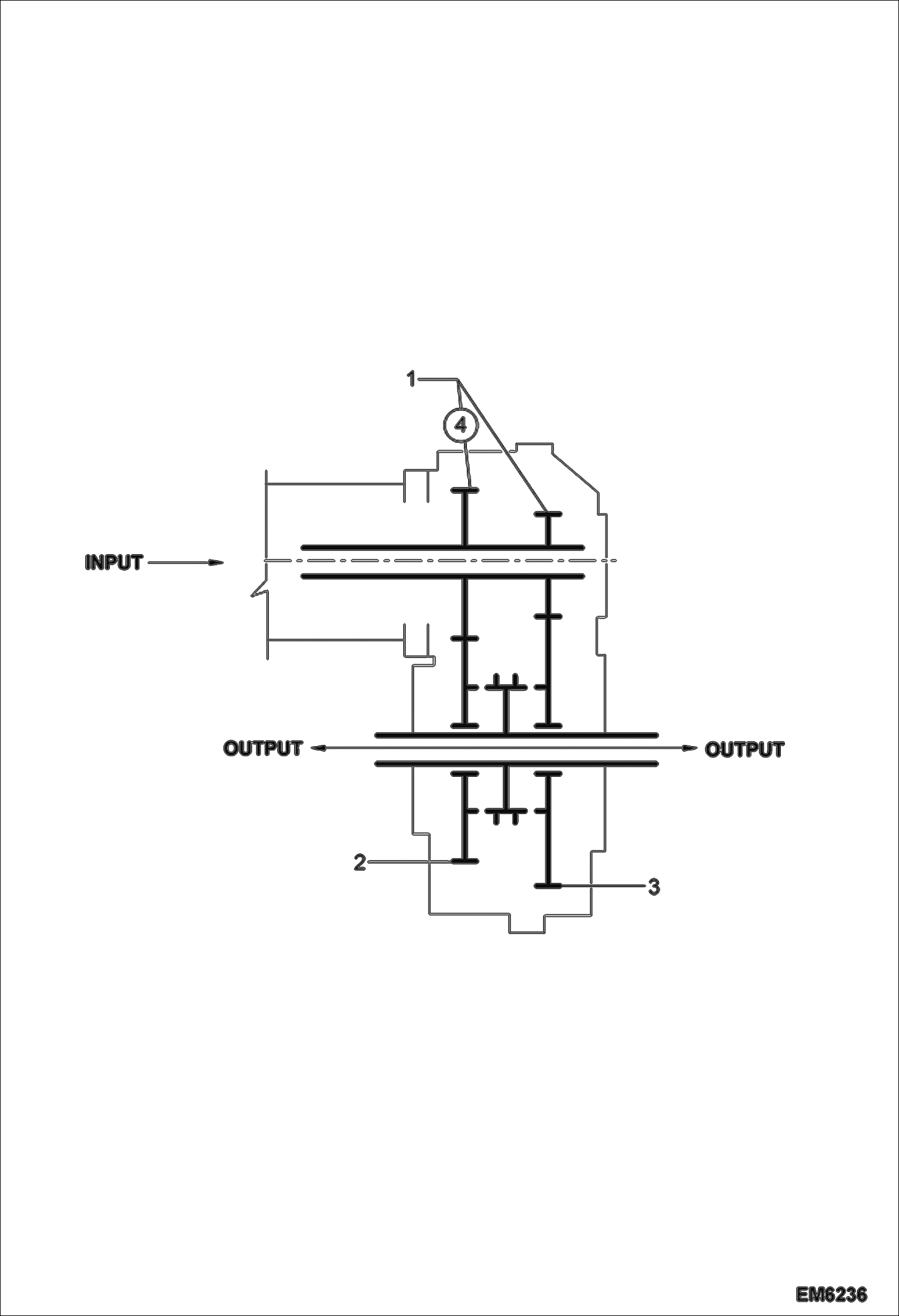
ПЕРЕДАЧИ

ПЕРЕДАЧИ

1Артикул: 7014502, SHAFT, INPUT
2Артикул: 7014488, GEAR
3Артикул: 7022290, GEAR Was 7014487 - A
Подробнее >
ЗАДНИЕ ДИСКОВЫЕ ТОРМОЗА

ЗАДНИЕ ДИСКОВЫЕ ТОРМОЗА

1Артикул: 6912838, SPACER Was 7014452 - B
2Артикул: 6912866, SPRING Was 7014427 - B
3Артикул: 6912857, PISTON Was 7014445 - B
Подробнее >
УСТАНОВКА ДИФФЕРЕНЦИАЛА ПЕРЕДНЕГО МОСТА

УСТАНОВКА ДИФФЕРЕНЦИАЛА ПЕРЕДНЕГО МОСТА

1Артикул: 6912715, O-RING Was 7014309 - B
2Артикул: 7024215, COVER Was 6912813 - A
3Артикул: 7017793, HOUSING Was 7014429 - C
Подробнее >
ПОНИЖЕННАЯ ПЕРЕДАЧА С ДВУМЯ СКОРОСТЯМИ И РАСПРЕДЕЛИТЕЛЬНОЕ УСТРОЙСТВО

ПОНИЖЕННАЯ ПЕРЕДАЧА С ДВУМЯ СКОРОСТЯМИ И РАСПРЕДЕЛИТЕЛЬНОЕ УСТРОЙСТВО

1Артикул: 6912717, O-RING Was 7014312 - B
2Артикул: 7022224, VENT Was 7014483 - C
3Артикул: 7014485, COVER
Подробнее >
ПОНИЖЕННАЯ ПЕРЕДАЧА С ДВУМЯ СКОРОСТЯМИ И УСТАНОВКА РАСПРЕДЕЛИТЕЛЬНОГО УСТРОЙСТВА

ПОНИЖЕННАЯ ПЕРЕДАЧА С ДВУМЯ СКОРОСТЯМИ И УСТАНОВКА РАСПРЕДЕЛИТЕЛЬНОГО УСТРОЙСТВА

1Артикул: 7014503, REDUCER See Illustration TWO SPEED REDUCER AND DISTRIBUTOR/ EM6235
2Артикул: 7014672, FITTING, HYD
3Артикул: 7018328, WASHER
Подробнее >
ОПОРЫ КАЧАЮЩЕЙСЯ ОСИ

ОПОРЫ КАЧАЮЩЕЙСЯ ОСИ

1Артикул: 6912681, BUSH Was 7014473 - B
2Артикул: 6912827, BUSH Was 7014474 - B
3Артикул: 6912879, SUPPORT Was 7014472 - B
Подробнее >
ПЕРЕДНИЙ МОСТ

ПЕРЕДНИЙ МОСТ

1Артикул: 7014457, AXLE, FRONT For Details: See following Pages
Подробнее >
Колеса

Колеса

1Артикул: 7014957, WHEEL, STANDARD W/Ref. 2-3
2Артикул: 7021553, DISC Was 7014961 - B
3Артикул: 7014959, TIRE
Подробнее >
ПЕРЕДНЯЯ РУЛЕВАЯ ТЯГА И ЦИЛИНДР

ПЕРЕДНЯЯ РУЛЕВАЯ ТЯГА И ЦИЛИНДР

1Артикул: 7014375, BOLT, CYLINDER
2Артикул: SENSOR, SENSOR NSS - optional
3Артикул: 7014424, SCREW optional
Подробнее >
ВАЛ КОРОБКИ ПЕРЕДАЧ

ВАЛ КОРОБКИ ПЕРЕДАЧ

1Артикул: 7014936, SHAFT, TRANSMISSION
2Артикул: 7031224, SHAFT, TRANSMISSION
3Артикул: 7014934, SHAFT, TRANSMISSION
Подробнее >
ЗАДНИЙ МОСТ

ЗАДНИЙ МОСТ

1Артикул: 7014456, AXLE, REAR For Details: See following Pages
Подробнее >