+7 (701) 588 50 05 Телефон для связи
RU

WhatsApp

Позвонить

ХОДОВОЙ ГИДРОМОТОР (1 в Алматы

3) KOMATSU СЕРИЙНЫЙ НОМЕР 11501 И ВЫШЕ

3) KOMATSU СЕРИЙНЫЙ НОМЕР 11501 И ВЫШЕ

1Артикул: 6658674, TRAVELMTR Komatsu S/N 13025 & Abv.
2Артикул: TRAVEL, TRAVEL MOTOR ASS-Y Komatsu S/N 11501-13024 - Was 20S-60-33100
3Артикул: BODY, BODY SUB ASS-Y Komatsu S/N 13025 & Abv. - Was FUMHB-3-2-2096
Подробнее >
2) KOMATSU СЕРИЙНЫЙ НОМЕР 10001-11500

2) KOMATSU СЕРИЙНЫЙ НОМЕР 10001-11500

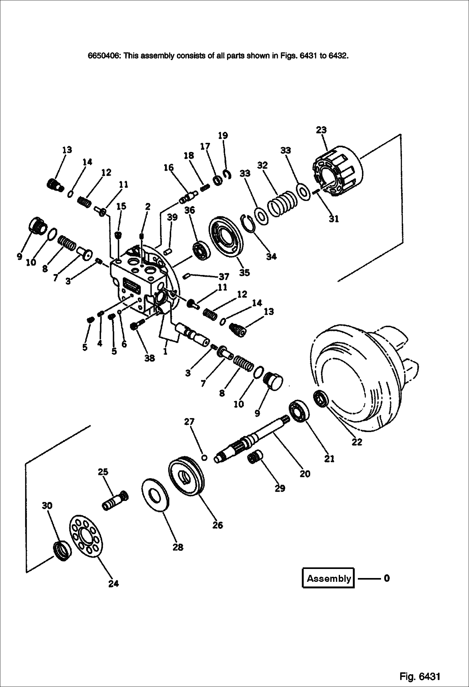
1Артикул: 6650406, TRAVELMTR Komatsu S/N 10001-11500
2Артикул: FLANGE, FLANGE KIT Komatsu S/N 10001-11500 - Was TZ312B210101-A
3Артикул: PLUG, PLUG Komatsu S/N 10001-11500 - Was TZMB700-060
Подробнее >