+7 (701) 588 50 05 Телефон для связи
RU

WhatsApp

Позвонить

M06 ЭКСКАВАТОР-ПОГРУЗЧИК в Алматы

ЭКСКАВАТОР-ПОГРУЗЧИК (ЦИЛИНДР ПОВОРОТА) (M06)

ЭКСКАВАТОР-ПОГРУЗЧИК (ЦИЛИНДР ПОВОРОТА) (M06)

1Артикул: 6686069, CYLINDER ASSY W/Ref. 2-14
2Артикул: 6673617, NUT Was 6684456 - A
3Артикул: 6687025, HEAD
Подробнее >
ЭКСКАВАТОР-ПОГРУЗЧИК (ГИДРОЦИЛИНДР ЧЕРПАКА) (M06)

ЭКСКАВАТОР-ПОГРУЗЧИК (ГИДРОЦИЛИНДР ЧЕРПАКА) (M06)

1Артикул: 6686072, CYLINDER ASSY W/Ref. 2-14
2Артикул: 6673617, NUT Was 6684456 - A
3Артикул: 6687025, HEAD
Подробнее >
ЭКСКАВАТОР-ПОГРУЗЧИК (СТРЕЛА В СБОРЕ) (M06)

ЭКСКАВАТОР-ПОГРУЗЧИК (СТРЕЛА В СБОРЕ) (M06)

1Артикул: CYLINDER, CYLINDER See Illustration BACKHOE/ B24737 dipper
2Артикул: 10H35, FITTING, GREASE 10
3Артикул: 6594096, SPACER
Подробнее >
ЭКСКАВАТОР-ПОГРУЗЧИК (ЧЕРПАК В СБОРЕ) (M06)

ЭКСКАВАТОР-ПОГРУЗЧИК (ЧЕРПАК В СБОРЕ) (M06)

1Артикул: 6906590, DIPPER ASSY
2Артикул: 6554902, PIN
3Артикул: 17C520, BOLT 5
Подробнее >
ЭКСКАВАТОР-ПОГРУЗЧИК (ЦИЛИНДР СТРЕЛЫ) (M06)

ЭКСКАВАТОР-ПОГРУЗЧИК (ЦИЛИНДР СТРЕЛЫ) (M06)

1Артикул: 6686070, CYLINDER ASSY W/Ref. 2-14
2Артикул: 6673617, NUT Was 6684456 - A
3Артикул: 6687031, HEAD
Подробнее >
ЭКСКАВАТОР-ПОГРУЗЧИК (МОНТАЖНЫЙ КОМПЛЕКТ ДЛЯ MT52) (M06)

ЭКСКАВАТОР-ПОГРУЗЧИК (МОНТАЖНЫЙ КОМПЛЕКТ ДЛЯ MT52) (M06)

1Артикул: MOUNTING, MOUNTING KIT NLA - MT52 - Ref. 2-7 - Order components - Was SALES #7101552 - D
2Артикул: 7101526, LOCK, RH R.H. - W/Ref. 6 & 7
3Артикул: 7101554, LOCK, LH L.H. - W/Ref. 6 & 7
Подробнее >
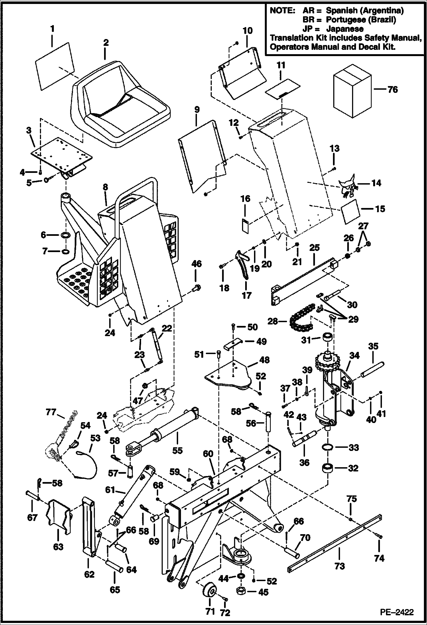
ЭКСКАВАТОР-ПОГРУЗЧИК (РАМА ШАССИ) (M06)

ЭКСКАВАТОР-ПОГРУЗЧИК (РАМА ШАССИ) (M06)

1Артикул: 7103339, DECAL, WARNING warning
2Артикул: 6643253, SEAT, OPERATOR VINYL
3Артикул: 6587384, HINGE, MOUNT SWIVEL
Подробнее >
ЭКСКАВАТОР-ПОГРУЗЧИК (СХЕМА ГИДРАВЛИЧЕСКОЙ СИСТЕМЫ) (M06)

ЭКСКАВАТОР-ПОГРУЗЧИК (СХЕМА ГИДРАВЛИЧЕСКОЙ СИСТЕМЫ) (M06)

1Артикул: 6698069, VALVE Was 6686059 - A
2Артикул: 18KB0608, FTG HYD ELBOW 45
3Артикул: 79K8, O RING 10
Подробнее >
ЭКСКАВАТОР-ПОГРУЗЧИК (МОНТАЖНЫЙ КОМПЛЕКТ ДЛЯ MT50) (M06)

ЭКСКАВАТОР-ПОГРУЗЧИК (МОНТАЖНЫЙ КОМПЛЕКТ ДЛЯ MT50) (M06)

1Артикул: MOUNTING, MOUNTING KIT MT50 - Sales #7101551
2Артикул: 7101521, LOCK, RH W/Ref. 5 & 6
3Артикул: 7101522, LOCK, LH W/Ref. 5 & 6
Подробнее >
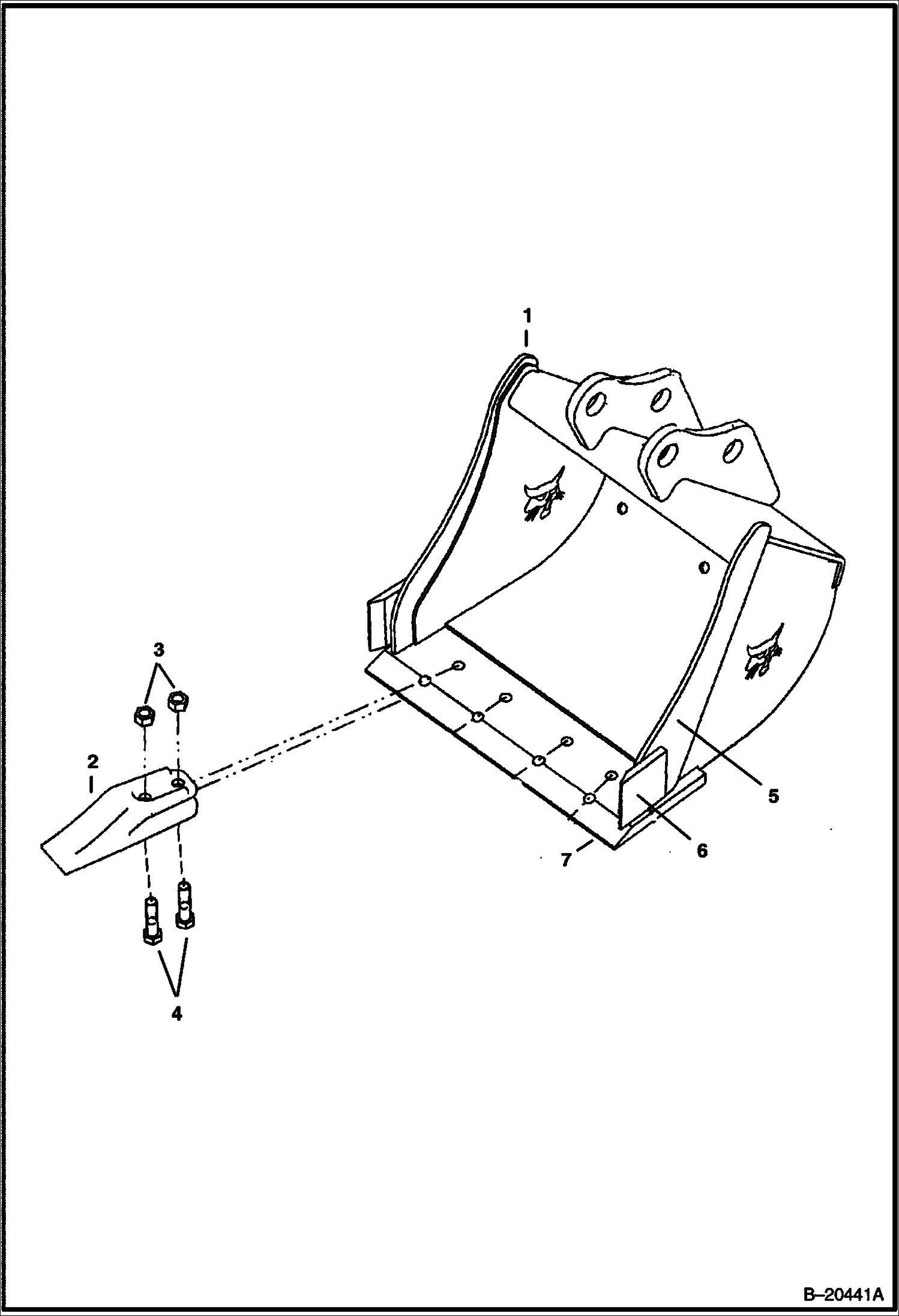
ЭКСКАВАТОР-ПОГРУЗЧИК (КОВШИ) (КРЕПЛЕНИЕ) (M06)

ЭКСКАВАТОР-ПОГРУЗЧИК (КОВШИ) (КРЕПЛЕНИЕ) (M06)

1Артикул: BUCKET, BUCKET SALES #6715495 - 229 mm (9--)
2Артикул: BUCKET, BUCKET SALES #6715496 - 305 mm (12--)
3Артикул: 6684447, TOOTH (2) for 9--, (3) for 12 - W/Ref. 3 & 4
Подробнее >
ЭКСКАВАТОР-ПОГРУЗЧИК (ЦИЛИНДР КОВША) (M06)

ЭКСКАВАТОР-ПОГРУЗЧИК (ЦИЛИНДР КОВША) (M06)

1Артикул: 6686071, CYLINDER ASSY W/Ref. 2-14
2Артикул: 6673617, NUT Was 6684456 - A
3Артикул: 6687031, HEAD
Подробнее >
ЭКСКАВАТОР-ПОГРУЗЧИК (ЦИЛИНДР СТАБИЛИЗАТОРА) (M06)

ЭКСКАВАТОР-ПОГРУЗЧИК (ЦИЛИНДР СТАБИЛИЗАТОРА) (M06)

1Артикул: 6586700, CYLINDER, TILT W/Ref. 2-15
2Артикул: 6586949, CASE
3Артикул: 92D12, NUT
Подробнее >
ЭКСКАВАТОР-ПОГРУЗЧИК (РЕГУЛИРУЮЩИЙ КЛАПАН) (M06)

ЭКСКАВАТОР-ПОГРУЗЧИК (РЕГУЛИРУЮЩИЙ КЛАПАН) (M06)

1Артикул: 6698069, VALVE W/Ref. 2-21 - Was 6686059 - A
2Артикул: SPOOL, SPOOL NSS - boom
3Артикул: SPOOL, SPOOL NSS - stabilizer
Подробнее >