МИНИ-ПОГРУЗЧИК в Алматы
СЕЯЛКА (СЕМЕННОЙ ЯЩИК СЕЯЛКИ) (72-- 0180)
1Артикул: 6686456, COVER
2Артикул: 17C408, BOLT
3Артикул: 6686457, CONTAINER
СЕЯЛКА (72SDR AEUD)
1Артикул: SEEDER, SEEDER ASSY SALES #7167712 - Ref. 2-59
2Артикул: 6731332, DECAL logo
3Артикул: 7009542, DECAL, CHART SEED
СЕЯЛКА (BOB-TACH КОМПЛЕКТ) (72SDR AEUD)
1Артикул: 7167759, KIT, BOB-TACH Ref. 2-6 - Was SALES - D
2Артикул: FRAME, FRAME NSS - W/Ref. 3 - Order Ref. 1
3Артикул: 6905263, STEP weld-on
СЕЯЛКА (ПОДШИПНИКИ) (72-- 0180)
1Артикул: 6686441, ROLLER ASSY front - W/Ref. 2 - 7
2Артикул: 6686442, PIPE
3Артикул: 6686443, SAND WHEEL for front roller
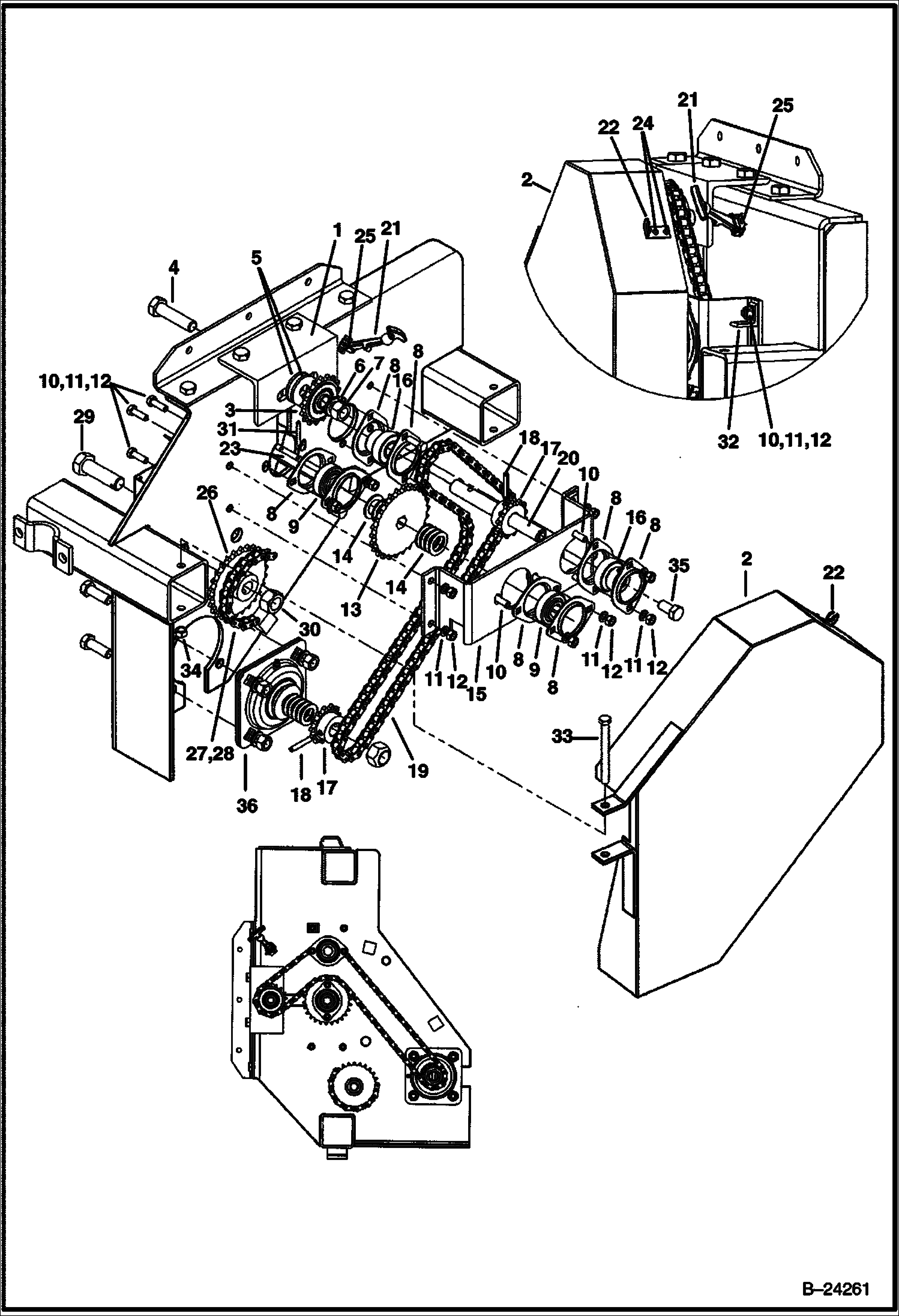
СЕЯЛКА (ЦЕПЬ ПРИВОДА И ВЕДУЩЕЕ КОЛЕСО ГУСЕНИЦЫ) (72-- 0180)
1Артикул: 6686406, ANGLE
2Артикул: 6686407, GUARD
3Артикул: 6686408, SPROCKET idler
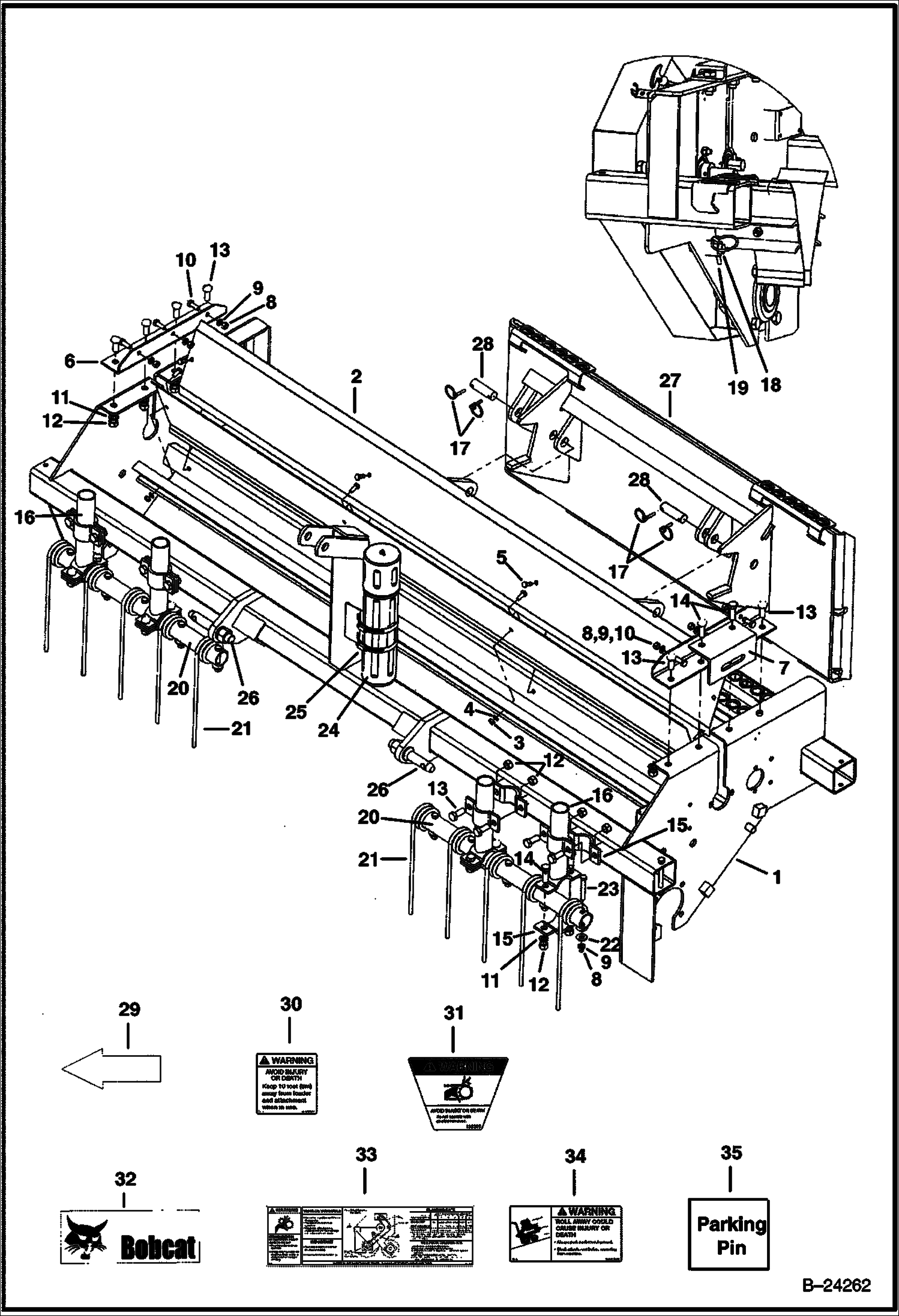
СЕЯЛКА (РАМА ШАССИ) (72-- 0180)
1Артикул: 6686429, FRAME
2Артикул: 6686430, DEFLECTOR
3Артикул: 61D5, NUT