+7 (701) 588 50 05 Телефон для связи
RU

WhatsApp

Позвонить

МИНИ-ПОГРУЗЧИК в Алматы

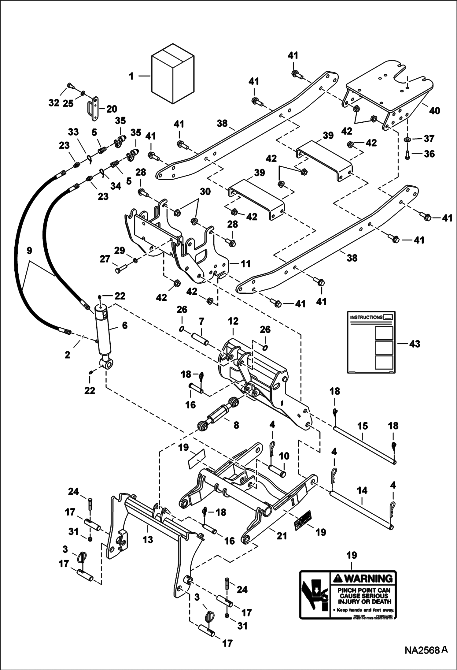
ОТВАЛ СНЕГООЧИСТИТЕЛЯ (КОМПЛЕКТ УСТРОЙСТВ ПЕРЕДНЕЙ СЦЕПКИ)

ОТВАЛ СНЕГООЧИСТИТЕЛЯ (КОМПЛЕКТ УСТРОЙСТВ ПЕРЕДНЕЙ СЦЕПКИ)

1Артикул: KIT,, KIT, HITCH FRONT NLA - ORDER INDIVIDUAL COMPONENTS - SALES #7181051 - Ref. 2-43
2Артикул: 6586430, ORIFICE
3Артикул: 6668928, LOCK PIN
Подробнее >
ОТВАЛ СНЕГООЧИСТИТЕЛЯ (КОМПЛЕКТ ШЛАНГОВ) (54-- APN9) (69-- ANK2) (84-- APNA)

ОТВАЛ СНЕГООЧИСТИТЕЛЯ (КОМПЛЕКТ ШЛАНГОВ) (54-- APN9) (69-- ANK2) (84-- APNA)

1Артикул: 7199984, KIT, HOSE Ref. 2-7 - Was SALES #7199984 - D
2Артикул: 7199985, KIT, HOSE Ref. 2-7 - Was SALES #7199985 - D
3Артикул: 7190242, COUPLER, POPPET MALE
Подробнее >
ОТВАЛ СНЕГООЧИСТИТЕЛЯ (КОМПЛЕКТ ЛЕЗВИЙ - КАУЧУК И ПОЛИКОРБАНАТ) (54-- APN9) (69-- ANK2) (84-- APNA)

ОТВАЛ СНЕГООЧИСТИТЕЛЯ (КОМПЛЕКТ ЛЕЗВИЙ - КАУЧУК И ПОЛИКОРБАНАТ) (54-- APN9) (69-- ANK2) (84-- APNA)

1Артикул: 7199966, KIT, EDGE RUBBER 54-- 54-- rubber - Ref. 4, 7, 10-12
2Артикул: 7199969, KIT, EDGE POLY 54-- 54-- polyether - Ref. 4, 7, 10-12
3Артикул: 7199967, KIT, EDGE RUBBER 69-- 69-- rubber - Ref. 5, 8 & 10-12
Подробнее >
ОТВАЛ СНЕГООЧИСТИТЕЛЯ (ЦИЛИНДР - КОМПЛЕКТ МЕХАНИЗМОВ ПОДЪЕМА)

ОТВАЛ СНЕГООЧИСТИТЕЛЯ (ЦИЛИНДР - КОМПЛЕКТ МЕХАНИЗМОВ ПОДЪЕМА)

1Артикул: 6809501, CYLINDER Ref. 2-13
2Артикул: 6807379, CASE
3Артикул: 92D14, NUT
Подробнее >
ОТВАЛ СНЕГООЧИСТИТЕЛЯ (ТЯГА НАКЛОНА)

ОТВАЛ СНЕГООЧИСТИТЕЛЯ (ТЯГА НАКЛОНА)

1Артикул: 7003512, LINK, ASSY Ref. 2-5
2Артикул: 7011066, NUT, ADJUSTING
3Артикул: 7011067, NUT
Подробнее >
ОТВАЛ СНЕГООЧИСТИТЕЛЯ (РАМА ШАССИ) (ПЕРЕДНЕЕ КРЕПЛЕНИЕ) (54-- APN9) (69-- ANK2) (84-- APNA)

ОТВАЛ СНЕГООЧИСТИТЕЛЯ (РАМА ШАССИ) (ПЕРЕДНЕЕ КРЕПЛЕНИЕ) (54-- APN9) (69-- ANK2) (84-- APNA)

1Артикул: SNOW, SNOW BLADE SALES #7196554 - 54-- - Ref. 2-30
2Артикул: SNOW, SNOW BLADE SALES #7193888 - 69-- - Ref. 2-30
3Артикул: SNOW, SNOW BLADE SALES #7196555 - 84-- - Ref. 2-30
Подробнее >
ОТВАЛ СНЕГООЧИСТИТЕЛЯ (ЛИФТ-КОМПЛЕКТ ПЕРЕДНЕГО КРЕПЛЕНИЯ)

ОТВАЛ СНЕГООЧИСТИТЕЛЯ (ЛИФТ-КОМПЛЕКТ ПЕРЕДНЕГО КРЕПЛЕНИЯ)

1Артикул: KIT,, KIT, LIFT MOUNT FRONT NLA - Ref. 2-36 - Order components - Was SALES #7181015 - D
2Артикул: 6586430, ORIFICE
3Артикул: 6668928, LOCK PIN
Подробнее >
ОТВАЛ СНЕГООЧИСТИТЕЛЯ (ЦИЛИНДР) (54-- APN9) (69-- ANK2) (84-- APNA)

ОТВАЛ СНЕГООЧИСТИТЕЛЯ (ЦИЛИНДР) (54-- APN9) (69-- ANK2) (84-- APNA)

1Артикул: 7199231, CYLINDER, BLADE Ref. 2-14
2Артикул: 6519328, SEAL
3Артикул: 6665208, SEAL
Подробнее >