+7 (701) 588 50 05 Телефон для связи
RU

WhatsApp

Позвонить

НАДСТРОЙКА в Алматы

ПЕРЕДНЕЕ НАТЯЖНОЕ КОЛЕСО

ПЕРЕДНЕЕ НАТЯЖНОЕ КОЛЕСО

1Артикул: 6589009, IDLER Assy. - Ref. 2-9 - Was 6533626 - A
2Артикул: 2JM1045, ROLL PIN
3Артикул: 7117043, GUIDE BLOCK Was 6589010 - A
Подробнее >
ОТДАЧА ПРУЖИНЫ

ОТДАЧА ПРУЖИНЫ

1Артикул: 6533630, SPRING ASSY NLA - Ref. 2-8 - Was 6533630
2Артикул: SHAFT, SHAFT NLA - Order Ref. 1 - Was 6533636 - A
3Артикул: CYLINDER, CYLINDER NLA - Order Ref. 1
Подробнее >
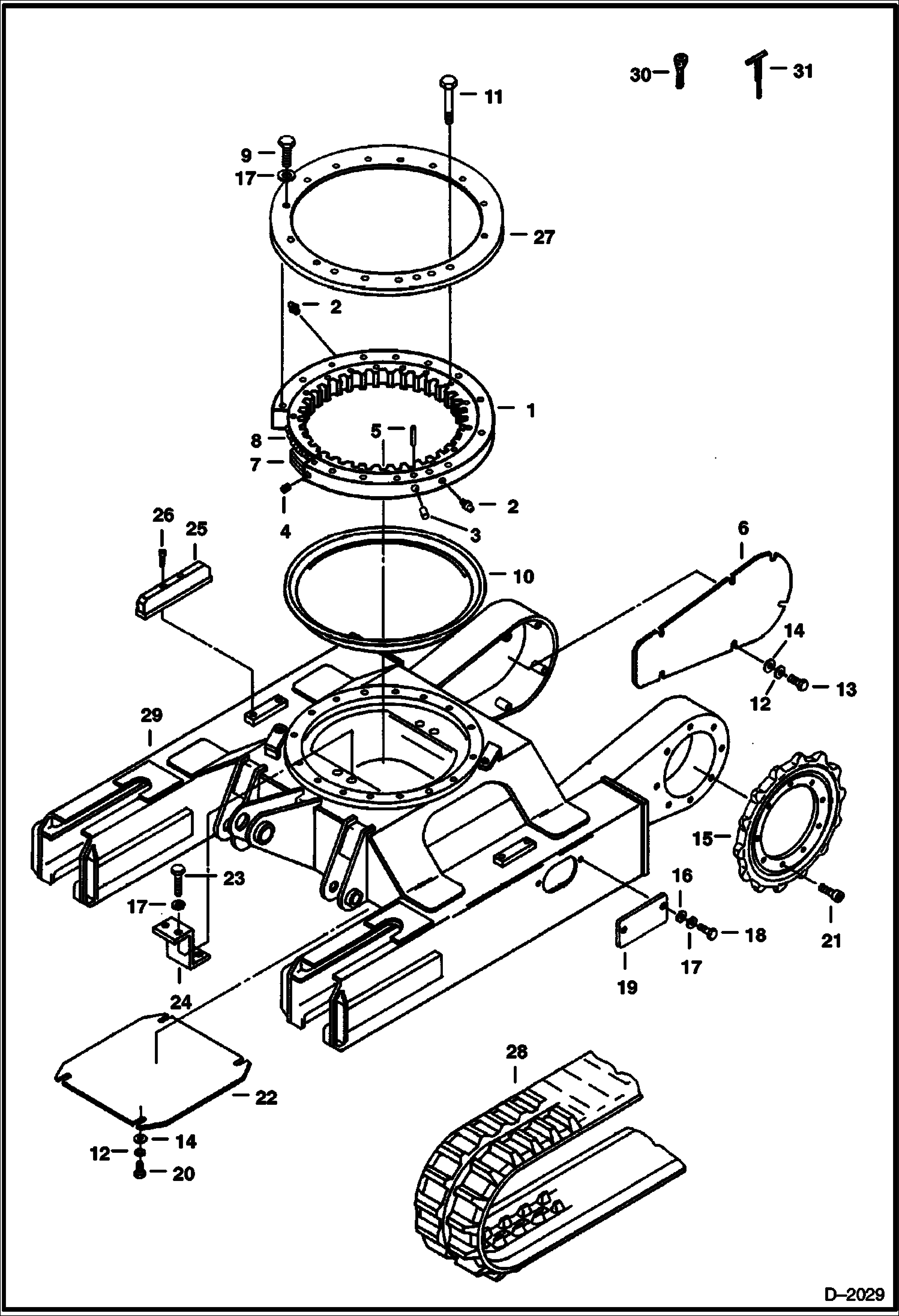
ШАССИ

ШАССИ

1Артикул: 6652015, SWING BEARING W/Ref. 2-8 & 10 - 110 teeth on swing gear - (18) hole 11 mm dia
2Артикул: 6652970, GREASE FITTING
3Артикул: PLUG, PLUG NLA - Was 6652968 - A
Подробнее >
РОЛИК ГУСЕНИЦЫ

РОЛИК ГУСЕНИЦЫ

1Артикул: 6533654, ROLLER Assy. - Ref. 2-11
2Артикул: 1DM16, NUT
3Артикул: 15EM160, WASHER
Подробнее >