+7 (701) 588 50 05 Телефон для связи
RU

WhatsApp

Позвонить

НАДСТРОЙКА в Алматы

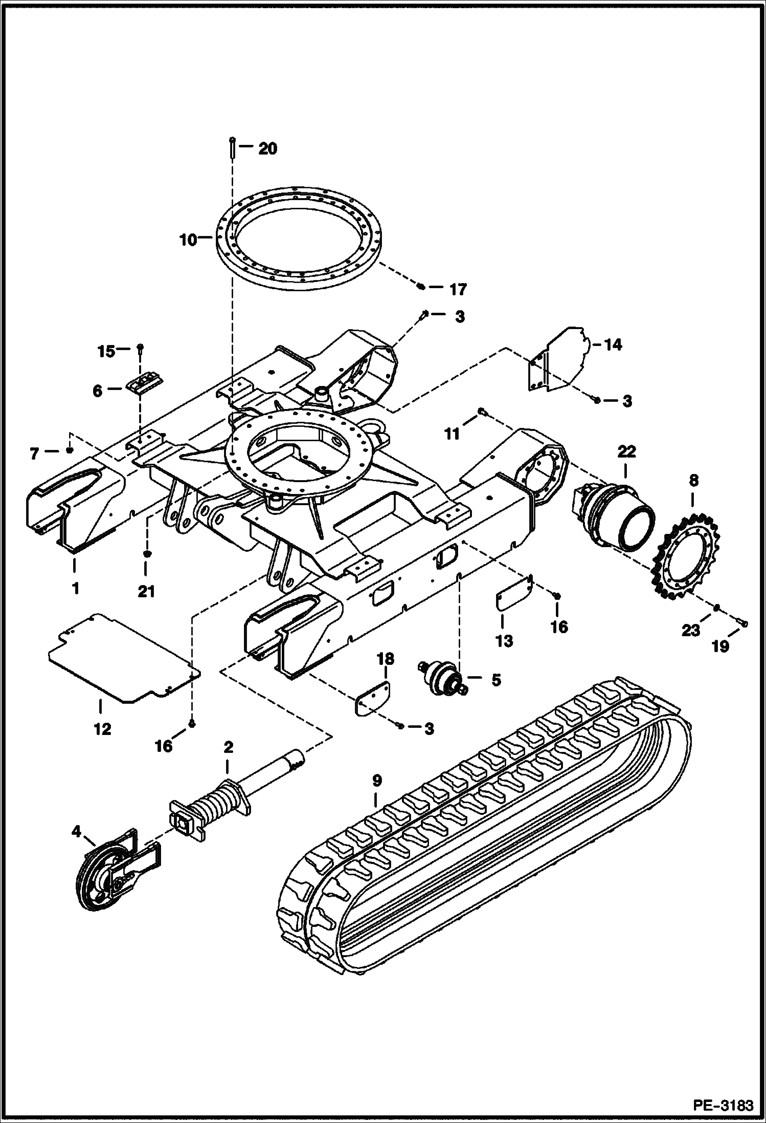
ХОДОВАЯ ЧАСТЬ (СЕРИЙНЫЙ НОМЕР A2PG11094 И ВЫШЕ)

ХОДОВАЯ ЧАСТЬ (СЕРИЙНЫЙ НОМЕР A2PG11094 И ВЫШЕ)

1Артикул: 7128736, UNDERCARRIAGE 12 hole
2Артикул: SPRING, SPRING ASSY See Illustration TRACK TENSIONER/ PE2668 recoil
3Артикул: 26GM10020, BOLT Was 26GM10030 - B
Подробнее >
ПЕРЕДНЕЕ НАТЯЖНОЕ КОЛЕСО (С ОТВЕРСТИЕМ В НАТЯЖНОМ КОЛЕСЕ)

ПЕРЕДНЕЕ НАТЯЖНОЕ КОЛЕСО (С ОТВЕРСТИЕМ В НАТЯЖНОМ КОЛЕСЕ)

1Артикул: IDLER, IDLER ASSY See Illustration FRONT IDLER/ NA6085 W/ Ref. 2-8 - rubber track - Was 7106424 - A
2Артикул: IDLER, IDLER ASSY See Illustration FRONT IDLER/ NA6085 W/ Ref. 2-8 - steel track - Was 7113653 - A
3Артикул: 6596481, BLOCK
Подробнее >
ПЕРЕДНЕЕ НАТЯЖНОЕ КОЛЕСО (БЕЗ ОТВЕРСТИЯ В НАТЯЖНОМ КОЛЕСЕ)

ПЕРЕДНЕЕ НАТЯЖНОЕ КОЛЕСО (БЕЗ ОТВЕРСТИЯ В НАТЯЖНОМ КОЛЕСЕ)

1Артикул: 7199074, IDLER, ASSY for rubber tracks
2Артикул: 7199291, IDLER, ASSY for steel tracks
Подробнее >
НАТЯЖИТЕЛЬ ГУСЕНИЦЫ (СО СМЕННЫМ ВАЛОМ)

НАТЯЖИТЕЛЬ ГУСЕНИЦЫ (СО СМЕННЫМ ВАЛОМ)

1Артикул: TENSIONER,, TENSIONER, TRACK ASSY NLA - Ref. 2-12 - Order 7181326 tensioner - Also Order Ref. 13 for steel tracks - Was 7145074 - A
2Артикул: 7181326, TENSIONER, TRACK ASSY Ref. 2-6, 8-12, & 14 - Also Order Ref. 13 for steel tracks
3Артикул: 6645812, SCREW, BLEED
Подробнее >
ХОДОВАЯ ЧАСТЬ (СЕРИЙНЫЙ НОМЕР A2PG11093 И НИЖЕ)

ХОДОВАЯ ЧАСТЬ (СЕРИЙНЫЙ НОМЕР A2PG11093 И НИЖЕ)

1Артикул: UNDERCARRIAGE, UNDERCARRIAGE See BTIE-082 NLA - 12 hole - Was 6809707 - A
2Артикул: SPRING, SPRING ASSY See Illustration TRACK TENSIONER/ PE2668 recoil
3Артикул: 26GM10020, BOLT Was 26GM10030 - B
Подробнее >
ЗАЩИТА РОЛИКОВ ГУСЕНИЦЫ (С БОЛТОВЫМ КРЕПЛЕНИЕМ)

ЗАЩИТА РОЛИКОВ ГУСЕНИЦЫ (С БОЛТОВЫМ КРЕПЛЕНИЕМ)

1Артикул: 7013575, ROLLER, TRACK for rubber tracks only - Was 6693489 - A
2Артикул: 7013576, ROLLER, TRACK for steel tracks only - Was 6693497 - A
3Артикул: 7011925, BOLT
Подробнее >
НАТЯЖИТЕЛЬ ГУСЕНИЦЫ (БЕЗ СМЕННОГО ВАЛА)

НАТЯЖИТЕЛЬ ГУСЕНИЦЫ (БЕЗ СМЕННОГО ВАЛА)

1Артикул: CYLINDER, CYLINDER See Illustration TRACK TENSIONER/ PE3895 NLA - Ref. 2-9 - Order 7181326 - for rubber tracks only - Was 6817235 - A
2Артикул: CYLINDER, CYLINDER See Illustration TRACK TENSIONER/ PE3895 NLA - Ref. 2-9 - Order 7181326 cylinder & 7164410 spacer - for steel tracks only - Was 6817652 - A
3Артикул: SHAFT, SHAFT NSS - Order Ref. 1
Подробнее >
ЗАЩИТА РОЛИКОВ ГУСЕНИЦЫ (УСТАНОВЛЕННАЯ ГАЙКА)

ЗАЩИТА РОЛИКОВ ГУСЕНИЦЫ (УСТАНОВЛЕННАЯ ГАЙКА)

1Артикул: ROLLER,, ROLLER, TRACK See Illustration TRACK ROLLER/ NA2024 - NLA - Ref. 2-9 - for rubber tracks only - Was 6815119 - A
2Артикул: ROLLER, ROLLER ASSY See Illustration TRACK ROLLER/ NA2024 - NLA - Ref. 2-9 - for steel track only - Was 6815123 - A
3Артикул: 6679881, SEAL, OIL
Подробнее >