+7 (701) 588 50 05 Телефон для связи
RU

WhatsApp

Позвонить

НАДСТРОЙКА в Алматы

ПЕРЕДНЕЕ НАТЯЖНОЕ КОЛЕСО

ПЕРЕДНЕЕ НАТЯЖНОЕ КОЛЕСО

1Артикул: 6639418, IDLER ASY Komatsu S/N 12141 & Abv
2Артикул: IDLER, IDLER ASSY Komatsu S/N 10001-12140 - Was 20T-30-00102
3Артикул: IDLER, IDLER Komatsu S/N 12141 & Abv - Was 20T-30-41241
Подробнее >
РОЛИК ГУСЕНИЦЫ

РОЛИК ГУСЕНИЦЫ

1Артикул: 6659323, ROLLER
2Артикул: ROLLER, ROLLER Was 20T-30-32310
3Артикул: 6637812, BUSHING
Подробнее >
ЗАЩИТА РОЛИКОВ ГУСЕНИЦЫ (ДЛЯ БОЛОТНОГО БАШМАКА)(ОПЦИЯ)

ЗАЩИТА РОЛИКОВ ГУСЕНИЦЫ (ДЛЯ БОЛОТНОГО БАШМАКА)(ОПЦИЯ)

1Артикул: TRACK, TRACK ROLLER ASSY Was 20T-30-00210
2Артикул: ROLLER, ROLLER Was 20T-30-41410
3Артикул: 6637812, BUSHING
Подробнее >
ДЕТАЛИ БОЛОТНОГО БАШМАКА

ДЕТАЛИ БОЛОТНОГО БАШМАКА

1Артикул: PLATE, PLATE Was 20T-30-41350
2Артикул: 6636998, BOLT
3Артикул: 6637160, WASHER
Подробнее >
БАШМАК ГУСЕНИЦЫ (ТРОЙНОЙ ГРУНТОЗАЦЕП) (МОНОБЛОК) 480 ММ ШИРОКИЕ KOMATSU СЕРИЙНЫЙ НОМЕР 10001-10743

БАШМАК ГУСЕНИЦЫ (ТРОЙНОЙ ГРУНТОЗАЦЕП) (МОНОБЛОК) 480 ММ ШИРОКИЕ KOMATSU СЕРИЙНЫЙ НОМЕР 10001-10743

1Артикул: TRACK, TRACK SHOE ASSY Komatsu S/N 10001-10734 - Was 20T-32-00121
2Артикул: SHOE, SHOE ASSY Komatsu S/N 10001-10734 - Was 20T-32-00211
3Артикул: 6655097, BUSHING
Подробнее >
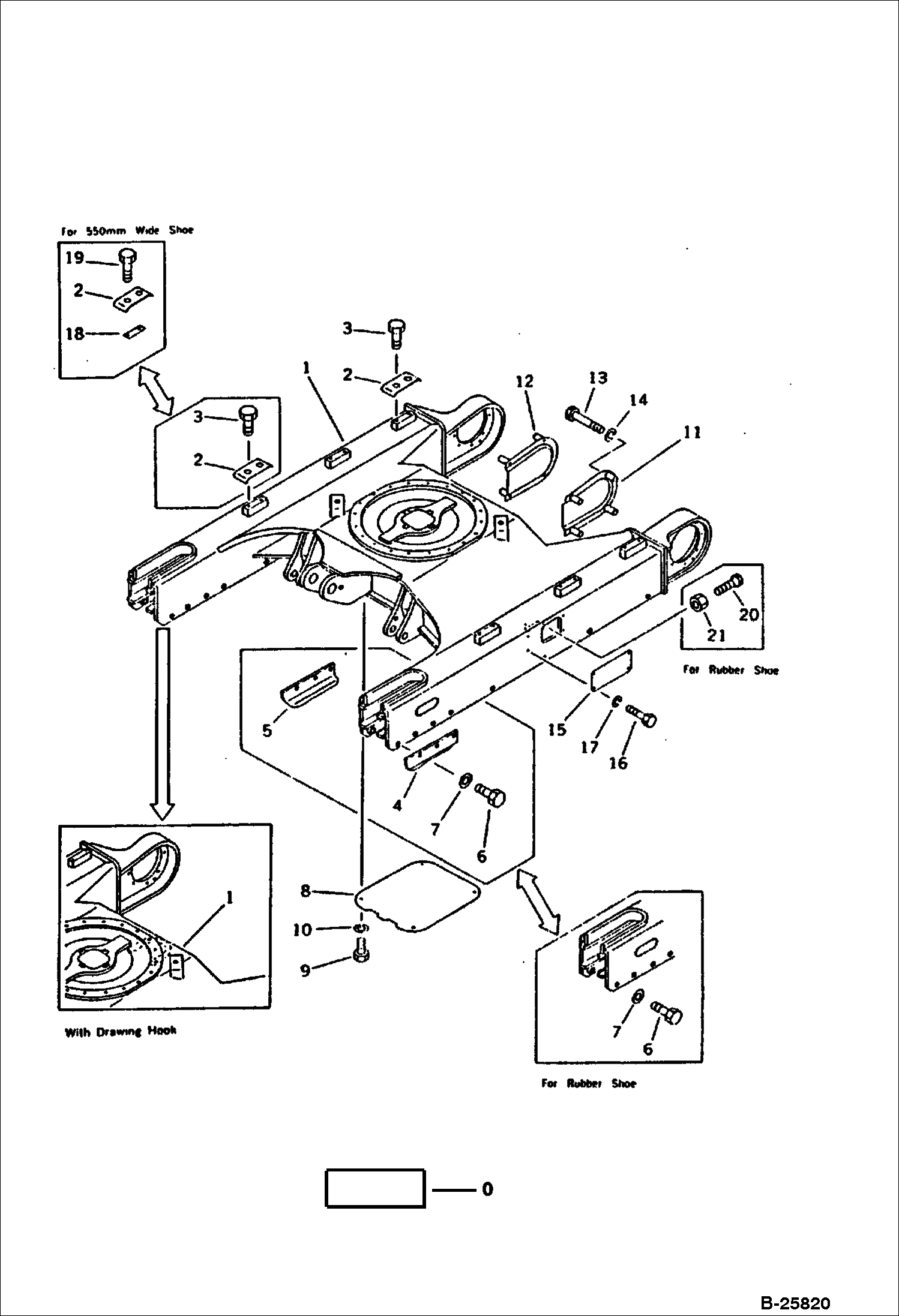
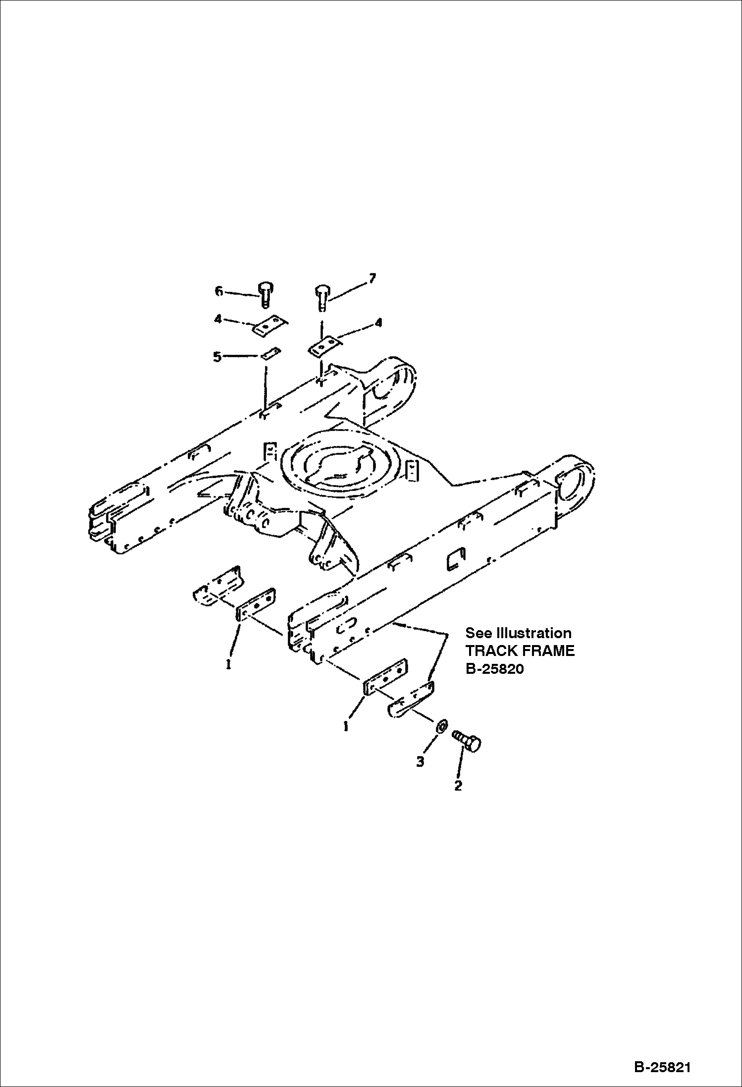
РАМА ГУСЕНИЦЫ

РАМА ГУСЕНИЦЫ

1Артикул: FRAME,, FRAME, TRACK (W/HOOK) Komatsu S/N 11574 & Abv - Was 20T-30-42111
2Артикул: FRAME,, FRAME, TRACK (W/HOOK) Komatsu S/N 10001-11573 - Was 20T-30-42110
3Артикул: FRAME,, FRAME, TRACK Komatsu S/N 11574 & Abv - Was 20T-30-41111
Подробнее >
БАШМАК ГУСЕНИЦЫ (С БОЛТОВЫМ КРЕПЛЕНИЕМ) СТАНДАРТНЫЙ БАШМАК ГУСЕНИЦЫ - ТРОЙНОЙ 400 ММ ШИРОКИЕ KOMATSU СЕРИЙНЫЙ НОМЕР 10735 И ВЫШЕ

БАШМАК ГУСЕНИЦЫ (С БОЛТОВЫМ КРЕПЛЕНИЕМ) СТАНДАРТНЫЙ БАШМАК ГУСЕНИЦЫ - ТРОЙНОЙ 400 ММ ШИРОКИЕ KOMATSU СЕРИЙНЫЙ НОМЕР 10735 И ВЫШЕ

1Артикул: 6655423, SHOE ASY Komatsu S/N 10735 & Abv
2Артикул: 6655562, SHOE TRAC Komatsu S/N 10735 & Abv
3Артикул: 6639066, SHO BOLT Komatsu S/N 10735 & Abv
Подробнее >
ВЕДУЩЕЕ КОЛЕСО ГУСЕНИЦЫ

ВЕДУЩЕЕ КОЛЕСО ГУСЕНИЦЫ

1Артикул: SPROCKET, SPROCKET Komatsu S/N 11900 & Abv - Was 20T-27-41112
2Артикул: 6639416, SPROCKET Komatsu S/N 11044-11899
3Артикул: SPROCKET, SPROCKET Komatsu S/N 10001-11043 - Was 20T-27-31110
Подробнее >
БАШМАК ГУСЕНИЦЫ (ИЗ РЕЗИНЫ) 400 ММ ШИРОКИЕ

БАШМАК ГУСЕНИЦЫ (ИЗ РЕЗИНЫ) 400 ММ ШИРОКИЕ

1Артикул: 6673905, TRACK shoe - rubber - Komatsu S/N 11900 & Abv
2Артикул: SHOE, SHOE rubber - Komatsu S/N 10001-11899 - Was 20T-32-41510
Подробнее >
БАШМАК ГУСЕНИЦЫ (ТРОЙНОЙ ГРУНТОЗАЦЕП С РЕЗИНОВЫМИ НАКЛАДКАМИ) (С БОЛТОВЫМ КРЕПЛЕНИЕМ) - ТРОЙНОЙ 400 ММ ШИРОКИЕ KOMATSU СЕРИЙНЫЙ НОМЕР 10735 И ВЫШЕ

БАШМАК ГУСЕНИЦЫ (ТРОЙНОЙ ГРУНТОЗАЦЕП С РЕЗИНОВЫМИ НАКЛАДКАМИ) (С БОЛТОВЫМ КРЕПЛЕНИЕМ) - ТРОЙНОЙ 400 ММ ШИРОКИЕ KOMATSU СЕРИЙНЫЙ НОМЕР 10735 И ВЫШЕ

1Артикул: TRACK, TRACK SHOE ASSY Komatsu S/N 10735 & Abv - Was 20T-32-00073
2Артикул: SHOE,, SHOE, TRACK Komatsu S/N 10735 & Abv - Was 20T-32-42120
3Артикул: 6639066, SHO BOLT Komatsu S/N 10735 & Abv
Подробнее >
БАШМАК ГУСЕНИЦЫ (С БОЛТОВЫМ КРЕПЛЕНИЕМ) (ОПЦИЯ) БАШМАК ГУСЕНИЦЫ - ТРОЙНОЙ 480 ММ ШИРОКИЕ KOMATSU СЕРИЙНЫЙ НОМЕР 10735 И ВЫШЕ

БАШМАК ГУСЕНИЦЫ (С БОЛТОВЫМ КРЕПЛЕНИЕМ) (ОПЦИЯ) БАШМАК ГУСЕНИЦЫ - ТРОЙНОЙ 480 ММ ШИРОКИЕ KOMATSU СЕРИЙНЫЙ НОМЕР 10735 И ВЫШЕ

1Артикул: 6635936, 2 TRACKS Komatsu S/N 10735 & Abv
2Артикул: 6655768, SHOE Komatsu S/N 10735 & Abv
3Артикул: 6639066, SHO BOLT Komatsu S/N 10735 & Abv
Подробнее >
БАШМАК ГУСЕНИЦЫ (ТРОЙНОЙ ГРУНТОЗАЦЕП) (МОНОБЛОК) 400 ММ ШИРОКИЕ KOMATSU СЕРИЙНЫЙ НОМЕР 10001-10743

БАШМАК ГУСЕНИЦЫ (ТРОЙНОЙ ГРУНТОЗАЦЕП) (МОНОБЛОК) 400 ММ ШИРОКИЕ KOMATSU СЕРИЙНЫЙ НОМЕР 10001-10743

1Артикул: 6657762, SHOE ASSY track - Komatsu S/N 10001-10734 - Was 20T-32-00016
2Артикул: 6655431, PAD shoe assembly - Komatsu S/N 10001-10734 - Was 20T-32-00152
3Артикул: 6639436, BUSHING
Подробнее >
БАШМАК ГУСЕНИЦЫ (ТРОЙНОЙ ГРУНТОЗАЦЕП) (МОНОБЛОК) 550 ММ ШИРОКИЕ KOMATSU СЕРИЙНЫЙ НОМЕР 10001-10743

БАШМАК ГУСЕНИЦЫ (ТРОЙНОЙ ГРУНТОЗАЦЕП) (МОНОБЛОК) 550 ММ ШИРОКИЕ KOMATSU СЕРИЙНЫЙ НОМЕР 10001-10743

1Артикул: TRACK, TRACK SHOE ASSY Komatsu S/N 10001-10734 - Was 20T-32-00131
2Артикул: SHOE, SHOE ASSY Komatsu S/N 10001-10734 - Was 20T-32-00221
3Артикул: 6655097, BUSHING
Подробнее >
ОТДАЧА ПРУЖИНЫ

ОТДАЧА ПРУЖИНЫ

1Артикул: 6666301, CYLINDER
2Артикул: 6636986, BOLT
3Артикул: 6637136, WASHER
Подробнее >
БАШМАК ГУСЕНИЦЫ (С БОЛТОВЫМ КРЕПЛЕНИЕМ) ТРОЙНОЙ 550 ММ ШИРОКИЕ KOMATSU СЕРИЙНЫЙ НОМЕР 10735 И ВЫШЕ

БАШМАК ГУСЕНИЦЫ (С БОЛТОВЫМ КРЕПЛЕНИЕМ) ТРОЙНОЙ 550 ММ ШИРОКИЕ KOMATSU СЕРИЙНЫЙ НОМЕР 10735 И ВЫШЕ

1Артикул: TRACK, TRACK SHOE ASSY Komatsu S/N 10735 & Abv - Was 20T-32-00133
2Артикул: SHOE, SHOE ASSY Komatsu S/N 10735 & Abv - Was 20T-32-42320
3Артикул: 6639066, SHO BOLT Komatsu S/N 10735 & Abv
Подробнее >
БАШМАК ГУСЕНИЦЫ (ПЛОСКИЙ ТИП) (МОНОБЛОК) - 400 ММ ШИРОКИЕ KOMATSU СЕРИЙНЫЙ НОМЕР 10001-10734

БАШМАК ГУСЕНИЦЫ (ПЛОСКИЙ ТИП) (МОНОБЛОК) - 400 ММ ШИРОКИЕ KOMATSU СЕРИЙНЫЙ НОМЕР 10001-10734

1Артикул: TRACK, TRACK SHOE ASSY Komatsu S/N 10001-10734 - Was 20T-32-00024
2Артикул: SHOE, SHOE ASSY Komatsu S/N 10001-10734 - Was 20T-32-00231
3Артикул: 6639436, BUSHING
Подробнее >
БАШМАК ГУСЕНИЦЫ (ДЛЯ РАБОТЫ В БОЛОТИСТОЙ МЕСТНОСТИ) (С БОЛТОВЫМ КРЕПЛЕНИЕМ) (ОПЦИЯ) 550 ММ ШИРОКИЕ

БАШМАК ГУСЕНИЦЫ (ДЛЯ РАБОТЫ В БОЛОТИСТОЙ МЕСТНОСТИ) (С БОЛТОВЫМ КРЕПЛЕНИЕМ) (ОПЦИЯ) 550 ММ ШИРОКИЕ

1Артикул: TRACK, TRACK SHOE ASSY Was 20T-32-00063
2Артикул: SHOE,, SHOE, TRACK Was 20T-32-22310
3Артикул: 6639066, SHO BOLT
Подробнее >
БАШМАК ГУСЕНИЦЫ (ТРОЙНОЙ ГРУНТОЗАЦЕП С РЕЗИНОВЫМИ НАКЛАДКАМИ) (МОНОБЛОК) - 400 ММ ШИРОКИЕ KOMATSU СЕРИЙНЫЙ НОМЕР 10001-10734

БАШМАК ГУСЕНИЦЫ (ТРОЙНОЙ ГРУНТОЗАЦЕП С РЕЗИНОВЫМИ НАКЛАДКАМИ) (МОНОБЛОК) - 400 ММ ШИРОКИЕ KOMATSU СЕРИЙНЫЙ НОМЕР 10001-10734

1Артикул: TRACK, TRACK SHOE ASSY Komatsu S/N 10001-10734 - Was 20T-32-00071
2Артикул: SHOE, SHOE ASSY Komatsu S/N 10001-10734 - Was 20T-32-00241
3Артикул: 6639436, BUSHING
Подробнее >
БАШМАК ГУСЕНИЦЫ (ПЛОСКИЙ ТИП)(С БОЛТОВЫМ КРЕПЛЕНИЕМ) (ОПЦИЯ) БАШМАК ГУСЕНИЦЫ - FLAT 400 ММ ШИРОКИЕ KOMATSU СЕРИЙНЫЙ НОМЕР 10735 И ВЫШЕ

БАШМАК ГУСЕНИЦЫ (ПЛОСКИЙ ТИП)(С БОЛТОВЫМ КРЕПЛЕНИЕМ) (ОПЦИЯ) БАШМАК ГУСЕНИЦЫ - FLAT 400 ММ ШИРОКИЕ KOMATSU СЕРИЙНЫЙ НОМЕР 10735 И ВЫШЕ

1Артикул: TRACK, TRACK SHOE ASSY Komatsu S/N 10735 & Abv - Was 20T-32-00026
2Артикул: SHOE,, SHOE, TRACK Komatsu S/N 10735 & Abv - Was 20T-32-42420
3Артикул: 6639066, SHO BOLT Komatsu S/N 10735 & Abv
Подробнее >