+7 (701) 588 50 05 Телефон для связи
RU

WhatsApp

Позвонить

НАДСТРОЙКА в Алматы

ОТДАЧА ПРУЖИНЫ (ДЛЯ ВСЕХ РЕЗИНОВЫХ ГУСЕНИЦ)

ОТДАЧА ПРУЖИНЫ (ДЛЯ ВСЕХ РЕЗИНОВЫХ ГУСЕНИЦ)

1Артикул: 6595264, SPRING ASSY. Ref. 2-8
2Артикул: 6587493, SHAFT
3Артикул: 6645812, SCREW, BLEED
Подробнее >
РОЛИК ГУСЕНИЦЫ

РОЛИК ГУСЕНИЦЫ

1Артикул: ROLLER, ROLLER See Illustration TRACK ROLLER/ NA2024 - NLA - assy - Ref. 2-11 - Was 6810770 - A
2Артикул: 1DM20, NUT
3Артикул: 6EM200, WASHER
Подробнее >
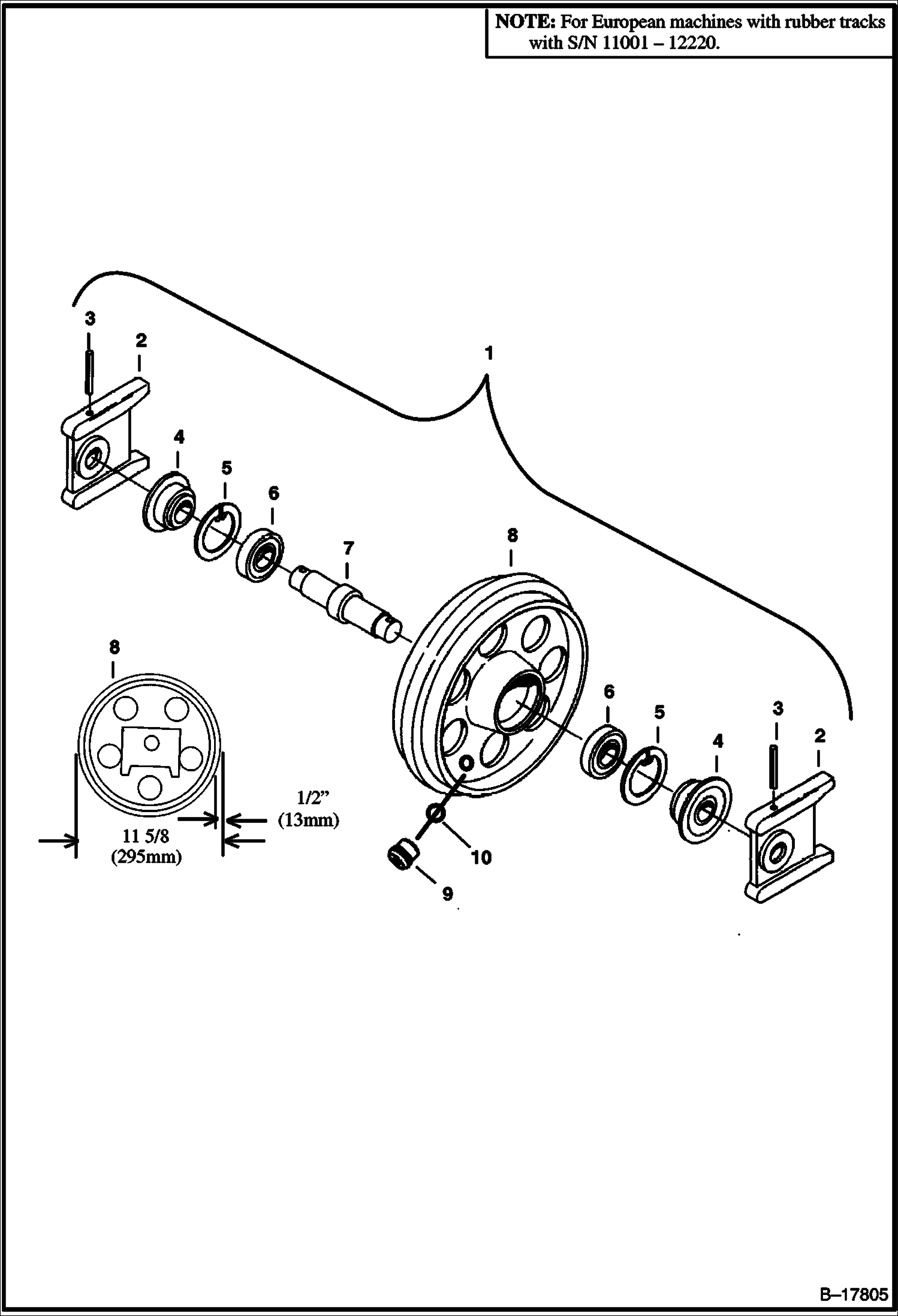
ЗАЩИТА РОЛИКОВ ГУСЕНИЦЫ (ДЛЯ ВСЕХ СТАЛЬНЫХ ГУСЕНИЦ И ДЛЯ РЕЗИНОВЫХ ГУСЕНИЦ НА ЕВРОПЕЙСКИХ МОДЕЛЯХ)

ЗАЩИТА РОЛИКОВ ГУСЕНИЦЫ (ДЛЯ ВСЕХ СТАЛЬНЫХ ГУСЕНИЦ И ДЛЯ РЕЗИНОВЫХ ГУСЕНИЦ НА ЕВРОПЕЙСКИХ МОДЕЛЯХ)

1Артикул: ROLLER, ROLLER ASSY. NLA - Assy. - Ref. 2-11 - Order 6810770 - Was 6589002 - A
2Артикул: 36DM20, NUT
3Артикул: 6EM200, WASHER
Подробнее >
ОТДАЧА ПРУЖИНЫ (ДЛЯ ВСЕХ СТАЛЬНЫХ ГУСЕНИЦ)

ОТДАЧА ПРУЖИНЫ (ДЛЯ ВСЕХ СТАЛЬНЫХ ГУСЕНИЦ)

1Артикул: 6535638, TRACK TENSIONER Ref. 2-8
2Артикул: 6587493, SHAFT
3Артикул: 6645812, SCREW, BLEED
Подробнее >
ПЕРЕДНЕЕ НАТЯЖНОЕ КОЛЕСО (ДЛЯ ВСЕХ РЕЗИНОВЫХ ГУСЕНИЦ - КРОМЕ ЕВРОПЕЙСКИХ МОДЕЛЕЙ)

ПЕРЕДНЕЕ НАТЯЖНОЕ КОЛЕСО (ДЛЯ ВСЕХ РЕЗИНОВЫХ ГУСЕНИЦ - КРОМЕ ЕВРОПЕЙСКИХ МОДЕЛЕЙ)

1Артикул: 6808137, FRONT IDLER Assy. - Ref. 2-8
2Артикул: 6588995, BLOCK
3Артикул: 2JM1060, PIN
Подробнее >
ЗАЩИТА РОЛИКОВ ГУСЕНИЦЫ (ИЗ СТАЛИ ИЛИ РЕЗИНОВЫЕ ГУСЕНИЦЫ) (С БОЛТОВЫМ КРЕПЛЕНИЕМ)

ЗАЩИТА РОЛИКОВ ГУСЕНИЦЫ (ИЗ СТАЛИ ИЛИ РЕЗИНОВЫЕ ГУСЕНИЦЫ) (С БОЛТОВЫМ КРЕПЛЕНИЕМ)

1Артикул: 7013575, ROLLER, TRACK for rubber tracks only - Was 6693489 - A
2Артикул: 7013576, ROLLER, TRACK for steel tracks only - Was 6693497 - A
3Артикул: 7011925, BOLT
Подробнее >
ПЕРЕДНЕЕ НАТЯЖНОЕ КОЛЕСО (ДЛЯ ВСЕХ РЕЗИНОВЫХ ГУСЕНИЦ - КРОМЕ ЕВРОПЕЙСКИХ МОДЕЛЕЙ)

ПЕРЕДНЕЕ НАТЯЖНОЕ КОЛЕСО (ДЛЯ ВСЕХ РЕЗИНОВЫХ ГУСЕНИЦ - КРОМЕ ЕВРОПЕЙСКИХ МОДЕЛЕЙ)

1Артикул: FRONT, FRONT IDLER NLA - assy. - Ref. 2-8 - Order 6808137 - Was 6588999 - A
2Артикул: 6588995, BLOCK Was 6535559 - A
3Артикул: 2JM1060, PIN
Подробнее >
ПЕРЕДНЕЕ НАТЯЖНОЕ КОЛЕСО (ДЛЯ ВСЕХ СТАЛЬНЫХ ГУСЕНИЦ И ДЛЯ РЕЗИНОВЫХ ГУСЕНИЦ ЕВРОПЕЙСКИХ МОДЕЛЕЙ)

ПЕРЕДНЕЕ НАТЯЖНОЕ КОЛЕСО (ДЛЯ ВСЕХ СТАЛЬНЫХ ГУСЕНИЦ И ДЛЯ РЕЗИНОВЫХ ГУСЕНИЦ ЕВРОПЕЙСКИХ МОДЕЛЕЙ)

1Артикул: 6808250, FRONT IDLER Assy. - Ref. 2-8
2Артикул: 6588995, BLOCK
3Артикул: 2JM1060, PIN
Подробнее >
ЗАЩИТА РОЛИКОВ ГУСЕНИЦЫ (КАУЧУК)

ЗАЩИТА РОЛИКОВ ГУСЕНИЦЫ (КАУЧУК)

1Артикул: TRACK, TRACK ROLLER See Illustration TRACK ROLLER/ NA2024 - NLA - assy - Ref. 2-11 - Was 6810767 - A
2Артикул: 1DM20, NUT
3Артикул: 6EM200, WASHER
Подробнее >
ЗАЩИТА РОЛИКОВ ГУСЕНИЦЫ (ДЛЯ ВСЕХ РЕЗИНОВЫХ ГУСЕНИЦ - КРОМЕ ЕВРОПЕЙСКИХ МОДЕЛЕЙ)

ЗАЩИТА РОЛИКОВ ГУСЕНИЦЫ (ДЛЯ ВСЕХ РЕЗИНОВЫХ ГУСЕНИЦ - КРОМЕ ЕВРОПЕЙСКИХ МОДЕЛЕЙ)

1Артикул: ROLLER, ROLLER NLA - Assy. - Ref. 2-11 - Order 6810767 - Was 6589006 - A
2Артикул: 36DM20, NUT
3Артикул: 6EM200, WASHER
Подробнее >
ЗАЩИТА РОЛИКОВ ГУСЕНИЦЫ (ИЗ СТАЛИ ИЛИ РЕЗИНОВЫЕ ГУСЕНИЦЫ) (УСТАНОВЛЕННАЯ ГАЙКА)

ЗАЩИТА РОЛИКОВ ГУСЕНИЦЫ (ИЗ СТАЛИ ИЛИ РЕЗИНОВЫЕ ГУСЕНИЦЫ) (УСТАНОВЛЕННАЯ ГАЙКА)

1Артикул: ROLLER,, ROLLER, TRACK See Illustration TRACK ROLLER/ NA2024 - NLA - Ref. 2-9 - for rubber tracks only - Was 6815119 - A
2Артикул: ROLLER, ROLLER ASSY See Illustration TRACK ROLLER/ NA2024 - NLA - Ref. 2-9 - for steel track only - Was 6815123 - A
3Артикул: 6679881, SEAL, OIL
Подробнее >