+7 (701) 588 50 05 Телефон для связи
RU

WhatsApp

Позвонить

ПОГРУЗЧИК в Алматы

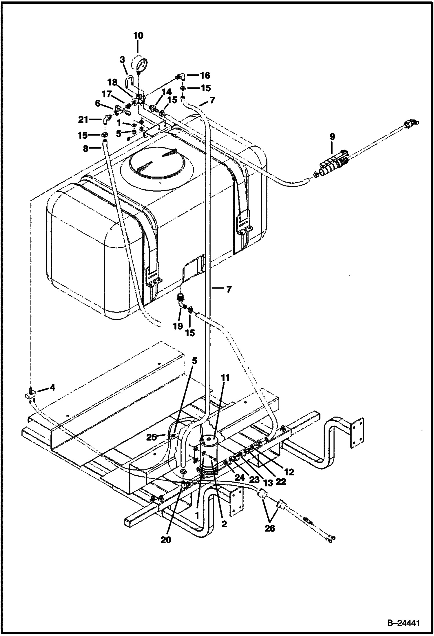
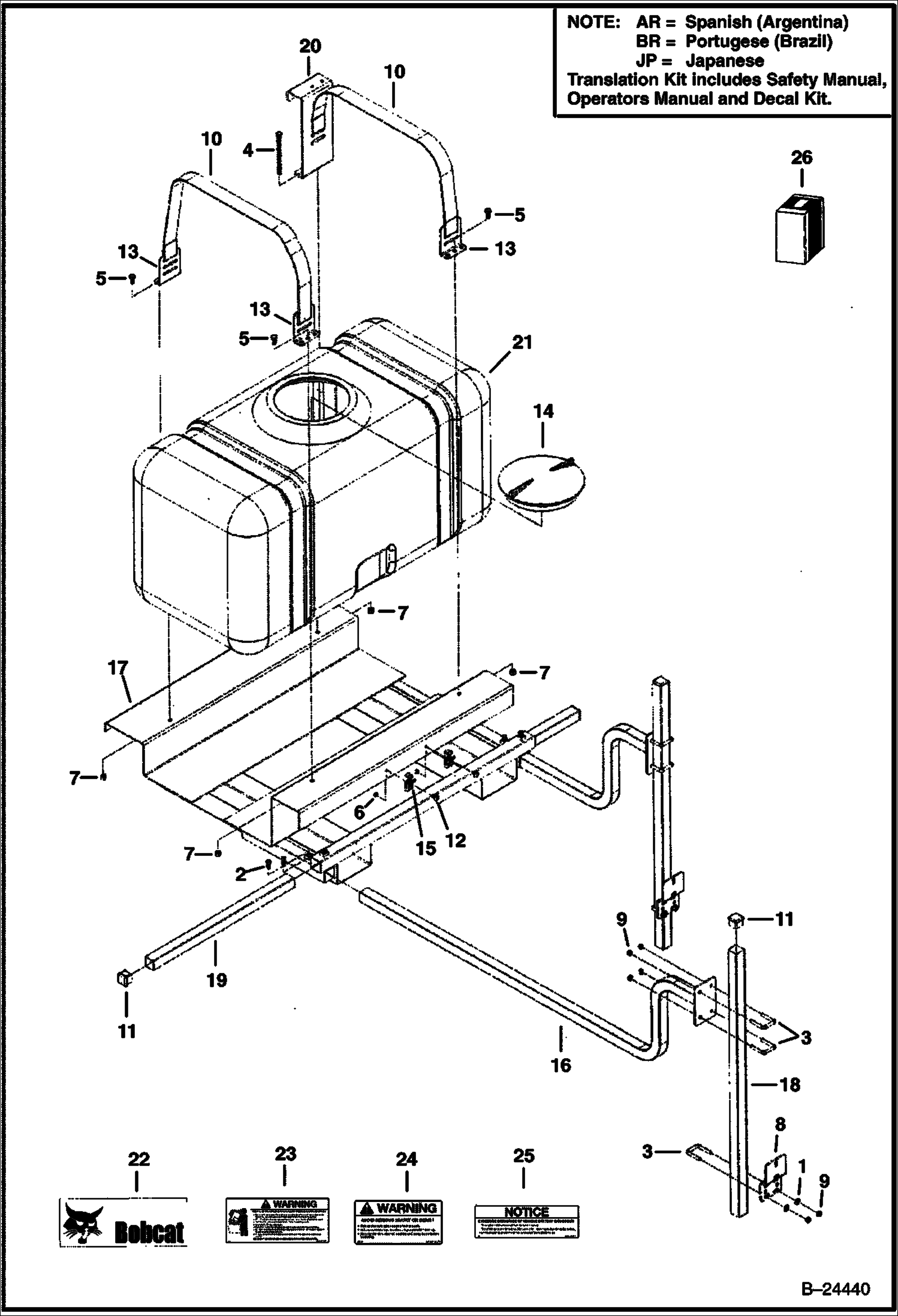
РАСПЫЛИТЕЛЬ (КОМПЛЕКТ ДЛЯ ПРОКЛАДКИ ТРУБ) (75 GAL 0054) (80 GAL A7F2)

РАСПЫЛИТЕЛЬ (КОМПЛЕКТ ДЛЯ ПРОКЛАДКИ ТРУБ) (75 GAL 0054) (80 GAL A7F2)

1Артикул: 6959269, KIT PLUMBING WK MACH Ref. 2-20 - Was SALES
2Артикул: 6658148, COUPLER
3Артикул: 6658152, NUT
Подробнее >
РАСПЫЛИТЕЛЬ (РАМА ШАССИ) (75 GAL 0054)

РАСПЫЛИТЕЛЬ (РАМА ШАССИ) (75 GAL 0054)

1Артикул: 6624289, STRAP, TIE
2Артикул: 6676601, DECAL logo
3Артикул: 6676602, DECAL logo
Подробнее >
РАСПЫЛИТЕЛЬ (НАСОС) (40 GAL A7W3) (75 GAL 0054) (80 GAL A7F2)

РАСПЫЛИТЕЛЬ (НАСОС) (40 GAL A7W3) (75 GAL 0054) (80 GAL A7F2)

1Артикул: PUMP, PUMP SEE NA6767 - NLA - Ref. 2-5 - Order 7025217 pump - Was 6684611 - A
2Артикул: HOUSING,, HOUSING, UPPER NLA - Order Ref. 1 - Was 6685705 - A
3Артикул: 6685706, HOUSING valve
Подробнее >
РАСПЫЛИТЕЛЬ (ТРЕХХОДОВЫЙ КЛАПАН ДЛЯ СТРЕЛЫ ДЛИНОЙ 21 ФУТ) (75 GAL 0054) (80 GAL A7F2)

РАСПЫЛИТЕЛЬ (ТРЕХХОДОВЫЙ КЛАПАН ДЛЯ СТРЕЛЫ ДЛИНОЙ 21 ФУТ) (75 GAL 0054) (80 GAL A7F2)

1Артикул: 6684621, VALVE ASSY W/Ref. 2 - 23
2Артикул: HANDLE, HANDLE NSS
3Артикул: RIVET, RIVET NSS
Подробнее >
РАСПЫЛИТЕЛЬ (21 СТРЕЛА В СБОРЕ И ФОРСУНКИ) (75 GAL 0054) (80 GAL A7F2)

РАСПЫЛИТЕЛЬ (21 СТРЕЛА В СБОРЕ И ФОРСУНКИ) (75 GAL 0054) (80 GAL A7F2)

1Артикул: 6685009, FRAME, SPRAYER Ref. 2-35
2Артикул: 6685670, PIN
3Артикул: 6685671, BRACKET
Подробнее >
РАСПЫЛИТЕЛЬ (ПРОКЛАДКА ТРУБ) (40 GAL A7W3)

РАСПЫЛИТЕЛЬ (ПРОКЛАДКА ТРУБ) (40 GAL A7W3)

1Артикул: 7002754, TANK, SPRAYER 40 GAL See Illustration SPRAYER/ B23952
2Артикул: 6684618, GUN, SPRAY See Illustration SPRAYER/ B22770
3Артикул: 6684620, HOSE .375-- ID - bulk-sold per foot
Подробнее >
РАСПЫЛИТЕЛЬ (ПРОКЛАДКА ТРУБ) (80 GAL A7F2)

РАСПЫЛИТЕЛЬ (ПРОКЛАДКА ТРУБ) (80 GAL A7F2)

1Артикул: 7002756, TANK, SPRAYER 80 GAL See Illustration SPRAYER/ B23952A
2Артикул: 6684618, GUN, SPRAY See Illustration SPRAYER/ B22770
3Артикул: 6684620, HOSE .375-- ID - bulk-sold per foot
Подробнее >
РАСПЫЛИТЕЛЬ (БАК И КРЕПЛЕНИЕ) (50 GAL 0059)

РАСПЫЛИТЕЛЬ (БАК И КРЕПЛЕНИЕ) (50 GAL 0059)

1Артикул: 25E15, WASHER
2Артикул: 13G620, SET SCREW Was 13G612 - A
3Артикул: 6685672, U-BOLT
Подробнее >
РАСПЫЛИТЕЛЬ (ПЕРЕХОДНИК РАСПЫЛИТЕЛЯ - ГАЗОН И ПОВОРОТ) (75 GAL 0054) (80 GAL A7F2)

РАСПЫЛИТЕЛЬ (ПЕРЕХОДНИК РАСПЫЛИТЕЛЯ - ГАЗОН И ПОВОРОТ) (75 GAL 0054) (80 GAL A7F2)

1Артикул: 6685043, SPRAY WAND W/Ref. 2 - 10
2Артикул: O-RING, O-RING NSS - order Ref. 11
3Артикул: BODY, BODY NSS - order Ref. 1
Подробнее >
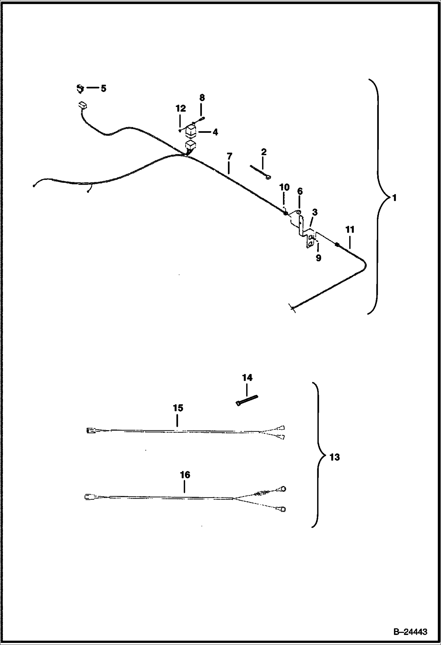
РАСПЫЛИТЕЛЬ (КОМПЛЕКТ ДЕТАЛЕЙ ЖГУТА ПРОВОДКИ НА 5600 СЕРИИ TOOLCAT ИЛИ 2100 ВНЕДОРОЖНИК) (50 GAL 0059)

РАСПЫЛИТЕЛЬ (КОМПЛЕКТ ДЕТАЛЕЙ ЖГУТА ПРОВОДКИ НА 5600 СЕРИИ TOOLCAT ИЛИ 2100 ВНЕДОРОЖНИК) (50 GAL 0059)

1Артикул: HARNESS, HARNESS KIT SALES - for 5600 Toolcat Utility Work Machine - W/Ref. 2-12 - Sales #7106665
2Артикул: 6624289, STRAP, TIE
3Артикул: 6959178, MOUNT
Подробнее >
РАСПЫЛИТЕЛЬ (РАМА ШАССИ) (40 GAL A7W3)

РАСПЫЛИТЕЛЬ (РАМА ШАССИ) (40 GAL A7W3)

1Артикул: 7002754, TANK, SPRAYER 40 GAL See Illustration SPRAYER/ B23952
2Артикул: 6685668, CAP
3Артикул: 7002759, FRAME, SPRAYER
Подробнее >
РАСПЫЛИТЕЛЬ (ПЕРЕХОДНИК РАСПЫЛИТЕЛЯ) (60 GAL B133) (75 GAL 0054) (80 GAL A7F2)

РАСПЫЛИТЕЛЬ (ПЕРЕХОДНИК РАСПЫЛИТЕЛЯ) (60 GAL B133) (75 GAL 0054) (80 GAL A7F2)

1Артикул: 6684618, GUN, SPRAY W/Ref. 2 - 26
2Артикул: SCREW, SCREW NSS
3Артикул: SCREW, SCREW NSS
Подробнее >
РАСПЫЛИТЕЛЬ (10 СТРЕЛА И ПРОКЛАДКА ТРУБ) (40 GAL A7W3) (50 GAL 0059) (60 GAL B133)

РАСПЫЛИТЕЛЬ (10 СТРЕЛА И ПРОКЛАДКА ТРУБ) (40 GAL A7W3) (50 GAL 0059) (60 GAL B133)

1Артикул: 25E15, WASHER
2Артикул: 6686844, PIN
3Артикул: 6685674, BOLT
Подробнее >
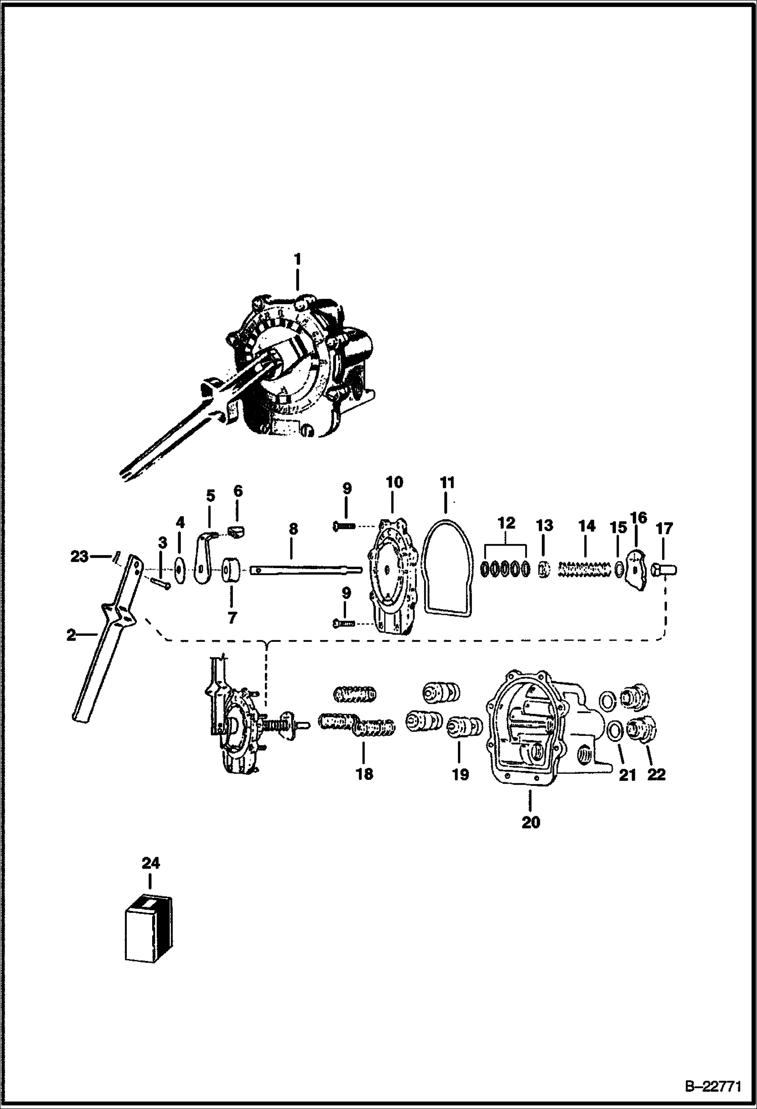
РАСПЫЛИТЕЛЬ (21 КОМПЛЕКТ СТРЕЛ) (75 GAL 0054) (80 GAL A7F2)

РАСПЫЛИТЕЛЬ (21 КОМПЛЕКТ СТРЕЛ) (75 GAL 0054) (80 GAL A7F2)

1Артикул: KIT,, KIT, FRAME SPRAYER NLA - Order components - Ref. 2-35 - Was SALES #6959268 - D
2Артикул: 6684615, CAP coupler
3Артикул: 6684621, VALVE ASSY See Illustration SPRAYER/ B22771
Подробнее >
РАСПЫЛИТЕЛЬ (БАК) (80 GAL A7F2)

РАСПЫЛИТЕЛЬ (БАК) (80 GAL A7F2)

1Артикул: 7002751, AGITATOR
2Артикул: 6685030, ADAPTER
3Артикул: 7002752, FITTING
Подробнее >
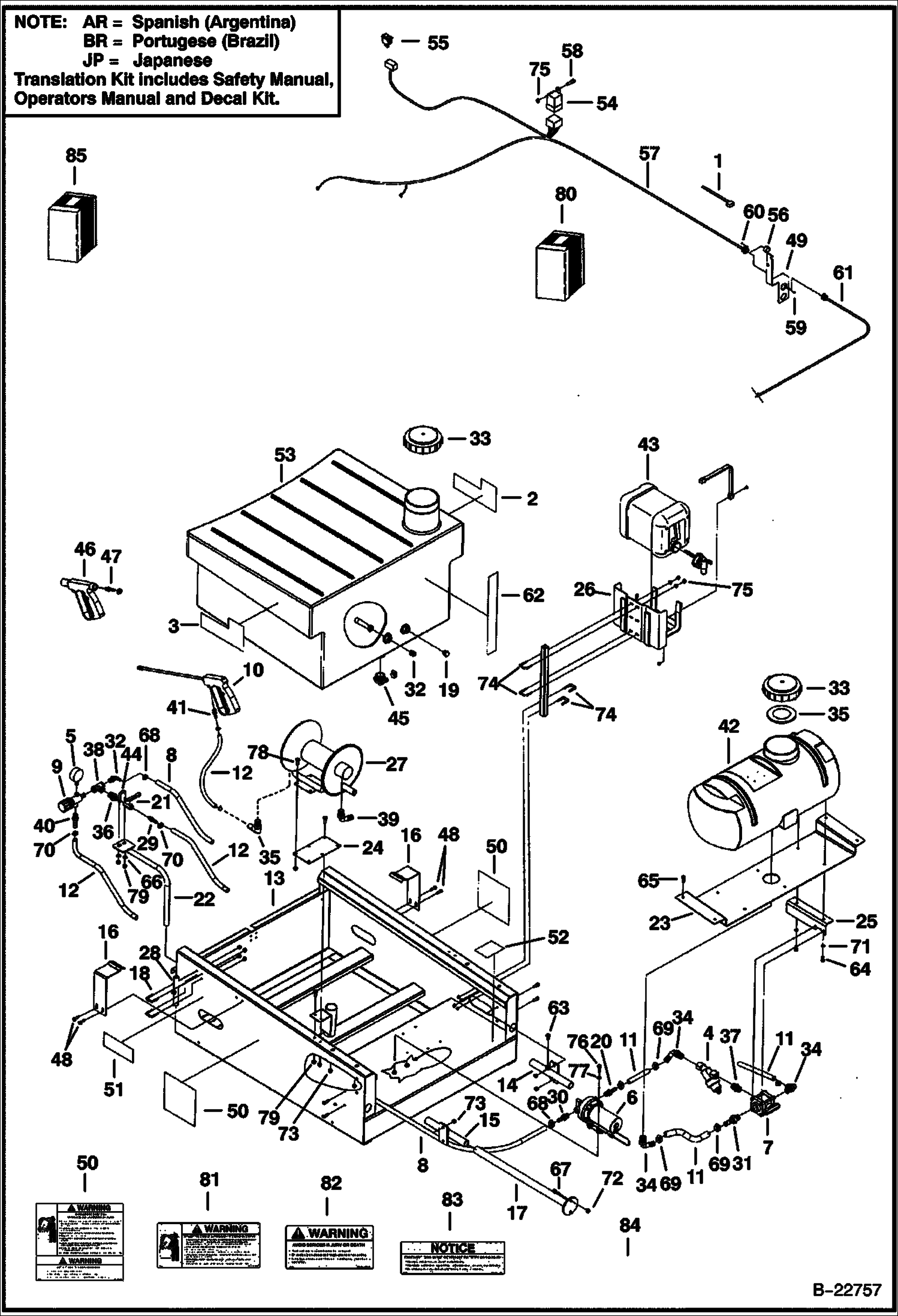
РАСПЫЛИТЕЛЬ (ВАННА ДЛЯ ПРОМЫВКИ, ЭЛЕКТРИКА И ПРЕДУПРЕЖДАЮЩИЕ ТАБЛИЧКИ) (80 GAL A7F2)

РАСПЫЛИТЕЛЬ (ВАННА ДЛЯ ПРОМЫВКИ, ЭЛЕКТРИКА И ПРЕДУПРЕЖДАЮЩИЕ ТАБЛИЧКИ) (80 GAL A7F2)

1Артикул: 6684999, TANK, WASH EYE 2.5 gallon
2Артикул: 7003004, BRACKET, TANK
3Артикул: 7003002, SPOUT, TANK
Подробнее >
РАСПЫЛИТЕЛЬ (КОМПЛЕКТ ДЕТАЛЕЙ РАСПЫЛИТЕЛЯ ФОРСУНКИ)

РАСПЫЛИТЕЛЬ (КОМПЛЕКТ ДЕТАЛЕЙ РАСПЫЛИТЕЛЯ ФОРСУНКИ)

1Артикул: 7113709, KIT, NOZZLE SPRAY Ref. 2-16 - Was SALES - D
2Артикул: 6655687, FITTING, TEE W/Nut
3Артикул: 6655688, FITTING, ELBOW W/Nut
Подробнее >
РАСПЫЛИТЕЛЬ (РАМА И КРЕПЛЕНИЕ) (80 GAL A7F2)

РАСПЫЛИТЕЛЬ (РАМА И КРЕПЛЕНИЕ) (80 GAL A7F2)

1Артикул: 7002756, TANK, SPRAYER 80 GAL See Illustration SPRAYER/ B23952A
2Артикул: 6685668, CAP
3Артикул: 7002759, FRAME, SPRAYER
Подробнее >
РАСПЫЛИТЕЛЬ (БАК) (40 GAL A7W3)

РАСПЫЛИТЕЛЬ (БАК) (40 GAL A7W3)

1Артикул: 7002751, AGITATOR
2Артикул: 6685030, ADAPTER
3Артикул: 7002752, FITTING
Подробнее >
РАСПЫЛИТЕЛЬ (НАСОС) (50 GAL 0059)

РАСПЫЛИТЕЛЬ (НАСОС) (50 GAL 0059)

1Артикул: 6684962, PUMP W/Ref. 2 - 7
2Артикул: 6685719, PUMP ASSY W/Ref. 3 - 6
3Артикул: 6685720, HOUSING upper
Подробнее >
РАСПЫЛИТЕЛЬ (ПРОКЛАДКА ТРУБ) (50 GAL 0059)

РАСПЫЛИТЕЛЬ (ПРОКЛАДКА ТРУБ) (50 GAL 0059)

1Артикул: 25E13, WASHER 5
2Артикул: 17C420, BOLT
3Артикул: 6685703, U-BOLT Was 6686832 - A
Подробнее >
РАСПЫЛИТЕЛЬ (КОМПЛЕКТ ДЕТАЛЕЙ ЖГУТА ПРОВОДКИ) (40 GAL A7W3)

РАСПЫЛИТЕЛЬ (КОМПЛЕКТ ДЕТАЛЕЙ ЖГУТА ПРОВОДКИ) (40 GAL A7W3)

1Артикул: 7139670, KIT, HARNESS For 2100 Utility Vehicle - Ref. 2, 3, 4 (7139681 harness), 5 & 12 - Was SALES #7139670 - D
2Артикул: 7200094, KIT, HARNESS For 3200, 3400 Utility Vehicles - Ref. 2, 3, 5, 6 & 12 - Was NLA - D
3Артикул: 6624289, STRAP, TIE
Подробнее >