+7 (701) 588 50 05 Телефон для связи
RU

WhatsApp

Позвонить

ПОГРУЗЧИК в Алматы

ПИТАНИЕ СИСТЕМЫ НАКЛОНА (ЦИЛИНДР)

ПИТАНИЕ СИСТЕМЫ НАКЛОНА (ЦИЛИНДР)

1Артикул: 6586700, CYLINDER, TILT W/Ref. 2 - 15
2Артикул: 6586949, CASE
3Артикул: 92D12, NUT
Подробнее >
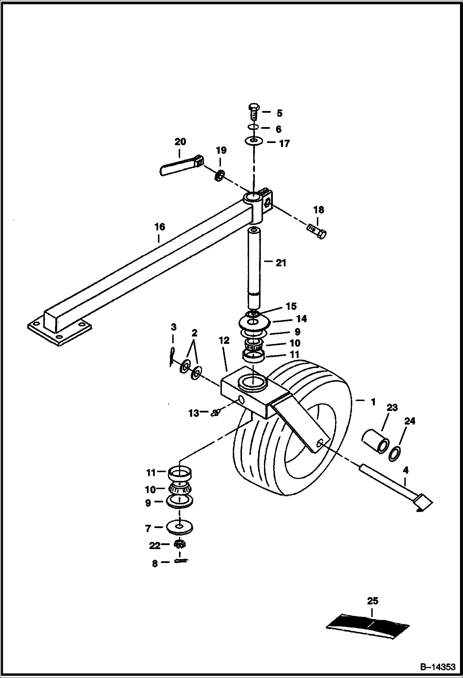
ПИТАНИЕ СИСТЕМЫ НАКЛОНА (РОЛИК В СБОРЕ) (72-- 925100720 И ВЫШЕ)

ПИТАНИЕ СИСТЕМЫ НАКЛОНА (РОЛИК В СБОРЕ) (72-- 925100720 И ВЫШЕ)

1Артикул: WHEEL, WHEEL & TIRE See Illustration POWER RAKE/ B24278 NLA - Order 6686562 wheel & tire kit - Was 6678214 - A
2Артикул: TIRE, TIRE 16.5 x 6.5-8 - puchase locally
3Артикул: 6678216, BOLT
Подробнее >
ПИТАНИЕ СИСТЕМЫ НАКЛОНА (ГИДРАВЛИКА И ЭЛЕКТРИКА) (72-- 925100101 - 00552)

ПИТАНИЕ СИСТЕМЫ НАКЛОНА (ГИДРАВЛИКА И ЭЛЕКТРИКА) (72-- 925100101 - 00552)

1Артикул: 15K8, FITTING
2Артикул: 6666970, HOSE
3Артикул: 6666971, HOSE
Подробнее >
ПИТАНИЕ СИСТЕМЫ НАКЛОНА (РАМА ШАССИ И КРЕПЕЖНЫЕ ДЕТАЛИ) (72-- 925100101 - 00719)

ПИТАНИЕ СИСТЕМЫ НАКЛОНА (РАМА ШАССИ И КРЕПЕЖНЫЕ ДЕТАЛИ) (72-- 925100101 - 00719)

1Артикул: 6667017, U-BOLT
2Артикул: 6666963, STRAP
3Артикул: 6666964, BARRIER
Подробнее >
ПИТАНИЕ СИСТЕМЫ НАКЛОНА (ПРЕДУПРЕЖДАЮЩИЕ ТАБЛИЧКИ) (БЕЗ ТЕКСТА)

ПИТАНИЕ СИСТЕМЫ НАКЛОНА (ПРЕДУПРЕЖДАЮЩИЕ ТАБЛИЧКИ) (БЕЗ ТЕКСТА)

1Артикул: 6708822, DECAL, WARNING
2Артикул: 7130144, DECAL, WARNING no-text
Подробнее >
ПИТАНИЕ СИСТЕМЫ НАКЛОНА (РАМА ШАССИ И КРЕПЕЖНЫЕ ДЕТАЛИ) (72-- 925100720 И ВЫШЕ)

ПИТАНИЕ СИСТЕМЫ НАКЛОНА (РАМА ШАССИ И КРЕПЕЖНЫЕ ДЕТАЛИ) (72-- 925100720 И ВЫШЕ)

1Артикул: 6677004, COVER
2Артикул: 6666963, STRAP
3Артикул: 6666964, BARRIER
Подробнее >
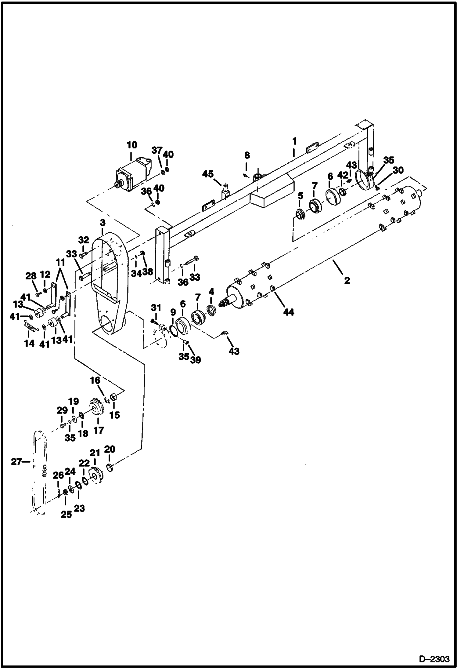
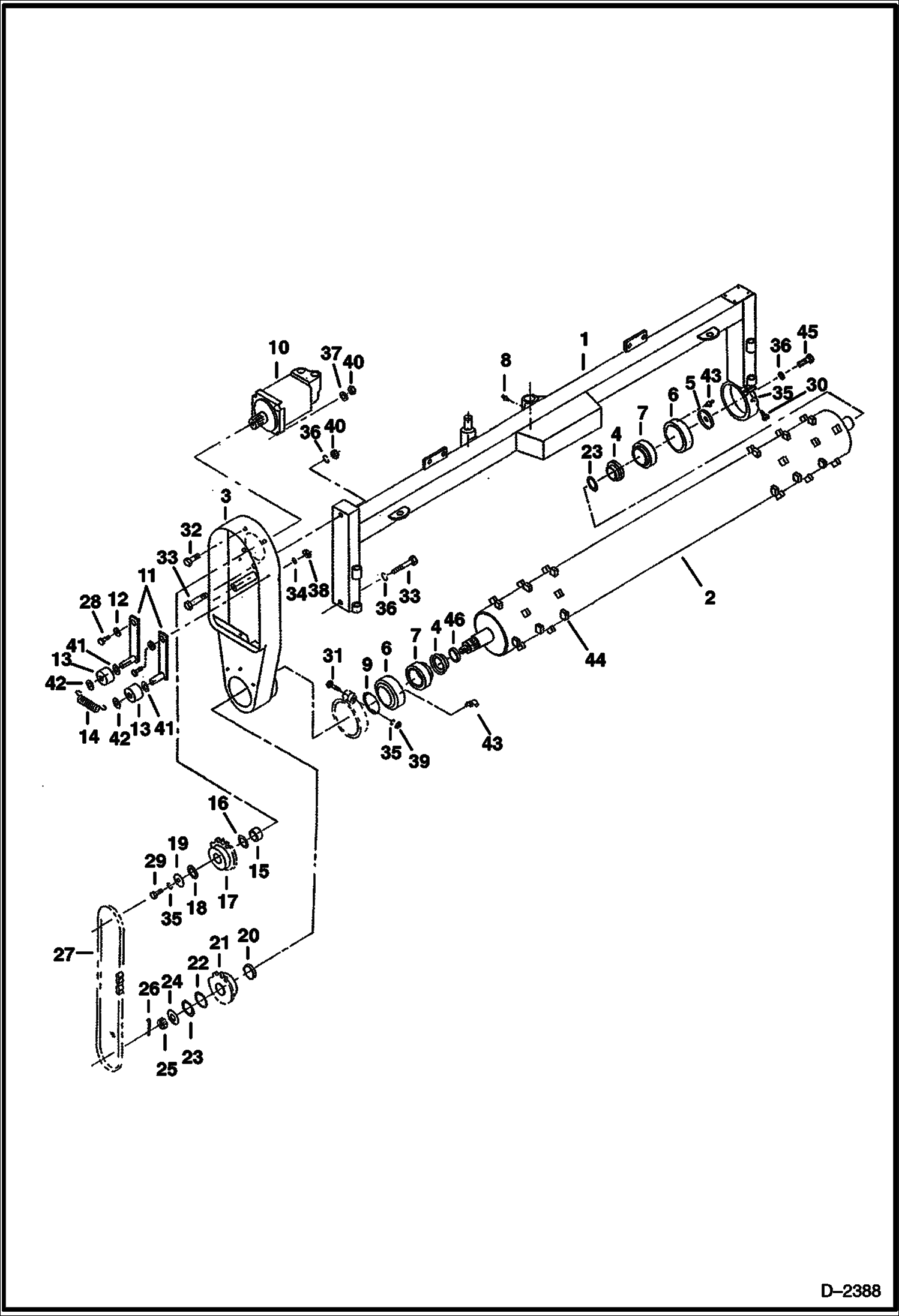
ПИТАНИЕ СИСТЕМЫ НАКЛОНА (ПОДШИПНИК И КОРОБКА ДЛЯ УКЛАДКИ ЦЕПИ ASSY) (72-- 925100101 - 00350)

ПИТАНИЕ СИСТЕМЫ НАКЛОНА (ПОДШИПНИК И КОРОБКА ДЛЯ УКЛАДКИ ЦЕПИ ASSY) (72-- 925100101 - 00350)

1Артикул: 6666982, FRAME
2Артикул: ROLLER, ROLLER NLA - W/Ref. 44 - w/ std. square teeth - Was 6666981 - A
3Артикул: 6675241, ROLLER W/Ref. 44 - with carbide teeth
Подробнее >
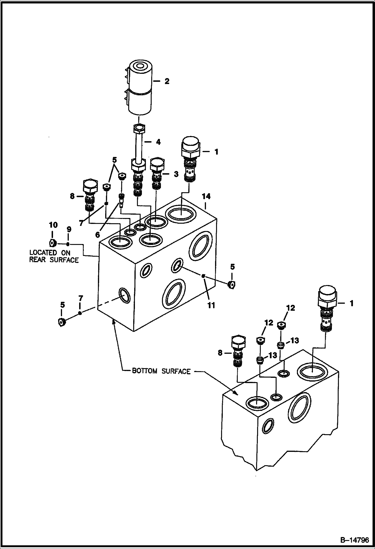
ПИТАНИЕ СИСТЕМЫ НАКЛОНА (КЛАПАН) (72-- 925100101 - 00552)

ПИТАНИЕ СИСТЕМЫ НАКЛОНА (КЛАПАН) (72-- 925100101 - 00552)

1Артикул: 6667020, LOGIC ELEMENT piloted
2Артикул: 6667181, SEAL KIT
3Артикул: 6667019, COIL directional
Подробнее >
СЕРИИ TRAIL BLAZER

СЕРИИ TRAIL BLAZER

1Артикул: WHEEL, WHEEL & TIRE NLA - Order 6686562 std. - Was 6666961 - A
2Артикул: WHEEL, WHEEL & TIRE See Illustration POWER RAKE/ B24278 NLA - heavy duty - Order 6686562 - Was 6678214 - A
3Артикул: TIRE, TIRE 16.5 x 6.5-8 - puchase locally
Подробнее >
ПИТАНИЕ СИСТЕМЫ НАКЛОНА (КЛАПАН) (72-- 925100553 И ВЫШЕ)

ПИТАНИЕ СИСТЕМЫ НАКЛОНА (КЛАПАН) (72-- 925100553 И ВЫШЕ)

1Артикул: 6675186, VALVE ASSY W/Ref. 2 - 14
2Артикул: 6675193, BLOCK
3Артикул: PLUG, PLUG NLA - Was 6673833 - A
Подробнее >
ПИТАНИЕ СИСТЕМЫ НАКЛОНА (ГИДРАВЛИКА И ЭЛЕКТРИКА) (72-- 925100553 И ВЫШЕ)

ПИТАНИЕ СИСТЕМЫ НАКЛОНА (ГИДРАВЛИКА И ЭЛЕКТРИКА) (72-- 925100553 И ВЫШЕ)

1Артикул: 15K8, FITTING
2Артикул: 6666970, HOSE
3Артикул: 6666971, HOSE
Подробнее >
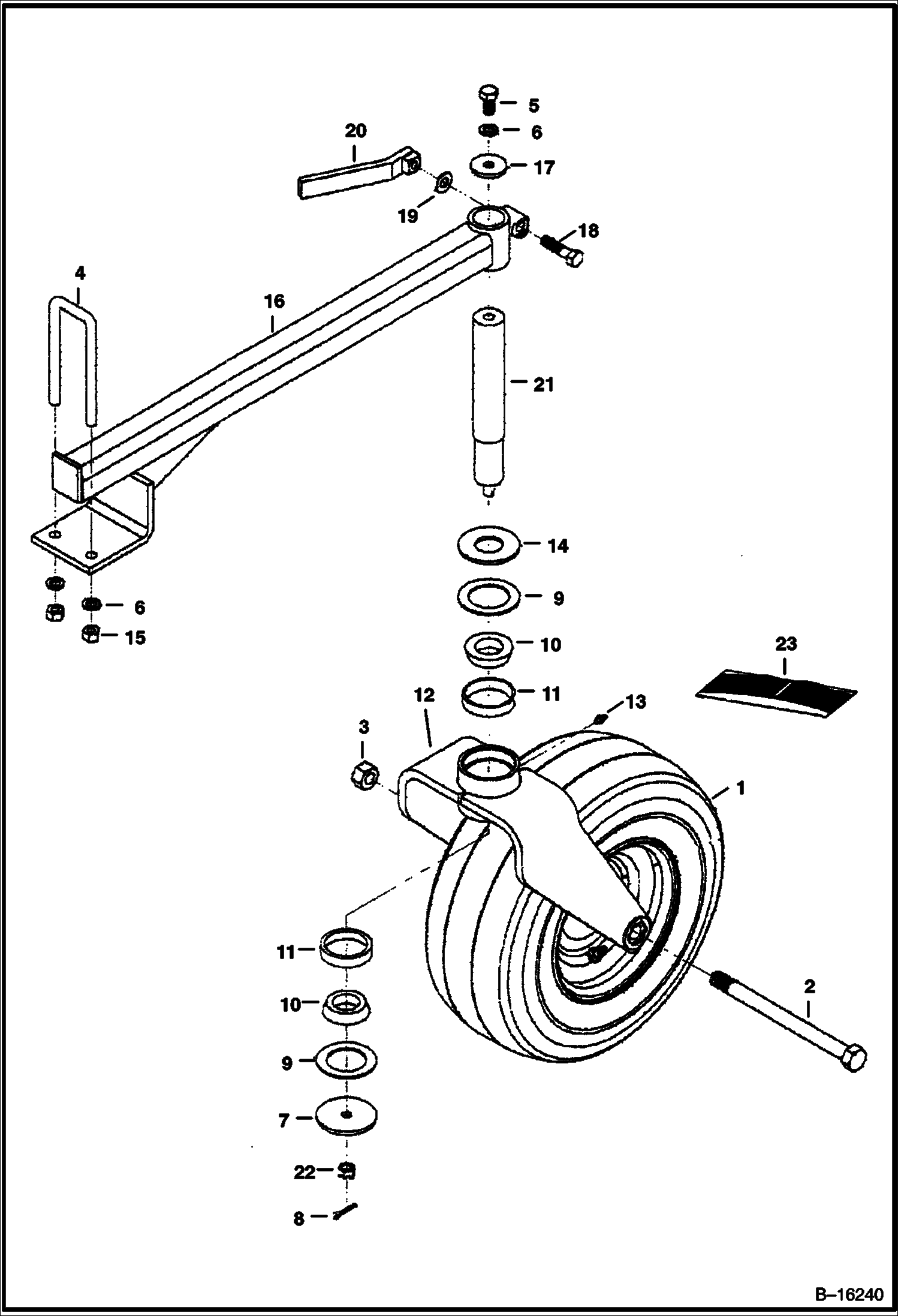
ПИТАНИЕ СИСТЕМЫ НАКЛОНА (КОЛЕСО И КОЛЕСО С ЛИТОЙ СТУПИЦЕЙ В СБОРЕ)

ПИТАНИЕ СИСТЕМЫ НАКЛОНА (КОЛЕСО И КОЛЕСО С ЛИТОЙ СТУПИЦЕЙ В СБОРЕ)

1Артикул: 6686562, KIT, WHEEL AND TIRE W/Ref. 2-11
2Артикул: 6686563, WHEEL AND TIRE W/HUB W/Ref. 3 hub assy
3Артикул: 6686564, RIM AND TIRE ASSY rim & tire only without hub
Подробнее >
ПИТАНИЕ СИСТЕМЫ НАКЛОНА (ПОДШИПНИК И КОРОБКА ДЛЯ УКЛАДКИ ЦЕПИ ASSY) (72-- 925100720 И ВЫШЕ)

ПИТАНИЕ СИСТЕМЫ НАКЛОНА (ПОДШИПНИК И КОРОБКА ДЛЯ УКЛАДКИ ЦЕПИ ASSY) (72-- 925100720 И ВЫШЕ)

1Артикул: 6678210, FRAME
2Артикул: ROLLER, ROLLER NLA - W/Ref. 44 - w/ std. square teeth - Was 6670734 - A
3Артикул: 6674517, ROLLER W/Ref. 44 - with carbide teeth
Подробнее >
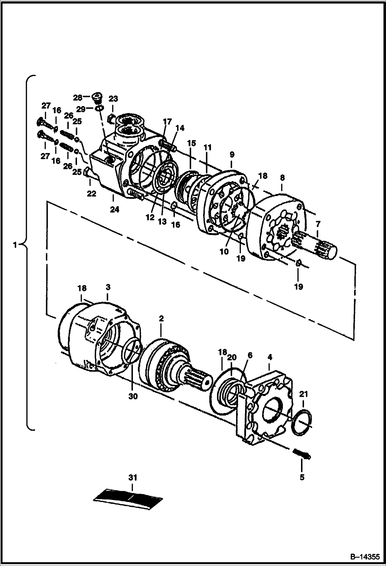
ПИТАНИЕ СИСТЕМЫ НАКЛОНА (ГИДРАВЛИЧЕСКИЙ ДВИГАТЕЛЬ)

ПИТАНИЕ СИСТЕМЫ НАКЛОНА (ГИДРАВЛИЧЕСКИЙ ДВИГАТЕЛЬ)

1Артикул: 6666934, MOTOR Ref. 2 - 30
2Артикул: 6666935, SHAFT
3Артикул: 6666936, HOUSING
Подробнее >
ПИТАНИЕ СИСТЕМЫ НАКЛОНА (ПОДШИПНИК И КОРОБКА ДЛЯ УКЛАДКИ ЦЕПИ ASSY) (72-- 925100351 - 00719)

ПИТАНИЕ СИСТЕМЫ НАКЛОНА (ПОДШИПНИК И КОРОБКА ДЛЯ УКЛАДКИ ЦЕПИ ASSY) (72-- 925100351 - 00719)

1Артикул: 6666982, FRAME
2Артикул: ROLLER, ROLLER NLA - W/Ref. 44 - w/ std. square teeth - Was 6670734 - A
3Артикул: 6674517, ROLLER W/Ref. 44 - with carbide teeth
Подробнее >