ПОГРУЗЧИК в Алматы
БЛОК УПРАВЛЕНИЯ РУЧНОГО ИНСТРУМЕНТА (КОМПЛЕКТ КРОНШТЕЙНОВ С РУЧНЫМ УПРАВЛЕНИЕМ ) (ДЛЯ 5600 A0W111001 И ВЫШЕ)
1Артикул: 7139170, KIT hand bracket - Ref. 2-3
2Артикул: 7135764, BRACKET
3Артикул: 6904737, INSTRUCTIONS
БЛОК УПРАВЛЕНИЯ РУЧНОГО ИНСТРУМЕНТА (КОМПЛЕКТ КРОНШТЕЙНОВ С РУЧНЫМ УПРАВЛЕНИЕМ ) (5600 520511001 И ВЫШЕ)
1Артикул: 6816946, KIT hand bracket - Ref. 2-5
2Артикул: 6816947, BRACKET
3Артикул: 6814305, DECAL warning
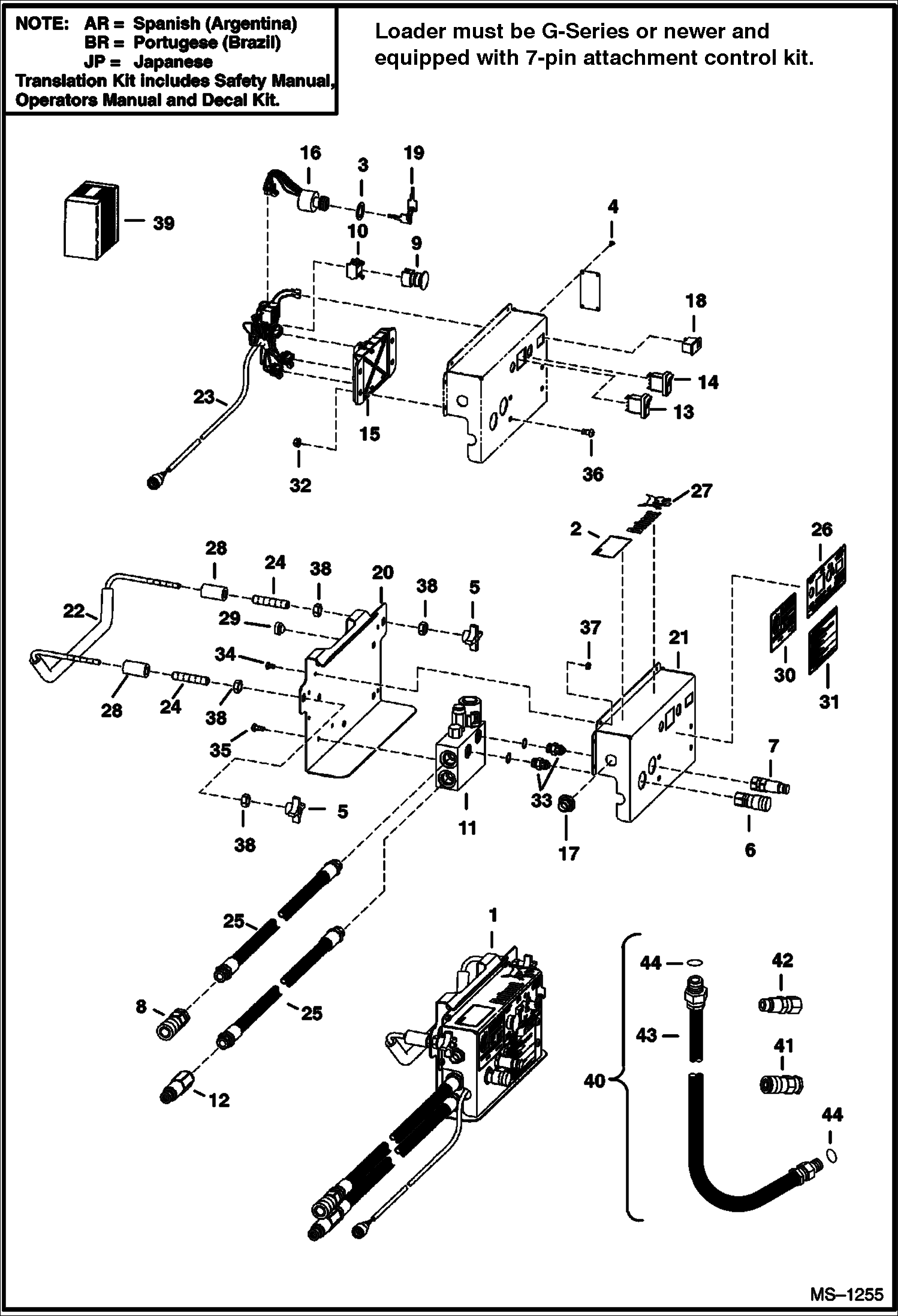
БЛОК УПРАВЛЕНИЯ РУЧНОГО ИНСТРУМЕНТА
1Артикул: 6730048, CONTROL BOX W/Ref. 2 - 38
2Артикул: DECAL, DECAL NLA - patent - Was 6557224 - C
3Артикул: 6573567, WASHER
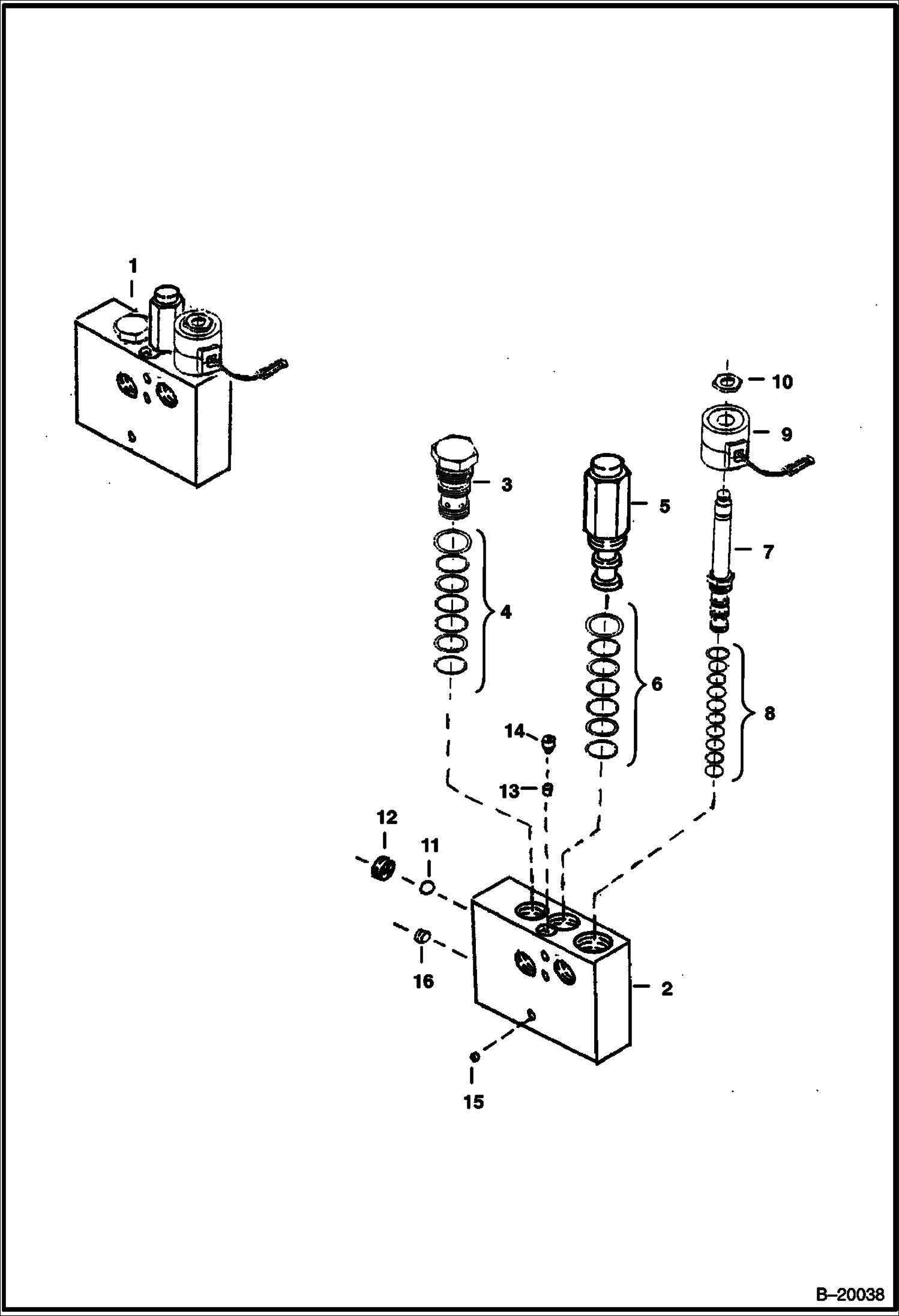
БЛОК УПРАВЛЕНИЯ РУЧНОГО ИНСТРУМЕНТА (КЛАПАН В СБОРЕ)
1Артикул: 6673211, VALVE ASSY W/Ref. 2 - 16
2Артикул: 6678808, BLOCK
3Артикул: 6675187, ELEMENT logic
БЛОК УПРАВЛЕНИЯ РУЧНОГО ИНСТРУМЕНТА (КОМПЛЕКТ КРОНШТЕЙНОВ С РУЧНЫМ УПРАВЛЕНИЕМ ) (5600 A00211001 И ВЫШЕ, A00311001 И ВЫШЕ)
1Артикул: 7120247, KIT hand bracket - Ref. 2-3
2Артикул: 7120051, HAND BRACKET
3Артикул: 6904737, INSTRUCTIONS