+7 (701) 588 50 05 Телефон для связи
RU

WhatsApp

Позвонить

ПОГРУЗЧИК в Алматы

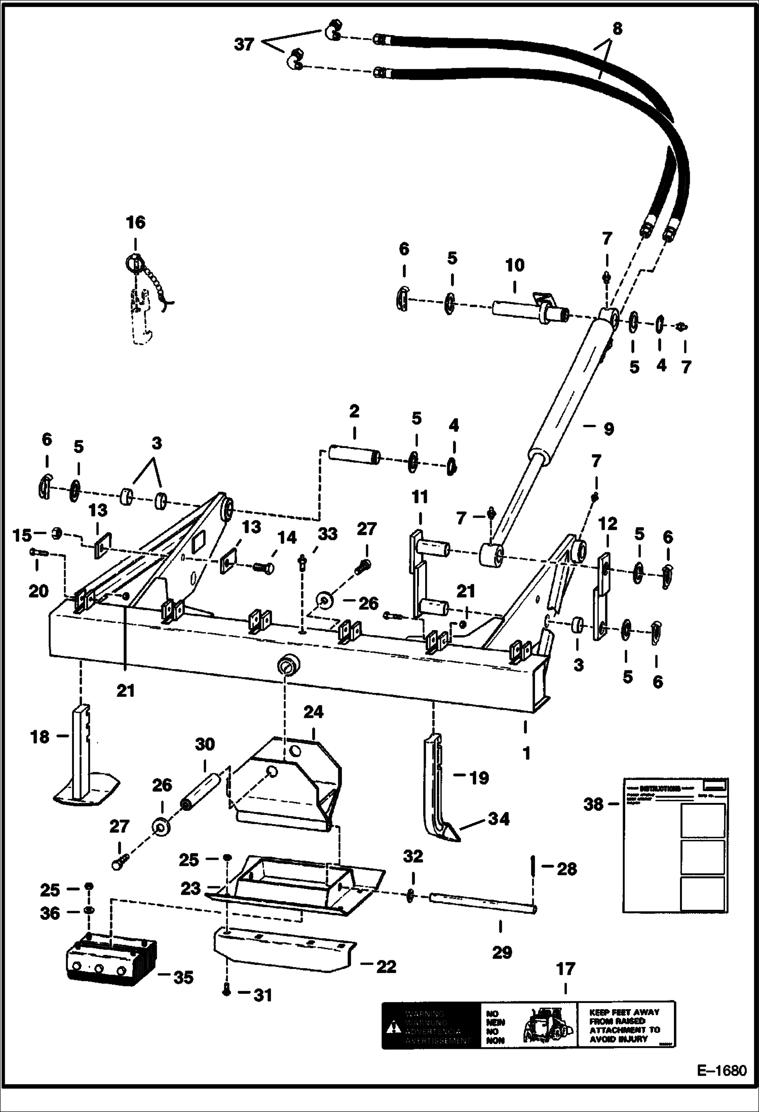
КИРКОВЩИК И СТАБИЛИЗАТОР (943) (953)

КИРКОВЩИК И СТАБИЛИЗАТОР (943) (953)

1Артикул: 6567645, FRAME mounting
2Артикул: 6567640, PIN mounting
3Артикул: 6630953, BUSHING
Подробнее >
КИРКОВЩИК И СТАБИЛИЗАТОР (ЦИЛИНДР) (963)

КИРКОВЩИК И СТАБИЛИЗАТОР (ЦИЛИНДР) (963)

1Артикул: 6803148, CYLINDER tilt - Ref. 2 - 14
2Артикул: 6803164, CASE
3Артикул: 92D12, NUT
Подробнее >
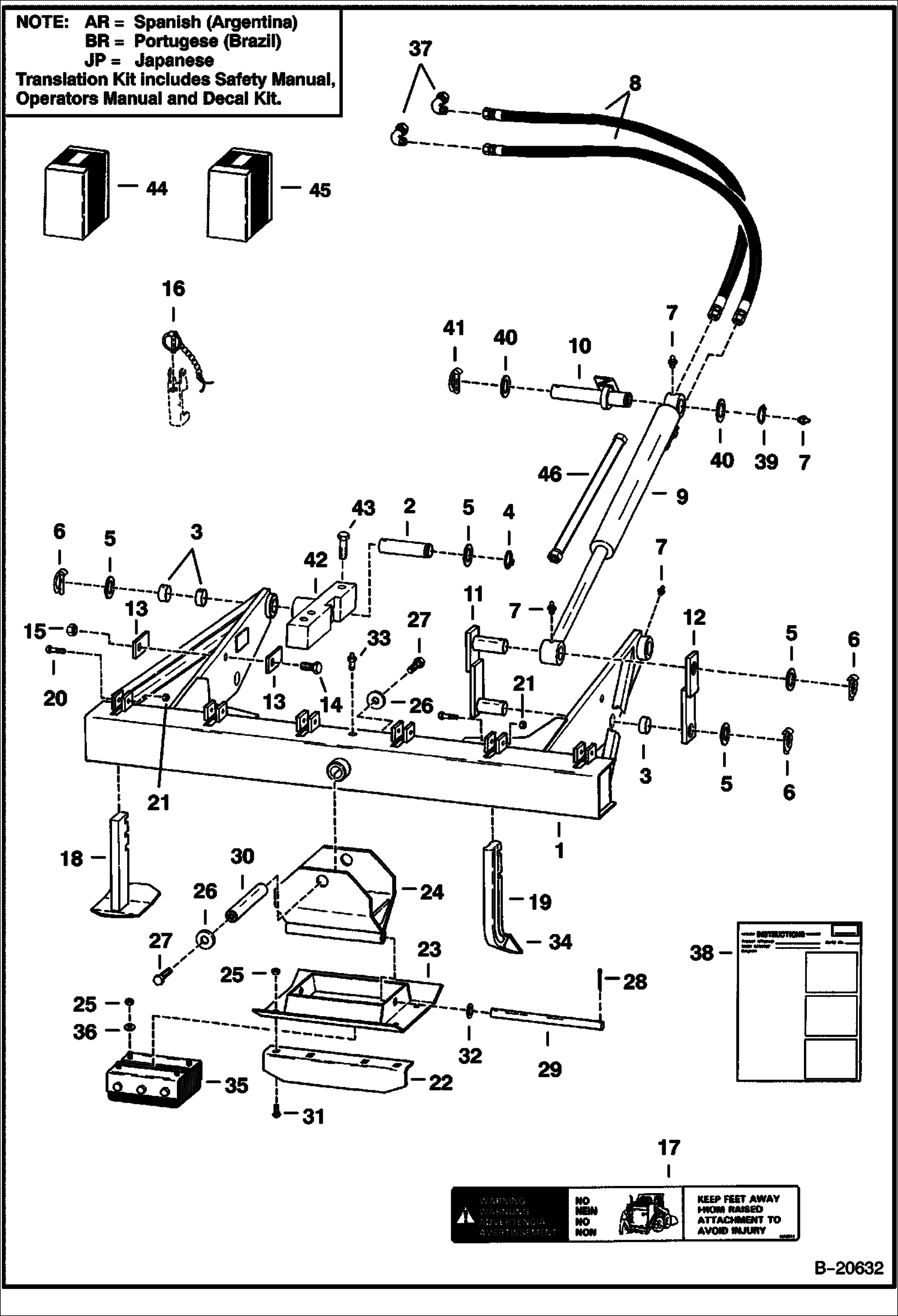
КИРКОВЩИК (BOB-TACH УСТАНОВЛЕН)

КИРКОВЩИК (BOB-TACH УСТАНОВЛЕН)

1Артикул: 6563524, FRAME
2Артикул: 6710498, SAFETY TREAD Was 6552646 - A
3Артикул: 6547555, TREAD
Подробнее >
КИРКОВЩИК И СТАБИЛИЗАТОР (963)

КИРКОВЩИК И СТАБИЛИЗАТОР (963)

1Артикул: 6567645, FRAME mounting
2Артикул: 6567640, PIN mounting
3Артикул: 6630953, BUSHING
Подробнее >
КИРКОВЩИК И СТАБИЛИЗАТОР (ЦИЛИНДР) (943) (953)

КИРКОВЩИК И СТАБИЛИЗАТОР (ЦИЛИНДР) (943) (953)

1Артикул: 6593396, CYLINDER tilt - W/Ref. 2-15 - Was 6593318 - A
2Артикул: 6593326, CASE
3Артикул: 92D14, NUT Was 86D000014B - A
Подробнее >
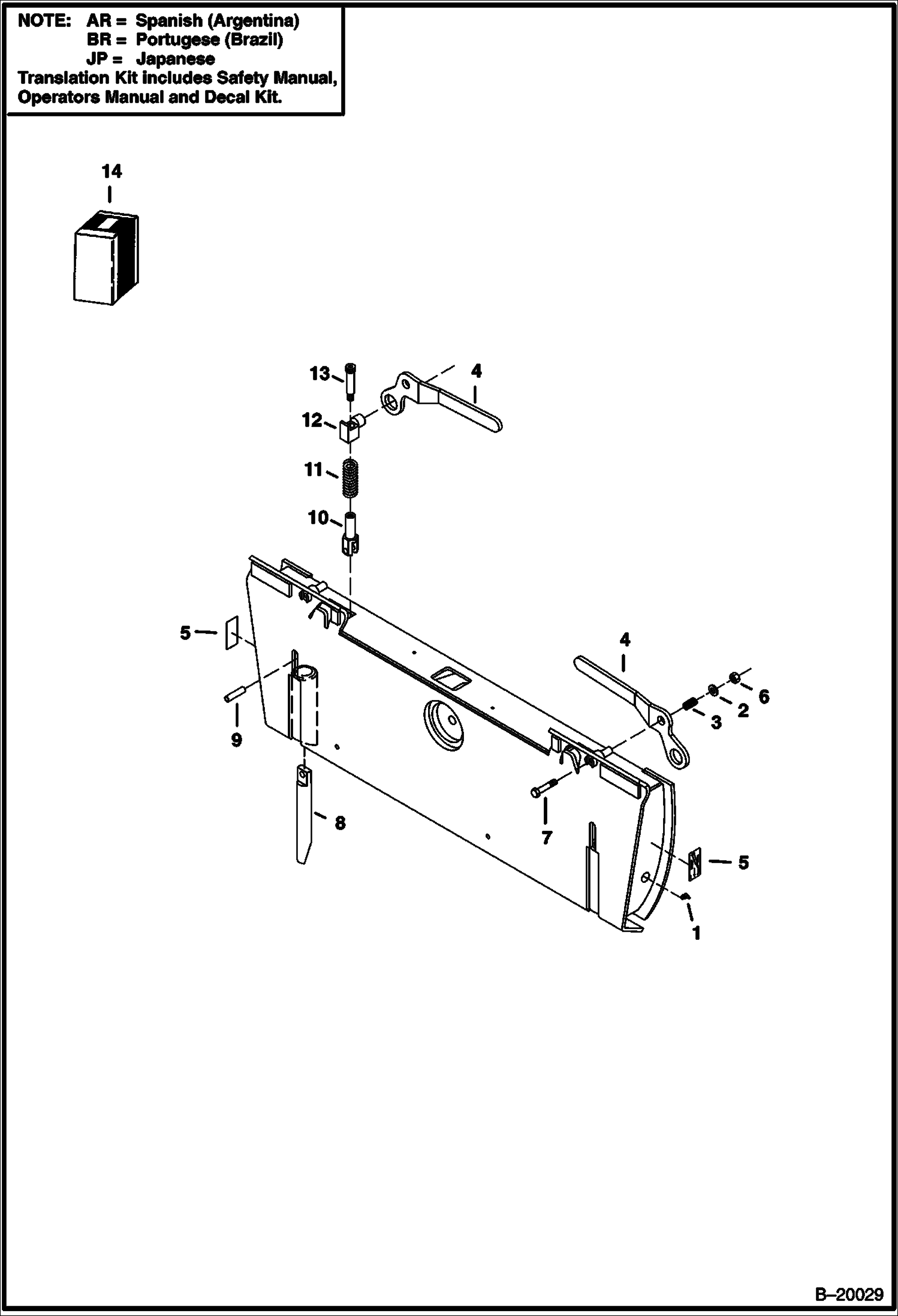
КИРКОВЩИК (КРЕПИТСЯ МЕЖДУ BOB-TACH И НАВЕСНЫМ ОБОРУДОВАНИЕМ)

КИРКОВЩИК (КРЕПИТСЯ МЕЖДУ BOB-TACH И НАВЕСНЫМ ОБОРУДОВАНИЕМ)

1Артикул: 10H35, FITTING, GREASE 10
2Артикул: 619021, WASHER, 5
3Артикул: 6704453, SPRING
Подробнее >