+7 (701) 588 50 05 Телефон для связи
RU

WhatsApp

Позвонить

ПОГРУЗЧИК в Алматы

ЛОПАТА ОБЩЕГО НАЗНАЧЕНИЯ (ЦИЛИНДР) (54-- APHL)

ЛОПАТА ОБЩЕГО НАЗНАЧЕНИЯ (ЦИЛИНДР) (54-- APHL)

1Артикул: 7199231, CYLINDER, BLADE Ref. 2-14
2Артикул: 6519328, SEAL
3Артикул: 6665208, SEAL
Подробнее >
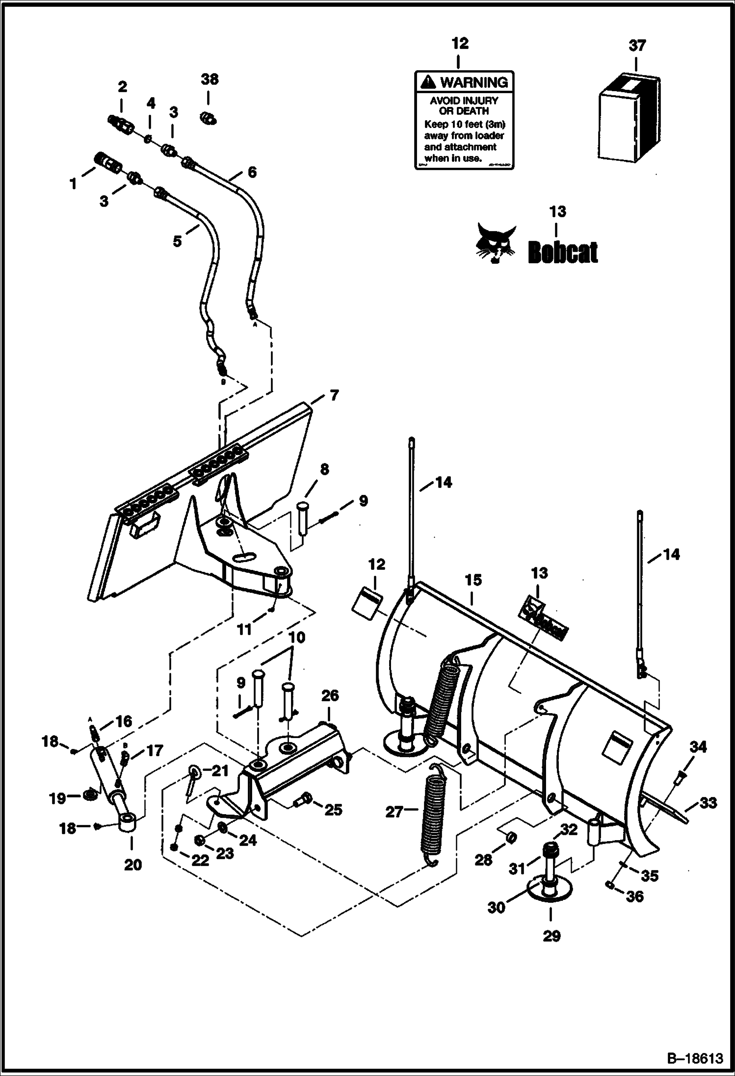
ЛОПАТА ОБЩЕГО НАЗНАЧЕНИЯ (54-- APHL)

ЛОПАТА ОБЩЕГО НАЗНАЧЕНИЯ (54-- APHL)

1Артикул: BLADE,, BLADE, UTILITY SALES #7196165 - 54--
2Артикул: 6532638, HOSE
3Артикул: 6583862, DECAL, WARNING
Подробнее >
ЛОПАТА ОБЩЕГО НАЗНАЧЕНИЯ (КОМПЛЕКТ ЛЕЗВИЙ) (КАУЧУК И ПОЛИКОРБАНАТ) (54-- APHL)

ЛОПАТА ОБЩЕГО НАЗНАЧЕНИЯ (КОМПЛЕКТ ЛЕЗВИЙ) (КАУЧУК И ПОЛИКОРБАНАТ) (54-- APHL)

1Артикул: 7199966, KIT, EDGE RUBBER 54-- 54-- rubber - Ref. 4, 7, 10-12
2Артикул: 7199969, KIT, EDGE POLY 54-- 54-- polyether - Ref. 4, 7, 10-12
3Артикул: 7199967, KIT, EDGE RUBBER 69-- 69-- rubber - Ref. 5, 8 & 10-12
Подробнее >
ЛОПАТА ОБЩЕГО НАЗНАЧЕНИЯ (ЦИЛИНДР) (48--)

ЛОПАТА ОБЩЕГО НАЗНАЧЕНИЯ (ЦИЛИНДР) (48--)

1Артикул: 6809501, CYLINDER Ref. 2 - 13
2Артикул: 6807379, CASE
3Артикул: 92D14, NUT
Подробнее >
ЛОПАТА ОБЩЕГО НАЗНАЧЕНИЯ (48-- - ИСПОЛЬЗУЕТСЯ НА 463, S70, MT52, MT55)

ЛОПАТА ОБЩЕГО НАЗНАЧЕНИЯ (48-- - ИСПОЛЬЗУЕТСЯ НА 463, S70, MT52, MT55)

1Артикул: 7246790, COUPLER, FF FEMALE See BTI433att - straight - Was 6672960 - A
2Артикул: 7246777, COUPLER, FF MALE See BTI433att - Was 6674688 - A
3Артикул: 15KB1012, FITTING, HYD CONNECTOR Was 6673322 - A
Подробнее >