+7 (701) 588 50 05 Телефон для связи
RU

WhatsApp

Позвонить

ПОГРУЗЧИК в Алматы

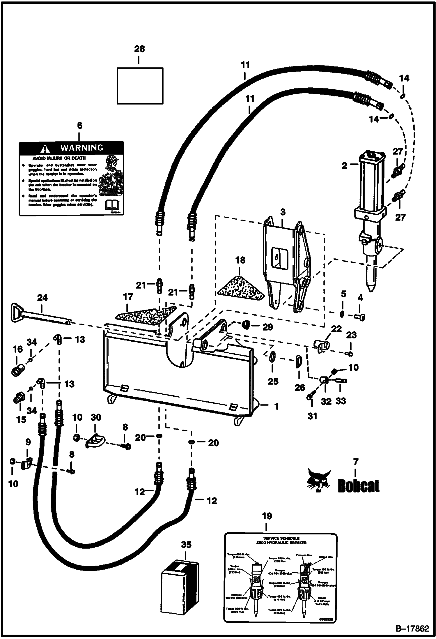
ГИДРОМОЛОТ (СМЕННАЯ РАМА НА ПОГРУЗЧИКЕ)

ГИДРОМОЛОТ (СМЕННАЯ РАМА НА ПОГРУЗЧИКЕ)

1Артикул: FRAME, FRAME ASSY SALES - loader x-change - used with 463 & S70 loaders - W/Ref. 2-12 - Sales #7150181
2Артикул: FRAME, FRAME ASSY SALES - loader x-change - Use with small, medium & large frame loaders - Ref. 2-12 - Sales #7141800
3Артикул: FRAME, FRAME NSS - Order Ref. 1
Подробнее >
ГИДРОМОЛОТ (УСТАНОВКА ГИДРОМОЛОТА) (ИСПОЛЬЗУЕТСЯ НА 907)

ГИДРОМОЛОТ (УСТАНОВКА ГИДРОМОЛОТА) (ИСПОЛЬЗУЕТСЯ НА 907)

1Артикул: 6649335, BREAKER See Illustration BREAKER/ B12467
2Артикул: 6536308, HOSE
3Артикул: 6598758, COUPLER, POPPET FEMALE straight
Подробнее >
ГИДРОМОЛОТ (НИЖНИЙ КОРПУС) (B850) (B950)

ГИДРОМОЛОТ (НИЖНИЙ КОРПУС) (B850) (B950)

1Артикул: 6677960, PIN
2Артикул: 6677961, CYLINDER, HYD BREAKER
3Артикул: 6682440, SEAL, OIL Was 6677962 - A
Подробнее >
ГИДРОМОЛОТ (ИНСТРУМЕНТЫ) (HB880 A00X)

ГИДРОМОЛОТ (ИНСТРУМЕНТЫ) (HB880 A00X)

1Артикул: 7144690, TOOL nail point - 2.44-- dia - Was 7126258 - A
2Артикул: 7144691, TOOL conical point - 2.44-- dia - Was 7126259 - A
3Артикул: 7144689, TOOL inline chisel - 2.44-- dia - Was 7126257 - A
Подробнее >
ГИДРОМОЛОТ - ТОЛЬКО ЕВРОПА (HB580)

ГИДРОМОЛОТ - ТОЛЬКО ЕВРОПА (HB580)

1Артикул: 6676691, PLUG
2Артикул: 6679894, VALVE charge
3Артикул: 86610920, BOLT
Подробнее >
ГИДРОМОЛОТ (КОМПЛЕКТ ДЛЯ УСТРОЙСТВА АВТОМАТИЧЕСКОЙ СМАЗКИ) (HB2380)

ГИДРОМОЛОТ (КОМПЛЕКТ ДЛЯ УСТРОЙСТВА АВТОМАТИЧЕСКОЙ СМАЗКИ) (HB2380)

1Артикул: KIT, KIT SALES #7141851 - auto grease - Ref. 2-13
2Артикул: MANIFOLD, MANIFOLD NLA - Was 86603313 - A
3Артикул: 95848024, BOLT
Подробнее >
ГИДРОМОЛОТ (КОМПЛЕКТ ШЛАНГОВ) (B700) (ИСПОЛЬЗУЕТСЯ НА 325, 328)

ГИДРОМОЛОТ (КОМПЛЕКТ ШЛАНГОВ) (B700) (ИСПОЛЬЗУЕТСЯ НА 325, 328)

1Артикул: HOSE, HOSE KIT SALES - W/Ref. 2-9 - Sales #6727410
2Артикул: 6727409, HOSE
3Артикул: 6676550, ELBOW
Подробнее >
ГИДРОМОЛОТ (РАМА ШАССИ И КРЕПЕЖНЫЕ ДЕТАЛИ) (HB1380 AC45)

ГИДРОМОЛОТ (РАМА ШАССИ И КРЕПЕЖНЫЕ ДЕТАЛИ) (HB1380 AC45)

1Артикул: 86673340, HOUSING, BREAKER
2Артикул: 86647187, CLAMP
3Артикул: 86226768, PIN
Подробнее >
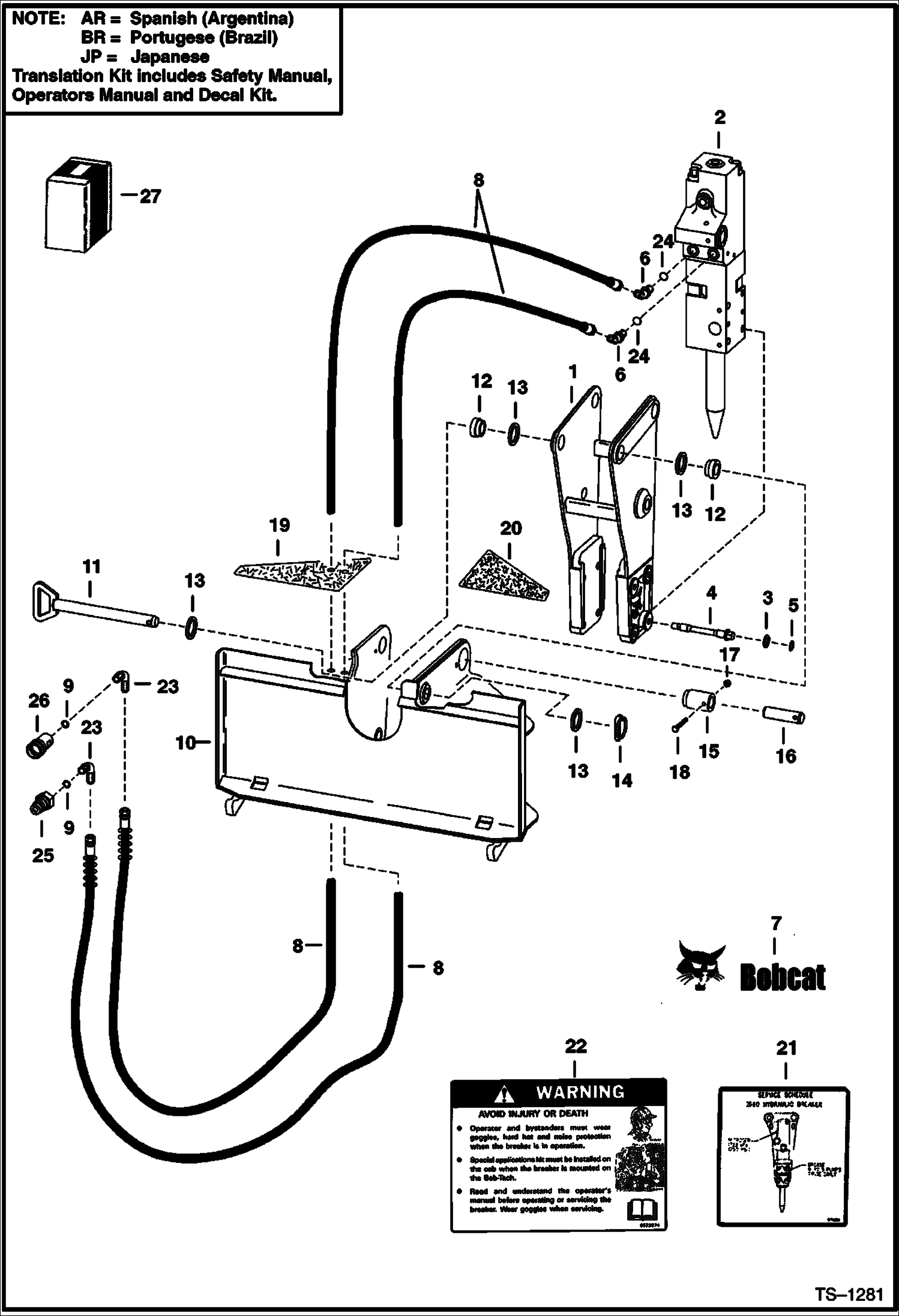
ГИДРОМОЛОТ (КРЕПЛЕНИЕ ГИДРОМОЛОТА) (HB280) (HB380) (HB580) (HB680) (HB880) (HB980) (HB1180) (HB1380) (HB2380) (B1400)

ГИДРОМОЛОТ (КРЕПЛЕНИЕ ГИДРОМОЛОТА) (HB280) (HB380) (HB580) (HB680) (HB880) (HB980) (HB1180) (HB1380) (HB2380) (B1400)

1Артикул: FRAME,, FRAME, BREAKER SALES #7113736 - loader cap - HB580, HB680 - W/Ref. 10 & 12 - Was 7112941 - A
2Артикул: FRAME,, FRAME, BREAKER SALES #7113737 - loader cap - HB880, HB980 - W/Ref. 11 & 12 - Was 7110901 - A
3Артикул: FRAME,, FRAME, BREAKER SALES #7113738 - loader cap - HB880, HB980 - W/Ref. 10 & 12 - Was 7112934 - A
Подробнее >
ГИДРОМОЛОТ (ИНСТРУМЕНТЫ ГИДРОМОЛОТА) (6560) (ИСПОЛЬЗУЕТСЯ НА 963)

ГИДРОМОЛОТ (ИНСТРУМЕНТЫ ГИДРОМОЛОТА) (6560) (ИСПОЛЬЗУЕТСЯ НА 963)

1Артикул: 6678868, CONICAL POINT Was 6671029 - A
2Артикул: 6678871, BLUNT TOOL Was 6672110 - A
3Артикул: 6678869, CHISEL in-line - Was 6671030 - A
Подробнее >
ГИДРОМОЛОТ (УСТАНОВКА ОБРАТНОЙ ЛОПАТЫ ГИДРОМОЛОТА) (ИСПОЛЬЗУЕТСЯ НА 907)

ГИДРОМОЛОТ (УСТАНОВКА ОБРАТНОЙ ЛОПАТЫ ГИДРОМОЛОТА) (ИСПОЛЬЗУЕТСЯ НА 907)

1Артикул: KIT, KIT SALES
2Артикул: 966134, RELIEF VALVE
3Артикул: 6610510, TIE Was 1715312B - A
Подробнее >
ГИДРОМОЛОТ (МОНТАЖНЫЙ КОМПЛЕКТ НА ЭКСКАВАТОРЕ-ПОГРУЗЧИКЕ) (5500) (ИСПОЛЬЗУЕТСЯ НА 913 ЭКСКАВАТОРЕ-ПОГРУЗЧИКЕ C РЕГУЛИРУЮЩИМ КЛАПАНОМ HUSCO)

ГИДРОМОЛОТ (МОНТАЖНЫЙ КОМПЛЕКТ НА ЭКСКАВАТОРЕ-ПОГРУЗЧИКЕ) (5500) (ИСПОЛЬЗУЕТСЯ НА 913 ЭКСКАВАТОРЕ-ПОГРУЗЧИКЕ C РЕГУЛИРУЮЩИМ КЛАПАНОМ HUSCO)

1Артикул: KIT, KIT NLA - W/Ref. 2 - 43 - Was SALES - A
2Артикул: 6632453, BOOT
3Артикул: 2533656, SWITCH
Подробнее >
ГИДРОМОЛОТ (ИНСТРУМЕНТЫ) (HB1180)

ГИДРОМОЛОТ (ИНСТРУМЕНТЫ) (HB1180)

1Артикул: 7144712, TOOL nail point - 3.03-- dia - Was 7116362 - A
2Артикул: 7144713, TOOL conical point - 3.03-- dia - Was 7116519 - A
3Артикул: 7144711, TOOL inline chisel - 3.03-- dia - Was 7116364 - A
Подробнее >
ГИДРОМОЛОТ (КОМПЛЕКТ ШЛАНГОВ) (B850) (B950) (ИСПОЛЬЗУЕТСЯ НА ПОГРУЗЧИКИ, 325, 331)

ГИДРОМОЛОТ (КОМПЛЕКТ ШЛАНГОВ) (B850) (B950) (ИСПОЛЬЗУЕТСЯ НА ПОГРУЗЧИКИ, 325, 331)

1Артикул: HOSE, HOSE KIT NLA - Ref. 2-6 - Order components - Was SALES #6728963 - D
2Артикул: 6728964, HOSE, HYD ASSY
3Артикул: 17KB1212, FITTING, HYD ELBOW W/Ref. 4 - Was 6676551 - A
Подробнее >
ГИДРОМОЛОТ (КОМПЛЕКТ УСТРОЙСТВ НАДУВА) (1250)

ГИДРОМОЛОТ (КОМПЛЕКТ УСТРОЙСТВ НАДУВА) (1250)

1Артикул: CHARGE, CHARGE KIT NLA - W/Ref. 2 - 15 - Was 6652471 - A
2Артикул: 6651645, SNUBBER
3Артикул: 6651644, TEE
Подробнее >
ГИДРОМОЛОТ (HB680)

ГИДРОМОЛОТ (HB680)

1Артикул: 6676691, PLUG
2Артикул: 6679894, VALVE charge
3Артикул: 86626066, BOLT
Подробнее >
ГИДРОМОЛОТ (РАМА) (B700)

ГИДРОМОЛОТ (РАМА) (B700)

1Артикул: BREAKER, BREAKER SALES - B700 - W/Ref. 2 - 23 - Sales #6727332
2Артикул: POWER, POWER CELL See Illustration BREAKER/ B16477 NSS - Order Ref. 1
3Артикул: 6726629, FRAME Also Order Ref. 22
Подробнее >
ГИДРОМОЛОТ (ВНУТРЕННИЕ ДЕТАЛИ) (HB1380)

ГИДРОМОЛОТ (ВНУТРЕННИЕ ДЕТАЛИ) (HB1380)

1Артикул: 6676691, PLUG
2Артикул: 6679894, VALVE
3Артикул: 95847927, BOLT
Подробнее >
ГИДРОМОЛОТ (КОМПЛЕКТ ШЛАНГОВ) (B700) (ИСПОЛЬЗУЕТСЯ НА 730SH)

ГИДРОМОЛОТ (КОМПЛЕКТ ШЛАНГОВ) (B700) (ИСПОЛЬЗУЕТСЯ НА 730SH)

1Артикул: HOSE, HOSE KIT SALES - W/Ref. 2-10 - Sales #6732663
2Артикул: 6732664, HOSE
3Артикул: 6676550, ELBOW
Подробнее >
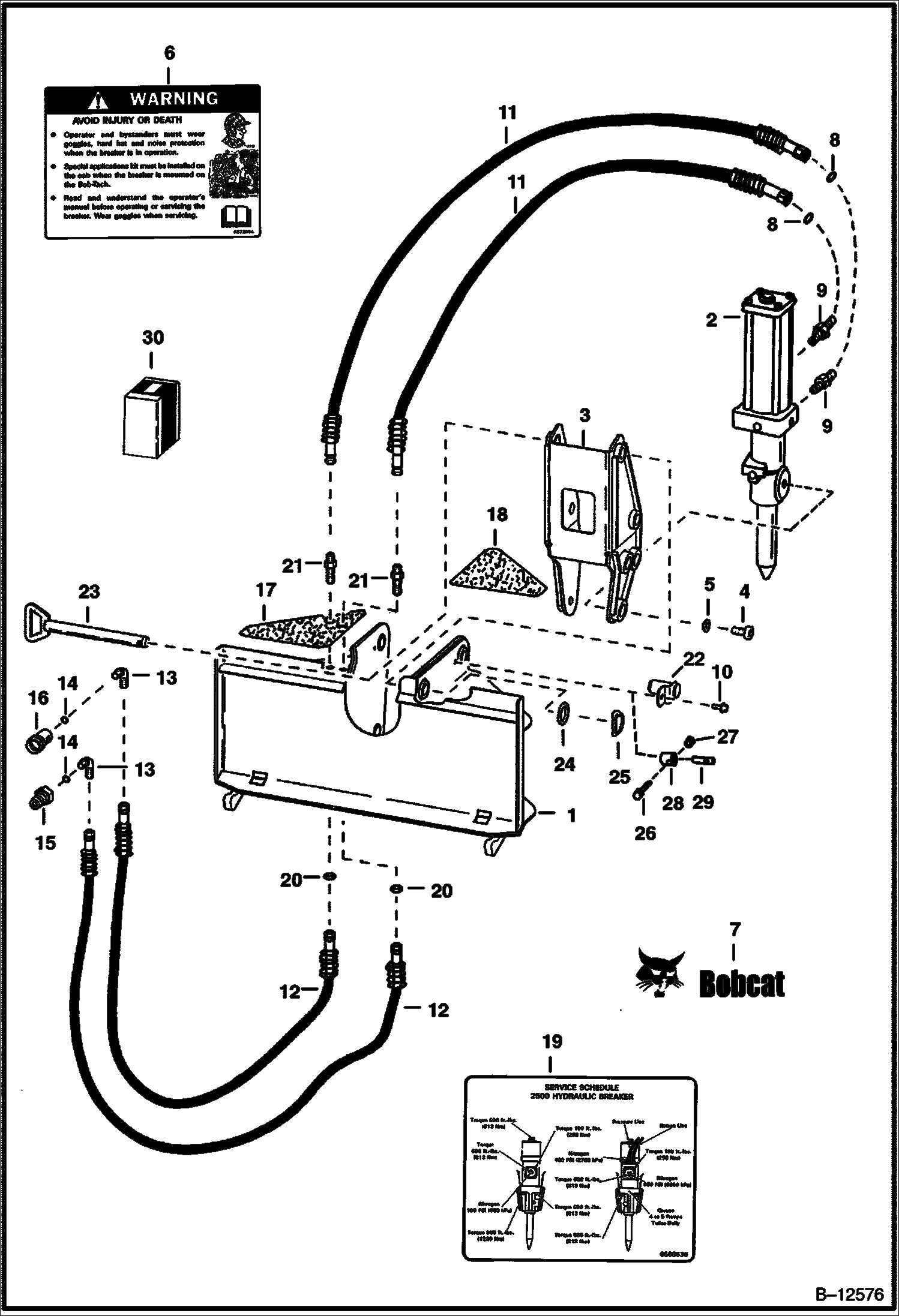
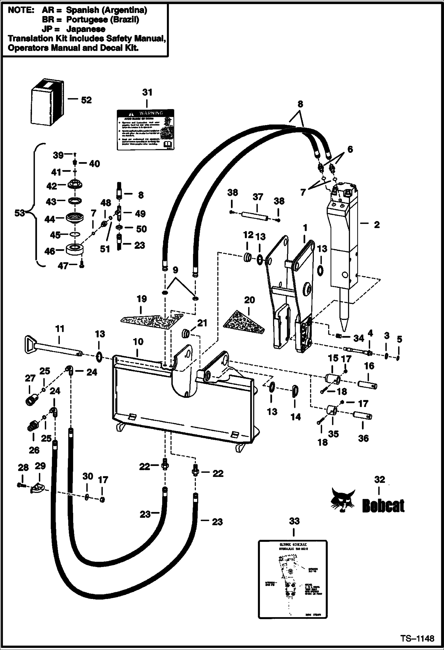
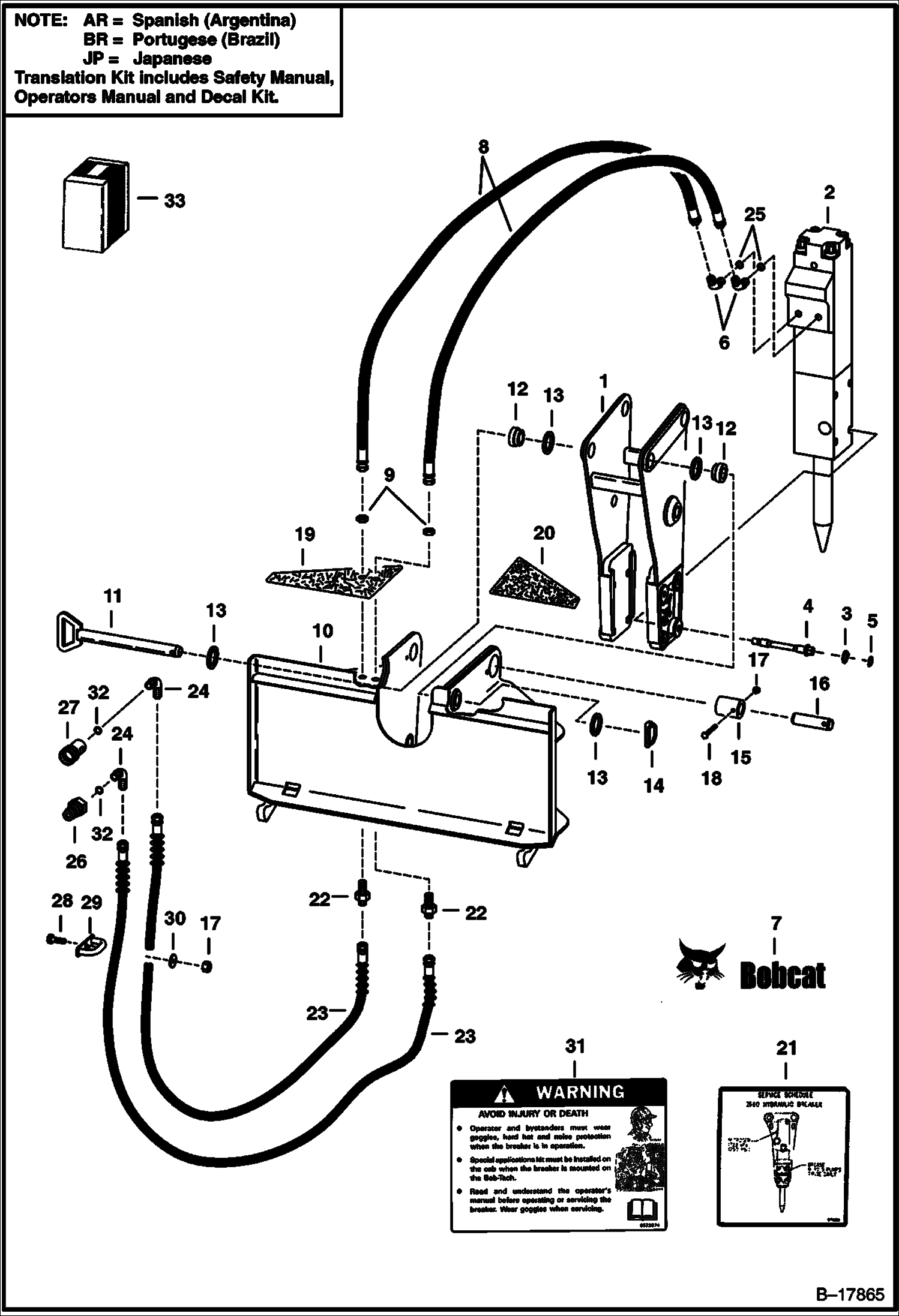
ГИДРОМОЛОТ (ГИДРОМОЛОТ BOB-TACH МОНТАЖ) (2 ПОЛОЖЕНИЯ) (2500) (3500)

ГИДРОМОЛОТ (ГИДРОМОЛОТ BOB-TACH МОНТАЖ) (2 ПОЛОЖЕНИЯ) (2500) (3500)

1Артикул: 6709406, FRAME 2-position mtg. - Was Sales - A
2Артикул: BREAKER, BREAKER See Illustration BREAKER/ B17870
3Артикул: 6538970, FRAME Was 6575691 - A
Подробнее >
ГИДРОМОЛОТ (ВЕРХНИЙ КОРПУС) (B850) (B950)

ГИДРОМОЛОТ (ВЕРХНИЙ КОРПУС) (B850) (B950)

1Артикул: CHAMBER, CHAMBER See Illustration BREAKER/ B13650 NLA - B850 - energy - assy - W/Ref. 2 - Order 6731684 (1), 6677933 (1), 6679894 (1), 6676691 (1), 6677930 (16), & 6679897 (1) - Was 6677929 - A
2Артикул: 6677939, CHAMBER See Illustration BREAKER/ B13650 B950 - assy - W/Ref. 2
3Артикул: 6677934, HELICOIL
Подробнее >
ГИДРОМОЛОТ (МОНТАЖНЫЙ КОМПЛЕКТ ДЛЯ ГИДРОМОЛОТА) (5500) (ИСПОЛЬЗУЕТСЯ НА 914B ЭКСКАВАТОРЕ-ПОГРУЗЧИКЕ)

ГИДРОМОЛОТ (МОНТАЖНЫЙ КОМПЛЕКТ ДЛЯ ГИДРОМОЛОТА) (5500) (ИСПОЛЬЗУЕТСЯ НА 914B ЭКСКАВАТОРЕ-ПОГРУЗЧИКЕ)

1Артикул: 6532183, KIT
2Артикул: 6532185, MOUNT
3Артикул: 85D5, NUT 5
Подробнее >
ГИДРОМОЛОТ (РАМА ШАССИ И КРЕПЕЖНЫЕ ДЕТАЛИ) (HB280 A5T5)

ГИДРОМОЛОТ (РАМА ШАССИ И КРЕПЕЖНЫЕ ДЕТАЛИ) (HB280 A5T5)

1Артикул: 1CM1655, SCREW Was 86451804 - A
2Артикул: 86384898, WASHER
3Артикул: 40DM16, NUT Was 86226123 - A
Подробнее >
ГИДРОМОЛОТ (КОМПЛЕКТ ШЛАНГОВ) (HB880) (HB980) (ИСПОЛЬЗУЕТСЯ НА 334, 430 С ДЛИННОЙ РУКОЯТЬЮ) (HB980) (HB1180) (ИСПОЛЬЗУЕТСЯ НА 337)

ГИДРОМОЛОТ (КОМПЛЕКТ ШЛАНГОВ) (HB880) (HB980) (ИСПОЛЬЗУЕТСЯ НА 334, 430 С ДЛИННОЙ РУКОЯТЬЮ) (HB980) (HB1180) (ИСПОЛЬЗУЕТСЯ НА 337)

1Артикул: HOSE, HOSE KIT NLA - Ref. 2-6 - Order components - Was SALES #7114762 - D
2Артикул: 7114763, HOSE
3Артикул: 17KB1212, FITTING, HYD ELBOW W/Ref. 4 - Was 6676551 - A
Подробнее >
ГИДРОМОЛОТ (ИНСТРУМЕНТЫ ГИДРОМОЛОТА) (5060)

ГИДРОМОЛОТ (ИНСТРУМЕНТЫ ГИДРОМОЛОТА) (5060)

1Артикул: 6678872, CONICAL POINT Was 6674136 - A
2Артикул: 6678873, BLUNT TOOL Was 6674384 - A
3Артикул: 6678875, CHISEL in-line - Was 6674387 - A
Подробнее >
ГИДРОМОЛОТ (КОМПЛЕКТ BOB-TACH ПЕРЕОБОРУДОВАНИЯ) (ПРЕОБРАЗУЕТ ЭКСКАВАТОР, УСТАНОВЛЕННЫЙ НА BOB-TACH ОСНОВАНИИ) (6560)

ГИДРОМОЛОТ (КОМПЛЕКТ BOB-TACH ПЕРЕОБОРУДОВАНИЯ) (ПРЕОБРАЗУЕТ ЭКСКАВАТОР, УСТАНОВЛЕННЫЙ НА BOB-TACH ОСНОВАНИИ) (6560)

1Артикул: KIT, KIT NLA - Breaker Conversion - W/Ref. 2 - 10 - Order 6713290 - Was Sales #6716385 - A
2Артикул: 6713290, FRAME Was Sales #6713290 - A
3Артикул: 6714974, HOSE
Подробнее >
ГИДРОМОЛОТ (ЭНЕРГЕТИЧЕСКИЕ КАМЕРЫ) (B850) (B950)

ГИДРОМОЛОТ (ЭНЕРГЕТИЧЕСКИЕ КАМЕРЫ) (B850) (B950)

1Артикул: CHAMBER, CHAMBER NLA - energy - B850 - W/Ref. 2 - 9 - Order 6731684 (1), 6677933 (1), 6679894 (1), 6676691 (1), 6677930 (16), 6679897 (1) - Was 6677929 - A
2Артикул: CHAMBER, CHAMBER NLA - energy - B950 - W/Ref. 2 - 9 - Order 6679899 (1), 6731685 (1), 6677944 (1), 6677941 (14), 6679894 (1), 6676671 (1) - Was 6677939 - A
3Артикул: 6676691, PLUG
Подробнее >
ГИДРОМОЛОТ - ТОЛЬКО ЕВРОПА (ИНСТРУМЕНТЫ ГИДРОМОЛОТА) (HB580)

ГИДРОМОЛОТ - ТОЛЬКО ЕВРОПА (ИНСТРУМЕНТЫ ГИДРОМОЛОТА) (HB580)

1Артикул: 7144665, TOOL nail point - 1.73-- dia - Was 7126238 - A
2Артикул: 7126239, TOOL conical point - 1.73-- dia - Was 7116521 - A
3Артикул: 7144664, TOOL inline chisel - 1.73-- dia - Was 7126237 - A
Подробнее >
ГИДРОМОЛОТ (КОМПЛЕКТ ШЛАНГОВ) (HB880 A00X05152 И ВЫШЕ) (HB980 A00Y06089 И ВЫШЕ)

ГИДРОМОЛОТ (КОМПЛЕКТ ШЛАНГОВ) (HB880 A00X05152 И ВЫШЕ) (HB980 A00Y06089 И ВЫШЕ)

1Артикул: HOSE, HOSE KIT SALES #7203365 - Ref. 2-5 - Use W/standard arm
2Артикул: HOSE, HOSE KIT SALES #7203366 - Ref. 2-5 - Use W/long arm
3Артикул: 7203361, HOSE, HYD 1651 mm (65--) long - Use W/Ref. 1 (7203365 hose kit)
Подробнее >
ГИДРОМОЛОТ (РАСПРЕДЕЛИТЕЛЬНЫЙ КЛАПАН В СБОРЕ) (HB880 A00X00101 - 05151) (HB980 A00Y00101 - 06088)

ГИДРОМОЛОТ (РАСПРЕДЕЛИТЕЛЬНЫЙ КЛАПАН В СБОРЕ) (HB880 A00X00101 - 05151) (HB980 A00Y00101 - 06088)

1Артикул: VALVE,, VALVE, DIVERTER See Illustration BREAKER/ NA2993 - NLA - Ref. 2-12 - Was 7177743 - A
2Артикул: VALVE, VALVE BLOCK NSS - Order Ref. 1
3Артикул: 7010284, SPOOL, PILOT
Подробнее >
ГИДРОМОЛОТ (ГИДРОМОЛОТ) (3500)

ГИДРОМОЛОТ (ГИДРОМОЛОТ) (3500)

1Артикул: 6652380, BREAKER Ref. 2-48
2Артикул: PLATE, PLATE NLA - Was 6630649 - A
3Артикул: 6630641, O-RING
Подробнее >
ГИДРОМОЛОТ (ИНСТРУМЕНТЫ ГИДРОМОЛОТА) (HB280)

ГИДРОМОЛОТ (ИНСТРУМЕНТЫ ГИДРОМОЛОТА) (HB280)

1Артикул: 7144651, TOOL nail point - 1.46-- dia - Was 7133846 - A
2Артикул: 7144650, TOOL inline chisel - 1.46-- dia - Was 7133845 - A
3Артикул: 7144649, TOOL crosscut chisel - 1.46-- dia - Was 7133844 - A
Подробнее >
ГИДРОМОЛОТ (КОМПЛЕКТ ШЛАНГОВ) (HB680) (ИСПОЛЬЗУЕТСЯ НА 328)

ГИДРОМОЛОТ (КОМПЛЕКТ ШЛАНГОВ) (HB680) (ИСПОЛЬЗУЕТСЯ НА 328)

1Артикул: HOSE, HOSE KIT SALES #7117832 - Ref. 2-7
2Артикул: 6728964, HOSE, HYD ASSY Was 7117833 - A
3Артикул: 17KB1210, FITTING, HYD ELBOW Was 6676550 - A
Подробнее >
ГИДРОМОЛОТ (КОМПЛЕКТ ШЛАНГОВ) (HB880 A00X) (HB980 A00Y) (HB1180 A01R) (HB2380 A5T6)

ГИДРОМОЛОТ (КОМПЛЕКТ ШЛАНГОВ) (HB880 A00X) (HB980 A00Y) (HB1180 A01R) (HB2380 A5T6)

1Артикул: 7161667, KIT, HOSE Ref. 2-6
2Артикул: 7114765, HOSE, HYD ASSY
3Артикул: 7246797, COUPLER, FF FEMALE See BTI433att - heavy duty - Was 6680017 - A
Подробнее >
ГИДРОМОЛОТ (МОНТАЖНЫЙ КОМПЛЕКТ НА ЭКСКАВАТОРЕ-ПОГРУЗЧИКЕ) (5500) (ИСПОЛЬЗУЕТСЯ НА 913 ЭКСКАВАТОРЕ-ПОГРУЗЧИКЕ C РЕГУЛИРУЮЩИМ КЛАПАНОМ GRESEN)

ГИДРОМОЛОТ (МОНТАЖНЫЙ КОМПЛЕКТ НА ЭКСКАВАТОРЕ-ПОГРУЗЧИКЕ) (5500) (ИСПОЛЬЗУЕТСЯ НА 913 ЭКСКАВАТОРЕ-ПОГРУЗЧИКЕ C РЕГУЛИРУЮЩИМ КЛАПАНОМ GRESEN)

1Артикул: 6529522, HARNESS bobcat
2Артикул: 6529523, HARNESS backhoe
3Артикул: 6635453, HOSE assy
Подробнее >
ГИДРОМОЛОТ (ГИДРОМОЛОТ BOB-TACH МОНТАЖ) (2 ПОЛОЖЕНИЯ) (1250)

ГИДРОМОЛОТ (ГИДРОМОЛОТ BOB-TACH МОНТАЖ) (2 ПОЛОЖЕНИЯ) (1250)

1Артикул: 6709406, FRAME 2-position mtg.
2Артикул: 6649335, BREAKER See Illustration BREAKER/ B12467
3Артикул: 6530572, FRAME
Подробнее >
ГИДРОМОЛОТ (ИНСТРУМЕНТЫ) (B700)

ГИДРОМОЛОТ (ИНСТРУМЕНТЫ) (B700)

1Артикул: 6676004, TOOL conical point
2Артикул: 6676006, TOOL nail point
3Артикул: 6676007, TOOL in-line
Подробнее >
ГИДРОМОЛОТ (ГИДРОМОЛОТ BOB-TACH МОНТАЖ) (2 ПОЛОЖЕНИЯ) (1560)

ГИДРОМОЛОТ (ГИДРОМОЛОТ BOB-TACH МОНТАЖ) (2 ПОЛОЖЕНИЯ) (1560)

1Артикул: 6706764, FRAME
2Артикул: 6664545, BREAKER See Illustration BREAKER/ B17869
3Артикул: 6728010, WASHER locking - Was 6662308 - A
Подробнее >
ГИДРОМОЛОТ (ГИДРОМОЛОТ) (5500)

ГИДРОМОЛОТ (ГИДРОМОЛОТ) (5500)

1Артикул: BOLT, BOLT NLA - Was 6630650 - A
2Артикул: PLATE, PLATE NLA - Was 6630649 - A
3Артикул: 6630641, O-RING
Подробнее >
ГИДРОМОЛОТ (ГИДРОМОЛОТ) (2560) (2570)

ГИДРОМОЛОТ (ГИДРОМОЛОТ) (2560) (2570)

1Артикул: BREAKER, BREAKER SALES - 2560 - W/Ref. 2 - 56 - Sales #6706179
2Артикул: BREAKER, BREAKER SALES - 2570 - W/Ref. 2 - 63 - Sales #6715733
3Артикул: 6663911, ACCUMULATOR
Подробнее >
ГИДРОМОЛОТ (HB1180 A01R)

ГИДРОМОЛОТ (HB1180 A01R)

1Артикул: 6676691, PLUG
2Артикул: 6679894, VALVE charge
3Артикул: 86626009, BOLT
Подробнее >
ГИДРОМОЛОТ (УСТАНОВКА ОБРАТНОЙ ЛОПАТЫ ГИДРОМОЛОТА) (ИСПОЛЬЗУЕТСЯ НА 909)

ГИДРОМОЛОТ (УСТАНОВКА ОБРАТНОЙ ЛОПАТЫ ГИДРОМОЛОТА) (ИСПОЛЬЗУЕТСЯ НА 909)

1Артикул: KIT, KIT SALES - hyd. mtg.
2Артикул: 61D4, NUT 5
3Артикул: 2533656, SWITCH foot
Подробнее >
ГИДРОМОЛОТ (ГИДРОМОЛОТ BOB-TACH МОНТАЖ) (1 ПОЛОЖЕНИЕ) (2500)

ГИДРОМОЛОТ (ГИДРОМОЛОТ BOB-TACH МОНТАЖ) (1 ПОЛОЖЕНИЕ) (2500)

1Артикул: FRAME, FRAME NLA - Order 6709406 two position bracket & mount from parts
2Артикул: 6630514, BREAKER See Illustration BREAKER/ B17870
3Артикул: 15KB1012, FITTING, HYD CONNECTOR Was 755055B - A
Подробнее >
ГИДРОМОЛОТ (ГИДРОМОЛОТ КАРКАС И ОПОРА) (5060)

ГИДРОМОЛОТ (ГИДРОМОЛОТ КАРКАС И ОПОРА) (5060)

1Артикул: 6713290, FRAME SALES - bobtach - Kit 6716385 - Was Sales - A
2Артикул: 6717316, HOUSING
3Артикул: 17C1448, BOLT
Подробнее >
ГИДРОМОЛОТ (HB2380)

ГИДРОМОЛОТ (HB2380)

1Артикул: 86645900, BLOCK
2Артикул: 86676970, BOLT Was 86679970 - A
3Артикул: 86645918, CARRIER
Подробнее >
ГИДРОМОЛОТ (КОМПЛЕКТ РАСПРЕДЕЛИТЕЛЬНОГО КЛАПАНА) (HB880 A00X05152 И ВЫШЕ) (HB980 A00Y06089 И ВЫШЕ)

ГИДРОМОЛОТ (КОМПЛЕКТ РАСПРЕДЕЛИТЕЛЬНОГО КЛАПАНА) (HB880 A00X05152 И ВЫШЕ) (HB980 A00Y06089 И ВЫШЕ)

1Артикул: KIT,, KIT, VALVE DIVERTER NLA - Order Ref. 2 & 3 - Was 7177744 - A
2Артикул: VALVE,, VALVE, DIVERTER See Illustration BREAKER/ NA2993
3Артикул: 6987422ENUS, INSTRUCTIONS Was 6987422 - A
Подробнее >
ГИДРОМОЛОТ (ЭНЕРГЕТИЧЕСКИЕ КАМЕРЫ) (B700)

ГИДРОМОЛОТ (ЭНЕРГЕТИЧЕСКИЕ КАМЕРЫ) (B700)

1Артикул: 6676654, ACCUMULATOR energy - W/Ref. 2 - 9
2Артикул: 6676691, PLUG
3Артикул: 6679894, VALVE charge - Was 6676692 - A
Подробнее >
ГИДРОМОЛОТ (ШЛАНГИ ГИДРОМОЛОТА) (5060)

ГИДРОМОЛОТ (ШЛАНГИ ГИДРОМОЛОТА) (5060)

1Артикул: BREAKER, BREAKER ASSY See Illustration BREAKER/ B15294 SALES
2Артикул: 17KB1212, FITTING, HYD ELBOW Was 17KV00008B - A
3Артикул: 99K12, O RING
Подробнее >
ГИДРОМОЛОТ (КОМПЛЕКТ ШЛАНГОВ) (HB1180) (HB1380)

ГИДРОМОЛОТ (КОМПЛЕКТ ШЛАНГОВ) (HB1180) (HB1380)

1Артикул: HOSE, HOSE KIT SALES #7175243 - Ref. 2-6 - W/standard arm
2Артикул: HOSE, HOSE KIT SALES #7175244 - Ref. 2-6 - W/long arm
3Артикул: 7203361, HOSE, HYD 1676 mm (66--) long - Use W/Ref. 1 (7175243 hose kit) - Was 7175239 - A
Подробнее >
ГИДРОМОЛОТ (HB880 A00X00101 - 19999)

ГИДРОМОЛОТ (HB880 A00X00101 - 19999)

1Артикул: 6676691, PLUG
2Артикул: 6679894, VALVE charge
3Артикул: 86626009, BOLT
Подробнее >
ГИДРОМОЛОТ (ВНУТРЕННИЕ ДЕТАЛИ) (HB980 A00Y20001 И ВЫШЕ)

ГИДРОМОЛОТ (ВНУТРЕННИЕ ДЕТАЛИ) (HB980 A00Y20001 И ВЫШЕ)

1Артикул: 6676691, PLUG
2Артикул: 6679894, VALVE charge
3Артикул: 86626009, BOLT
Подробнее >
ГИДРОМОЛОТ (КОМПЛЕКТ ШЛАНГОВ) (HB380) (HB580) (HB680) (ИСПОЛЬЗУЕТСЯ НА 320, 322, 323)

ГИДРОМОЛОТ (КОМПЛЕКТ ШЛАНГОВ) (HB380) (HB580) (HB680) (ИСПОЛЬЗУЕТСЯ НА 320, 322, 323)

1Артикул: HOSE, HOSE KIT NLA - Ref. 2-7 - Order components - Was SALES #7117823 - D
2Артикул: 7203363, HOSE, HYD Was 7117824 - A
3Артикул: 17KB1210, FITTING, HYD ELBOW Was 6676550 - A
Подробнее >
ГИДРОМОЛОТ (ИНСТРУМЕНТЫ ГИДРОМОЛОТА) (2500) (3500)

ГИДРОМОЛОТ (ИНСТРУМЕНТЫ ГИДРОМОЛОТА) (2500) (3500)

1Артикул: CONICAL, CONICAL POINT NLA - moil - Order 6678861 - Was 6630606 - A
2Артикул: CONICAL, CONICAL POINT NLA - moil - W/Bobcat Logo - Order 6678861 - Was 6724079 - A
3Артикул: 6678861, CONICAL POINT moil - W/Bobcat Logo
Подробнее >
ГИДРОМОЛОТ - ТОЛЬКО ЕВРОПА (РАМА ШАССИ И КРЕПЕЖНЫЕ ДЕТАЛИ) (HB380 A01Q)

ГИДРОМОЛОТ - ТОЛЬКО ЕВРОПА (РАМА ШАССИ И КРЕПЕЖНЫЕ ДЕТАЛИ) (HB380 A01Q)

1Артикул: 1CM2060, SCREW Was 86606019 - A
2Артикул: 1CM2070, SCREW Was 86578051 - D
3Артикул: 86228285, WASHER
Подробнее >
ГИДРОМОЛОТ (КОМПЛЕКТ ШЛАНГОВ) (B850) (B950) (ИСПОЛЬЗУЕТСЯ НА 328, 334, 337)

ГИДРОМОЛОТ (КОМПЛЕКТ ШЛАНГОВ) (B850) (B950) (ИСПОЛЬЗУЕТСЯ НА 328, 334, 337)

1Артикул: HOSE, HOSE KIT SALES #6728965 - Ref. 2-6
2Артикул: 6728966, HOSE
3Артикул: 17KB1212, FITTING, HYD ELBOW W/Ref. 4 - Was 6676551 - A
Подробнее >
ГИДРОМОЛОТ (ИНСТРУМЕНТЫ) (B850) (B950)

ГИДРОМОЛОТ (ИНСТРУМЕНТЫ) (B850) (B950)

1Артикул: 6676930, CONICAL POINT moil
2Артикул: 6676932, NAIL POINT
3Артикул: 6676933, CHISEL in-line
Подробнее >
ГИДРОМОЛОТ (ИНСТРУМЕНТЫ ГИДРОМОЛОТА) (5500)

ГИДРОМОЛОТ (ИНСТРУМЕНТЫ ГИДРОМОЛОТА) (5500)

1Артикул: CONICAL, CONICAL POINT NLA - moil - 2.75--(69.9mm) dia x 28. 25-- (717.6mm) long - Order 6679267 - Was 6632397 - A
2Артикул: 6679267, CONICAL POINT moil - W/Bobcat logo - Was 6724083 - A
3Артикул: CHISEL, CHISEL NLA - cross cut - order 6679268 - Was 6632395 - A
Подробнее >
ГИДРОМОЛОТ (КОМПЛЕКТ ШЛАНГОВ) (HB980) (HB1180) (ИСПОЛЬЗУЕТСЯ НА 341, 435 С ДЛИННОЙ РУКОЯТЬЮ)

ГИДРОМОЛОТ (КОМПЛЕКТ ШЛАНГОВ) (HB980) (HB1180) (ИСПОЛЬЗУЕТСЯ НА 341, 435 С ДЛИННОЙ РУКОЯТЬЮ)

1Артикул: HOSE, HOSE KIT SALES #6728967 - Ref. 2-6
2Артикул: 6728968, HOSE
3Артикул: 17KB1212, FITTING, HYD ELBOW W/Ref. 4 - Was 6676551 - A
Подробнее >
ГИДРОМОЛОТ (МОНТАЖНЫЙ КОМПЛЕКТ ДЛЯ ГИДРОМОЛОТА) (2500X) (ИСПОЛЬЗУЕТСЯ НА 709 ЭКСКАВАТОРЕ-ПОГРУЗЧИКЕ)

ГИДРОМОЛОТ (МОНТАЖНЫЙ КОМПЛЕКТ ДЛЯ ГИДРОМОЛОТА) (2500X) (ИСПОЛЬЗУЕТСЯ НА 709 ЭКСКАВАТОРЕ-ПОГРУЗЧИКЕ)

1Артикул: KIT, KIT SALES - Ref. 2 - 15
2Артикул: 6539009, BUSHING
3Артикул: 6539008, PIN
Подробнее >
ГИДРОМОЛОТ (РАМА ШАССИ И КРЕПЕЖНЫЕ ДЕТАЛИ) (HB680 A00W)

ГИДРОМОЛОТ (РАМА ШАССИ И КРЕПЕЖНЫЕ ДЕТАЛИ) (HB680 A00W)

1Артикул: 1CM2070, SCREW Was 86578051 - D
2Артикул: 86228285, WASHER
3Артикул: 40DM20, NUT Was 86259264 - A
Подробнее >
ГИДРОМОЛОТ (ОТБОЙНЫЙ МОЛОТОК) (ВОЗДУХ)

ГИДРОМОЛОТ (ОТБОЙНЫЙ МОЛОТОК) (ВОЗДУХ)

1Артикул: 6507231, ROD
2Артикул: HEAD, HEAD NLA - intake - Was 6507217 - A
3Артикул: 6507222, BODY
Подробнее >
ГИДРОМОЛОТ (ВНУТРЕННИЕ ДЕТАЛИ) (HB880 A00X20001 И ВЫШЕ)

ГИДРОМОЛОТ (ВНУТРЕННИЕ ДЕТАЛИ) (HB880 A00X20001 И ВЫШЕ)

1Артикул: 6676691, PLUG
2Артикул: 6679894, VALVE charge
3Артикул: 86626009, BOLT
Подробнее >
ГИДРОМОЛОТ (HB280)

ГИДРОМОЛОТ (HB280)

1Артикул: 6676691, PLUG
2Артикул: 6679894, VALVE charge
3Артикул: 86610920, BOLT
Подробнее >
ГИДРОМОЛОТ (МОНТАЖНЫЙ КОМПЛЕКТ ДЛЯ ГИДРОМОЛОТА) (2560) (2570) (3560) (3570) (ИСПОЛЬЗУЕТСЯ НА 709, 811)

ГИДРОМОЛОТ (МОНТАЖНЫЙ КОМПЛЕКТ ДЛЯ ГИДРОМОЛОТА) (2560) (2570) (3560) (3570) (ИСПОЛЬЗУЕТСЯ НА 709, 811)

1Артикул: KIT, KIT NLA - W/Ref. 6-18 - Order Components
2Артикул: 6705592, FRAME
3Артикул: 6728010, WASHER locking - Was 6662308 - A
Подробнее >
ГИДРОМОЛОТ (КОМПЛЕКТ УСТРОЙСТВ НАДУВА) (ИСПОЛЬЗУЕТСЯ НА ВСЕХ ГИДРОМОЛОТАХ КРОМЕ 1250)

ГИДРОМОЛОТ (КОМПЛЕКТ УСТРОЙСТВ НАДУВА) (ИСПОЛЬЗУЕТСЯ НА ВСЕХ ГИДРОМОЛОТАХ КРОМЕ 1250)

1Артикул: 6568037, KIT, HAMMER CHARGE Hydraulic Breaker Service - Ref. 2 - 20 - Was Sales - A
2Артикул: 6630651, TOOL
3Артикул: 6630659, SWIVEL
Подробнее >
ГИДРОМОЛОТ (ШЛАНГИ ГИДРОМОЛОТА) (6560) (ИСПОЛЬЗУЕТСЯ НА 963)

ГИДРОМОЛОТ (ШЛАНГИ ГИДРОМОЛОТА) (6560) (ИСПОЛЬЗУЕТСЯ НА 963)

1Артикул: BREAKER, BREAKER See Illustration BREAKER/ B15019 SALES
2Артикул: 15K8, FITTING flat boss face - W/Ref. 3
3Артикул: 15KB1212, FITTING, HYD CONNECTOR tapered boss face - W/Ref. 3 - Was 15KN00008B - A
Подробнее >
ГИДРОМОЛОТ (УСТАНОВКА ОБРАТНОЙ ЛОПАТЫ ГИДРОМОЛОТА) (ИСПОЛЬЗУЕТСЯ НА 811)

ГИДРОМОЛОТ (УСТАНОВКА ОБРАТНОЙ ЛОПАТЫ ГИДРОМОЛОТА) (ИСПОЛЬЗУЕТСЯ НА 811)

1Артикул: 6712033, KIT W/Ref. 2 - 46 - Was SALES - A
2Артикул: 6632973, SWITCH horn - Was 6654809 - A
3Артикул: VALVE,, VALVE, AUX NLA - Use 6692330 - Was 6685738 - A
Подробнее >
ГИДРОМОЛОТ (РАМА ШАССИ И КРЕПЕЖНЫЕ ДЕТАЛИ) (HB1180 A01R)

ГИДРОМОЛОТ (РАМА ШАССИ И КРЕПЕЖНЫЕ ДЕТАЛИ) (HB1180 A01R)

1Артикул: 1CM2070, SCREW Was 86578051 - D
2Артикул: 86228285, WASHER
3Артикул: 40DM20, NUT Was 86259264 - A
Подробнее >
ГИДРОМОЛОТ (ПРЕДУПРЕЖДАЮЩИЕ ТАБЛИЧКИ) (БЕЗ ТЕКСТА)

ГИДРОМОЛОТ (ПРЕДУПРЕЖДАЮЩИЕ ТАБЛИЧКИ) (БЕЗ ТЕКСТА)

1Артикул: KIT,, KIT, DECAL NO-TEXT NLA - Ref. 3 & 5 - Order components - Was 7193691 - A
2Артикул: 7112678, DECAL, SERVICE
3Артикул: 7193689, DECAL, SERVICE no-text
Подробнее >
ГИДРОМОЛОТ (ИНСТРУМЕНТЫ) (HB1380)

ГИДРОМОЛОТ (ИНСТРУМЕНТЫ) (HB1380)

1Артикул: 7163369, TOOL, NAIL POINT 3.35-- dia.
2Артикул: 7163370, TOOL, CONICAL POINT 3.35-- dia.
3Артикул: 7163368, TOOL, INLINE CHISEL 3.35-- dia.
Подробнее >
ГИДРОМОЛОТ (ОТБОЙНЫЙ МОЛОТОК МОНТАЖ)

ГИДРОМОЛОТ (ОТБОЙНЫЙ МОЛОТОК МОНТАЖ)

1Артикул: FRAME, FRAME NLA - mounting - Was 6501564 - A
2Артикул: 61D16, LCKNUT
3Артикул: 4E16, WASHER
Подробнее >
ГИДРОМОЛОТ (УСТАНОВКА ОБРАТНОЙ ЛОПАТЫ ГИДРОМОЛОТА) (ИСПОЛЬЗУЕТСЯ НА 607, 709)

ГИДРОМОЛОТ (УСТАНОВКА ОБРАТНОЙ ЛОПАТЫ ГИДРОМОЛОТА) (ИСПОЛЬЗУЕТСЯ НА 607, 709)

1Артикул: 6712030, KIT W/Ref. 2-48 - Does not work with Nimco control valve - Was SALES - A
2Артикул: 6632973, SWITCH horn - Was 6654809 - A
3Артикул: 17C532, BOLT 5
Подробнее >
ГИДРОМОЛОТ (ГИДРОМОЛОТ BOB-TACH МОНТАЖ) (6560) (ИСПОЛЬЗУЕТСЯ НА 963)

ГИДРОМОЛОТ (ГИДРОМОЛОТ BOB-TACH МОНТАЖ) (6560) (ИСПОЛЬЗУЕТСЯ НА 963)

1Артикул: FRAME, FRAME SALES - bobtach - Order 6716385 Kit
2Артикул: 6714286, HOUSING
3Артикул: 17C1448, BOLT
Подробнее >
ГИДРОМОЛОТ (МОНТАЖНЫЙ КОМПЛЕКТ ДЛЯ ГИДРОМОЛОТА) (1250) (2500) (ИСПОЛЬЗУЕТСЯ НА 709)

ГИДРОМОЛОТ (МОНТАЖНЫЙ КОМПЛЕКТ ДЛЯ ГИДРОМОЛОТА) (1250) (2500) (ИСПОЛЬЗУЕТСЯ НА 709)

1Артикул: KIT, KIT SALES
2Артикул: 6598758, COUPLER, POPPET FEMALE straight
3Артикул: 7246790, COUPLER, FF FEMALE See BTI433att - straight - Was 6672960 - A
Подробнее >
ГИДРОМОЛОТ (ГИДРОМОЛОТ BOB-TACH МОНТАЖ) (2 ПОЛОЖЕНИЯ) (1560) (ИСПОЛЬЗУЕТСЯ НА 400 СЕРИИ)

ГИДРОМОЛОТ (ГИДРОМОЛОТ BOB-TACH МОНТАЖ) (2 ПОЛОЖЕНИЯ) (1560) (ИСПОЛЬЗУЕТСЯ НА 400 СЕРИИ)

1Артикул: 6706764, FRAME
2Артикул: BREAKER, BREAKER See Illustration BREAKER/ B17869
3Артикул: 6728010, WASHER locking - Was 6662308 - A
Подробнее >
ГИДРОМОЛОТ (5060)

ГИДРОМОЛОТ (5060)

1Артикул: BREAKER, BREAKER ASSY SALES - W/Ref. 2 - 45
2Артикул: 6674750, ACCUMULATOR
3Артикул: 79K8, O RING 10
Подробнее >
ГИДРОМОЛОТ (КОМПЛЕКТ ШЛАНГОВ) (HB1180) (HB1380) (HB2380) (ИСПОЛЬЗУЕТСЯ НА E80)

ГИДРОМОЛОТ (КОМПЛЕКТ ШЛАНГОВ) (HB1180) (HB1380) (HB2380) (ИСПОЛЬЗУЕТСЯ НА E80)

1Артикул: HOSE, HOSE KIT SALES #7176607 - Ref. 2-6 - HB1180, HB1380, HB2380 on E80 W/standard arm
2Артикул: HOSE, HOSE KIT NLA - Ref. 2-6 - Order components - HB1180, HB1380, HB2380 on E80 W/long arm - Was SALES #7176608 - D
3Артикул: 7177918, HOSE, HYD 61-- long - Use W/ 7176607 hose kit
Подробнее >
ГИДРОМОЛОТ (РАМА ШАССИ И КРЕПЕЖНЫЕ ДЕТАЛИ) (HB880 A00X20001 И ВЫШЕ)

ГИДРОМОЛОТ (РАМА ШАССИ И КРЕПЕЖНЫЕ ДЕТАЛИ) (HB880 A00X20001 И ВЫШЕ)

1Артикул: 1CM2070, SCREW
2Артикул: 86228285, WASHER
3Артикул: 40DM20, NUT Was 86259264 - A
Подробнее >
ГИДРОМОЛОТ (ВНУТРЕННИЕ ДЕТАЛИ) (HB980 A00Y00101 - 19999)

ГИДРОМОЛОТ (ВНУТРЕННИЕ ДЕТАЛИ) (HB980 A00Y00101 - 19999)

1Артикул: 6676691, PLUG
2Артикул: 6679894, VALVE charge
3Артикул: 86626009, BOLT
Подробнее >
ГИДРОМОЛОТ (ГИДРОМОЛОТ) (3560) (3570)

ГИДРОМОЛОТ (ГИДРОМОЛОТ) (3560) (3570)

1Артикул: BREAKER, BREAKER SALES - 3560 - W/Ref. 2-56 - Sales # 6710158
2Артикул: BREAKER, BREAKER SALES - 3570 - W/Ref. 2 - 64 - Sales # 6715735
3Артикул: 6669302, ACCUMULATOR
Подробнее >
ГИДРОМОЛОТ (ГИДРОМОЛОТ) (6560) (ИСПОЛЬЗУЕТСЯ НА 963)

ГИДРОМОЛОТ (ГИДРОМОЛОТ) (6560) (ИСПОЛЬЗУЕТСЯ НА 963)

1Артикул: BREAKER, BREAKER ASSY SALES - W/Ref. 2 - 51
2Артикул: 6672076, HOUSING lower
3Артикул: 6672077, ROLL PIN
Подробнее >
ГИДРОМОЛОТ (ИНСТРУМЕНТЫ) (HB680)

ГИДРОМОЛОТ (ИНСТРУМЕНТЫ) (HB680)

1Артикул: 7149302, TOOL nail point - 2.13-- dia - Was 7126248 - A
2Артикул: 7144676, TOOL conical point - 2.13-- dia - Was 7126249 - A
3Артикул: 7144674, TOOL inline chisel - 2.13-- dia - Was 7126247 - A
Подробнее >
ГИДРОМОЛОТ (ИНСТРУМЕНТЫ ГИДРОМОЛОТА) (1250)

ГИДРОМОЛОТ (ИНСТРУМЕНТЫ ГИДРОМОЛОТА) (1250)

1Артикул: CONICAL, CONICAL POINT NLA - moil - order 6679261 - Was 6661339 - A
2Артикул: CONICAL, CONICAL POINT NLA - moil - W/Bobcat Logo - order 6679261 - Was 6724076 - A
3Артикул: 6679261, CONICAL POINT moil
Подробнее >
ГИДРОМОЛОТ (РАМА ШАССИ И КРЕПЕЖНЫЕ ДЕТАЛИ) (HB980 A00Y00101 - 19999)

ГИДРОМОЛОТ (РАМА ШАССИ И КРЕПЕЖНЫЕ ДЕТАЛИ) (HB980 A00Y00101 - 19999)

1Артикул: 1CM2070, SCREW Was 86578051 - D
2Артикул: 86228285, WASHER
3Артикул: 40DM20, NUT Was 86259264 - A
Подробнее >
ГИДРОМОЛОТ (ВЕРХНИЙ КОРПУС) (B700)

ГИДРОМОЛОТ (ВЕРХНИЙ КОРПУС) (B700)

1Артикул: 6676654, ACCUMULATOR See Illustration BREAKER/ B16480 W/Ref. 2 - ENERGY
2Артикул: 6676655, HELICOIL
3Артикул: 6676656, O-RING
Подробнее >
ГИДРОМОЛОТ (РАМА) (B850) (B950)

ГИДРОМОЛОТ (РАМА) (B850) (B950)

1Артикул: BREAKER, BREAKER SALES - B850 - W/Ref. 2 - 20 - SALES #6727940
2Артикул: BREAKER, BREAKER SALES - B950 - W/Ref. 2 - 20 - SALES #6727970
3Артикул: POWER, POWER CELL See Illustration BREAKER/ B17902 NSS - Order Ref. 1
Подробнее >
ГИДРОМОЛОТ (КОМПЛЕКТ ШЛАНГОВ) (B850) (B950) (ИСПОЛЬЗУЕТСЯ НА 341)

ГИДРОМОЛОТ (КОМПЛЕКТ ШЛАНГОВ) (B850) (B950) (ИСПОЛЬЗУЕТСЯ НА 341)

1Артикул: HOSE, HOSE KIT SALES #6728967 - Ref. 2-6
2Артикул: 6728968, HOSE
3Артикул: 17KB1212, FITTING, HYD ELBOW W/Ref. 4 - Was 6676551 - A
Подробнее >
ГИДРОМОЛОТ (КОМПЛЕКТ ШЛАНГОВ) (EMEA ТОЛЬКО) (HB380) (HB580) (ИСПОЛЬЗУЕТСЯ НА E14, E16)

ГИДРОМОЛОТ (КОМПЛЕКТ ШЛАНГОВ) (EMEA ТОЛЬКО) (HB380) (HB580) (ИСПОЛЬЗУЕТСЯ НА E14, E16)

1Артикул: KIT,, KIT, HOSE SALES #7191372 - Ref. 2-6
2Артикул: 7191371, HOSE, HYD
3Артикул: 79K12, O RING 10
Подробнее >
ГИДРОМОЛОТ (КОМПЛЕКТ ШЛАНГОВ) (B700) (ИСПОЛЬЗУЕТСЯ НА 463)

ГИДРОМОЛОТ (КОМПЛЕКТ ШЛАНГОВ) (B700) (ИСПОЛЬЗУЕТСЯ НА 463)

1Артикул: HOSE, HOSE KIT SALES - W/Ref. 2-9 - Sales #6727412
2Артикул: 6727406, HOSE
3Артикул: 6676550, ELBOW
Подробнее >
ГИДРОМОЛОТ (РАСПРЕДЕЛИТЕЛЬНЫЙ КЛАПАН В СБОРЕ) (HB880 A00X05152 И ВЫШЕ) (HB980 A00Y06089 И ВЫШЕ)

ГИДРОМОЛОТ (РАСПРЕДЕЛИТЕЛЬНЫЙ КЛАПАН В СБОРЕ) (HB880 A00X05152 И ВЫШЕ) (HB980 A00Y06089 И ВЫШЕ)

1Артикул: 7195116, VALVE, DIVERTER Ref. 2-16
2Артикул: VALVE, VALVE BLOCK NSS - Order Ref. 1
3Артикул: 7010284, SPOOL, PILOT
Подробнее >
ГИДРОМОЛОТ (КОМПЛЕКТ ШЛАНГОВ) (B850) (B950) (ИСПОЛЬЗУЕТСЯ НА 709, 811, 730SH, 735S)

ГИДРОМОЛОТ (КОМПЛЕКТ ШЛАНГОВ) (B850) (B950) (ИСПОЛЬЗУЕТСЯ НА 709, 811, 730SH, 735S)

1Артикул: HOSE, HOSE KIT SALES #6731630 - Ref. 2-6
2Артикул: 6731629, HOSE
3Артикул: 17KB1212, FITTING, HYD ELBOW W/Ref. 4 - Was 6676551 - A
Подробнее >
ГИДРОМОЛОТ (ГИДРОМОЛОТ) (1560)

ГИДРОМОЛОТ (ГИДРОМОЛОТ) (1560)

1Артикул: BREAKER, BREAKER ASSY SALES - Ref. 2-41 - Sales #6707020
2Артикул: 6667984, HOUSING W/Ref. 7
3Артикул: 6667980, PLUG
Подробнее >
ГИДРОМОЛОТ (КЛАПАН РАСПРЕДЕЛЕНИЯ ПОТОКА)

ГИДРОМОЛОТ (КЛАПАН РАСПРЕДЕЛЕНИЯ ПОТОКА)

1Артикул: VALVE, VALVE NLA - Use W/ pipe fittings - Order 6685736, 17KB-1008, 15KB-1008 & 18KB-1008 - Was 6593217 - A
2Артикул: VALVE,, VALVE, AUX NLA - Use W/ O-Ring boss fitting - Was 6692330 - A
3Артикул: VALVE, VALVE NLA - Use W/ pipe fittings - Order 6685738, 17KB-1008, 15KB-1008 & 18KB-1008 - Was 6630901 - A
Подробнее >
ГИДРОМОЛОТ (КОМПЛЕКТ РАСПРЕДЕЛИТЕЛЬНОГО КЛАПАНА) (HB880 A00X00101 - 05151) (HB980 A00Y00101 - 06088)

ГИДРОМОЛОТ (КОМПЛЕКТ РАСПРЕДЕЛИТЕЛЬНОГО КЛАПАНА) (HB880 A00X00101 - 05151) (HB980 A00Y00101 - 06088)

1Артикул: KIT,, KIT, VALVE DIVERTER See Illustration BREAKER/ NA2994 - NLA - Ref. 2-5 - Was 7177744 - A
2Артикул: VALVE,, VALVE, DIVERTER See Illustration BREAKER/ NA2342 - NLA - Was 7177743 - A
3Артикул: 18KB1212, FITTING, HYD ELBOW
Подробнее >
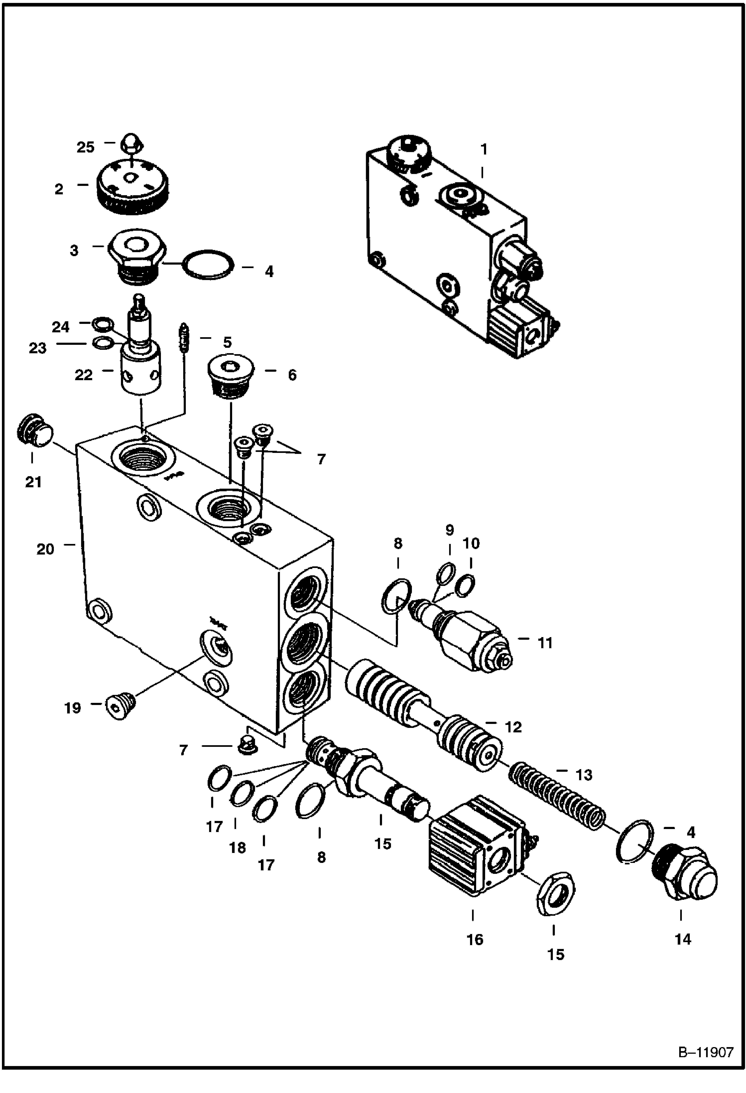
ГИДРОМОЛОТ (РЕГУЛИРУЮЩИЙ КЛАПАН) (5500)

ГИДРОМОЛОТ (РЕГУЛИРУЮЩИЙ КЛАПАН) (5500)

1Артикул: 6633758, VALVE W/Ref. 2-25
2Артикул: 6641152, KNOB
3Артикул: 6641153, NUT
Подробнее >
ГИДРОМОЛОТ (КОМПЛЕКТ ШЛАНГОВ) (HB880) (HB980) (ИСПОЛЬЗУЕТСЯ НА E32, E35 С ДЛИННОЙ РУКОЯТЬЮ)

ГИДРОМОЛОТ (КОМПЛЕКТ ШЛАНГОВ) (HB880) (HB980) (ИСПОЛЬЗУЕТСЯ НА E32, E35 С ДЛИННОЙ РУКОЯТЬЮ)

1Артикул: HOSE, HOSE KIT SALES #7180019 - Ref. 2-6
2Артикул: 7180020, HOSE, HYD
3Артикул: 17KB1212, FITTING, HYD ELBOW W/Ref. 4 - Was 6676551 - A
Подробнее >
ГИДРОМОЛОТ (КОМПЛЕКТ ДЛЯ УСТАНОВКИ СМЕННЫХ КОВШЕЙ ) (ПРЕОБРАЗУЕТ BOB-TACH, УСТАНОВЛЕННЫЙ СМЕННОМ ОНОВАНИИ)

ГИДРОМОЛОТ (КОМПЛЕКТ ДЛЯ УСТАНОВКИ СМЕННЫХ КОВШЕЙ ) (ПРЕОБРАЗУЕТ BOB-TACH, УСТАНОВЛЕННЫЙ СМЕННОМ ОНОВАНИИ)

1Артикул: KIT, KIT SALES - Breaker Conversion - Sales #6714579
2Артикул: 6714415, FRAME NLA - Was 6714415 - A
3Артикул: 6715085, HOSE
Подробнее >
ГИДРОМОЛОТ (КОМПЛЕКТ ШЛАНГОВ) (B700) (ИСПОЛЬЗУЕТСЯ НА 322, SSL, 463-753)

ГИДРОМОЛОТ (КОМПЛЕКТ ШЛАНГОВ) (B700) (ИСПОЛЬЗУЕТСЯ НА 322, SSL, 463-753)

1Артикул: HOSE, HOSE KIT NLA - Ref. 2-10 - Order components - Was SALES #6727411 - D
2Артикул: 6727406, HOSE
3Артикул: 6676550, ELBOW
Подробнее >
ГИДРОМОЛОТ (РАМА ШАССИ И КРЕПЕЖНЫЕ ДЕТАЛИ) (HB880 A00X00101 - 19999)

ГИДРОМОЛОТ (РАМА ШАССИ И КРЕПЕЖНЫЕ ДЕТАЛИ) (HB880 A00X00101 - 19999)

1Артикул: 1CM2070, SCREW Was 86578051 - D
2Артикул: 86228285, WASHER
3Артикул: 40DM20, NUT Was 86259264 - A
Подробнее >
ГИДРОМОЛОТ (КОМПЛЕКТ ШЛАНГОВ) (HB880 A00X00101 - 05151) (HB980 A00Y00101 - 06088)

ГИДРОМОЛОТ (КОМПЛЕКТ ШЛАНГОВ) (HB880 A00X00101 - 05151) (HB980 A00Y00101 - 06088)

1Артикул: HOSE, HOSE KIT NLA - Ref. 2-4 - Order components - Use W/standard arm - Was SALES #7175243 - B,D
2Артикул: HOSE, HOSE KIT NLA - Ref. 2-4 - Order components - Use W/long arm - Was SALES #7175244 - B,D
3Артикул: 7203361, HOSE, HYD 1650 mm (65--) long - Use W/standard arm - Was 7175239 - A
Подробнее >
ГИДРОМОЛОТ (ИНСТРУМЕНТЫ ГИДРОМОЛОТА) (1560)

ГИДРОМОЛОТ (ИНСТРУМЕНТЫ ГИДРОМОЛОТА) (1560)

1Артикул: 6678878, CONICAL POINT Moil - Was 6665855 - A
2Артикул: 6678879, CHISEL Cross cut - Was 6665856 - A
3Артикул: 6678880, CHISEL Line cut - Was 6665857 - A
Подробнее >
ГИДРОМОЛОТ - ТОЛЬКО ЕВРОПА (HB380)

ГИДРОМОЛОТ - ТОЛЬКО ЕВРОПА (HB380)

1Артикул: 6676691, PLUG
2Артикул: 6679894, VALVE charge
3Артикул: 86610920, BOLT
Подробнее >
ГИДРОМОЛОТ (ИНСТРУМЕНТЫ) (HB2380)

ГИДРОМОЛОТ (ИНСТРУМЕНТЫ) (HB2380)

1Артикул: 7144722, TOOL nail point - 3.73-- dia - Was 7133850 - A
2Артикул: 7144723, TOOL conical point - 3.73-- dia - Was 7133851 - A
3Артикул: 7144721, TOOL inline chisel - 3.73-- dia - Was 7133849 - A
Подробнее >
ГИДРОМОЛОТ (ГИДРОМОЛОТ) (1250)

ГИДРОМОЛОТ (ГИДРОМОЛОТ) (1250)

1Артикул: 6649335, BREAKER
2Артикул: WASHER, WASHER NLA - Was 6650273 - A
3Артикул: BOLT, BOLT NLA - Was 6665424 - A
Подробнее >
ГИДРОМОЛОТ - ТОЛЬКО ЕВРОПА (РАМА ШАССИ И КРЕПЕЖНЫЕ ДЕТАЛИ) (HB580 A00В)

ГИДРОМОЛОТ - ТОЛЬКО ЕВРОПА (РАМА ШАССИ И КРЕПЕЖНЫЕ ДЕТАЛИ) (HB580 A00В)

1Артикул: 1CM2060, SCREW Was 86606019 - A
2Артикул: 1CM2070, SCREW Was 86578051 - D
3Артикул: 86228285, WASHER
Подробнее >
ГИДРОМОЛОТ (ГИДРОМОЛОТ BOB-TACH МОНТАЖ) (2 ПОЛОЖЕНИЯ) (1250) (ИСПОЛЬЗУЕТСЯ НА 440 СЕРИИ)

ГИДРОМОЛОТ (ГИДРОМОЛОТ BOB-TACH МОНТАЖ) (2 ПОЛОЖЕНИЯ) (1250) (ИСПОЛЬЗУЕТСЯ НА 440 СЕРИИ)

1Артикул: FRAME, FRAME NLA - mtg. - Order 1560 Frame From Gwinner Sales
2Артикул: 6649335, BREAKER See Illustration BREAKER/ B12467
3Артикул: 6530572, FRAME
Подробнее >
ГИДРОМОЛОТ (РАМА ШАССИ И КРЕПЕЖНЫЕ ДЕТАЛИ) (HB2380 A5T6)

ГИДРОМОЛОТ (РАМА ШАССИ И КРЕПЕЖНЫЕ ДЕТАЛИ) (HB2380 A5T6)

1Артикул: 86656667, HOUSING
2Артикул: 86647187, CLAMP
3Артикул: 86226768, PIN Was 86234028 - A
Подробнее >
ГИДРОМОЛОТ (РАМА ШАССИ И КРЕПЕЖНЫЕ ДЕТАЛИ) (HB980 A00Y20001 И ВЫШЕ)

ГИДРОМОЛОТ (РАМА ШАССИ И КРЕПЕЖНЫЕ ДЕТАЛИ) (HB980 A00Y20001 И ВЫШЕ)

1Артикул: 1CM2070, SCREW Was 86578051 - D
2Артикул: 86228285, WASHER
3Артикул: 40DM20, NUT Was 86259264 - A
Подробнее >
ГИДРОМОЛОТ (КОМПЛЕКТ ШЛАНГОВ) (HB1180) (HB2380) (ИСПОЛЬЗУЕТСЯ НА 442)

ГИДРОМОЛОТ (КОМПЛЕКТ ШЛАНГОВ) (HB1180) (HB2380) (ИСПОЛЬЗУЕТСЯ НА 442)

1Артикул: HOSE, HOSE KIT SALES #7130290 - Ref. 2-9
2Артикул: 7129666, HOSE 50-- long
3Артикул: 7147654, HOSE 72-- long - Was 7129665 - A
Подробнее >
ГИДРОМОЛОТ - ТОЛЬКО ЕВРОПА (ИНСТРУМЕНТЫ ГИДРОМОЛОТА) (HB380)

ГИДРОМОЛОТ - ТОЛЬКО ЕВРОПА (ИНСТРУМЕНТЫ ГИДРОМОЛОТА) (HB380)

1Артикул: 7144655, TOOL, NAIL POINT nail point - 1.65-- dia - Was 7126228 - A
2Артикул: 7144656, TOOL, CONICAL POINT conical point - 1.65-- dia - Was 7126229 - A
3Артикул: 7144654, TOOL, INLINE CHISEL inline chisel - W1.65-- dia - Was 7126227 - A
Подробнее >
ГИДРОМОЛОТ (ИНСТРУМЕНТЫ) (HB980 A00Y)

ГИДРОМОЛОТ (ИНСТРУМЕНТЫ) (HB980 A00Y)

1Артикул: 7144701, TOOL nail point - 2.72-- dia - Was 7126269 - A
2Артикул: 7144702, TOOL conical point - 2.72-- dia - Was 7126270 - A
3Артикул: 7144700, TOOL inline chisel - 2.72-- dia - Was 7126268 - A
Подробнее >
ГИДРОМОЛОТ (КОМПЛЕКТ ШЛАНГОВ) (B700) (ИСПОЛЬЗУЕТСЯ НА 725S)

ГИДРОМОЛОТ (КОМПЛЕКТ ШЛАНГОВ) (B700) (ИСПОЛЬЗУЕТСЯ НА 725S)

1Артикул: HOSE, HOSE KIT SALES - W/Ref. 2-10 - Sales #6732661
2Артикул: 6732662, HOSE
3Артикул: 6676550, ELBOW
Подробнее >
ГИДРОМОЛОТ (ГИДРОМОЛОТ BOB-TACH МОНТАЖ) (2 ПОЛОЖЕНИЯ) (2560) (3560) (2570) (3570)

ГИДРОМОЛОТ (ГИДРОМОЛОТ BOB-TACH МОНТАЖ) (2 ПОЛОЖЕНИЯ) (2560) (3560) (2570) (3570)

1Артикул: 6705592, FRAME
2Артикул: BREAKER, BREAKER See Illustration BREAKER/ B17878 See Illustration BREAKER/ B17877
3Артикул: 6728010, WASHER locking - Was 6662308 - A
Подробнее >
ГИДРОМОЛОТ (НИЖНИЙ КОРПУС) (B700)

ГИДРОМОЛОТ (НИЖНИЙ КОРПУС) (B700)

1Артикул: 6676672, PIN
2Артикул: 6676673, PISTON
3Артикул: 6686370, CYLINDER, HYD BREAKER Was 6676674 - A
Подробнее >
ГИДРОМОЛОТ (КОМПЛЕКТ ШЛАНГОВ) (HB280) (ИСПОЛЬЗУЕТСЯ НА 316, 418)

ГИДРОМОЛОТ (КОМПЛЕКТ ШЛАНГОВ) (HB280) (ИСПОЛЬЗУЕТСЯ НА 316, 418)

1Артикул: KIT,, KIT, HOSE NLA - Ref. 2-7 - Order components - Use for HB280 on 316 & 418 Excavators - For 316 Excavator Also Order Ref. 8 - Was SALES #7170566 - D
2Артикул: 7145555, HOSE
3Артикул: 11K7, ADAPTER
Подробнее >
ГИДРОМОЛОТ (ГИДРОМОЛОТ) (2500)

ГИДРОМОЛОТ (ГИДРОМОЛОТ) (2500)

1Артикул: BREAKER, BREAKER NLA - Ref. 2 - 48 - Was 6630514 - A
2Артикул: PLATE, PLATE NLA - Was 6630649 - A
3Артикул: 6630641, O-RING
Подробнее >
ГИДРОМОЛОТ (ИНСТРУМЕНТЫ ГИДРОМОЛОТА) (2560) (2570) (3560) (3570)

ГИДРОМОЛОТ (ИНСТРУМЕНТЫ ГИДРОМОЛОТА) (2560) (2570) (3560) (3570)

1Артикул: CONICAL, CONICAL POINT NLA - moil - Order 6678861 - Was 6630606 - A
2Артикул: CONICAL, CONICAL POINT NLA - moil - W/Bobcat Logo - Order 6678861 - Was 6724079 - A
3Артикул: 6678861, CONICAL POINT moil - W/Bobcat Logo
Подробнее >
ГИДРОМОЛОТ (КОМПЛЕКТ ШЛАНГОВ) (HB580) (HB680) (HB880) (HB980) (HB1180) (HB1380) (HB2380) (ИСПОЛЬЗУЕТСЯ НА ПОГРУЗЧИКИ)

ГИДРОМОЛОТ (КОМПЛЕКТ ШЛАНГОВ) (HB580) (HB680) (HB880) (HB980) (HB1180) (HB1380) (HB2380) (ИСПОЛЬЗУЕТСЯ НА ПОГРУЗЧИКИ)

1Артикул: HOSE, HOSE KIT NLA - Ref. 2-6 - Order components - Was SALES #7114764 - D
2Артикул: 7114765, HOSE, HYD ASSY
3Артикул: 17KB1212, FITTING, HYD ELBOW W/Ref. 4 - Was 6676551 - A
Подробнее >