+7 (701) 588 50 05 Телефон для связи
RU

WhatsApp

Позвонить

ПОГРУЗЧИК в Алматы

ЦИЛИНДР 60, 62, 66, 68, 74, 80 И 84 ДВУХЧЕЛЮСТНЫЕ КОВШИ

ЦИЛИНДР 60, 62, 66, 68, 74, 80 И 84 ДВУХЧЕЛЮСТНЫЕ КОВШИ

1Артикул: 6815651, CYLINDER, BUCKET COMBO Ref. 2-15 - Was 6808218 - A
2Артикул: 6815652, CASE Was 6808220 - A
3Артикул: 92D14, NUT
Подробнее >
44-- ДВУХЧЕЛЮСТНОЙ КОВШ СЕРИЙНЫЙ НОМЕР 0300 00211 И ВЫШЕ

44-- ДВУХЧЕЛЮСТНОЙ КОВШ СЕРИЙНЫЙ НОМЕР 0300 00211 И ВЫШЕ

1Артикул: 7109473, DECAL, LOGO BOBCAT AND HEAD
2Артикул: 7110341, HOSE
3Артикул: 23J16, SNAP RING
Подробнее >
ДВУХЧЕЛЮСТНОЙ КОВШ 66-- (1676,4ММ) - СЕРИЙНЫЙ НОМЕР 431200425 И 413400231 И НИЖЕ

ДВУХЧЕЛЮСТНОЙ КОВШ 66-- (1676,4ММ) - СЕРИЙНЫЙ НОМЕР 431200425 И 413400231 И НИЖЕ

1Артикул: 6594136, FRAME
2Артикул: 85D5, NUT 5
3Артикул: 6554414, PIN
Подробнее >
44-- ДВУХЧЕЛЮСТНОЙ КОВШ СЕРИЙНЫЙ НОМЕР 0300 00210 И НИЖЕ

44-- ДВУХЧЕЛЮСТНОЙ КОВШ СЕРИЙНЫЙ НОМЕР 0300 00210 И НИЖЕ

1Артикул: 6727323, DECAL, LOGO BOBCAT AND HEAD
2Артикул: 6727324, DECAL, LOGO BOBCAT AND HEAD
3Артикул: 23J16, SNAP RING Was 7101168 - A
Подробнее >
ЦИЛИНДР 44-- ДВУХЧЕЛЮСТНОЙ КОВШ - СЕРИЙНЫЙ НОМЕР 0300 И НИЖЕ

ЦИЛИНДР 44-- ДВУХЧЕЛЮСТНОЙ КОВШ - СЕРИЙНЫЙ НОМЕР 0300 И НИЖЕ

1Артикул: 7101162, CYLINDER
2Артикул: 7101163, CASE
3Артикул: 92D14, NUT
Подробнее >
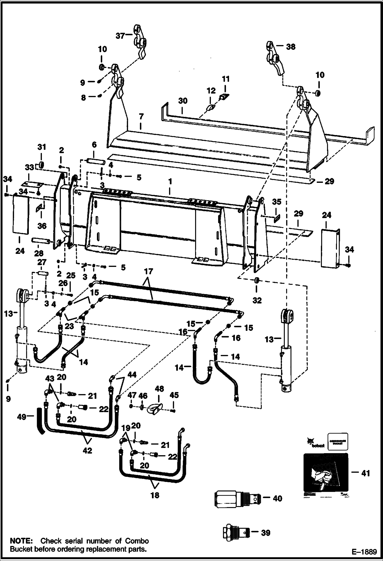
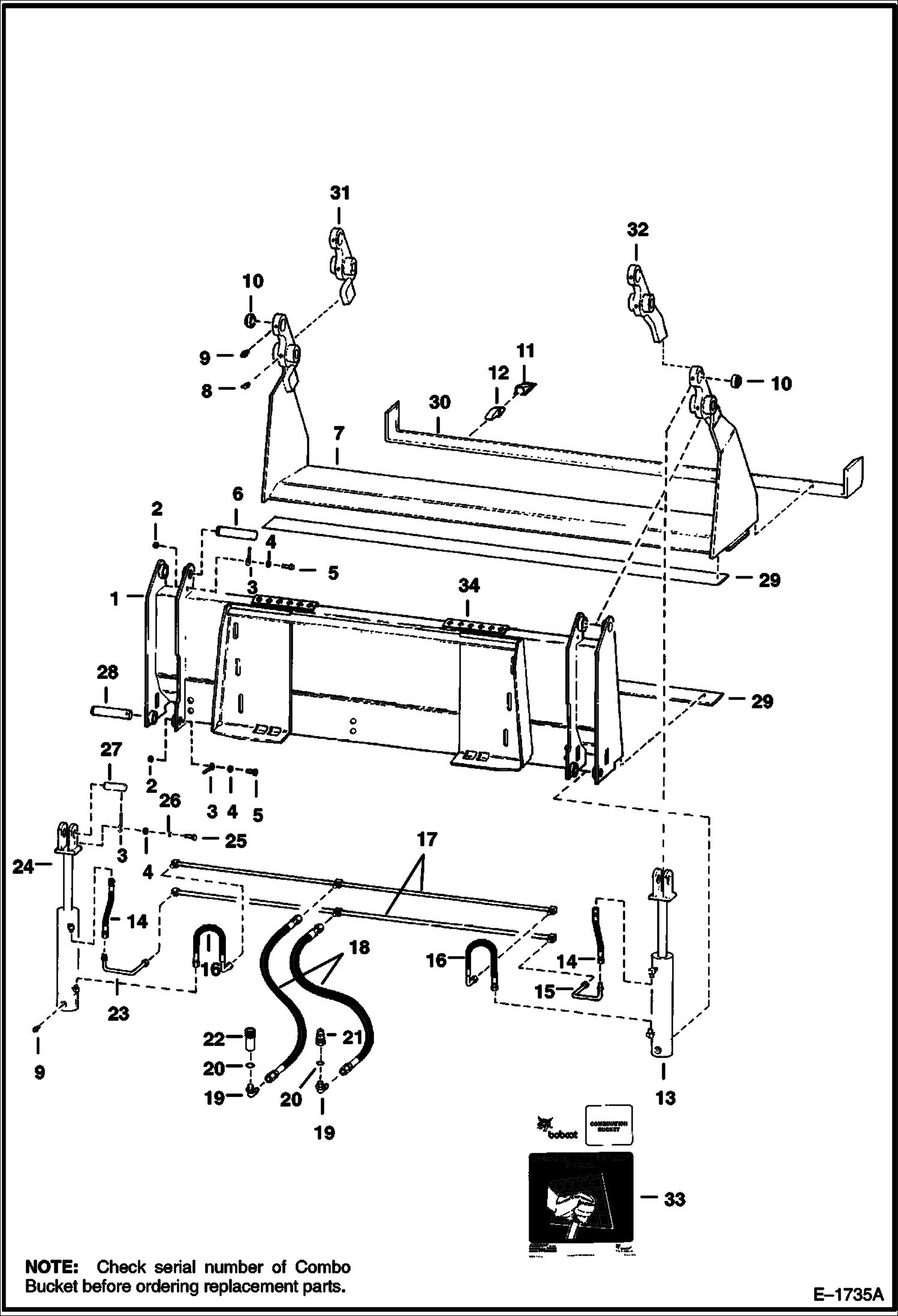
ДВУХЧЕЛЮСТНОЙ КОВШ 62-- (AEMY) 68-- (AEMZ) 74-- (AEN0) 80-- (AEN1) 84-- (AEN2)

ДВУХЧЕЛЮСТНОЙ КОВШ 62-- (AEMY) 68-- (AEMZ) 74-- (AEN0) 80-- (AEN1) 84-- (AEN2)

1Артикул: COMBINATION, COMBINATION BUCKET SALES #7167310 - 62--
2Артикул: COMBINATION, COMBINATION BUCKET SALES #7167311 - 68--
3Артикул: COMBINATION, COMBINATION BUCKET SALES #7167312 - 74--
Подробнее >
ДВУХЧЕЛЮСТНОЙ КОВШ - 900 СЕРИИ

ДВУХЧЕЛЮСТНОЙ КОВШ - 900 СЕРИИ

1Артикул: BUCKET, BUCKET NLA - combination - Gunnon Mfg. Co. no longer offers service parts
Подробнее >
ЦИЛИНДР 44-- ДВУХЧЕЛЮСТНОЙ КОВШ - СЕРИЙНЫЙ НОМЕР 0300 И ВЫШЕ

ЦИЛИНДР 44-- ДВУХЧЕЛЮСТНОЙ КОВШ - СЕРИЙНЫЙ НОМЕР 0300 И ВЫШЕ

1Артикул: 6809501, CYLINDER Ref. 2 - 13
2Артикул: 6807379, CASE
3Артикул: 92D14, NUT
Подробнее >
ДВУХЧЕЛЮСТНОЙ КОВШ 60-- (1524ММ) СЕРИЙНЫЙ НОМЕР 451900210 И 451700344 И НИЖЕ

ДВУХЧЕЛЮСТНОЙ КОВШ 60-- (1524ММ) СЕРИЙНЫЙ НОМЕР 451900210 И 451700344 И НИЖЕ

1Артикул: 6594619, FRAME
2Артикул: 85D5, NUT 5
3Артикул: 6554414, PIN
Подробнее >
ДВУХЧЕЛЮСТНОЙ КОВШ 60--, 66-- И 74-- (1524, 1676 И 1880ММ) С РАСПРЕДЕЛИТЕЛЕМ

ДВУХЧЕЛЮСТНОЙ КОВШ 60--, 66-- И 74-- (1524, 1676 И 1880ММ) С РАСПРЕДЕЛИТЕЛЕМ

1Артикул: 6705874, REAR BUCKET 1524 mm (60--) bucket
2Артикул: 6706382, REAR BUCKET W/Frame-66--(1676mm) Bucket
3Артикул: 6713763, REAR BUCKET W/Frame-74--(1880mm) Bucket
Подробнее >
ДВУХЧЕЛЮСТНОЙ КОВШ 60-- (1524ММ) СЕРИЙНЫЙ НОМЕР 451900211 И 451700345 ЧЕРЕЗ СЕРИЙНЫЙ НОМЕР 4519020000 И 4517020000

ДВУХЧЕЛЮСТНОЙ КОВШ 60-- (1524ММ) СЕРИЙНЫЙ НОМЕР 451900211 И 451700345 ЧЕРЕЗ СЕРИЙНЫЙ НОМЕР 4519020000 И 4517020000

1Артикул: 6531537, FRAME
2Артикул: 85D5, NUT 5
3Артикул: 6554414, PIN
Подробнее >
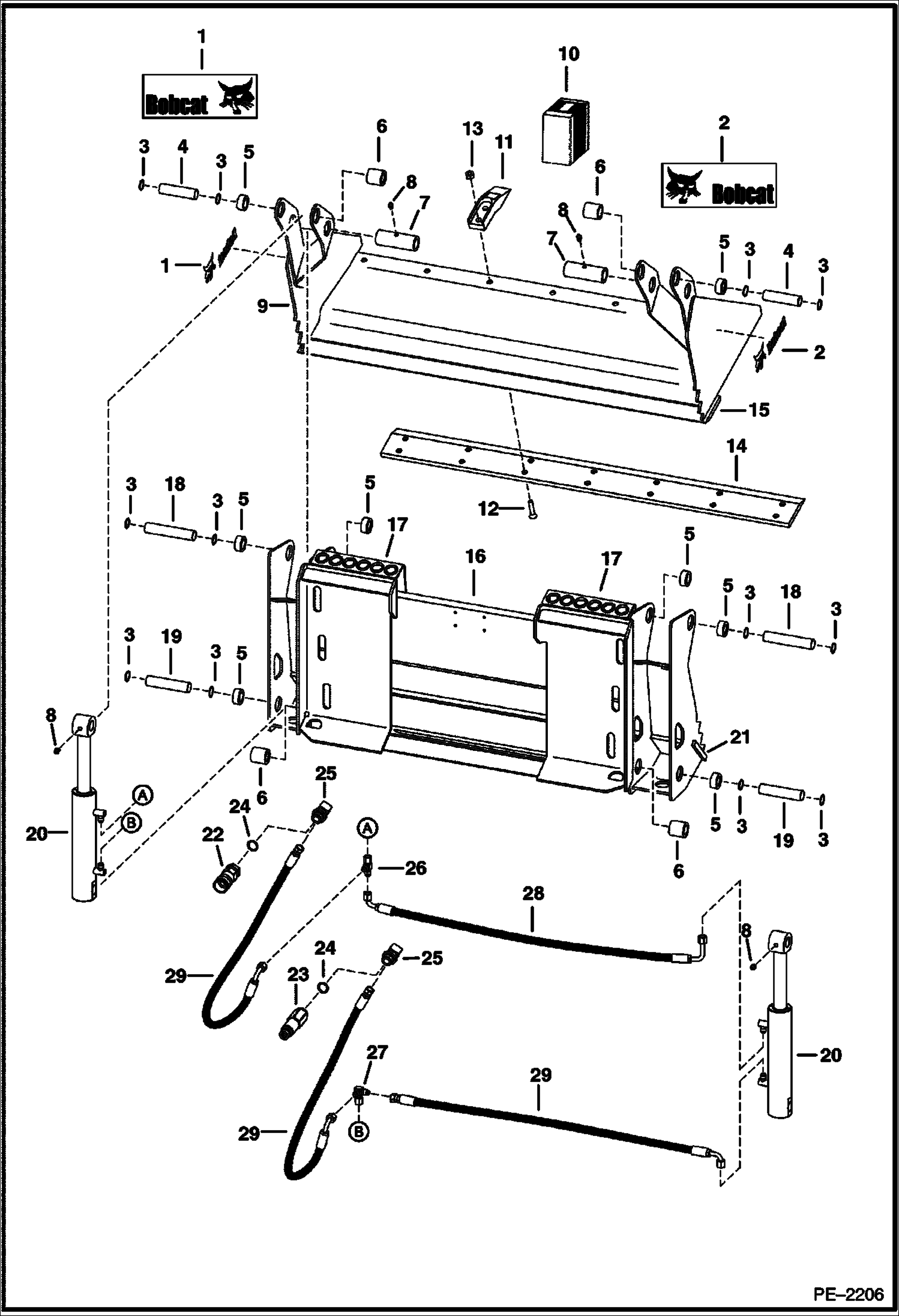
ДВУХЧЕЛЮСТНОЙ КОВШ (62--, 68-- И 74-- - С БОЛТОВЫМ КРЕПЛЕНИЕМ ЗУБЬЕВ)

ДВУХЧЕЛЮСТНОЙ КОВШ (62--, 68-- И 74-- - С БОЛТОВЫМ КРЕПЛЕНИЕМ ЗУБЬЕВ)

1Артикул: CLAMSHELL, CLAMSHELL NLA - front - 62-- - Was 6811391 - A
2Артикул: 6811392, CLAMSHELL front - 68--
3Артикул: 6811393, CLAMSHELL front - 74--
Подробнее >
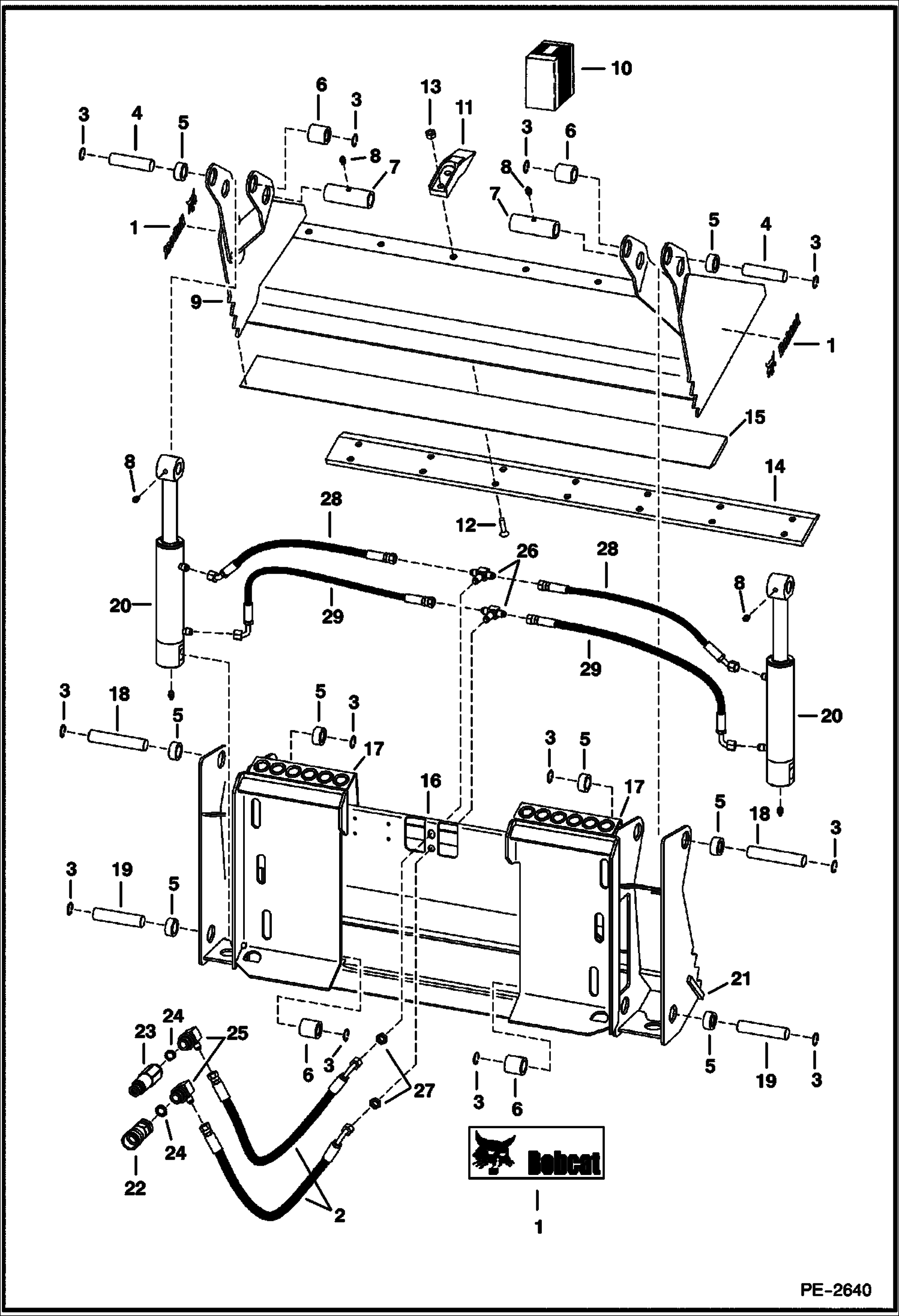
ЦИЛИНДР ДВУХЧЕЛЮСТНОЙ КОВШ

ЦИЛИНДР ДВУХЧЕЛЮСТНОЙ КОВШ

1Артикул: CYLINDER, CYLINDER See Illustration CYLINDER/ B18236 - NLA - Ref. 2-15 - Was 6589416 - A
2Артикул: 6815652, CASE Was 6666931 - A
3Артикул: 92D12, NUT
Подробнее >
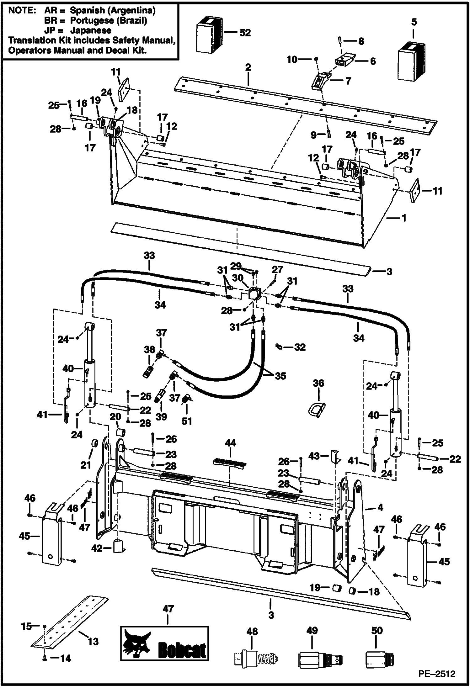
ДВУХЧЕЛЮСТНОЙ КОВШ 84-- (2134ММ) - СЕРИЙНЫЙ НОМЕР 7692 (ПЕРВАЯ ИЗ 4 РАЗРЯДНОСТИ)

ДВУХЧЕЛЮСТНОЙ КОВШ 84-- (2134ММ) - СЕРИЙНЫЙ НОМЕР 7692 (ПЕРВАЯ ИЗ 4 РАЗРЯДНОСТИ)

1Артикул: 7107917, BUCKET front - Was 6808297 - A
2Артикул: 6807717, EDGE, CUTTING FRONT WELD-ON 84-- weld-on
3Артикул: 6807718, EDGE, CUTTING WELD ON BEVELED 84.75-- weld-on
Подробнее >
ДВУХЧЕЛЮСТНОЙ КОВШ 80 LP И 84 LP - СЕРИЙНЫЙ НОМЕР 0278 И 0280

ДВУХЧЕЛЮСТНОЙ КОВШ 80 LP И 84 LP - СЕРИЙНЫЙ НОМЕР 0278 И 0280

1Артикул: 7105054, BUCKET, 80-- Front - 80--
2Артикул: 7107917, BUCKET Front - 84--
3Артикул: 6729370, EDGE, CUTTING WELD-ON 80-- front
Подробнее >
ДВУХЧЕЛЮСТНОЙ КОВШ 66-- (1676,4ММ) - СЕРИЙНЫЙ НОМЕР 431200426 И 413400232 ЧЕРЕЗ 431202000 И 413402000

ДВУХЧЕЛЮСТНОЙ КОВШ 66-- (1676,4ММ) - СЕРИЙНЫЙ НОМЕР 431200426 И 413400232 ЧЕРЕЗ 431202000 И 413402000

1Артикул: 6531602, FRAME
2Артикул: 85D5, NUT 5
3Артикул: 6554414, PIN
Подробнее >
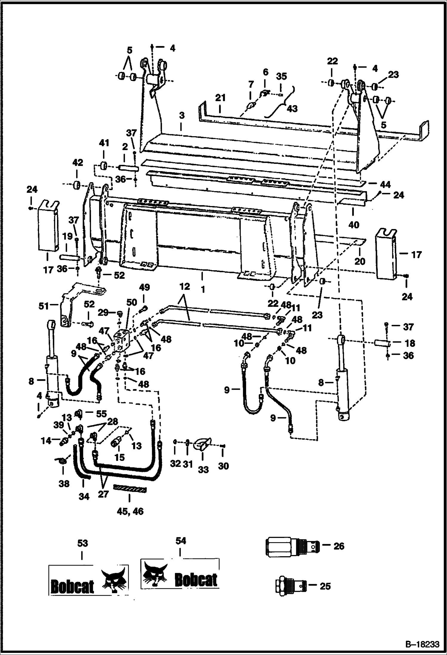
ЦИЛИНДР 62-- (AEMY) 68-- (AEMZ) 74-- (AEN0) 80-- (AEN1) 84-- (AEN2)

ЦИЛИНДР 62-- (AEMY) 68-- (AEMZ) 74-- (AEN0) 80-- (AEN1) 84-- (AEN2)

1Артикул: 7166114, CYLINDER, BUCKET COMBO W/Ref. 2 - 13
2Артикул: 7166115, TUBE, CASE CYL
3Артикул: 92D14, NUT
Подробнее >