+7 (701) 588 50 05 Телефон для связи
RU

WhatsApp

Позвонить

ПОГРУЗЧИК в Алматы

КОМПАКТОР ТРАНШЕИ (223300101 И ВЫШЕ)

КОМПАКТОР ТРАНШЕИ (223300101 И ВЫШЕ)

1Артикул: 6905029, WHEEL
2Артикул: 17C1040, BOLT
3Артикул: 6905149, PAD
Подробнее >
КОМПАКТОР ТРАНШЕИ (БОКОВОЙ ЦИЛИНДР МЕХАНИЗМА ПЕРЕКЛЮЧЕНИЯ) (991500101 И ВЫШЕ)

КОМПАКТОР ТРАНШЕИ (БОКОВОЙ ЦИЛИНДР МЕХАНИЗМА ПЕРЕКЛЮЧЕНИЯ) (991500101 И ВЫШЕ)

1Артикул: 6677297, CYLINDER ASSY W/Ref. 2 - 21
2Артикул: 6677281, CASE
3Артикул: 6677282, SEAL
Подробнее >
КОМПАКТОР ТРАНШЕИ (КЛАПАН) (223300195 И ВЫШЕ)

КОМПАКТОР ТРАНШЕИ (КЛАПАН) (223300195 И ВЫШЕ)

1Артикул: 6679069, VALVE ASSY W/Ref. 2 - 7
2Артикул: 6679681, BLOCK
3Артикул: 6679682, RELIEF VALVE
Подробнее >
КОМПАКТОР ТРАНШЕИ (ГИДРАВЛИЧЕСКАЯ СИСТЕМА) (991500101 И ВЫШЕ)

КОМПАКТОР ТРАНШЕИ (ГИДРАВЛИЧЕСКАЯ СИСТЕМА) (991500101 И ВЫШЕ)

1Артикул: 6677312, BOLT
2Артикул: 6676755, WASHER
3Артикул: 6677309, FLANGE
Подробнее >
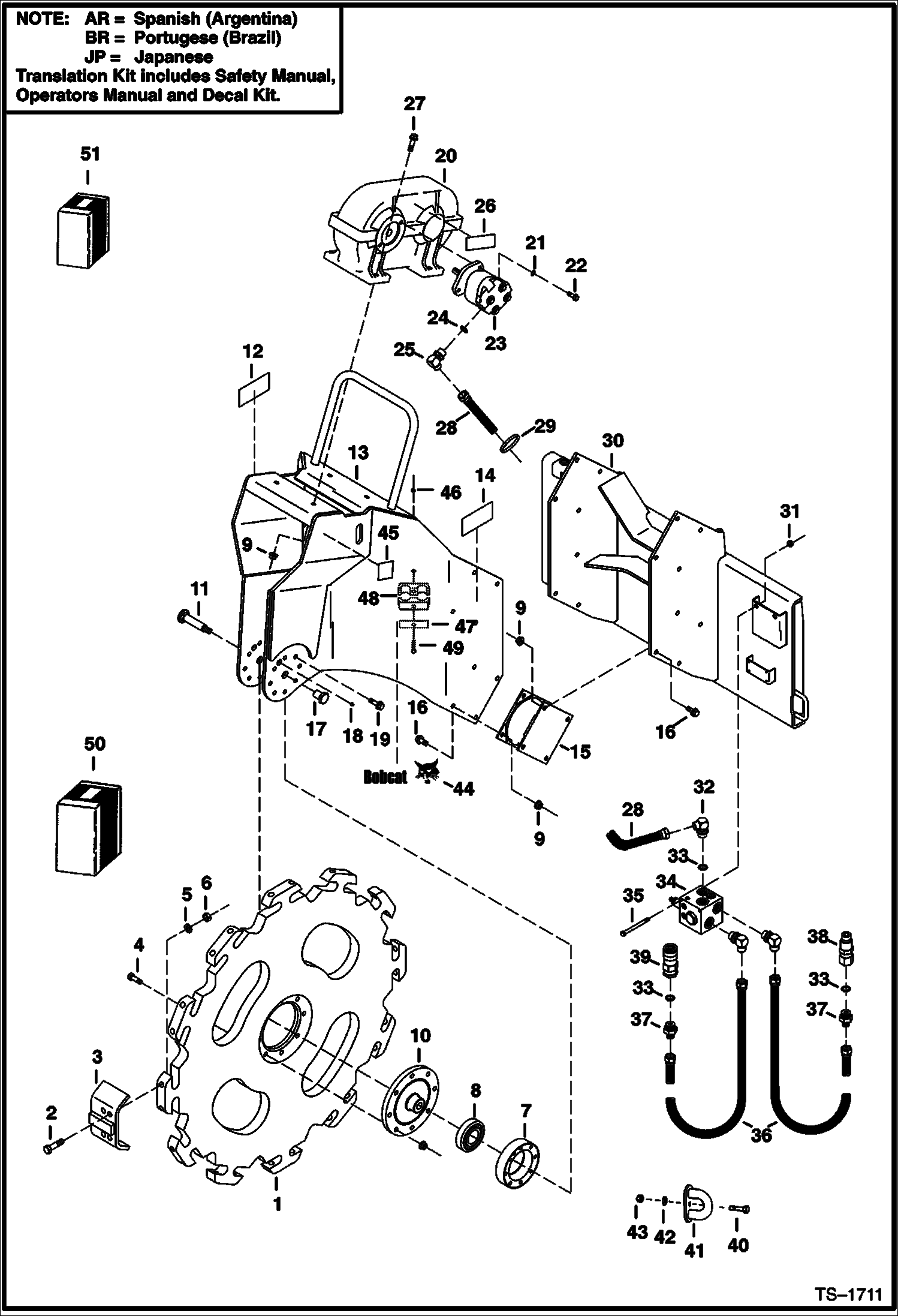
КОМПАКТОР ТРАНШЕИ (ГИДРАВЛИЧЕСКИЙ ДВИГАТЕЛЬ) (223300101 - 00138)

КОМПАКТОР ТРАНШЕИ (ГИДРАВЛИЧЕСКИЙ ДВИГАТЕЛЬ) (223300101 - 00138)

1Артикул: 6648663, MOTOR Use W/ 6674683 (.234--) orfice in valve
2Артикул: CAP, CAP SCREW NLA - Was 6648720 - A
3Артикул: 4E7, WASHER Was 23E000007B - A
Подробнее >
КОМПАКТОР ТРАНШЕИ (ВИБРАТОР) (223300101 И ВЫШЕ)

КОМПАКТОР ТРАНШЕИ (ВИБРАТОР) (223300101 И ВЫШЕ)

1Артикул: 6673812, VIBRATOR Ref. 2 - 14
2Артикул: 6674787, HOUSING top
3Артикул: 6674788, HOUSING bottom
Подробнее >
КОМПАКТОР ТРАНШЕИ (ГИДРАВЛИЧЕСКИЙ ДВИГАТЕЛЬ) (223300139 И ВЫШЕ)

КОМПАКТОР ТРАНШЕИ (ГИДРАВЛИЧЕСКИЙ ДВИГАТЕЛЬ) (223300139 И ВЫШЕ)

1Артикул: 6673030, MOTOR Use W/ 6677146 (.266--) orfice in valve
2Артикул: CAP, CAP SCREW NLA - Was 6648720 - A
3Артикул: 4E7, WASHER
Подробнее >
КОМПАКТОР ТРАНШЕИ (РЕГУЛИРУЮЩИЙ КЛАПАН) (991500168 И ВЫШЕ)

КОМПАКТОР ТРАНШЕИ (РЕГУЛИРУЮЩИЙ КЛАПАН) (991500168 И ВЫШЕ)

1Артикул: 7011126, VALVE, CONTROL Ref. 2-31
2Артикул: 7020596, BLOCK, PORT
3Артикул: PLUG, PLUG NSS - Was 7008559 - A
Подробнее >
КОМПАКТОР ТРАНШЕИ (РЕГУЛИРУЮЩИЙ КЛАПАН) (991500101-00167)

КОМПАКТОР ТРАНШЕИ (РЕГУЛИРУЮЩИЙ КЛАПАН) (991500101-00167)

1Артикул: 6669981, VALVE, CONTROL W/Ref. 2 - 26
2Артикул: 6671025, COIL
3Артикул: 6673986, SPOOL, VALVE
Подробнее >
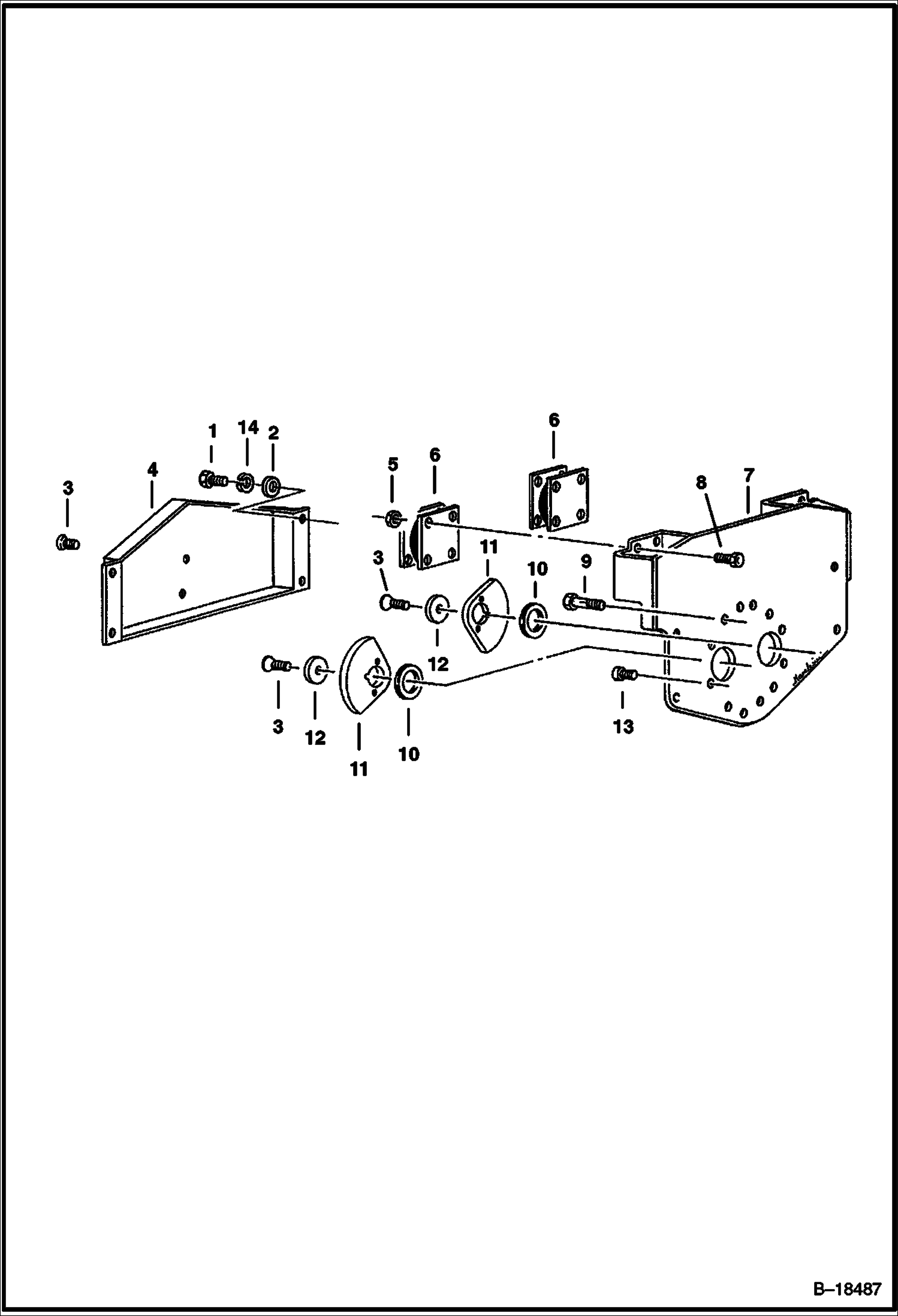
КОМПАКТОР ТРАНШЕИ (КОЛЕСО В СБОРЕ) (991500101 И ВЫШЕ)

КОМПАКТОР ТРАНШЕИ (КОЛЕСО В СБОРЕ) (991500101 И ВЫШЕ)

1Артикул: SEAL, SEAL NLA - Was 6677219 - A
2Артикул: 6677220, RING
3Артикул: 6677221, BUSHING
Подробнее >
КОМПАКТОР ТРАНШЕИ (КОРПУС И НАКЛОН РАМЫ) (991500101 И ВЫШЕ)

КОМПАКТОР ТРАНШЕИ (КОРПУС И НАКЛОН РАМЫ) (991500101 И ВЫШЕ)

1Артикул: 6677262, RING retaining
2Артикул: PIN, PIN NLA - Was 6677263 - A
3Артикул: 6677264, BUSHING
Подробнее >
КОМПАКТОР ТРАНШЕИ (ЦИЛИНДР НАКЛОНА) (991500101 И ВЫШЕ)

КОМПАКТОР ТРАНШЕИ (ЦИЛИНДР НАКЛОНА) (991500101 И ВЫШЕ)

1Артикул: 6676843, CYLINDER, TILT W/Ref. 2 - 11
2Артикул: 6676840, ROD
3Артикул: 6676817, SEAL
Подробнее >
КОМПАКТОР ТРАНШЕИ (КЛАПАН) (223300101 - 00194)

КОМПАКТОР ТРАНШЕИ (КЛАПАН) (223300101 - 00194)

1Артикул: VALVE, VALVE NLA - W/Ref. 2 - 20 - Order 6679069 - Was 6674375 - A
2Артикул: 6674679, BODY
3Артикул: PRIORITY, PRIORITY CART NLA - W/Ref. 4-6 - Was 6674680 - A
Подробнее >
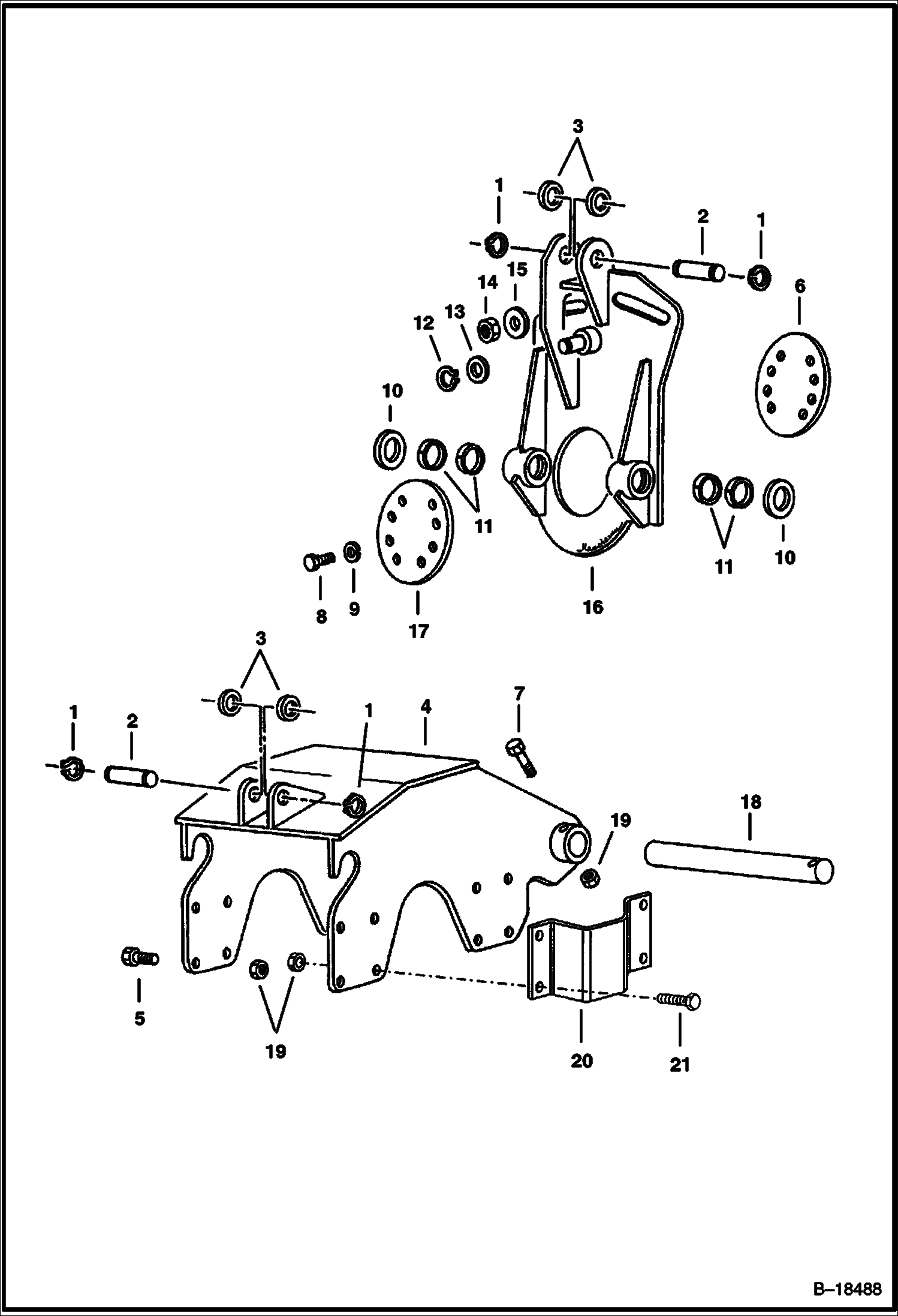
КОМПАКТОР ТРАНШЕИ (BOB-TACH РАМА) (991500101 И ВЫШЕ)

КОМПАКТОР ТРАНШЕИ (BOB-TACH РАМА) (991500101 И ВЫШЕ)

1Артикул: 6676743, WASHER
2Артикул: 6676742, WASHER Was 6677273 - A
3Артикул: 6677725, MOUNT
Подробнее >
КОМПАКТОР ТРАНШЕИ (ПРЕДУПРЕЖДАЮЩИЕ ТАБЛИЧКИ) (БЕЗ ТЕКСТА)

КОМПАКТОР ТРАНШЕИ (ПРЕДУПРЕЖДАЮЩИЕ ТАБЛИЧКИ) (БЕЗ ТЕКСТА)

1Артикул: 6583862, DECAL, WARNING
2Артикул: 7130132, DECAL, WARNING no-text
3Артикул: 6701391, DECAL, EXIT
Подробнее >
КОМПАКТОР ТРАНШЕИ (ВИБРОКАТКИ) (991500101 И ВЫШЕ)

КОМПАКТОР ТРАНШЕИ (ВИБРОКАТКИ) (991500101 И ВЫШЕ)

1Артикул: 6676808, BOLT
2Артикул: 6676786, WASHER
3Артикул: 6677244, BOLT
Подробнее >
КОМПАКТОР ТРАНШЕИ (ЦИЛИНДР УСТРОЙСТВА КОНТРОЛЯ ГЛУБИНЫ) (991500101 И ВЫШЕ)

КОМПАКТОР ТРАНШЕИ (ЦИЛИНДР УСТРОЙСТВА КОНТРОЛЯ ГЛУБИНЫ) (991500101 И ВЫШЕ)

1Артикул: 6677280, CYLINDER ASSY W/Ref. 2 - 11
2Артикул: 6677278, ROD
3Артикул: 6676817, SEAL
Подробнее >