+7 (701) 588 50 05 Телефон для связи
RU

WhatsApp

Позвонить

ПОГРУЗЧИК в Алматы

КОНСОЛЬ УПРАВЛЕНИЯ БЕТОНОНАСОС - СЕРИЙНЫЙ НОМЕР PREFIX 2354

КОНСОЛЬ УПРАВЛЕНИЯ БЕТОНОНАСОС - СЕРИЙНЫЙ НОМЕР PREFIX 2354

1Артикул: 7109821, CONSOLE W/Ref. 2 - 21
2Артикул: 6670312, SWITCH, MAGNETIC relay
3Артикул: 6678679, CONTROLLER
Подробнее >
ОБЩАЯ СХЕМА, ПРОМЫВНОЙ БЛОК И ПОРШНИ БЕТОНОНАСОС - СЕРИЙНЫЙ НОМЕР PREFIX 2331

ОБЩАЯ СХЕМА, ПРОМЫВНОЙ БЛОК И ПОРШНИ БЕТОНОНАСОС - СЕРИЙНЫЙ НОМЕР PREFIX 2331

1Артикул: 16D6, NUT
2Артикул: 6676304, COVER
3Артикул: 6676305, GASKET
Подробнее >
REMIX ДВИГАТЕЛЬ БЕТОНОНАСОС - СЕРИЙНЫЙ НОМЕР PREFIX 2354

REMIX ДВИГАТЕЛЬ БЕТОНОНАСОС - СЕРИЙНЫЙ НОМЕР PREFIX 2354

1Артикул: 6688724, MOTOR W/Ref. 2 - 20
2Артикул: 6688927, BOLT
3Артикул: 6672845, COVER
Подробнее >
МЕШАЛКА БЕТОНОНАСОСА БЕТОНОНАСОС - СЕРИЙНЫЙ НОМЕР PREFIX 2331

МЕШАЛКА БЕТОНОНАСОСА БЕТОНОНАСОС - СЕРИЙНЫЙ НОМЕР PREFIX 2331

1Артикул: KIT, KIT SALES #6906819 - agitator - Ref. 2-22
2Артикул: 6906621, COVER
3Артикул: GRATE, GRATE NLA - R.H. - Was 6906833 - A
Подробнее >
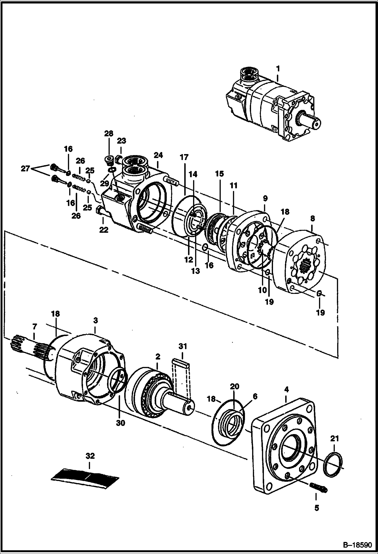
ГИДРОСТАТИЧЕСКИЙ ДВИГАТЕЛЬ. МЕШАЛКА БЕТОНОНАСОСА - СЕРИЙНЫЙ НОМЕР PREFIX 2331

ГИДРОСТАТИЧЕСКИЙ ДВИГАТЕЛЬ. МЕШАЛКА БЕТОНОНАСОСА - СЕРИЙНЫЙ НОМЕР PREFIX 2331

1Артикул: MOTOR, MOTOR NLA - Ref. 2-31 - Model 109-1427-006 - black - Was 6677431 - D
2Артикул: 6677431, MOTOR Ref. 2-31 - Model 109-1493-006 - charcoal gray
3Артикул: 6678243, SHAFT
Подробнее >
КОРОБКА МЕХАНИЗМА УПРАВЛЕНИЯ ДИСТАНЦИОННОГО УПРАВЛЕНИЯ ЗАХВАТОМ БЕТОНОНАСОС - СЕРИЙНЫЙ НОМЕР PREFIX 2331

КОРОБКА МЕХАНИЗМА УПРАВЛЕНИЯ ДИСТАНЦИОННОГО УПРАВЛЕНИЯ ЗАХВАТОМ БЕТОНОНАСОС - СЕРИЙНЫЙ НОМЕР PREFIX 2331

1Артикул: 6905961, PANEL W/Ref. 2 - 19
2Артикул: 6670312, SWITCH, MAGNETIC relay
3Артикул: 6678679, CONTROLLER Was 6675000 - A
Подробнее >
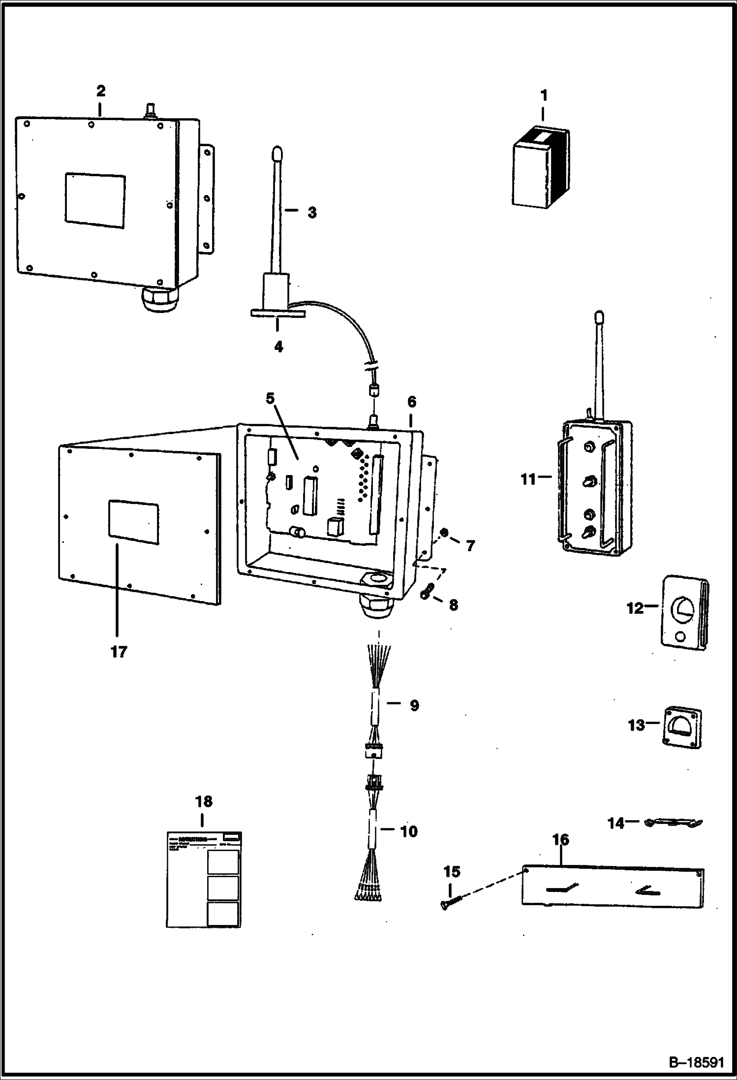
КОМПЛЕКТ ПУЛЬТА ДИСТАНЦИОННОГО УПРАВЛЕНИЯ МЕШАЛКА БЕТОНОНАСОСА - СЕРИЙНЫЙ НОМЕР PREFIX 2331

КОМПЛЕКТ ПУЛЬТА ДИСТАНЦИОННОГО УПРАВЛЕНИЯ МЕШАЛКА БЕТОНОНАСОСА - СЕРИЙНЫЙ НОМЕР PREFIX 2331

1Артикул: KIT, KIT NLA - remote control - Ref. 2-18 - Order components - Was SALES #6906813 - D
2Артикул: 6678805, RECEIVER replacement
3Артикул: 6678803, ANTENNA
Подробнее >
ДОПОЛНИТЕЛЬНОЕ ОБОРУДОВАНИЕ БЕТОНОНАСОСА

ДОПОЛНИТЕЛЬНОЕ ОБОРУДОВАНИЕ БЕТОНОНАСОСА

1Артикул: 6676181, TUBE placing - 3-- dia, 10 ft. long
2Артикул: 6676182, ELBOW 90 degree, 5-- dia
3Артикул: 6676183, ELBOW 90 degree, reducer, 5---3-- dia.
Подробнее >
БУНКЕР ДЛЯ ЗАГРУЗКИ И КРЕПЕЖНЫЕ ДЕТАЛИ БЕТОНОНАСОС - СЕРИЙНЫЙ НОМЕР PREFIX 2331

БУНКЕР ДЛЯ ЗАГРУЗКИ И КРЕПЕЖНЫЕ ДЕТАЛИ БЕТОНОНАСОС - СЕРИЙНЫЙ НОМЕР PREFIX 2331

1Артикул: 6906032, HANDLE
2Артикул: 55D6, NUT
3Артикул: 35C616, BOLT 5
Подробнее >
БЕТОНОНАСОС - СЕРИЙНЫЙ НОМЕР PREFIX 2354 БУНКЕР ДЛЯ ЗАГРУЗКИ И СМЕСИТЕЛЬ

БЕТОНОНАСОС - СЕРИЙНЫЙ НОМЕР PREFIX 2354 БУНКЕР ДЛЯ ЗАГРУЗКИ И СМЕСИТЕЛЬ

1Артикул: 6688583, COVER hopper
2Артикул: 6688585, PIN
3Артикул: 1F524, PIN
Подробнее >
БЕТОНОНАСОС - СЕРИЙНЫЙ НОМЕР PREFIX 2354 РАМА ШАССИ

БЕТОНОНАСОС - СЕРИЙНЫЙ НОМЕР PREFIX 2354 РАМА ШАССИ

1Артикул: 7112762, COVER
2Артикул: 7112763, COVER
3Артикул: 7108689, GUARD
Подробнее >
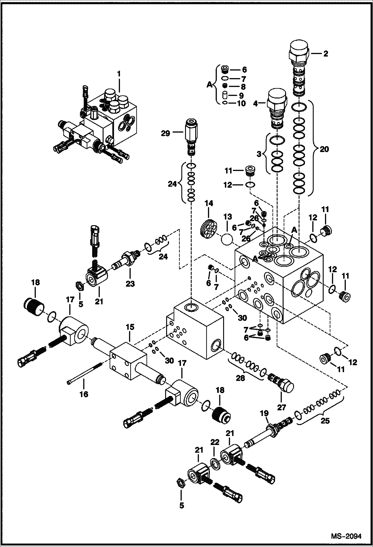
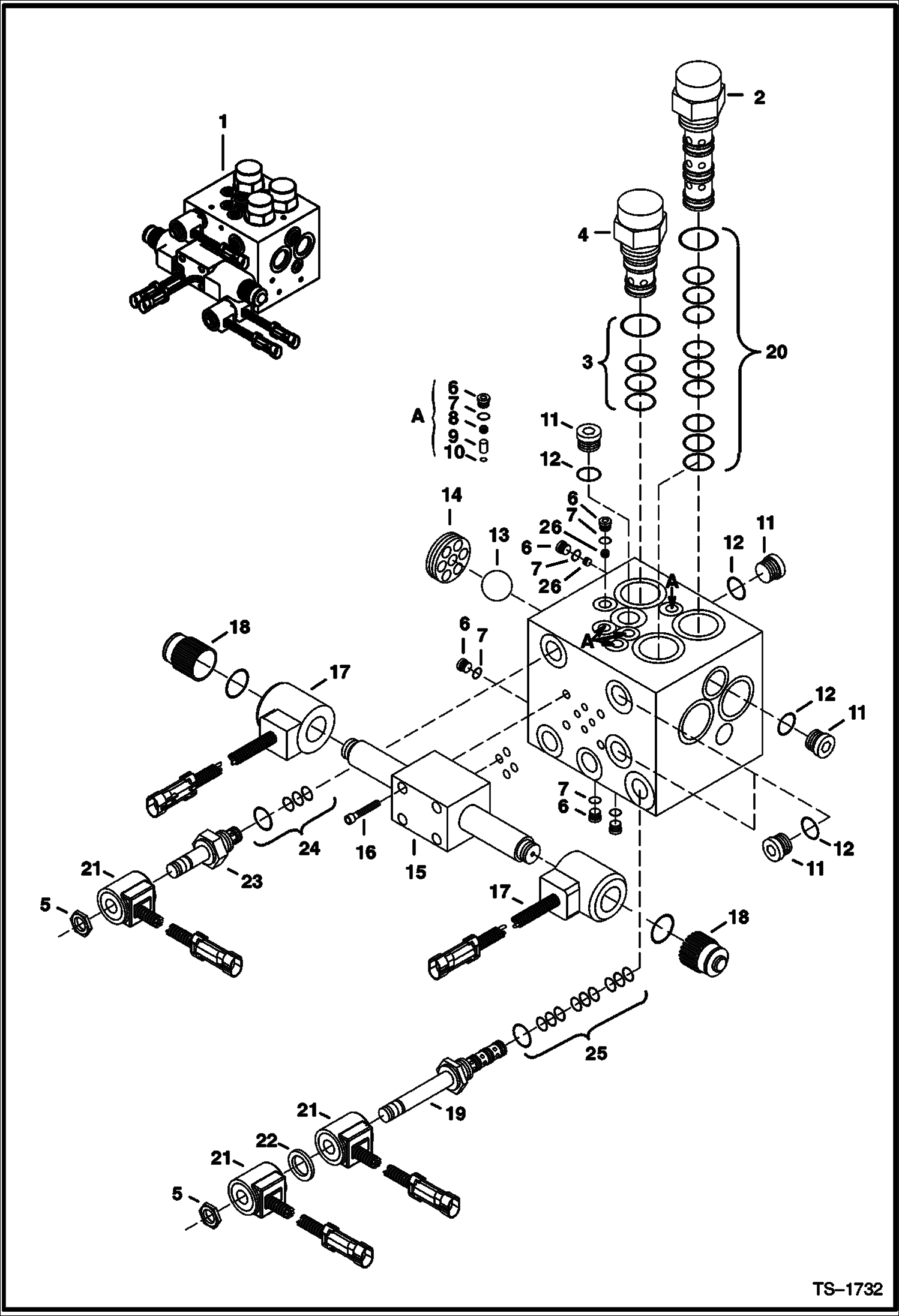
РЕГУЛИРУЮЩИЙ КЛАПАН БЕТОНОНАСОС - СЕРИЙНЫЙ НОМЕР PREFIX 2331

РЕГУЛИРУЮЩИЙ КЛАПАН БЕТОНОНАСОС - СЕРИЙНЫЙ НОМЕР PREFIX 2331

1Артикул: 6675943, VALVE ASSY Ref. 2 - 24
2Артикул: 6676315, VALVE
3Артикул: 6676314, SEAL KIT
Подробнее >
ГИДРАВЛИКА И ЭЛЕКТРИЧЕСКАЯ СИСТЕМА БЕТОНОНАСОС - СЕРИЙНЫЙ НОМЕР PREFIX 2331

ГИДРАВЛИКА И ЭЛЕКТРИЧЕСКАЯ СИСТЕМА БЕТОНОНАСОС - СЕРИЙНЫЙ НОМЕР PREFIX 2331

1Артикул: 6905961, PANEL See Illustration REMOTE ATTACHMENT CONTROL BOX/ TS1735
2Артикул: 6905930, MOUNT
3Артикул: 25G612, SCREW
Подробнее >
РАМА ШАССИ БЕТОНОНАСОС - СЕРИЙНЫЙ НОМЕР PREFIX 2331

РАМА ШАССИ БЕТОНОНАСОС - СЕРИЙНЫЙ НОМЕР PREFIX 2331

1Артикул: 6906000, COVER Was 6905945 - A
2Артикул: 6958236, GUARD Was 6905947 - A
3Артикул: 55D6, NUT
Подробнее >
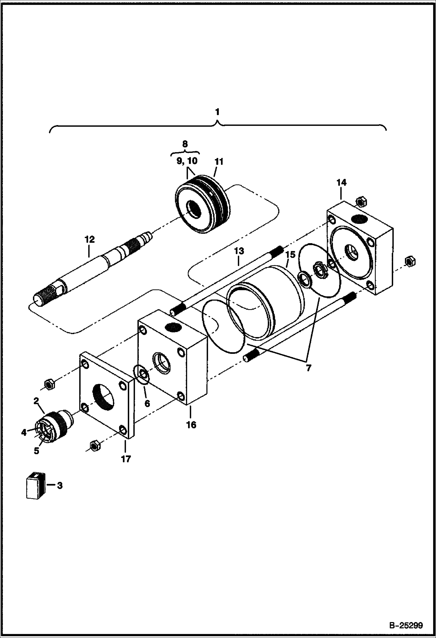
ЦИЛИНДР ПОВОРОТНОГО КЛАПАНА БЕТОНОНАСОС - СЕРИЙНЫЙ НОМЕР PREFIX 2331

ЦИЛИНДР ПОВОРОТНОГО КЛАПАНА БЕТОНОНАСОС - СЕРИЙНЫЙ НОМЕР PREFIX 2331

1Артикул: 6675944, CYLINDER W/Ref. 2-12
2Артикул: 6676326, CASE
3Артикул: 6674431, NUT
Подробнее >
ШАРОВОЙ КЛАПАН В СБОРЕ МЕШАЛКА БЕТОНОНАСОСА - СЕРИЙНЫЙ НОМЕР PREFIX 2331

ШАРОВОЙ КЛАПАН В СБОРЕ МЕШАЛКА БЕТОНОНАСОСА - СЕРИЙНЫЙ НОМЕР PREFIX 2331

1Артикул: 6906848, HOSE
2Артикул: 15KB0606, FITTING, HYD CONNECTOR
3Артикул: 15KB0612, FITTING, HYD CONNECTOR Was 6715186 - A
Подробнее >
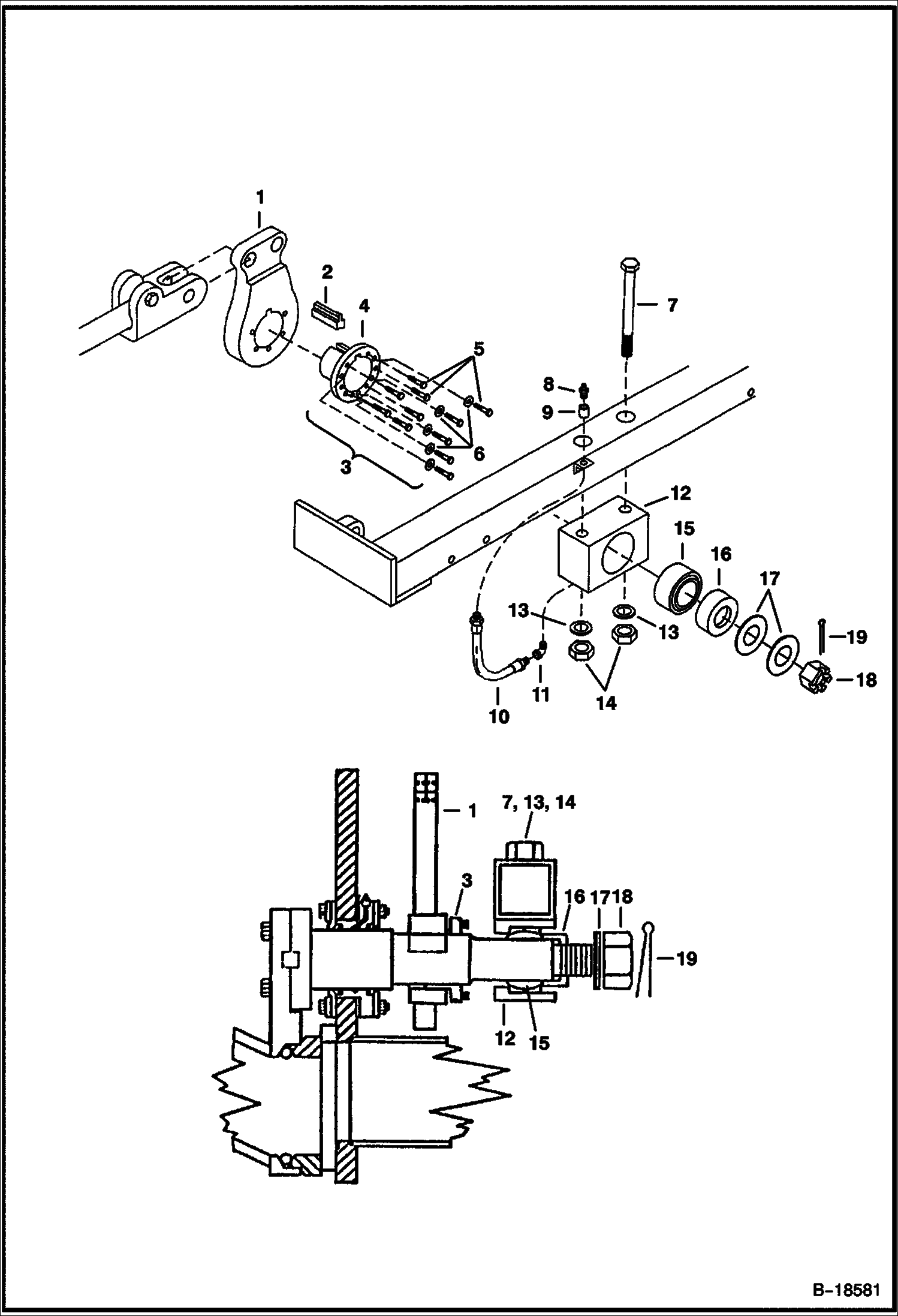
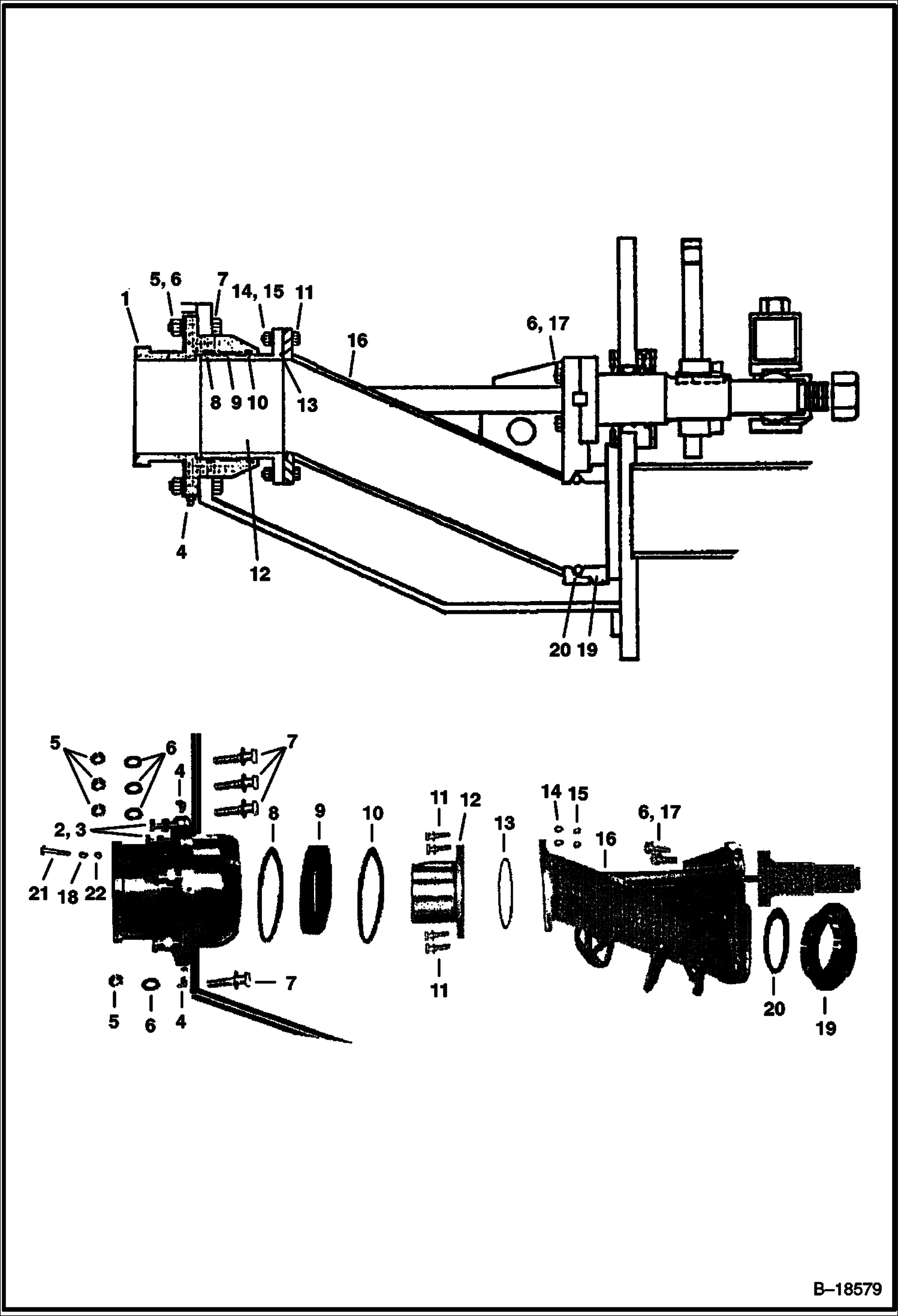
ПЛЕЧО КРИВОШИПА В СБОРЕ БЕТОНОНАСОС - СЕРИЙНЫЙ НОМЕР PREFIX 2331

ПЛЕЧО КРИВОШИПА В СБОРЕ БЕТОНОНАСОС - СЕРИЙНЫЙ НОМЕР PREFIX 2331

1Артикул: 6676284, CRANK ARM
2Артикул: 6679119, KEY, STEP stepped - Was 7J009208B - B
3Артикул: 6676286, BUSHING ASSY W/Ref. 4-6
Подробнее >
БЕТОНОНАСОС - СЕРИЙНЫЙ НОМЕР PREFIX 2354 СХЕМА ГИДРАВЛИЧЕСКОЙ СИСТЕМЫ

БЕТОНОНАСОС - СЕРИЙНЫЙ НОМЕР PREFIX 2354 СХЕМА ГИДРАВЛИЧЕСКОЙ СИСТЕМЫ

1Артикул: 7108705, HOSE
2Артикул: 18KB0810, FITTING, HYD ELBOW
3Артикул: 17KB0808, FITTING, HYD ELBOW
Подробнее >
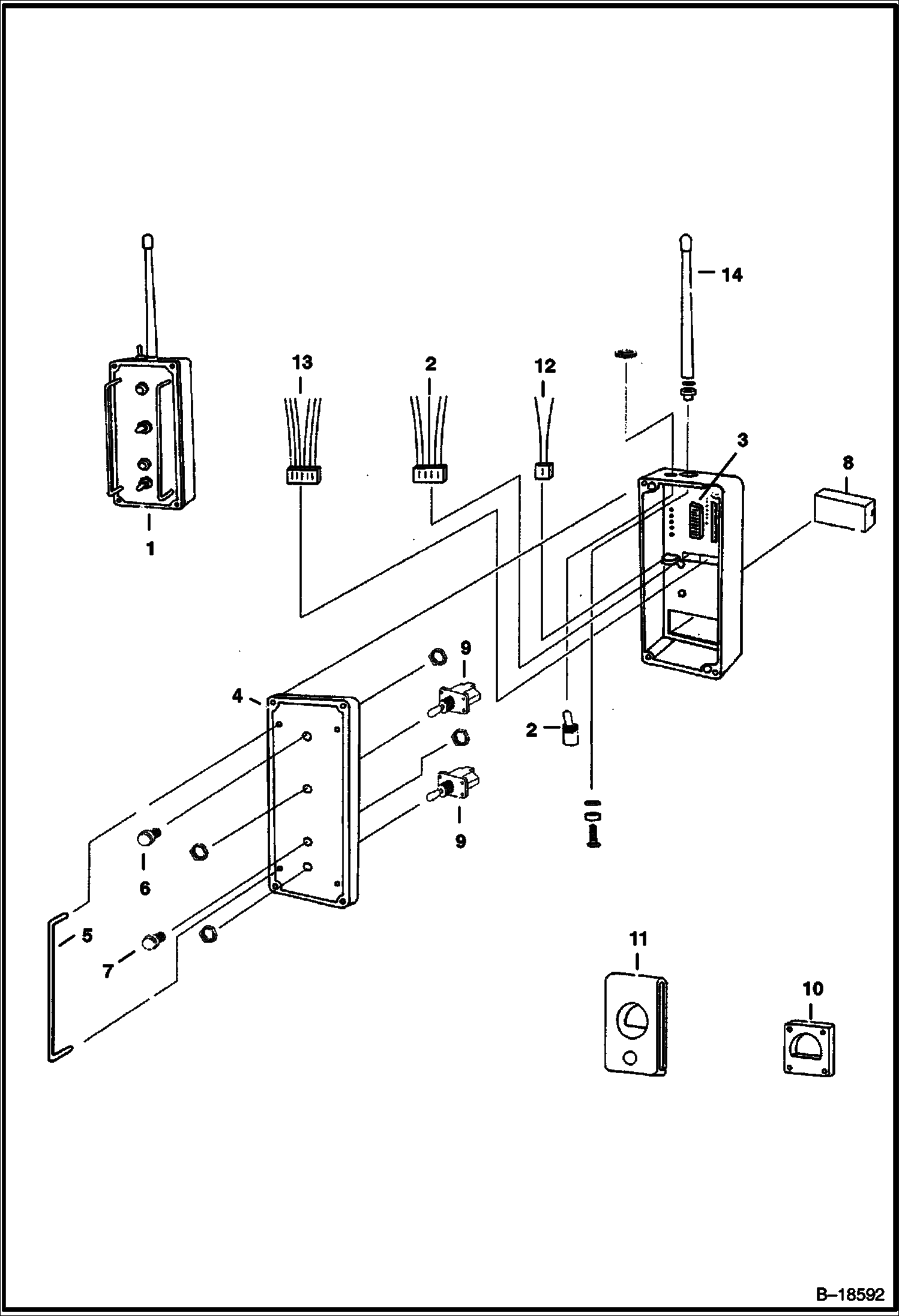
РАДИОЦИОННОЕ УПРАВЛЕНИЕ МЕШАЛКА БЕТОНОНАСОСА - СЕРИЙНЫЙ НОМЕР PREFIX 2331

РАДИОЦИОННОЕ УПРАВЛЕНИЕ МЕШАЛКА БЕТОНОНАСОСА - СЕРИЙНЫЙ НОМЕР PREFIX 2331

1Артикул: 6678811, RADIO replacement - w/Ref. 2 - 14
2Артикул: 6678791, SWITCH power w/harness
3Артикул: 6678809, RADIO BOARD
Подробнее >
ЦИЛИНДР ПЕРЕКЛЮЧАТЕЛЯ БЕТОНОНАСОС - СЕРИЙНЫЙ НОМЕР PREFIX 2354

ЦИЛИНДР ПЕРЕКЛЮЧАТЕЛЯ БЕТОНОНАСОС - СЕРИЙНЫЙ НОМЕР PREFIX 2354

1Артикул: 6688761, CYLINDER
2Артикул: 6689076, KIT gland cartridge - includes gland & Ref. 4, 5 & 6
3Артикул: 6689077, SEAL KIT rod seal - W/Ref. 4, 5 & 6
Подробнее >
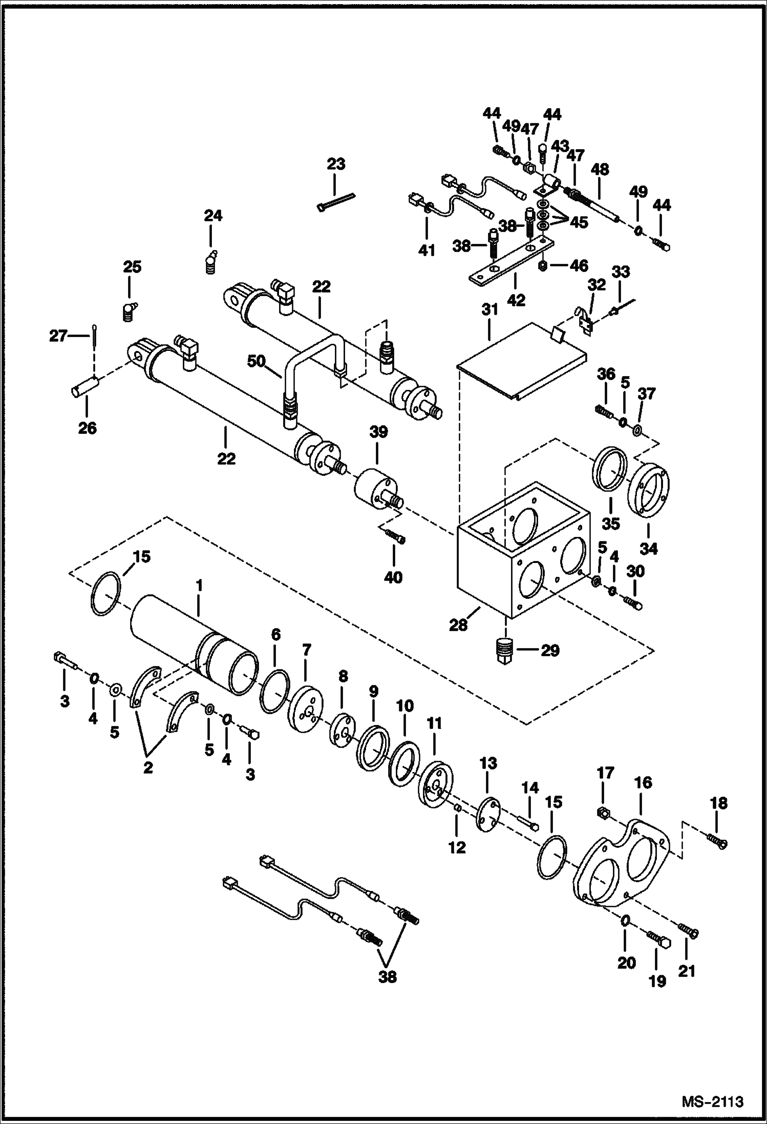
ЦИЛИНДР НАСОСА БЕТОНОНАСОС - СЕРИЙНЫЙ НОМЕР PREFIX 2331

ЦИЛИНДР НАСОСА БЕТОНОНАСОС - СЕРИЙНЫЙ НОМЕР PREFIX 2331

1Артикул: 6676294, CYLINDER ASSY W/Ref. 2-23
2Артикул: 6676295, ROD
3Артикул: 6676299, BREATHER
Подробнее >
КЛАПАН В СБОРЕ МЕШАЛКА БЕТОНОНАСОСА - СЕРИЙНЫЙ НОМЕР PREFIX 2331

КЛАПАН В СБОРЕ МЕШАЛКА БЕТОНОНАСОСА - СЕРИЙНЫЙ НОМЕР PREFIX 2331

1Артикул: 6678737, VALVE ASSY W/Ref. 2-6
2Артикул: 6678834, BLOCK
3Артикул: 6678838, VALVE
Подробнее >
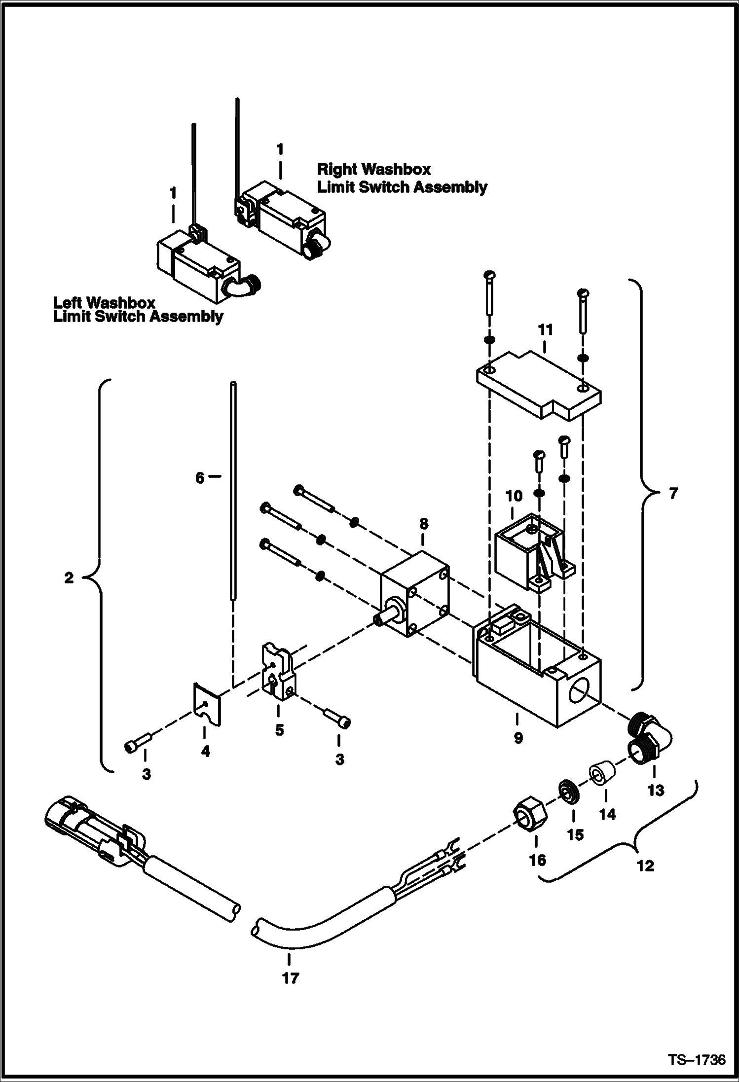
ПРЕДОХРАНИТЕЛЬНЫЕ ВЫКЛЮЧАТЕЛИ ПРОМЫВНОГО БЛОКА НАСОС ДЛЯ ПОДАЧИ БЕТОНА - СЕРИЙНЫЙ НОМЕР PREFIX 2331

ПРЕДОХРАНИТЕЛЬНЫЕ ВЫКЛЮЧАТЕЛИ ПРОМЫВНОГО БЛОКА НАСОС ДЛЯ ПОДАЧИ БЕТОНА - СЕРИЙНЫЙ НОМЕР PREFIX 2331

1Артикул: SWITCH, SWITCH ASSY NLA - W/Ref. 2 - 17 - Was 6905962 - A
2Артикул: 6675947, LEVER ASSY W/Ref. 3-6
3Артикул: SET, SET SCREW NSS
Подробнее >
БЕТОНОНАСОС - СЕРИЙНЫЙ НОМЕР PREFIX 2354 ПЕРЕКЛЮЧАТЕЛЬ В СБОРЕ

БЕТОНОНАСОС - СЕРИЙНЫЙ НОМЕР PREFIX 2354 ПЕРЕКЛЮЧАТЕЛЬ В СБОРЕ

1Артикул: 6688732, BUSHING
2Артикул: 6688747, ADAPTER
3Артикул: 6688748, WASHER
Подробнее >
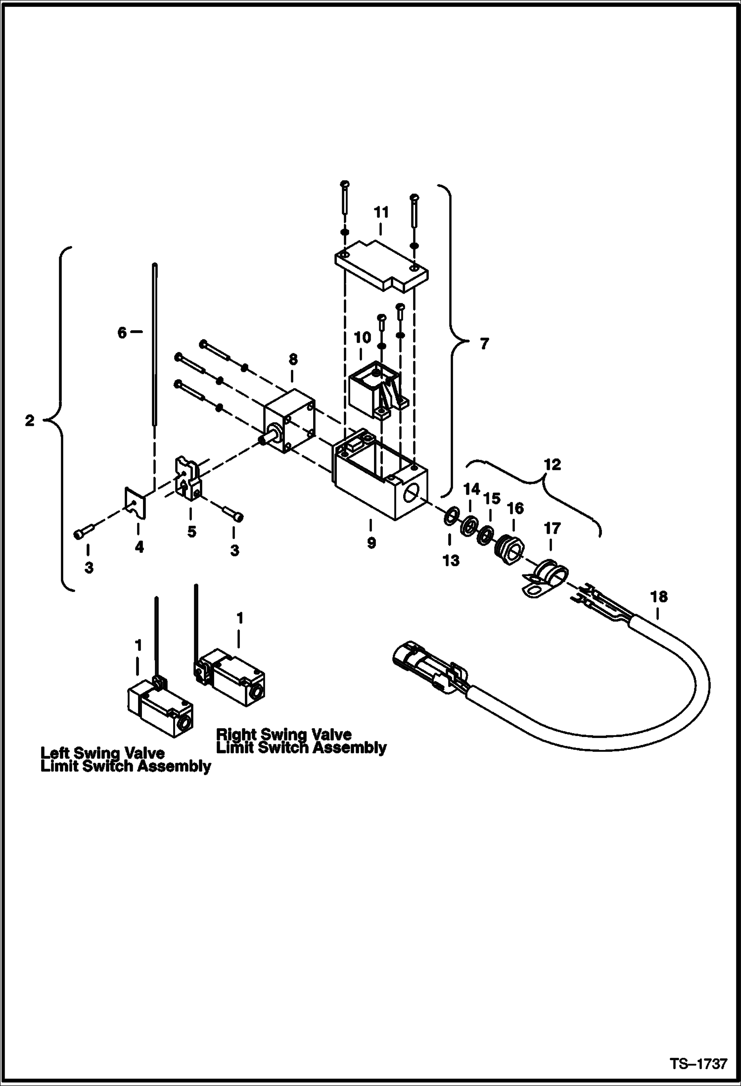
ОГРАНИЧИТЕЛЬНЫЕ ВЫКЛЮЧАТЕЛИ ПОВОРОТНОГО КЛАПАНА БЕТОНОНАСОС - СЕРИЙНЫЙ НОМЕР PREFIX 2331

ОГРАНИЧИТЕЛЬНЫЕ ВЫКЛЮЧАТЕЛИ ПОВОРОТНОГО КЛАПАНА БЕТОНОНАСОС - СЕРИЙНЫЙ НОМЕР PREFIX 2331

1Артикул: SWITCH, SWITCH ASSY NLA - W/Ref. 2 - 18 - Was 6905962 - A
2Артикул: 6675947, LEVER ASSY W/Ref. 3-6
3Артикул: SET, SET SCREW NSS
Подробнее >
РЕГУЛИРУЮЩИЙ КЛАПАН БЕТОНОНАСОС - СЕРИЙНЫЙ НОМЕР PREFIX 2354

РЕГУЛИРУЮЩИЙ КЛАПАН БЕТОНОНАСОС - СЕРИЙНЫЙ НОМЕР PREFIX 2354

1Артикул: 6687111, VALVE ASSY W/Ref. 2 - 30
2Артикул: 6676315, VALVE
3Артикул: 6676314, SEAL KIT
Подробнее >
БЕТОНОНАСОС - СЕРИЙНЫЙ НОМЕР PREFIX 2354 НАСОСНЫЙ АГРЕГАТ

БЕТОНОНАСОС - СЕРИЙНЫЙ НОМЕР PREFIX 2354 НАСОСНЫЙ АГРЕГАТ

1Артикул: 6688734, CYLINDER
2Артикул: 6688763, STOP
3Артикул: 17C616, BOLT 5
Подробнее >
ВЫХОДНОЕ ОТВЕРСТИЕ БУНКЕРА ДЛЯ ЗАГРУЗКИ И ПОВОРОТНЫЙ КЛАПАН БЕТОНОНАСОС - СЕРИЙНЫЙ НОМЕР PREFIX 2331

ВЫХОДНОЕ ОТВЕРСТИЕ БУНКЕРА ДЛЯ ЗАГРУЗКИ И ПОВОРОТНЫЙ КЛАПАН БЕТОНОНАСОС - СЕРИЙНЫЙ НОМЕР PREFIX 2331

1Артикул: 6676250, HOUSING outlet
2Артикул: 17C824, BOLT 5
3Артикул: 61D8, NUT 5
Подробнее >
REMIX КЛАПАН ПЕРЕКЛЮЧЕНИЯ БЕТОНОНАСОС - СЕРИЙНЫЙ НОМЕР PREFIX 2354

REMIX КЛАПАН ПЕРЕКЛЮЧЕНИЯ БЕТОНОНАСОС - СЕРИЙНЫЙ НОМЕР PREFIX 2354

1Артикул: 6688742, VALVE W/Ref. 2 - 6
2Артикул: BODY, BODY NSS - Order Ref. 1
3Артикул: 6688931, VALVE relief
Подробнее >
ШТОК ПОВОРОТНОГО ЗОЛОТНИКА И УПЛОТНЕНИЯ БЕТОНОНАСОС - СЕРИЙНЫЙ НОМЕР PREFIX 2331

ШТОК ПОВОРОТНОГО ЗОЛОТНИКА И УПЛОТНЕНИЯ БЕТОНОНАСОС - СЕРИЙНЫЙ НОМЕР PREFIX 2331

1Артикул: 6676259, SHAFT swing valve
2Артикул: 6679119, KEY, STEP stepped - Was 7J009208B - B
3Артикул: 17C652, BOLT
Подробнее >