+7 (701) 588 50 05 Телефон для связи
RU

WhatsApp

Позвонить

ПОГРУЗЧИК в Алматы

ВИЛЫ ДЛЯ ПЕРЕСАДКИ ДЕРЕВЬЕВ (A2TV)

ВИЛЫ ДЛЯ ПЕРЕСАДКИ ДЕРЕВЬЕВ (A2TV)

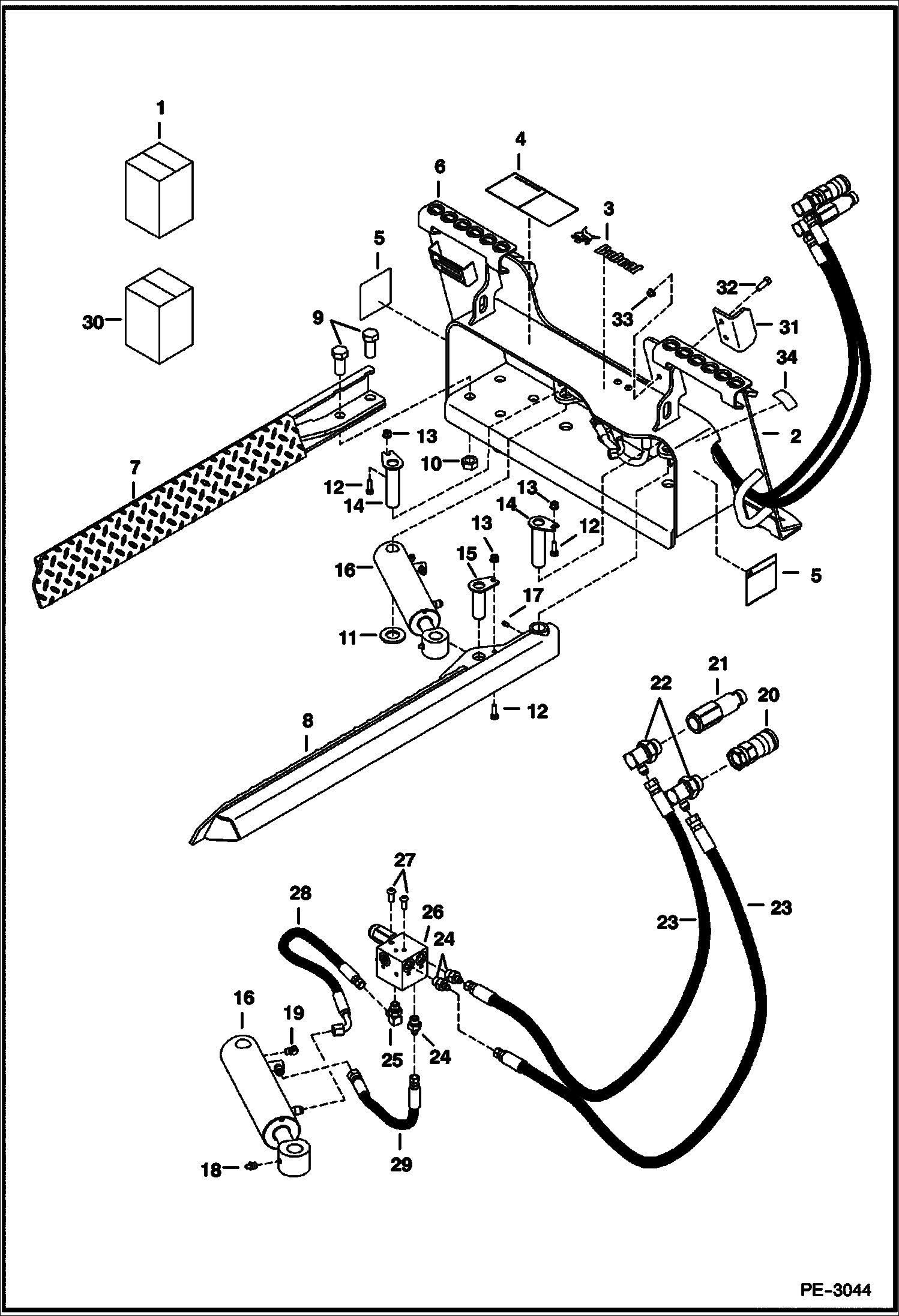
1Артикул: TREE, TREE FORK SALES #7124860 - W/Ref. 2-29
2Артикул: 7123773, FRAME ASSY
3Артикул: 7109473, DECAL, LOGO BOBCAT AND HEAD
Подробнее >
ВИЛЫ ДЛЯ ПЕРЕСАДКИ ДЕРЕВЬЕВ (ЦИЛИНДР) (A2TV)

ВИЛЫ ДЛЯ ПЕРЕСАДКИ ДЕРЕВЬЕВ (ЦИЛИНДР) (A2TV)

1Артикул: 6815562, CYLINDER W/Ref. 2-15
2Артикул: 6815568, CASE
3Артикул: 6815563, SHAFT
Подробнее >