+7 (701) 588 50 05 Телефон для связи
RU

WhatsApp

Позвонить

ПОГРУЗЧИК в Алматы

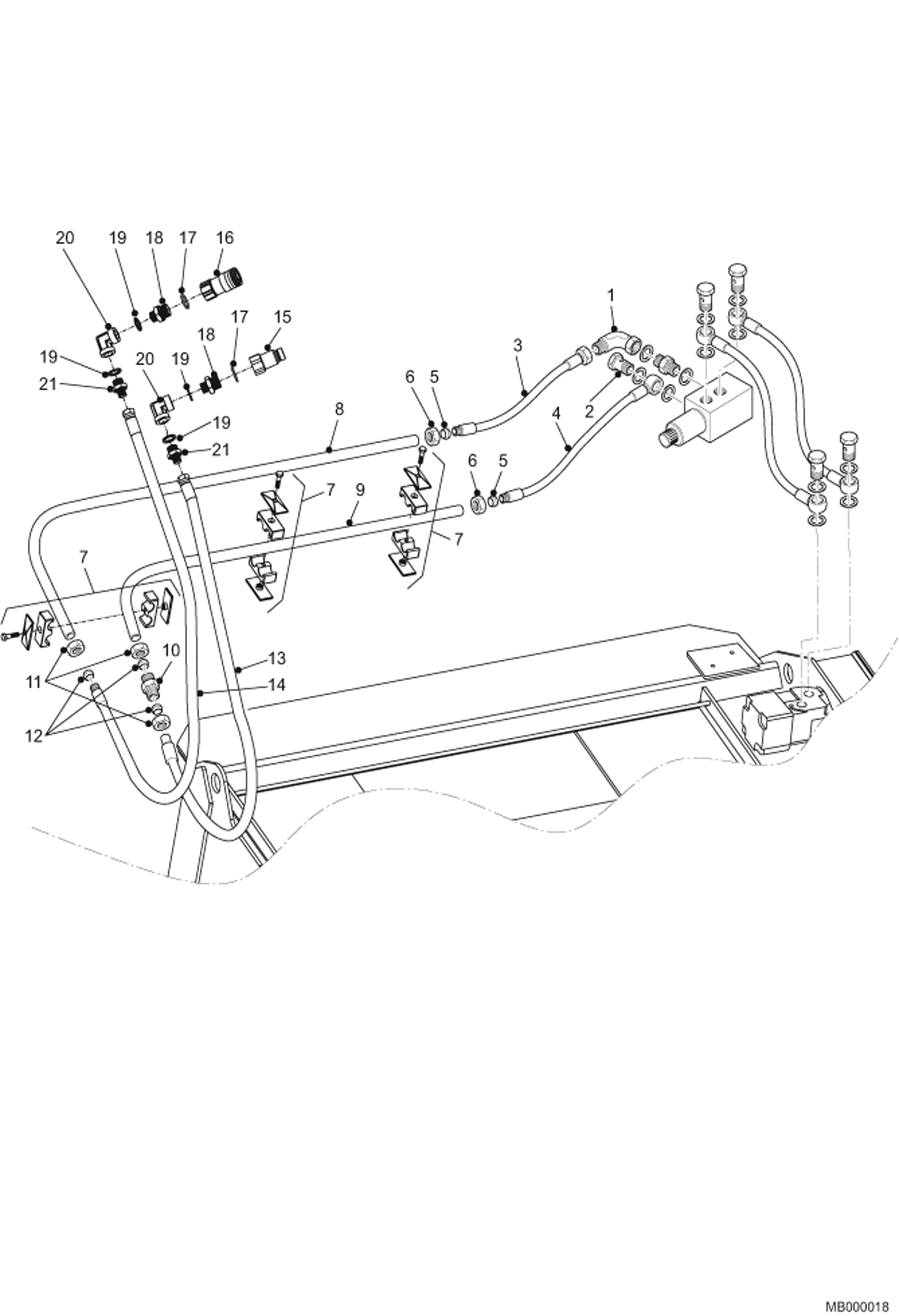
ШЛАНГИ И ТРУБОПРОВОДЫ 991002024 И ВЫШЕ

ШЛАНГИ И ТРУБОПРОВОДЫ 991002024 И ВЫШЕ

1Артикул: 6674625, Washer, sealed
2Артикул: 6690979, Nipple
3Артикул: 6690980, Flex tube
Подробнее >
ПРИСПОСОБЛЕНИЕ ДЛЯ СМАЗКИ

ПРИСПОСОБЛЕНИЕ ДЛЯ СМАЗКИ

1Артикул: 6674595, Joint
3Артикул: 6690216, Head
5Артикул: 6690217, Nut
Подробнее >
СИСТЕМА ВПУСКА

СИСТЕМА ВПУСКА

1Артикул: 6690225, Gate
2Артикул: 6690226, Cylinder cover
Подробнее >
ВАЛ 991001320 И ВЫШЕ

ВАЛ 991001320 И ВЫШЕ

1Артикул: 6690204, Shaft
2Артикул: 6674606, Blade, mixer
3Артикул: 6690207, Flange cover
Подробнее >
ТРАНСМИССИЯ

ТРАНСМИССИЯ

1Артикул: 6690175, Bolt Hex Head
2Артикул: 6690215, Nut
3Артикул: 6690214, Crown wheel
Подробнее >
ГЛАВНЫЙ ЖГУТ ПРОВОДОВ 991002023 И НИЖЕ

ГЛАВНЫЙ ЖГУТ ПРОВОДОВ 991002023 И НИЖЕ

1Артикул: 6690232, Harness
2Артикул: 6690227, Connector
3Артикул: 6690228, Electric wire
Подробнее >
ВЫПУСКНАЯ ЗАСЛОНКА ГИДРОЦИЛИНДРА 991000625 И ВЫШЕ

ВЫПУСКНАЯ ЗАСЛОНКА ГИДРОЦИЛИНДРА 991000625 И ВЫШЕ

1Артикул: 6690186, Cylinder
2Артикул: 6690187, Bolt Hex Head
3Артикул: 6690188, Washer
Подробнее >
ГЛАВНЫЙ ЖГУТ ПРОВОДОВ 991002024 И ВЫШЕ

ГЛАВНЫЙ ЖГУТ ПРОВОДОВ 991002024 И ВЫШЕ

1Артикул: 6690978, Harness Includes Ref. 1 - 2
2Артикул: 6690230, Magneto connection
3Артикул: 6690977, Electric wire
Подробнее >
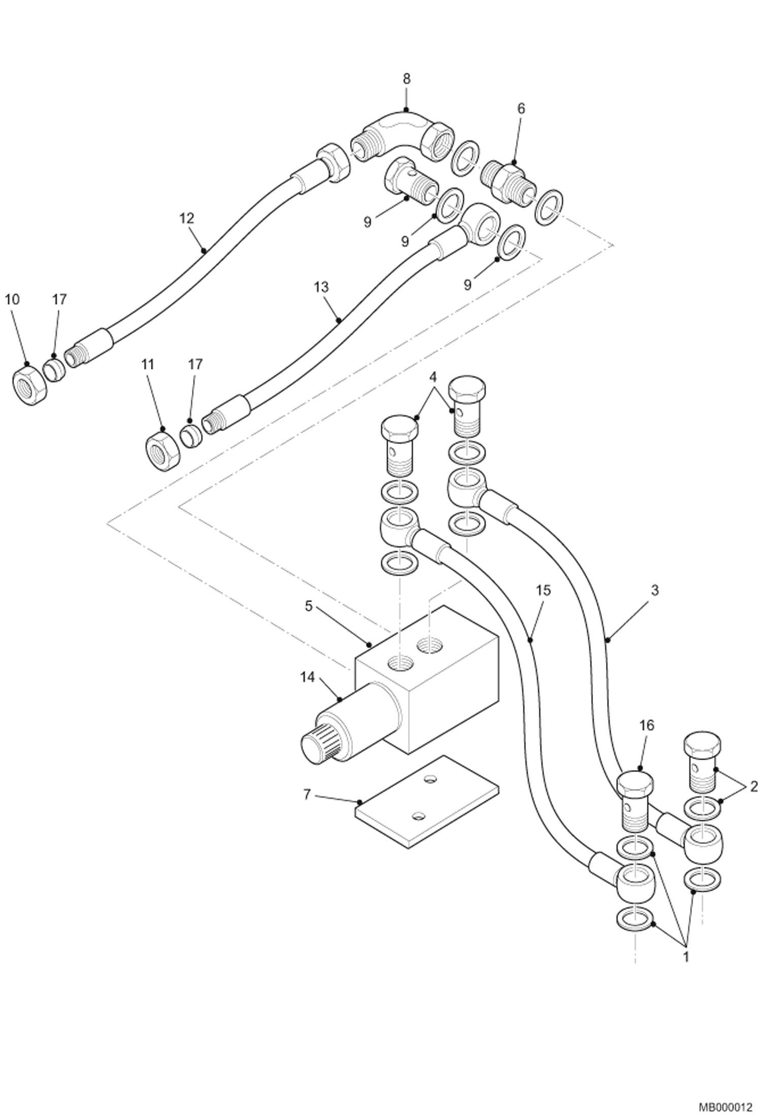
ШЛАНГИ И ТРУБОПРОВОДЫ 991002023 И НИЖЕ

ШЛАНГИ И ТРУБОПРОВОДЫ 991002023 И НИЖЕ

1Артикул: 6674632, Elbow
2Артикул: 6674633, Banjo, bolt
3Артикул: 6690235, Electro valve
Подробнее >
ОТВОДЯЩАЯ ТРУБКА

ОТВОДЯЩАЯ ТРУБКА

1Артикул: 6690179, Hose Includes Ref. 1 - 4
2Артикул: 6679903, Hook
3Артикул: 6679902, Unloading pipe
Подробнее >
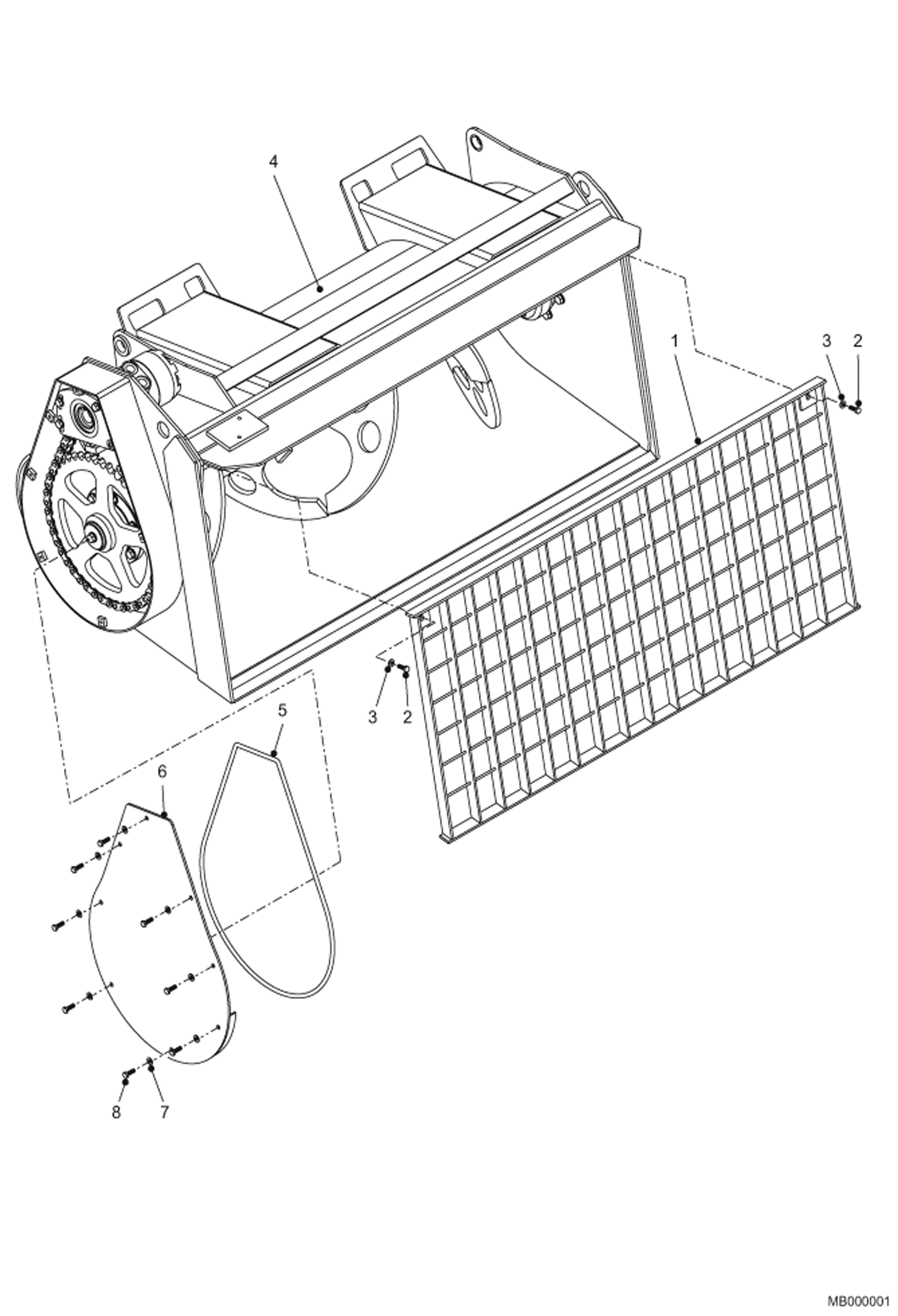
КОНСТРУКЦИЯ

КОНСТРУКЦИЯ

1Артикул: 6674591, Protection grille
2Артикул: 6690180, Bolt Hex Head
3Артикул: 6690983, Washer
Подробнее >
РАСПРЕДЕЛИТЕЛЬНЫЙ КЛАПАН 991000803 И НИЖЕ

РАСПРЕДЕЛИТЕЛЬНЫЙ КЛАПАН 991000803 И НИЖЕ

1Артикул: 6674625, Washer, sealed
2Артикул: 6674626, Banjo, bolt With washers (#1 & 16)
3Артикул: 6674627, Hose
Подробнее >
ДВИГАТЕЛЬ

ДВИГАТЕЛЬ

1Артикул: 6674590, Hydraulic motor
2Артикул: 6685146, Hydraulic motor Danfoss
3Артикул: 6685147, Seal kit For motor 6674590
Подробнее >
РАСПРЕДЕЛИТЕЛЬНЫЙ КЛАПАН 991000804 И ВЫШЕ

РАСПРЕДЕЛИТЕЛЬНЫЙ КЛАПАН 991000804 И ВЫШЕ

1Артикул: 6674625, Washer, sealed
2Артикул: 6690218, Flex tube
3Артикул: 6690219, Flex tube
Подробнее >
ВЫПУСКНАЯ ЗАСЛОНКА ГИДРОЦИЛИНДРА 991000624 И НИЖЕ

ВЫПУСКНАЯ ЗАСЛОНКА ГИДРОЦИЛИНДРА 991000624 И НИЖЕ

1Артикул: 6674614, Cylinder
2Артикул: 6690187, Bolt Hex Head
3Артикул: 6690188, Washer
Подробнее >
ШЛАНГ - ВЫПУСКНАЯ ЗАСЛОНКА ЦИЛИНДРА

ШЛАНГ - ВЫПУСКНАЯ ЗАСЛОНКА ЦИЛИНДРА

1Артикул: 6690200, Binded washer
2Артикул: 6675630, PIPE ASSY, OIL
3Артикул: 6674617, Flex tube
Подробнее >
ЦИЛИНДР - ВЫПУСКНАЯ ЗАСЛОНКА 991000624 И НИЖЕ

ЦИЛИНДР - ВЫПУСКНАЯ ЗАСЛОНКА 991000624 И НИЖЕ

1Артикул: 6674614, Cylinder Includes Ref. 1 - 9
2Артикул: 6690198, Cylinder
3Артикул: Seal, Seal NSS
Подробнее >
ВАЛ 991001319 И НИЖЕ

ВАЛ 991001319 И НИЖЕ

1Артикул: 6674596, Washer
2Артикул: 6674597, Chain
3Артикул: 6674598, O-ring
Подробнее >
ЦИЛИНДР - ВЫПУСКНАЯ ЗАСЛОНКА 991000625 И ВЫШЕ

ЦИЛИНДР - ВЫПУСКНАЯ ЗАСЛОНКА 991000625 И ВЫШЕ

1Артикул: 6690186, Cylinder Includes Ref. 1 - 9
2Артикул: 6690192, Cylinder
3Артикул: Seal, Seal NSS
Подробнее >