ПОГРУЗЧИК в Алматы
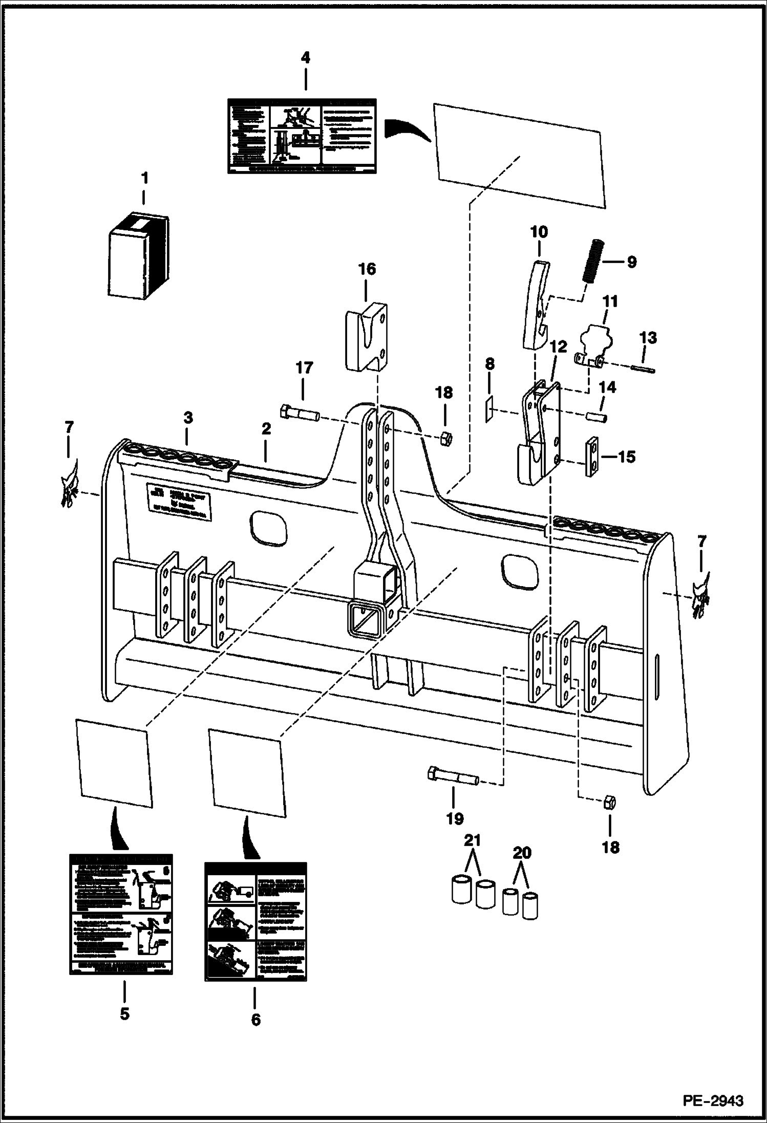
3 ТОЧКИ КРЕПЛЕНИЯ СЦЕПНОГО УСТРОЙСТВА (300) (400 СЕРИИ) (FARMBOY)
1Артикул: FRAME, FRAME NLA - mounting
2Артикул: 1F416, PIN
3Артикул: 6540577, HINGE PIN
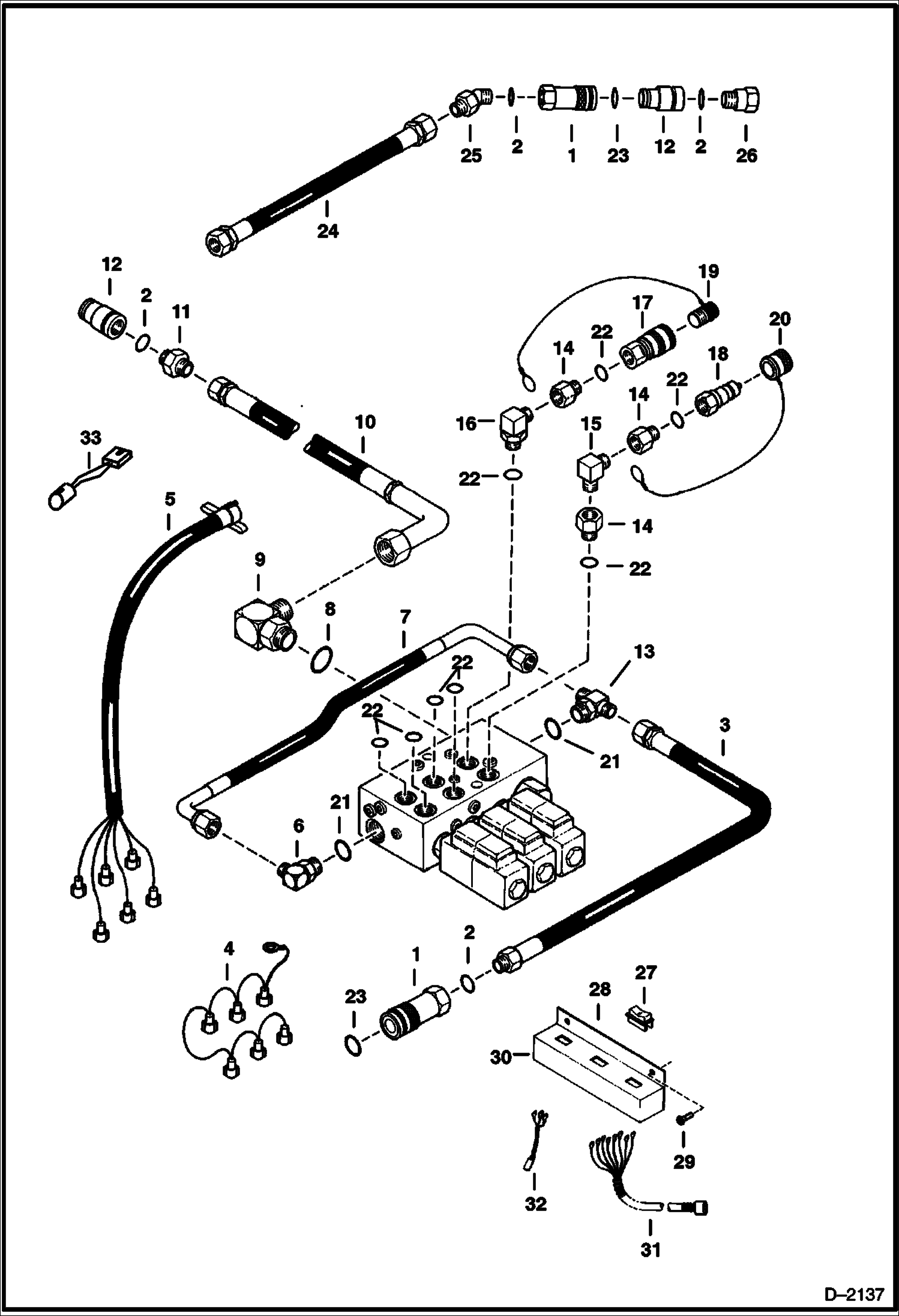
3 ТОЧКИ КРЕПЛЕНИЯ СЦЕПНОГО УСТРОЙСТВА (СХЕМА ГИДРАВЛИЧЕСКОЙ СИСТЕМЫ) (H702 6650)
1Артикул: VALVE, VALVE NLA - Order 6661385 & 6661363
2Артикул: 6661442, VALVE BODY
3Артикул: BACK-UP, BACK-UP RING NSS
3 ТОЧКИ КРЕПЛЕНИЯ СЦЕПНОГО УСТРОЙСТВА (500 СЕРИИ)
1Артикул: FRAME, FRAME SALES #6557443 - mounting
2Артикул: 1F416, PIN
3Артикул: 6540577, HINGE PIN
3 ТОЧКИ КРЕПЛЕНИЯ СЦЕПНОГО УСТРОЙСТВА (КАТЕГОРИЯ LL) (300 СЕРИИ)
1Артикул: 6586152, BLOCK
2Артикул: TUBE, TUBE NLA - Was 6586138 - A
3Артикул: 6538285, LOCK RING
3 ТОЧКИ КРЕПЛЕНИЯ СЦЕПНОГО УСТРОЙСТВА (ПЕРЕХОДНИК) (КАТЕГОРИЯ I И II)
1Артикул: ADAPTER, ADAPTER ASSY NLA - Ref. 2-21 - Order components - Was SALES #7110394 - D
2Артикул: FRAME, FRAME NSS - Order Ref. 1
3Артикул: 6569838, STEP
3 ТОЧКИ КРЕПЛЕНИЯ СЦЕПНОГО УСТРОЙСТВА (ЦИЛИНДР)
1Артикул: 6658480, CYLINDER Ref. 2 - 13
2Артикул: 6665376, CASE
3Артикул: 6673617, NUT Was 6665378 - A
3 ТОЧКИ КРЕПЛЕНИЯ СЦЕПНОГО УСТРОЙСТВА (КАТЕГОРИЯ I)
1Артикул: FRAME, FRAME NLA - Order Components - Was Sales #6557905 - A
2Артикул: 1F632, PIN Was 1F000620B - B
3Артикул: 6544553, PIN
3 ТОЧКИ КРЕПЛЕНИЯ СЦЕПНОГО УСТРОЙСТВА (КЛАПАН В СБОРЕ) (H702 6650)
1Артикул: 6598758, COUPLER, POPPET FEMALE straight
2Артикул: 79K10, O RING 10
3Артикул: 6658484, HOSE
3 ТОЧКИ КРЕПЛЕНИЯ СЦЕПНОГО УСТРОЙСТВА (КАТЕГОРИЯ LL) (H702 6650)
1Артикул: 6586152, BLOCK
2Артикул: 6586138, TUBE
3Артикул: 6538285, LOCK RING