+7 (701) 588 50 05 Телефон для связи
RU

WhatsApp

Позвонить

ПОГРУЗЧИК в Алматы

КУСТОРЕЗ (МОТОРНЫЙ УЗЕЛ ВРАЩЕНИЯ) (FRC50 ATSY) (FRC60 ATV1) (FRC70 B48D)

КУСТОРЕЗ (МОТОРНЫЙ УЗЕЛ ВРАЩЕНИЯ) (FRC50 ATSY) (FRC60 ATV1) (FRC70 B48D)

1Артикул: 7023878, GROUP, ROTARY Ref. 2-10
2Артикул: BLOCK,, BLOCK, CYLINDER NSS
3Артикул: PLATE,, PLATE, CONTROL LENS NSS
Подробнее >
КУСТОРЕЗ (КОМПЛЕКТ МЕХАНИЗМОВ СИСТЕМЫ ЗАЩИТЫ ОТ ПАДАЮЩИХ ПРЕДМЕТОВ (FOPS)) (M-СЕРИИ)

КУСТОРЕЗ (КОМПЛЕКТ МЕХАНИЗМОВ СИСТЕМЫ ЗАЩИТЫ ОТ ПАДАЮЩИХ ПРЕДМЕТОВ (FOPS)) (M-СЕРИИ)

1Артикул: 7129293, KIT, FOPS TOP Ref. 2-7
2Артикул: 7164686, BOLT, CARRIAGE
3Артикул: 7167506, SHIELD, ASSY
Подробнее >
КУСТОРЕЗ (РАМА ШАССИ) (FRC50 ADTN)

КУСТОРЕЗ (РАМА ШАССИ) (FRC50 ADTN)

1Артикул: FORESTRY, FORESTRY CUTTER SALES #7163799 - FRC50
2Артикул: 6678675, CONTROLLER, ACD 3 connector
3Артикул: 6692579, COVER
Подробнее >
КУСТОРЕЗ (НЕПОДВИЖНЫЙ ПОДШИПНИК В СБОРЕ) (FRC50 ADTN) (FRC50 ANR6) (FRC50 ATSY) (FRC60 ANR5)(FRC60 A6ZB)(FRC60 ATV1)

КУСТОРЕЗ (НЕПОДВИЖНЫЙ ПОДШИПНИК В СБОРЕ) (FRC50 ADTN) (FRC50 ANR6) (FRC50 ATSY) (FRC60 ANR5)(FRC60 A6ZB)(FRC60 ATV1)

1Артикул: 6692576, BEARING ASSY fixed bearing assembly is painted red and on the left side of machine when viewing from the rotor side
2Артикул: 17C516, BOLT
3Артикул: 17C1032, BOLT
Подробнее >
КУСТОРЕЗ (РАМА ШАССИ) (FRC70 B48D)

КУСТОРЕЗ (РАМА ШАССИ) (FRC70 B48D)

1Артикул: FORESTRY, FORESTRY CUTTER SALES #7305459 - 70-- - Ref. 2-58
2Артикул: 7308195, ROD GUIDE
3Артикул: 6693022, PIN Use W/push bar only
Подробнее >
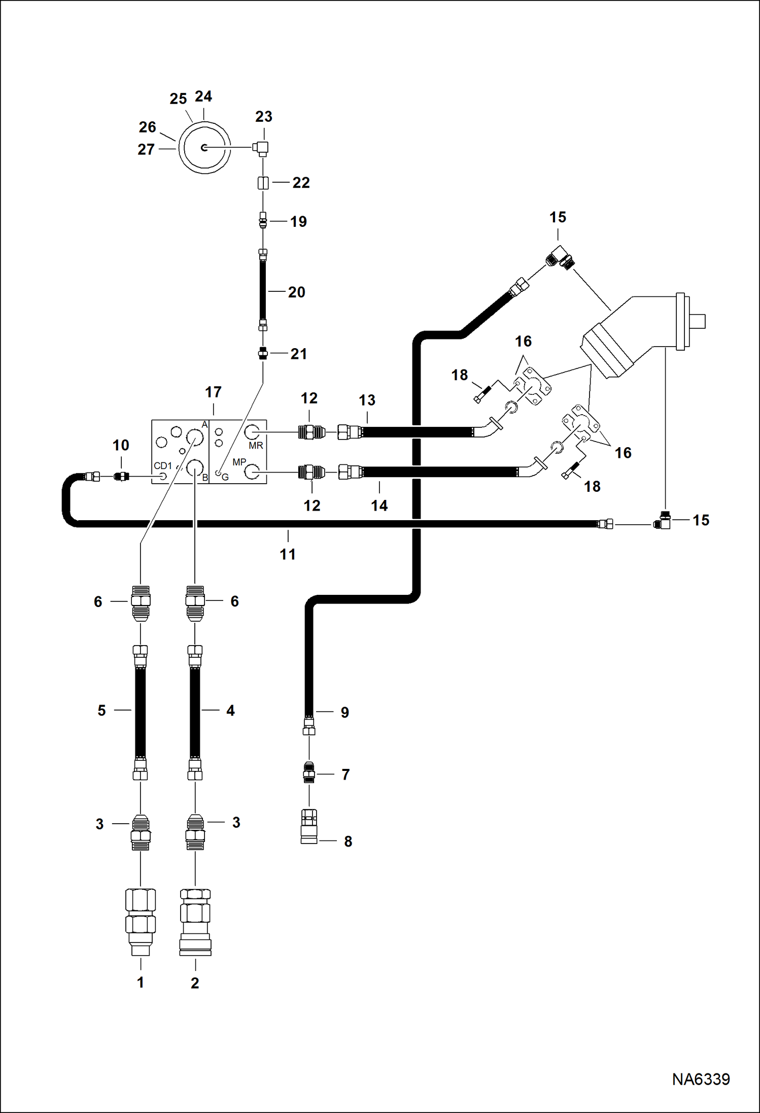
КУСТОРЕЗ (СХЕМА ГИДРАВЛИЧЕСКОЙ СИСТЕМЫ) (FRC60 ATV100347 И ВЫШЕ)

КУСТОРЕЗ (СХЕМА ГИДРАВЛИЧЕСКОЙ СИСТЕМЫ) (FRC60 ATV100347 И ВЫШЕ)

1Артикул: 7246791, COUPLER, FF MALE See BTI433att - straight - Was 6688454 - A
2Артикул: 7246776, COUPLER, FF FEMALE See BTI433att - straight - Was 6687636 - A
3Артикул: 15KB1612, FITTING, HYD CONNECTOR
Подробнее >
КУСТОРЕЗ (КОМПЛЕКТ КОНТЕЙНЕРОВ ДЛЯ ЛЕСОРУБОЧНЫХ ОСТАТКОВ)

КУСТОРЕЗ (КОМПЛЕКТ КОНТЕЙНЕРОВ ДЛЯ ЛЕСОРУБОЧНЫХ ОСТАТКОВ)

1Артикул: 7137796, KIT, FORESTRY DEBRIS W/Ref. 2-34 - must Also Order 6718924 FOPS Kit needed to install Ref. 12
2Артикул: SHIELD, SHIELD ASSY cylinder - Order components
3Артикул: 7125991, SHIELD cooling - verticle lift only
Подробнее >
КУСТОРЕЗ (ЗАДНИЙ) (ПОЛИКОРБАНАТ) (666 ММ) (26.2--) X (379 ММ) (14.92--) ОТКРЫТАЯ КАБИНА

КУСТОРЕЗ (ЗАДНИЙ) (ПОЛИКОРБАНАТ) (666 ММ) (26.2--) X (379 ММ) (14.92--) ОТКРЫТАЯ КАБИНА

1Артикул: 7214673, KIT, WINDOW REAR polycarbonate - Ref. 2-16
2Артикул: 7185137, SPACER
3Артикул: 7121425, BUSHING
Подробнее >
КУСТОРЕЗ (РАМА ШАССИ) (FRC60 A6ZB)

КУСТОРЕЗ (РАМА ШАССИ) (FRC60 A6ZB)

1Артикул: FORESTRY, FORESTRY CUTTER SALES #7136624 - 60--
2Артикул: 6678675, CONTROLLER, ACD 3 connector
3Артикул: 6692579, COVER
Подробнее >
КУСТОРЕЗ (РАМА ШАССИ) (FRC60 ATV100347 И ВЫШЕ)

КУСТОРЕЗ (РАМА ШАССИ) (FRC60 ATV100347 И ВЫШЕ)

1Артикул: FORESTRY, FORESTRY CUTTER SALES #7204127 - 60--
2Артикул: 7020433, ROD
3Артикул: 7020403, PIN Use W/gate option & push bar
Подробнее >
КУСТОРЕЗ (РАМА ШАССИ) (FRC60 ANR500401 И ВЫШЕ)

КУСТОРЕЗ (РАМА ШАССИ) (FRC60 ANR500401 И ВЫШЕ)

1Артикул: FORESTRY, FORESTRY CUTTER SALES #7194305 - 60--
2Артикул: 7020434, COVER, ACCESS
3Артикул: 7020433, ROD
Подробнее >
КУСТОРЕЗ (КОМПЛЕКТ ОГРАЖДЕНИЙ ДЛЯ УСТРОЙСТВ ОСВЕЩЕНИЯ) (ФРОНТАЛЬНЫЕ) (M-СЕРИИ)

КУСТОРЕЗ (КОМПЛЕКТ ОГРАЖДЕНИЙ ДЛЯ УСТРОЙСТВ ОСВЕЩЕНИЯ) (ФРОНТАЛЬНЫЕ) (M-СЕРИИ)

1Артикул: 7174129, KIT, GUARD LIGHT Ref. 2-5
2Артикул: 7183869, GUARD, LIGHT RH
3Артикул: 7183870, GUARD, LIGHT LH
Подробнее >
КУСТОРЕЗ (КРЫШКА КОРПУСА БЛОКА УПРАВЛЕНИЯ ДВИГАТЕЛЕМ) (FRC50 ATSY) (FRC60 ATV1) (FRC70 B48D)

КУСТОРЕЗ (КРЫШКА КОРПУСА БЛОКА УПРАВЛЕНИЯ ДВИГАТЕЛЕМ) (FRC50 ATSY) (FRC60 ATV1) (FRC70 B48D)

1Артикул: 7023889, COVER Ref. 2-9
2Артикул: 7023918, COVER
3Артикул: 6686321, SCREW
Подробнее >
КУСТОРЕЗ (СХЕМА ГИДРАВЛИЧЕСКОЙ СИСТЕМЫ) (FRC70 B48D)

КУСТОРЕЗ (СХЕМА ГИДРАВЛИЧЕСКОЙ СИСТЕМЫ) (FRC70 B48D)

1Артикул: 7246791, COUPLER, FF MALE
2Артикул: 7246776, COUPLER, FF FEMALE
3Артикул: 7310334, FITTING HYDRAULIC STRAIGHT
Подробнее >
КУСТОРЕЗ (НАБОР ДЛЯ ОБСЛУЖИВАНИЯ ПЛАТФОРМЫ)

КУСТОРЕЗ (НАБОР ДЛЯ ОБСЛУЖИВАНИЯ ПЛАТФОРМЫ)

1Артикул: 7178420, KIT, PLATFORM MAINTENANCE Ref. 2-9
2Артикул: 6684932, KNOB
3Артикул: 7186768, BOLT Was 7156722 - B
Подробнее >
КУСТОРЕЗ (КОРПУС БЛОКА УПРАВЛЕНИЯ ДВИГАТЕЛЕМ) (FRC50 ATSY) (FRC60 ATV1) (FRC70 B48D)

КУСТОРЕЗ (КОРПУС БЛОКА УПРАВЛЕНИЯ ДВИГАТЕЛЕМ) (FRC50 ATSY) (FRC60 ATV1) (FRC70 B48D)

1Артикул: 7023888, HOUSING, MOTOR Ref. 2-17
2Артикул: 7023902, HOUSING
3Артикул: 7023903, BUSHING
Подробнее >
КУСТОРЕЗ (РАМА ШАССИ) (FRC50 ANR6001 - ANR600135)

КУСТОРЕЗ (РАМА ШАССИ) (FRC50 ANR6001 - ANR600135)

1Артикул: FORESTRY, FORESTRY CUTTER SALES #7194306 - 50--
2Артикул: 7020402, ROD
3Артикул: 7020403, PIN Use W/gate option & push bar
Подробнее >
КУСТОРЕЗ (ВАЛ ПРИВОДА И ПОДШИПНИКИ) (FRC50 ANR6) (FRC60 ANR5)

КУСТОРЕЗ (ВАЛ ПРИВОДА И ПОДШИПНИКИ) (FRC50 ANR6) (FRC60 ANR5)

1Артикул: 7020421, BEARING W/Ref. 2-9
2Артикул: 7020623, SHAFT
3Артикул: 7020624, SPACER
Подробнее >
КУСТОРЕЗ (КЛАПАН В СБОРЕ) (FRC50 ANR6) (FRC50 ATSY) (FRC60 ANR5) (FRC60 ATV1) (FRC70 B48D)

КУСТОРЕЗ (КЛАПАН В СБОРЕ) (FRC50 ANR6) (FRC50 ATSY) (FRC60 ANR5) (FRC60 ATV1) (FRC70 B48D)

1Артикул: 7196485, VALVE
2Артикул: BLOCK, BLOCK NLA - Order Ref. 1
3Артикул: PLUG, PLUG NSS - Was 7008559 - A
Подробнее >
КУСТОРЕЗ (КОМПЛЕКТ ОГРАЖДЕНИЯ АВТОСЦЕПКИ ) (M-СЕРИИ)

КУСТОРЕЗ (КОМПЛЕКТ ОГРАЖДЕНИЯ АВТОСЦЕПКИ ) (M-СЕРИИ)

1Артикул: KIT,, KIT, GUARD COUPLER NLA - Ref. 2 & 3 - 7250844 or 7174131
2Артикул: 7250845, GUARD, COUPLER Was 7173324 - A
3Артикул: 6987492ENUS, INSTRUCTIONS Was 6987492 - A
Подробнее >
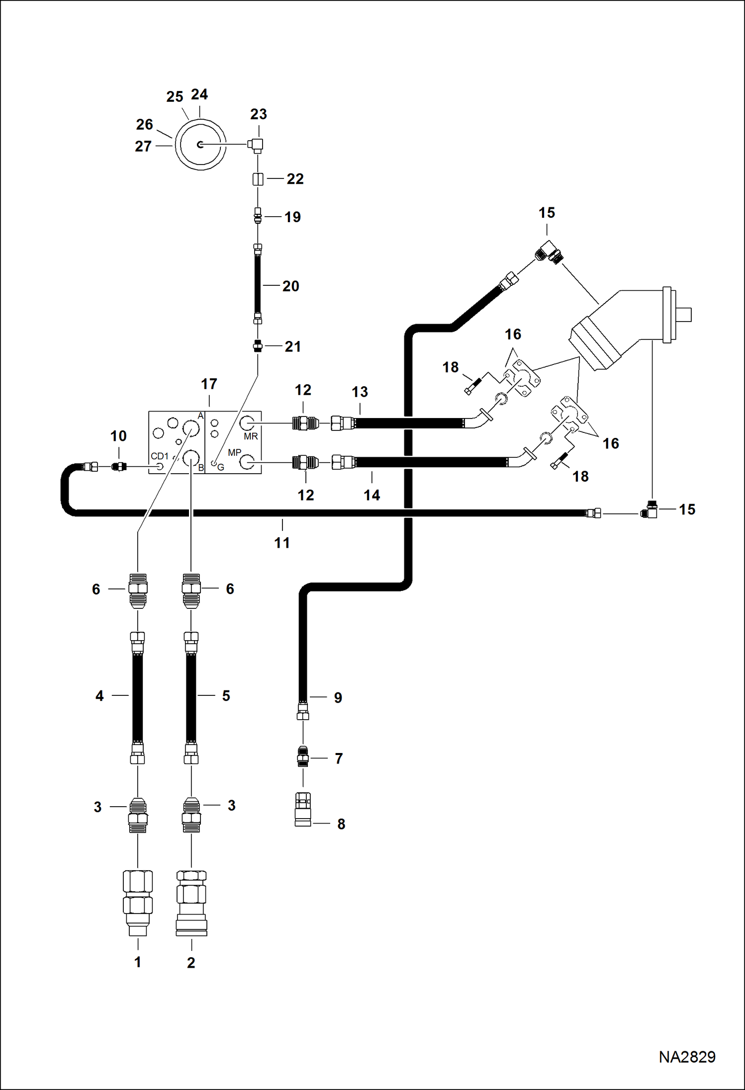
КУСТОРЕЗ (СХЕМА ГИДРАВЛИЧЕСКОЙ СИСТЕМЫ) (FRC50 ANR600136 И ВЫШЕ) (FRC60 ANR500401 И ВЫШЕ)

КУСТОРЕЗ (СХЕМА ГИДРАВЛИЧЕСКОЙ СИСТЕМЫ) (FRC50 ANR600136 И ВЫШЕ) (FRC60 ANR500401 И ВЫШЕ)

1Артикул: 7246791, COUPLER, FF MALE See BTI433att - straight - Was 6688454 - A
2Артикул: 7246776, COUPLER, FF FEMALE See BTI433att - straight - Was 6687636 - A
3Артикул: 15KB1612, FITTING, HYD CONNECTOR
Подробнее >
КУСТОРЕЗ (РАМА ШАССИ) (FRC50 ATSY00127 И ВЫШЕ)

КУСТОРЕЗ (РАМА ШАССИ) (FRC50 ATSY00127 И ВЫШЕ)

1Артикул: FORESTRY, FORESTRY CUTTER SALES #7204123 - 50--
2Артикул: 7020402, ROD
3Артикул: 7020403, PIN Use W/gate option & push bar
Подробнее >
КУСТОРЕЗ (КОМПЛЕКТ ШЛАНГОВ АККУМУЛЯТОРА) (FRC50 ADTN) (FRC50 ANR6) (FRC50 ATSY) (FRC60 A6ZB)(FRC60 ANR5)(FRC60 ATV1)

КУСТОРЕЗ (КОМПЛЕКТ ШЛАНГОВ АККУМУЛЯТОРА) (FRC50 ADTN) (FRC50 ANR6) (FRC50 ATSY) (FRC60 A6ZB)(FRC60 ANR5)(FRC60 ATV1)

1Артикул: 7243613, KIT, ACCUMULATOR HOSE - FIXED Ref. 2-6 (7246257 fitting) & 7
2Артикул: 7243614, KIT, ACCUMULATOR HOSE - 2 SPEED Ref. 2-6 (7246258 fitting) & 7
3Артикул: 7246256, FITTING, ELBOW
Подробнее >
КУСТОРЕЗ (ОГНЕТУШИТЕЛЬ КОМПЛЕКТ) (M-СЕРИИ)

КУСТОРЕЗ (ОГНЕТУШИТЕЛЬ КОМПЛЕКТ) (M-СЕРИИ)

1Артикул: KIT,, KIT, EXTINGUISHER FIRE NLA - Ref. 5-11 & 14 - Was 7129307 - A
2Артикул: 7129307, KIT, EXTINGUISHER FIRE Ref. 2-8 & 12-14
3Артикул: 7224665, BRACKET, EXTINGUISHER FIRE red - diamond hole pattern - Use W/Ref. 3
Подробнее >
КУСТОРЕЗ (ЗАДНИЙ) (ПОЛИКОРБАНАТ) (678 ММ) (26.7--) X (390 ММ) (15.37--) ОТКРЫТАЯ КАБИНА (M-СЕРИИ)

КУСТОРЕЗ (ЗАДНИЙ) (ПОЛИКОРБАНАТ) (678 ММ) (26.7--) X (390 ММ) (15.37--) ОТКРЫТАЯ КАБИНА (M-СЕРИИ)

1Артикул: KIT,, KIT, WINDOW REAR See Illustration FORESTRY CUTTER/ NA8179 - NLA - polycarbonate - Ref. 2-12 - Order 7214673 rear window kit - Was 7128389 - C
2Артикул: 7121425, BUSHING
3Артикул: 7150151, LATCH, WINDOW LEFT
Подробнее >
КУСТОРЕЗ (КОМПЛЕКТ ИНСТРУМЕНТОВ ДЛЯ УСТАНОВКИ ПОДШИПНИКОВ)

КУСТОРЕЗ (КОМПЛЕКТ ИНСТРУМЕНТОВ ДЛЯ УСТАНОВКИ ПОДШИПНИКОВ)

1Артикул: 6692780, KIT
2Артикул: 6692774, CAP
3Артикул: 6692775, TUBE
Подробнее >
КУСТОРЕЗ (КОМПЛЕКТ ПЕРЕДНИХ ДВЕРЕЙ) (FRC50 ANR6) (FRC50 ATSY) (FRC60 ANR5) (FRC60 ATV1)

КУСТОРЕЗ (КОМПЛЕКТ ПЕРЕДНИХ ДВЕРЕЙ) (FRC50 ANR6) (FRC50 ATSY) (FRC60 ANR5) (FRC60 ATV1)

1Артикул: KIT,, KIT, GATE SALES #7195448 - (50--) - Ref. 2-22
2Артикул: KIT., KIT. GATE SALES #7195319 - (60--) - Ref. 2-22
3Артикул: CYLINDER,, CYLINDER, GATE See Illustration FORESTRY CUTTER/ NA2840
Подробнее >
КУСТОРЕЗ (КОМПЛЕКТ КОМПРЕССИОННЫХ УПЛОТНЕНИЙ ДВИГАТЕЛЯ) (M-СЕРИИ) (ИСПОЛЬЗУЕТСЯ С S850 И T870)

КУСТОРЕЗ (КОМПЛЕКТ КОМПРЕССИОННЫХ УПЛОТНЕНИЙ ДВИГАТЕЛЯ) (M-СЕРИИ) (ИСПОЛЬЗУЕТСЯ С S850 И T870)

1Артикул: 7179952, KIT, ENG COMP SEAL Ref. 2-18
2Артикул: SEAL, SEAL NLA - 889 mm (35--) long - Order Ref. 3
3Артикул: 6675410, SEAL bulk - sold per foot
Подробнее >
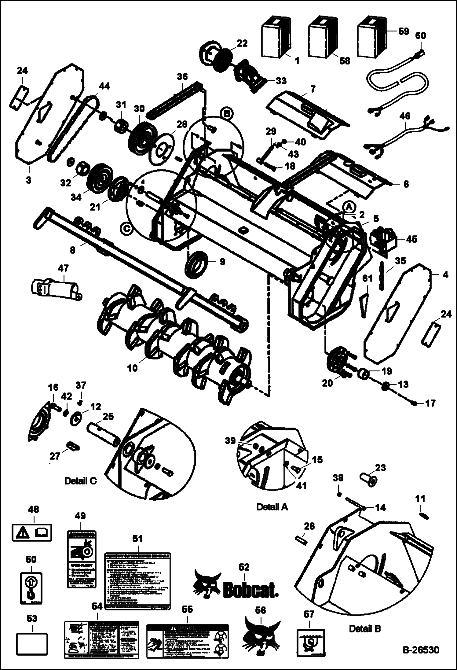
КУСТОРЕЗ (РОТОРНЫЙ БЛОК) (84 ММ) (3.3125--) ДЕРЖАТЕЛЬ ИНСТРУМЕНТА (FRC70 B48D00101 И ВЫШЕ)

КУСТОРЕЗ (РОТОРНЫЙ БЛОК) (84 ММ) (3.3125--) ДЕРЖАТЕЛЬ ИНСТРУМЕНТА (FRC70 B48D00101 И ВЫШЕ)

1Артикул: 7308198, ASSY ROTOR Ref. 2-11
2Артикул: 7023593, TOOL TOOTH 84 mm (3.3125--) tall
3Артикул: 7023592, BOLT
Подробнее >
КУСТОРЕЗ (РОТОРНЫЙ БЛОК) (84 ММ) (3.3125--) ДЕРЖАТЕЛЬ ИНСТРУМЕНТА (FRC50 ANR600110 И ВЫШЕ) (50 ATSY)

КУСТОРЕЗ (РОТОРНЫЙ БЛОК) (84 ММ) (3.3125--) ДЕРЖАТЕЛЬ ИНСТРУМЕНТА (FRC50 ANR600110 И ВЫШЕ) (50 ATSY)

1Артикул: 7023552, ROTOR, ASSY Ref. 2-11
2Артикул: 7023593, TOOL TOOTH 84 mm (3.3125--) tall
3Артикул: 7023592, BOLT
Подробнее >
КУСТОРЕЗ (ДВЕРЦЫ, ПРИМЕНЯЕМЫЕ В ЛЕСОЗАГОТОВКЕ) (M-СЕРИИ)

КУСТОРЕЗ (ДВЕРЦЫ, ПРИМЕНЯЕМЫЕ В ЛЕСОЗАГОТОВКЕ) (M-СЕРИИ)

1Артикул: 7174127, KIT, DOOR FORESTRY Ref. 2-26 & 28-54 - for complete Forestry Applications Kit Order SALES #7174126
2Артикул: 7019019, RETAINER, HOLDER
3Артикул: 6665321, RIVET male
Подробнее >
КУСТОРЕЗ (РАМА ШАССИ) (FRC50 ATSY001 - ATSY00126)

КУСТОРЕЗ (РАМА ШАССИ) (FRC50 ATSY001 - ATSY00126)

1Артикул: FORESTRY, FORESTRY CUTTER SALES #7204123 - 50--
2Артикул: 7020402, ROD
3Артикул: 7020403, PIN Use W/gate option & push bar
Подробнее >
КУСТОРЕЗ (РАМА ШАССИ) (FRC60 ATV1001 - ATV100346)

КУСТОРЕЗ (РАМА ШАССИ) (FRC60 ATV1001 - ATV100346)

1Артикул: FORESTRY, FORESTRY CUTTER SALES #7204127 - 60--
2Артикул: 7020433, ROD
3Артикул: 7020403, PIN Use W/gate option & push bar
Подробнее >
КУСТОРЕЗ (ДВИГАТЕЛЬ) (FRC50 ADTN) (FRC50 ANR6) (FRC60 A6ZB) (FRC60 ANR5)

КУСТОРЕЗ (ДВИГАТЕЛЬ) (FRC50 ADTN) (FRC50 ANR6) (FRC60 A6ZB) (FRC60 ANR5)

1Артикул: 6692603, MOTOR complete - W/Ref. 2-8
2Артикул: ROTARY, ROTARY GROUP See Illustration FORESTRY CUTTER/ B26596
3Артикул: 6692890, HOUSING
Подробнее >
КУСТОРЕЗ (РАМА ШАССИ) (FRC50 ANR600136 И ВЫШЕ)

КУСТОРЕЗ (РАМА ШАССИ) (FRC50 ANR600136 И ВЫШЕ)

1Артикул: FORESTRY, FORESTRY CUTTER SALES #7194306 - 50--
2Артикул: 7020402, ROD
3Артикул: 7020403, PIN Use W/gate option & push bar
Подробнее >
КУСТОРЕЗ (РОТОРНЫЙ БЛОК) (103 ММ) (4.0625--) ДЕРЖАТЕЛЬ ИНСТРУМЕНТА (FRC50 ADTN) (FRC60 A6ZB)

КУСТОРЕЗ (РОТОРНЫЙ БЛОК) (103 ММ) (4.0625--) ДЕРЖАТЕЛЬ ИНСТРУМЕНТА (FRC50 ADTN) (FRC60 A6ZB)

1Артикул: ROTOR,, ROTOR, ASSY See Illustration FORESTRY CUTTER/ NA6328 - NLA - 50-- - Ref. 2-10 - Order 7023552 rotor assy & (2) of 7023554 flange - Was 7003503 - A
2Артикул: TOOL, TOOL NLA - 103 mm (4.0625--) high - Order Ref. 13 - Was 6692660 - B,D
3Артикул: 6692571, BOLT 102 mm (4.00--) long - grade 8
Подробнее >
КУСТОРЕЗ (КОМПЛЕКТ КОМПРЕССИОННЫХ УПЛОТНЕНИЙ ДВИГАТЕЛЯ) (M-СЕРИИ) (ИСПОЛЬЗУЕТСЯ С S760, S750 И T760)

КУСТОРЕЗ (КОМПЛЕКТ КОМПРЕССИОННЫХ УПЛОТНЕНИЙ ДВИГАТЕЛЯ) (M-СЕРИИ) (ИСПОЛЬЗУЕТСЯ С S760, S750 И T760)

1Артикул: 7190789, KIT, ENG COMP SEAL Ref. 2-17 - Was SALES - A
2Артикул: SEAL,, SEAL, TAILGATE NLA - 35-- (889 mm) long - Order Ref. 3
3Артикул: 6675410, SEAL bulk - sold per foot
Подробнее >
КУСТОРЕЗ (КОМПЛЕКТ ОГРАЖДЕНИЙ ДЛЯ УСТРОЙСТВ ОСВЕЩЕНИЯ) (ЗАДНИЙ) (M-СЕРИИ)

КУСТОРЕЗ (КОМПЛЕКТ ОГРАЖДЕНИЙ ДЛЯ УСТРОЙСТВ ОСВЕЩЕНИЯ) (ЗАДНИЙ) (M-СЕРИИ)

1Артикул: 7174128, KIT, GUARD LIGHT Ref. 2-6
2Артикул: 7173309, GUARD, LIGHT
3Артикул: 7173310, SPACER
Подробнее >
КУСТОРЕЗ (МОТОРНЫЙ УЗЕЛ ВРАЩЕНИЯ) (FRC50 ADTN) (FRC50 ANR6) (FRC60 A6ZB) (FRC60 ANR5)

КУСТОРЕЗ (МОТОРНЫЙ УЗЕЛ ВРАЩЕНИЯ) (FRC50 ADTN) (FRC50 ANR6) (FRC60 A6ZB) (FRC60 ANR5)

1Артикул: 6692897, ROTARY GROUP
2Артикул: CYLINDER, CYLINDER NSS
3Артикул: PLATE, PLATE NSS
Подробнее >
КУСТОРЕЗ (ПЛАВАЮЩИЙ ПОДШИПНИКОВЫЙ УЗЕЛ) (FRC50 ADTN) (FRC50 ANR6) (FRC50 ATSY) (FRC60 ANR5)(FRC60 A6ZB)(FRC60 ATV1)

КУСТОРЕЗ (ПЛАВАЮЩИЙ ПОДШИПНИКОВЫЙ УЗЕЛ) (FRC50 ADTN) (FRC50 ANR6) (FRC50 ATSY) (FRC60 ANR5)(FRC60 A6ZB)(FRC60 ATV1)

1Артикул: 6692575, BEARING ASSY floating bearing assembly is painted black and on the right side of machine when viewing from the rotor side
2Артикул: 6692623, SPACER
3Артикул: 6692616, HOUSING
Подробнее >
КУСТОРЕЗ (КОМПЛЕКТ ДЕТАЛЕЙ СТЕКЛООЧИСТИТЕЛЯ) (175 ММ (6.90?) КРОНШТЕЙН КРЕПЛЕНИЯ УДЛИНЕННЫХ СТЕКЛООЧИСТИТЕЛЕЙ) (M-СЕРИИ)

КУСТОРЕЗ (КОМПЛЕКТ ДЕТАЛЕЙ СТЕКЛООЧИСТИТЕЛЯ) (175 ММ (6.90?) КРОНШТЕЙН КРЕПЛЕНИЯ УДЛИНЕННЫХ СТЕКЛООЧИСТИТЕЛЕЙ) (M-СЕРИИ)

1Артикул: KIT,, KIT, FORESTRY WIPER Ref. 2-32 - NLA - Order Components
2Артикул: 6664554, PUMP, WIPER WASHER
3Артикул: 6666766, GROMMET
Подробнее >
КУСТОРЕЗ (КОМПЛЕКТ ВЕРХНЕГО ОКНА)

КУСТОРЕЗ (КОМПЛЕКТ ВЕРХНЕГО ОКНА)

1Артикул: TOP, TOP WINDOW KIT SALES #6719393
2Артикул: 7105034, WINDOW TOP Was 7105035 - A
3Артикул: 7165265, SEAL, WINDOW
Подробнее >
КУСТОРЕЗ (КЛАПАН В СБОРЕ) (FRC50 ADTN) (FRC60 A6ZB)

КУСТОРЕЗ (КЛАПАН В СБОРЕ) (FRC50 ADTN) (FRC60 A6ZB)

1Артикул: VALVE, VALVE ASSY See Illustration FORESTRY CUTTER/ NA2844 - NLA - Order 7196485 valve - Was 6691567 - A
2Артикул: 6689389, SPACER
3Артикул: 6678085, ORIFICE 0.070-- - Was 6692731 - A
Подробнее >
КУСТОРЕЗ (РОТОРНЫЙ БЛОК) (84 ММ) (3.3125--) ДЕРЖАТЕЛЬ ИНСТРУМЕНТА (FRC60 ANR500245 И ВЫШЕ) (60 ATV1)

КУСТОРЕЗ (РОТОРНЫЙ БЛОК) (84 ММ) (3.3125--) ДЕРЖАТЕЛЬ ИНСТРУМЕНТА (FRC60 ANR500245 И ВЫШЕ) (60 ATV1)

1Артикул: 7023575, ROTOR, ASSY Ref. 2-11
2Артикул: 7023593, TOOL TOOTH 84 mm (3.3125--) tall
3Артикул: 7023592, BOLT
Подробнее >
КУСТОРЕЗ (ПРИВОДНОЙ ВАЛ ДВИГАТЕЛЯ И ПОДШИПНИКИ) (FRC50 ATSY) (FRC60 ATV1) (FRC70 B48D)

КУСТОРЕЗ (ПРИВОДНОЙ ВАЛ ДВИГАТЕЛЯ И ПОДШИПНИКИ) (FRC50 ATSY) (FRC60 ATV1) (FRC70 B48D)

1Артикул: 7023877, GROUP, ROTARY Ref. 2-8
2Артикул: GROUP,, GROUP, ROTARY See Illustration FORESTRY CUTTER/ NA6354
3Артикул: 7023879, SHAFT, DRIVE
Подробнее >
КУСТОРЕЗ (ОГНЕТУШИТЕЛЬ)

КУСТОРЕЗ (ОГНЕТУШИТЕЛЬ)

1Артикул: KIT,, KIT, EXTINGUISHER FIRE NLA - Ref. 5-10 - Was 7147411 - A
2Артикул: 7147411, KIT, EXTINGUISHER FIRE Ref. 2-6 & 10
3Артикул: 7224664, EXTINGUISHER, FIRE W/Ref. 3
Подробнее >
КУСТОРЕЗ (КРЫШКА) (ОЧИСТКА - НИЖНЯЯ ПЕРЕДНЯЯ СТОРОНА КОРОБКИ ДЛЯ УКЛАДКИ ЦЕПИ) (M-СЕРИИ) (СЛОЖНОЙ ФОРМЫ)

КУСТОРЕЗ (КРЫШКА) (ОЧИСТКА - НИЖНЯЯ ПЕРЕДНЯЯ СТОРОНА КОРОБКИ ДЛЯ УКЛАДКИ ЦЕПИ) (M-СЕРИИ) (СЛОЖНОЙ ФОРМЫ)

1Артикул: 6577880, KIT, ACCESS COVER Ref. 2-4
2Артикул: 6737088, COVER, ACCESS
3Артикул: 84G3720, BOLT
Подробнее >
КУСТОРЕЗ (БЛОК УПРАВЛЕНИЯ ДВИГАТЕЛЕМ) (FRC50 ATSY) (FRC60 ATV1) (FRC70 B48D)

КУСТОРЕЗ (БЛОК УПРАВЛЕНИЯ ДВИГАТЕЛЕМ) (FRC50 ATSY) (FRC60 ATV1) (FRC70 B48D)

1Артикул: 7023871, HOUSING, CONTROL MOTOR Ref. 2-18
2Артикул: COVER,, COVER, HOUSING CONTROL MOTOR See Illustration FORESTRY CUTTER/ NA6356
3Артикул: HOUSING,, HOUSING, MOTOR See Illustration FORESTRY CUTTER/ NA6357
Подробнее >
КУСТОРЕЗ (КОМПЛЕКТ УСТРОЙСТВ, ПРИМЕНЯЕМЫХ В ЛЕСОЗАГОТОВКЕ)

КУСТОРЕЗ (КОМПЛЕКТ УСТРОЙСТВ, ПРИМЕНЯЕМЫХ В ЛЕСОЗАГОТОВКЕ)

1Артикул: KIT,, KIT, APPLICATIONS FORESTY SALES #7230523 - W/Ref. 2-12
2Артикул: 6577880, KIT, ACCESS COVER See Illustration FORESTRY CUTTER/ B24305
3Артикул: 7129307, KIT, EXTINGUISHER FIRE See Illustration FORESTRY CUTTER/ NA2056
Подробнее >
КУСТОРЕЗ (КОМПЛЕКТ ПЕРЕДНИХ ДВЕРЕЙ) (FRC50 ADTN) (FRC60 A6ZB)

КУСТОРЕЗ (КОМПЛЕКТ ПЕРЕДНИХ ДВЕРЕЙ) (FRC50 ADTN) (FRC60 A6ZB)

1Артикул: GATE, GATE KIT NLA - 60-- - Order 7167045 & Ref. 16 - Was SALES #7138967 - D
2Артикул: GATE, GATE KIT SALES #7166574 - 50-- - Ref. 2-16
3Артикул: 7167045, GATE, CUTTER FORESTRY Ref. 2-12, 14 & 15
Подробнее >
КУСТОРЕЗ (ДВИГАТЕЛЬ) (FRC50 ATSY) (FRC60 ATV1) (FRC70 B48D)

КУСТОРЕЗ (ДВИГАТЕЛЬ) (FRC50 ATSY) (FRC60 ATV1) (FRC70 B48D)

1Артикул: 7023870, MOTOR, HYD Ref. 2-14
2Артикул: MOTOR,, MOTOR, HYD NLA - Ref. 2-14 - Was 7023870REM - A
3Артикул: ROTARY, ROTARY GROUP See Illustration FORESTRY CUTTER/ NA6353
Подробнее >
КУСТОРЕЗ (СХЕМА ГИДРАВЛИЧЕСКОЙ СИСТЕМЫ) (FRC50 ANR6001 - ANR600135) (FRC60 ANR5001 - ANR500400)

КУСТОРЕЗ (СХЕМА ГИДРАВЛИЧЕСКОЙ СИСТЕМЫ) (FRC50 ANR6001 - ANR600135) (FRC60 ANR5001 - ANR500400)

1Артикул: 7246791, COUPLER, FF MALE See BTI433att - straight - Was 6688454 - A
2Артикул: 7246776, COUPLER, FF FEMALE See BTI433att - straight - Was 6687636 - A
3Артикул: 15KB1612, FITTING, HYD CONNECTOR
Подробнее >
КУСТОРЕЗ (ДВЕРЦЫ, ПРИМЕНЯЕМЫЕ В ЛЕСОЗАГОТОВКЕ) (0.75-- ОКНА ПОЛИКОРБАНАТ)

КУСТОРЕЗ (ДВЕРЦЫ, ПРИМЕНЯЕМЫЕ В ЛЕСОЗАГОТОВКЕ) (0.75-- ОКНА ПОЛИКОРБАНАТ)

1Артикул: DOOR, DOOR ASSY NLA - Order components - for complete Forestry Applications Kit, Order from SALES #7131810
2Артикул: 7140090, DOOR, CAB ASSY Ref. 3-9
3Артикул: WINDOW, WINDOW NSS - Order Ref. 2 or 7189822 window kit
Подробнее >
КУСТОРЕЗ (ПРИВОДНОЙ ВАЛ ДВИГАТЕЛЯ И ПОДШИПНИКИ) (FRC50 ADTN) (FRC50 ANR6) (FRC60 A6ZB) (FRC60 ANR5)

КУСТОРЕЗ (ПРИВОДНОЙ ВАЛ ДВИГАТЕЛЯ И ПОДШИПНИКИ) (FRC50 ADTN) (FRC50 ANR6) (FRC60 A6ZB) (FRC60 ANR5)

1Артикул: 6692898, SHAFT
2Артикул: SHAFT, SHAFT NSS
3Артикул: 6692912, RING
Подробнее >
КУСТОРЕЗ (КОМПЛЕКТ МЕХАНИЗМОВ СИСТЕМЫ ЗАЩИТЫ ОТ ПАДАЮЩИХ ПРЕДМЕТОВ (FOPS))

КУСТОРЕЗ (КОМПЛЕКТ МЕХАНИЗМОВ СИСТЕМЫ ЗАЩИТЫ ОТ ПАДАЮЩИХ ПРЕДМЕТОВ (FOPS))

1Артикул: 6718924, KIT Ref. 2-7
2Артикул: 17C616, BOLT 5
3Артикул: 83D6, NUT 5
Подробнее >
КУСТОРЕЗ (ЦИЛИНДР СИСТЕМЫ ВЫПУКА) (FRC50 ANR6) (FRC50 ATSY) (FRC60 ANR5) (FRC60 ATV1) (FRC70 B48D)

КУСТОРЕЗ (ЦИЛИНДР СИСТЕМЫ ВЫПУКА) (FRC50 ANR6) (FRC50 ATSY) (FRC60 ANR5) (FRC60 ATV1) (FRC70 B48D)

1Артикул: 7020406, CYLINDER Ref. 2-14
2Артикул: 7020638, SEAL
3Артикул: 7020637, BASE
Подробнее >
КУСТОРЕЗ (СХЕМА ГИДРАВЛИЧЕСКОЙ СИСТЕМЫ) (FRC50 ATSY001 - ATSY00126) (FRC60 ATV1001 - ATV100346)

КУСТОРЕЗ (СХЕМА ГИДРАВЛИЧЕСКОЙ СИСТЕМЫ) (FRC50 ATSY001 - ATSY00126) (FRC60 ATV1001 - ATV100346)

1Артикул: 7246791, COUPLER, FF MALE See BTI433att - straight - Was 6688454 - A
2Артикул: 7246776, COUPLER, FF FEMALE See BTI433att - straight - Was 6687636 - A
3Артикул: 15KB1612, FITTING, HYD CONNECTOR
Подробнее >
КУСТОРЕЗ (ДВЕРЦА КАБИНЫ) (КОМПЛЕКТ ДЕТАЛЕЙ ОКНА)

КУСТОРЕЗ (ДВЕРЦА КАБИНЫ) (КОМПЛЕКТ ДЕТАЛЕЙ ОКНА)

1Артикул: 7189822, KIT, WINDOW FORESTRY Ref. 2-7
2Артикул: WINDOW, WINDOW NSS
3Артикул: 7134590, DECAL
Подробнее >
КУСТОРЕЗ (ДВЕРЦА КАБИНЫ) (КОМПЛЕКТ ДЕТАЛЕЙ ОКНА) (M-СЕРИИ)

КУСТОРЕЗ (ДВЕРЦА КАБИНЫ) (КОМПЛЕКТ ДЕТАЛЕЙ ОКНА) (M-СЕРИИ)

1Артикул: 7193293, KIT, WINDOW Ref. 2-5 & 7
2Артикул: WINDOW, WINDOW NSS - Order Ref. 1
3Артикул: 38C512, BOLT
Подробнее >
КУСТОРЕЗ (СХЕМА ГИДРАВЛИЧЕСКОЙ СИСТЕМЫ) (FRC50 ATSY00127 И ВЫШЕ)

КУСТОРЕЗ (СХЕМА ГИДРАВЛИЧЕСКОЙ СИСТЕМЫ) (FRC50 ATSY00127 И ВЫШЕ)

1Артикул: 7246791, COUPLER, FF MALE See BTI433att - straight - Was 6688454 - A
2Артикул: 7246776, COUPLER, FF FEMALE See BTI433att - straight - Was 6687636 - A
3Артикул: 15KB1612, FITTING, HYD CONNECTOR
Подробнее >
КУСТОРЕЗ (КОМПЛЕКТ ДЕТАЛЕЙ СТЕКЛООЧИСТИТЕЛЯ) (159 ММ (6.25?) КРОНШТЕЙН КРЕПЛЕНИЯ УДЛИНЕННЫХ СТЕКЛООЧИСТИТЕЛЕЙ) (M-СЕРИИ)

КУСТОРЕЗ (КОМПЛЕКТ ДЕТАЛЕЙ СТЕКЛООЧИСТИТЕЛЯ) (159 ММ (6.25?) КРОНШТЕЙН КРЕПЛЕНИЯ УДЛИНЕННЫХ СТЕКЛООЧИСТИТЕЛЕЙ) (M-СЕРИИ)

1Артикул: 7196560, KIT, FORESTRY WIPER Ref. 2-36
2Артикул: 6664554, PUMP, WIPER WASHER
3Артикул: 6666766, GROMMET
Подробнее >
КУСТОРЕЗ (КОМПЛЕКТ ОГРАЖДЕНИЯ ГЛУШИТЕЛЯ) (M-СЕРИИ)

КУСТОРЕЗ (КОМПЛЕКТ ОГРАЖДЕНИЯ ГЛУШИТЕЛЯ) (M-СЕРИИ)

1Артикул: 7244920, KIT, GUARD MUFFLER Ref. 2-5 - Was 7174130
2Артикул: 7237149, GUARD, MUFFLER Was 7193671 - A
3Артикул: 31C512, BOLT
Подробнее >
КУСТОРЕЗ (КОМПЛЕКТ ДЕТАЛЕЙ ЗАДНЕГО СТЕКЛА)

КУСТОРЕЗ (КОМПЛЕКТ ДЕТАЛЕЙ ЗАДНЕГО СТЕКЛА)

1Артикул: KIT, KIT SALES #6726984
2Артикул: 6719413, WINDOW rear - polycarbonate
3Артикул: 6675387, EXTRUSION bulk - sold per foot
Подробнее >
КУСТОРЕЗ (ВАЛ ПРИВОДА И ПОДШИПНИКИ) (FRC50 ADTN) (FRC60 A6ZB)

КУСТОРЕЗ (ВАЛ ПРИВОДА И ПОДШИПНИКИ) (FRC50 ADTN) (FRC60 A6ZB)

1Артикул: 6692592, BEARING W/Ref. 2-8
2Артикул: 6692610, SHAFT
3Артикул: 6692611, SPACER
Подробнее >
КУСТОРЕЗ (КОМПЛЕКТ БОКОВЫХ СТЕКОЛ) (ПОЛИКОРБАНАТ) (M-СЕРИИ)

КУСТОРЕЗ (КОМПЛЕКТ БОКОВЫХ СТЕКОЛ) (ПОЛИКОРБАНАТ) (M-СЕРИИ)

1Артикул: 7182335, KIT, WINDOW SIDE Ref. 2-6
2Артикул: 7154910, INSERT, THREADED
3Артикул: 7180126, WINDOW, CAB SLIDING polycarbonate
Подробнее >
КУСТОРЕЗ (РАМА ШАССИ) (FRC60 ANR5001 - ANR500400)

КУСТОРЕЗ (РАМА ШАССИ) (FRC60 ANR5001 - ANR500400)

1Артикул: FORESTRY, FORESTRY CUTTER SALES #7194305 - 60--
2Артикул: 7020434, COVER, ACCESS
3Артикул: 7020433, ROD
Подробнее >
КУСТОРЕЗ (КОМПЛЕКТ СТЕКОЛ СИСТЕМЫ ЗАЩИТЫ ОТ ПАДАЮЩИХ ПРЕДМЕТОВ (FOPS)) (M-СЕРИИ)

КУСТОРЕЗ (КОМПЛЕКТ СТЕКОЛ СИСТЕМЫ ЗАЩИТЫ ОТ ПАДАЮЩИХ ПРЕДМЕТОВ (FOPS)) (M-СЕРИИ)

1Артикул: 7186723, KIT, WINDOW FOPS Ref. 2-5
2Артикул: 6718796, PLUG
3Артикул: 7186644, WINDOW, FOPS
Подробнее >
КУСТОРЕЗ (РОТОРНЫЙ БЛОК) (103 ММ) (4.0625--) ДЕРЖАТЕЛЬ ИНСТРУМЕНТА (FRC50 ANR600101 - 00109) (FRC60 ANR500101 - 00244)

КУСТОРЕЗ (РОТОРНЫЙ БЛОК) (103 ММ) (4.0625--) ДЕРЖАТЕЛЬ ИНСТРУМЕНТА (FRC50 ANR600101 - 00109) (FRC60 ANR500101 - 00244)

1Артикул: ROTOR,, ROTOR, ASSY See Illustration FORESTRY CUTTER/ NA6328 - NLA - 50-- - Ref. 2-10 - Order 7023552 rotor assy & (2) of 7023554 flange - Was 7020409 - A
2Артикул: TOOL, TOOL NLA - 103 mm (4.0625--) high - Order Ref. 13 - Was 6692660 - B,D
3Артикул: 7020616, BOLT 82,6 mm (3.25--) long - grade 8
Подробнее >
КУСТОРЕЗ (КОМПЛЕКТ ПЕРЕДНИХ ДВЕРЕЙ) (FRC70 B48D)

КУСТОРЕЗ (КОМПЛЕКТ ПЕРЕДНИХ ДВЕРЕЙ) (FRC70 B48D)

1Артикул: KIT,, KIT, GATE SALES #7310331 - (70--) - Ref. 2-17
2Артикул: CYLINDER,, CYLINDER, GATE See Illustration FORESTRY CUTTER/ NA2840
3Артикул: 7003504, PIN
Подробнее >
КУСТОРЕЗ (СХЕМА ГИДРАВЛИЧЕСКОЙ СИСТЕМЫ) (FRC50 ADTN) (FRC60 A6ZB)

КУСТОРЕЗ (СХЕМА ГИДРАВЛИЧЕСКОЙ СИСТЕМЫ) (FRC50 ADTN) (FRC60 A6ZB)

1Артикул: 6693040, HOSE for 60-- Forestry Cutter
2Артикул: 7003509, HOSE for 50-- Forestry Cutter
3Артикул: 6693039, HOSE for 60-- Forestry Cutter
Подробнее >
КУСТОРЕЗ (КРЫШКА) (ОЧИСТКА - НИЖНЯЯ ПЕРЕДНЯЯ СТОРОНА КОРОБКИ ДЛЯ УКЛАДКИ ЦЕПИ) (M-СЕРИИ) (ПРЯМОУГОЛЬНАЯ ФОРМА)

КУСТОРЕЗ (КРЫШКА) (ОЧИСТКА - НИЖНЯЯ ПЕРЕДНЯЯ СТОРОНА КОРОБКИ ДЛЯ УКЛАДКИ ЦЕПИ) (M-СЕРИИ) (ПРЯМОУГОЛЬНАЯ ФОРМА)

1Артикул: KIT,, KIT, ACCESS COVER NLA - Order components - A
2Артикул: 7240780, COVER, ACCESS Was 6716010 - A
3Артикул: 84G3712, BOLT 5
Подробнее >
КУСТОРЕЗ (ПРЕДУПРЕЖДАЮЩИЕ ТАБЛИЧКИ) (FRC70 B48D)

КУСТОРЕЗ (ПРЕДУПРЕЖДАЮЩИЕ ТАБЛИЧКИ) (FRC70 B48D)

1Артикул: 7210797, DECAL, SERVICE
2Артикул: 6595014, DECAL tie down
3Артикул: 6700191, DECAL, LOGO BOBCAT HEAD
Подробнее >