ПОГРУЗЧИК в Алматы
ПИЛА (ГИДРАВЛИКА И ЭЛЕКТРИЧЕСКАЯ СХЕМА) (WS18 991800101 И ВЫШЕ) (WS24 991900101 И ВЫШЕ)
1Артикул: 6678499, O-RING
2Артикул: 6678500, FLANGE
3Артикул: 6677760, RECEPTACLE Was 6678514 - A
ПИЛА (РЕГУЛИРУЮЩИЙ КЛАПАН) (WS18 991800626 И ВЫШЕ) (WS24 991900831 И ВЫШЕ)
1Артикул: 7011126, VALVE, CONTROL Ref. 2-31
2Артикул: 7020596, BLOCK, PORT
3Артикул: PLUG, PLUG NSS - Was 7008559 - A
ПИЛА (ЦИЛИНДР УСТРОЙСТВА КОНТРОЛЯ ГЛУБИНЫ) (WS18 991800101 И ВЫШЕ) (WS24 991900101 И ВЫШЕ)
1Артикул: 6678485, CYLINDER ASSY WS18 - W/Ref. 2 - 14
2Артикул: 6678486, CYLINDER ASSY WS24 - W/Ref. 2 - 14
3Артикул: 6678419, NUT
ПИЛА (ГИДРОСТАТИЧЕСКИЙ ДВИГАТЕЛЬ) (WS12 561500101 И ВЫШЕ) (WS18 561600101 И ВЫШЕ)
1Артикул: 6655435, MOTOR W/Ref. 2 - 16 - Was 6664246 - A
2Артикул: 6665396REM, MOTOR, HYD, W/O GEAR PUMP Remanufactured - Was 6665396 - A
3Артикул: 669863, RING, SNAP
ПИЛА (РЕГУЛИРУЮЩИЙ КЛАПАН) (WS18 991800101 - 00625) (WS24 991900101 - 00830)
1Артикул: 6669981, VALVE, CONTROL W/Ref. 2 - 27
2Артикул: 6671025, COIL
3Артикул: 6673986, SPOOL, VALVE
ПИЛА (БОКОВОЙ ЦИЛИНДР МЕХАНИЗМА ПЕРЕКЛЮЧЕНИЯ) (WS18 561600101 И ВЫШЕ)
1Артикул: 6664843, CYLINDER W/Ref. 2 - 12 - Was 6664253 - D
2Артикул: 6664327, CASE
3Артикул: 6673617, NUT Was 6664323 - A
ПИЛА (ЦИЛИНДР ТРАШЕЕКОПАТЕЛЯ) (WS18 991800101 И ВЫШЕ) (WS24 991900101 И ВЫШЕ)
1Артикул: 6678496, CYLINDER ASSY WS18 - W/Ref. 2 - 11
2Артикул: 6678497, CYLINDER ASSY WS24 - W/Ref. 2 - 11
3Артикул: 6678489, SEAL
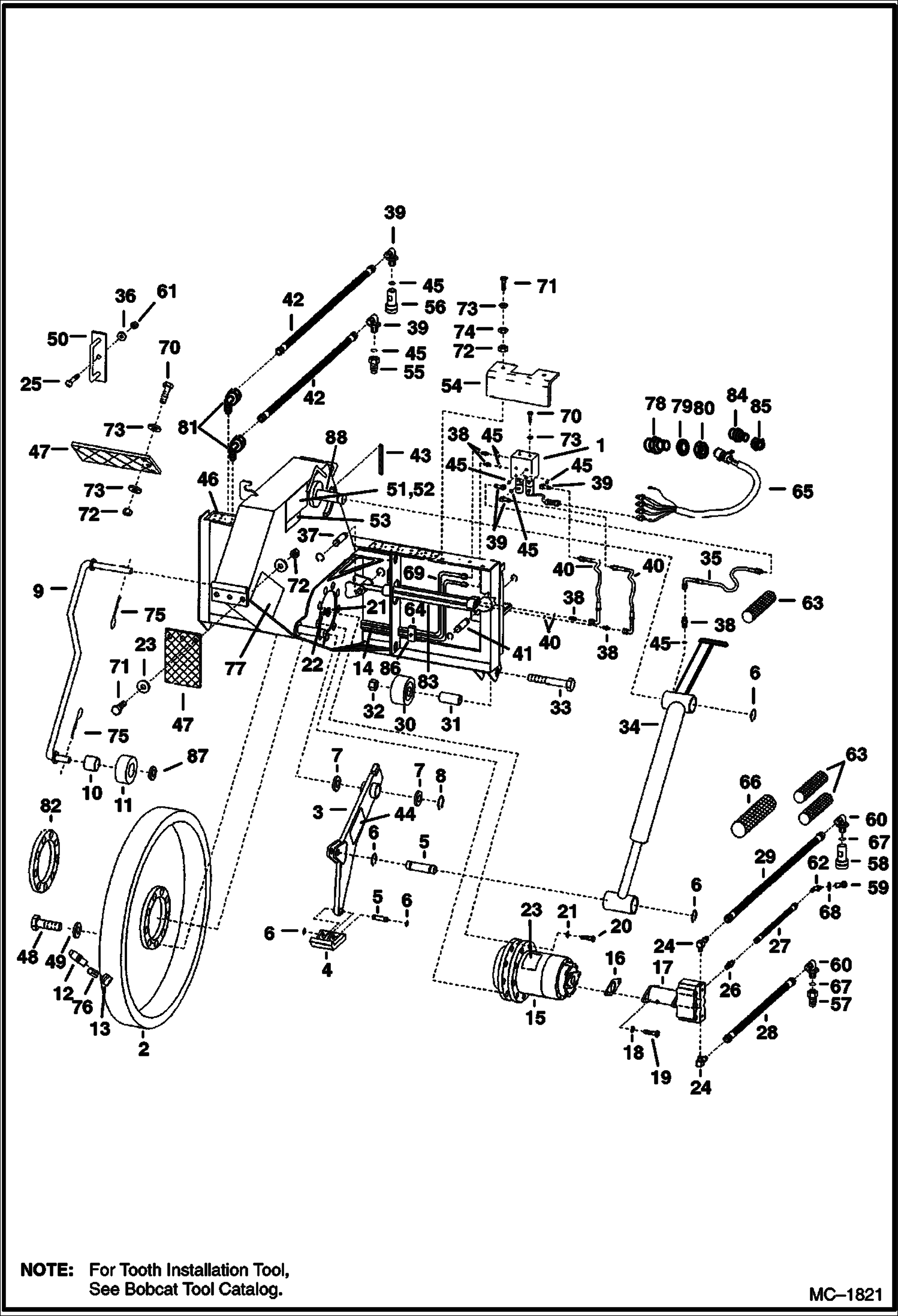
ПИЛА (РАМА ШАССИ) (WS18 991800101 И ВЫШЕ) (WS24 991900101 И ВЫШЕ)
1Артикул: 53DM10, NUT Was 6677242 - A
2Артикул: 6676786, WASHER
3Артикул: 6678434, COVER WS18
ПИЛА (МОНТАЖНАЯ РАМА) (WS18 991800101 И ВЫШЕ) (WS24 991900101 И ВЫШЕ)
1Артикул: 6676733, NUT
2Артикул: 6678456, GUIDE
3Артикул: 6678457, SPACER Was NLA - D
ПИЛА (СХЕМА ГИДРАВЛИЧЕСКОЙ СИСТЕМЫ) (WS18 991800101 И ВЫШЕ) (WS24 991900101 И ВЫШЕ)
1Артикул: 6676900, ADAPTER
2Артикул: 6676880, O-RING
3Артикул: 6678515, HOSE WS18
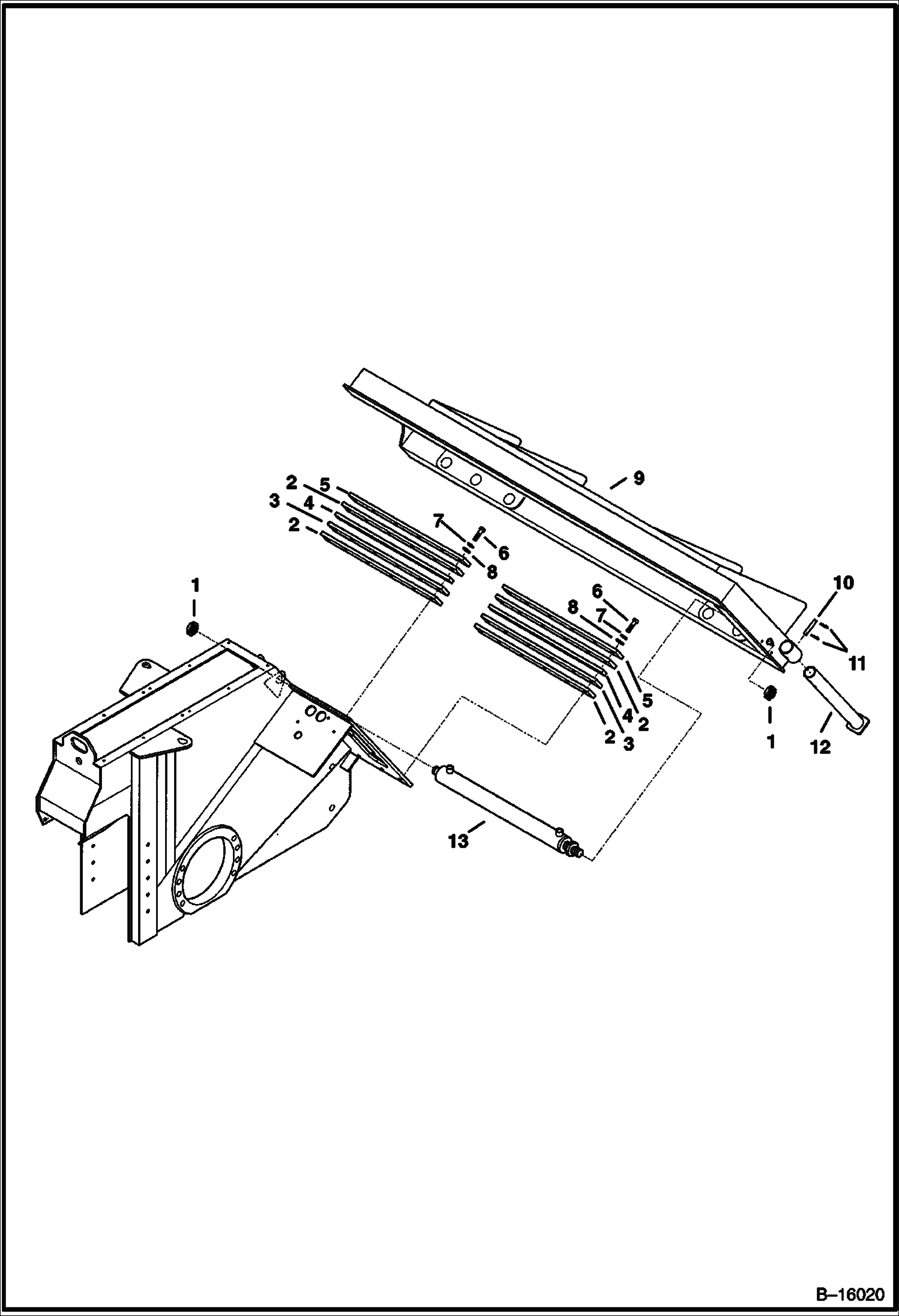
ПИЛА (РАМА ШАССИ) (WS12 561500101 И ВЫШЕ) (WS18 561600101 И ВЫШЕ)
1Артикул: VALVE, VALVE See Illustration WHEEL SAW/ TS1154
2Артикул: 6662998, WHEEL ASSY SW2.5-12 - w/28 all purpose bits
3Артикул: 6662999, WHEEL ASSY SW4.5-12 - w/33 all purpose bits
ПИЛА (БОКОВОЙ ЦИЛИНДР МЕХАНИЗМА ПЕРЕКЛЮЧЕНИЯ) (WS12 561500101 И ВЫШЕ)
1Артикул: 6664252, CYLINDER W/Ref. 2 - 12
2Артикул: 6664327, CASE Was 6664330 - D
3Артикул: 6673617, NUT Was 6664323 - A
ПИЛА (КОРОБКА ПЕРЕДАЧ) (WS18 991800101 И ВЫШЕ) (WS24 991900101 И ВЫШЕ)
1Артикул: 6664242, GEARBOX WS18 - Fairfield S2B13338ZY - Order 6670649 for WS12
2Артикул: 6670649, GEARBOX WS12 - Fairfield S2B13821ZY
3Артикул: 6664244, SEAL
ПИЛА (ДВИГАТЕЛЬ) (WS18 991800101 И ВЫШЕ) (WS24 991900101 И ВЫШЕ)
1Артикул: 6678476, MOTOR ASSY WS18 - Ref. 2-18 & 20
2Артикул: 6678477, MOTOR ASSY WS24 - Ref. 2-18 & 20
3Артикул: 7010572, GREASE outer bearing grease
ПИЛА (РАМА ШАССИ) (ОБТЕКАТЕЛИ) (ДВЕРНОЙ МЕХАНИЗМ) (WS24 991900101 И ВЫШЕ)
1Артикул: 7302921, KIT, CLOSE SIDE RH - Ref. 2-9
2Артикул: 7302922, KIT, CLOSE SIDE LH - Ref. 4-11
3Артикул: 7302923, KIT, DEFLECTOR LH - Ref. 4, 5, 12 & 13
ПИЛА (РАМА ШАССИ) (ОБТЕКАТЕЛИ) (ДВЕРНОЙ МЕХАНИЗМ) (WS18 991800101 И ВЫШЕ)
1Артикул: 7302917, KIT, CLOSE SIDE RH - Ref. 2, 3 & 8-13
2Артикул: 7302918, KIT, CLOSE SIDE LH - Ref. 4, 5 & 8-13
3Артикул: 7302919, KIT, DEFLECTOR RH - Ref. 6, 8, 9 & 14
ПИЛА (КОМПЛЕКТ ОБРАТНЫХ КЛАПАНОВ) (WS18 991800101 И ВЫШЕ) (WS24 991900101 И ВЫШЕ)
1Артикул: KIT,, KIT, VALVE CHECK NLA - Order Ref. 2 & 3 - Was 7276339
2Артикул: 7276340, VALVE, CHECK
3Артикул: 7276364ENUS, INSTRUCTIONS Was 7276364 - D
ПИЛА (ЦИЛИНДР УСТРОЙСТВА КОНТРОЛЯ ГЛУБИНЫ) (WS12 561500101 И ВЫШЕ)
1Артикул: 6664842, CYLINDER W/Ref. 2 - 12
2Артикул: CASE, CASE NLA - Was 6664330 - A
3Артикул: 6673617, NUT Was 6664323 - A
ПИЛА (ЦИЛИНДР УСТРОЙСТВА КОНТРОЛЯ ГЛУБИНЫ) (WS18 561600101 И ВЫШЕ)
1Артикул: 6664253, CYLINDER W/Ref. 2 - 12
2Артикул: 6664859, CASE
3Артикул: 6673617, NUT Was 6664323 - A
ПИЛА (КЛАПАН) (WS12 561500101 И ВЫШЕ) (WS18 561600101 И ВЫШЕ)
1Артикул: 6664333, VALVE
2Артикул: 6664334, BLOCK
3Артикул: 6664341, SOLENOID ASSY W/Ref. 11
ПИЛА (БОКОВОЙ ЦИЛИНДР МЕХАНИЗМА ПЕРЕКЛЮЧЕНИЯ) (WS18 991800101 И ВЫШЕ) (WS24 991900101 И ВЫШЕ)
1Артикул: 6676827, CYLINDER W/Ref. 2-12
2Артикул: 6676817, SEAL
3Артикул: 6676818, HEAD