+7 (701) 588 50 05 Телефон для связи
RU

WhatsApp

Позвонить

ПОГРУЗЧИК в Алматы

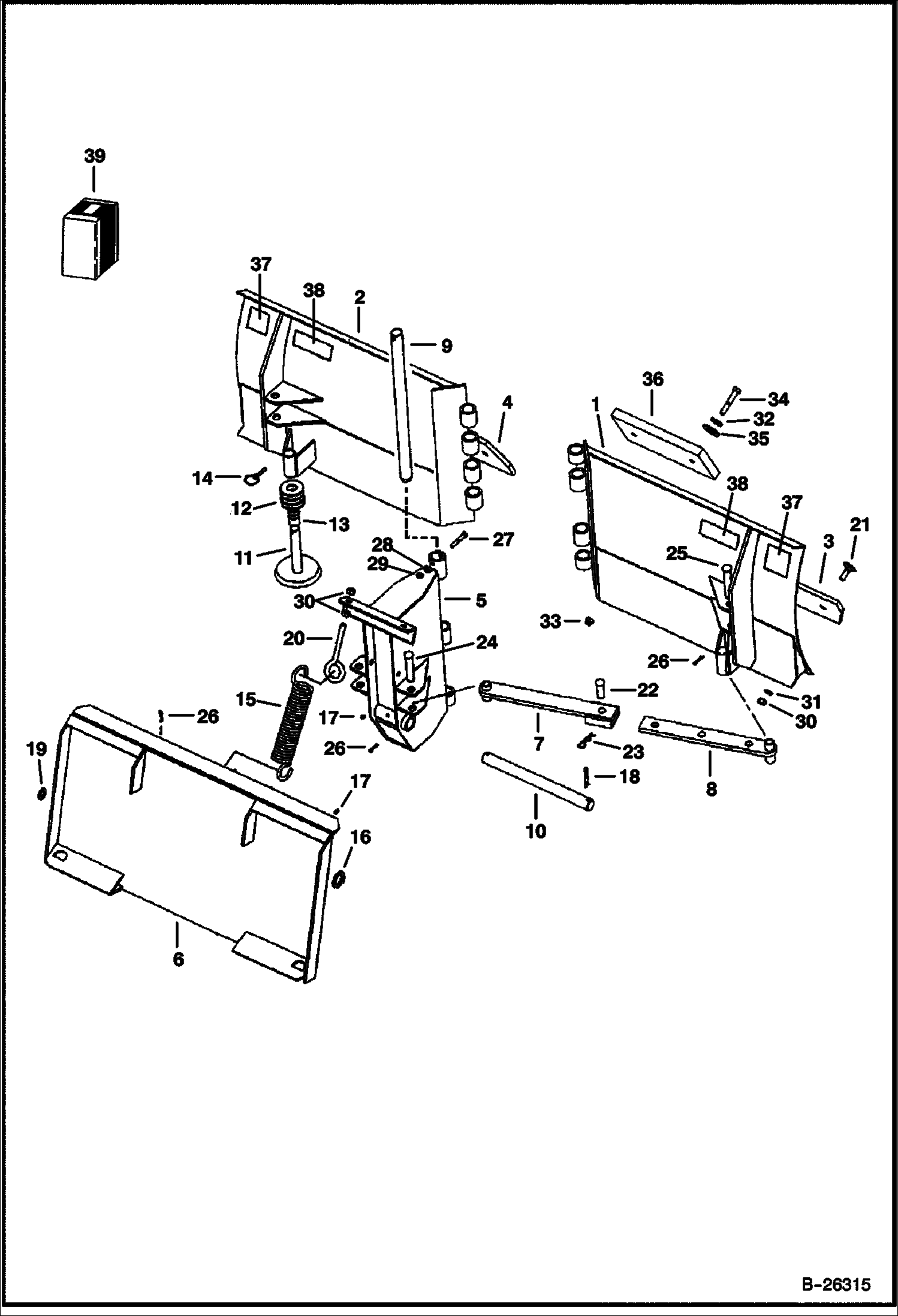
V-ОТВАЛ (СХЕМА ГИДРАВЛИЧЕСКОЙ СИСТЕМЫ) (С 7 ТОЧКАМИ КРЕПЛЕНИЯ ГЛАВНОГО ЖГУТА ПРОВОДОВ) (60-- 0843)

V-ОТВАЛ (СХЕМА ГИДРАВЛИЧЕСКОЙ СИСТЕМЫ) (С 7 ТОЧКАМИ КРЕПЛЕНИЯ ГЛАВНОГО ЖГУТА ПРОВОДОВ) (60-- 0843)

1Артикул: 6681946, CYLINDER See Illustration V-BLADE/ B21784 HYDRAULIC
2Артикул: 6681546, VALVE ASSY See Illustration V-BLADE/ B21786
3Артикул: 7171628, VALVE, CONTROL See Illustration V-BLADE/ NA2343
Подробнее >
V-ОТВАЛ (СХЕМА ГИДРАВЛИЧЕСКОЙ СИСТЕМЫ) (С 14 ТОЧКАМИ КРЕПЛЕНИЯ ГЛАВНОГО ЖГУТА ПРОВОДОВ) (60-- 0838)

V-ОТВАЛ (СХЕМА ГИДРАВЛИЧЕСКОЙ СИСТЕМЫ) (С 14 ТОЧКАМИ КРЕПЛЕНИЯ ГЛАВНОГО ЖГУТА ПРОВОДОВ) (60-- 0838)

1Артикул: 6681946, CYLINDER See Illustration V-BLADE/ B21784 HYDRAULIC
2Артикул: 6681954, VALVE ASSY W/Ref. 3-5 - Was 6682954 - D
3Артикул: VALVE, VALVE BLOCK NSS - Order Ref. 2
Подробнее >
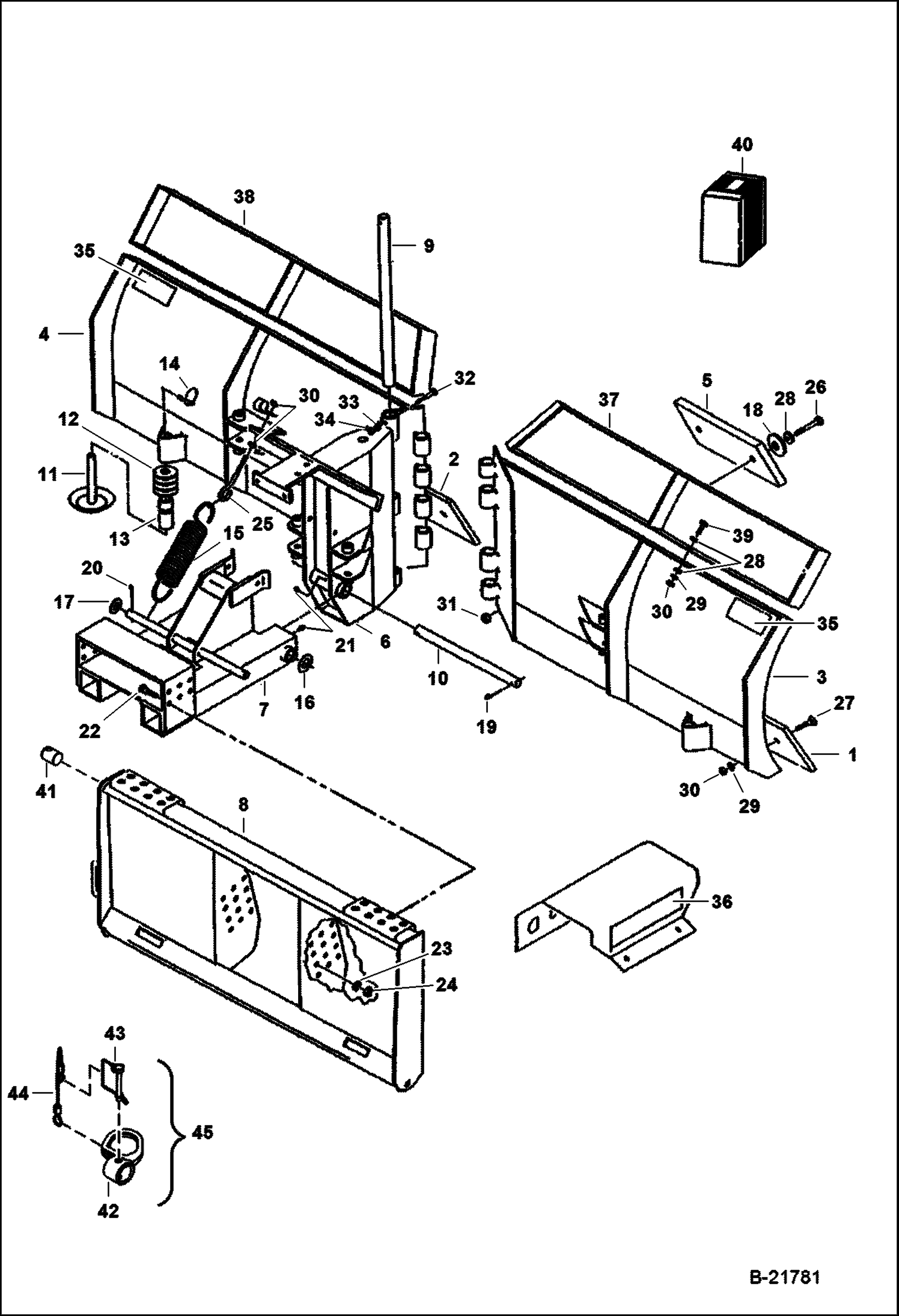
V-ОТВАЛ (ГИДРАВЛИЧЕСКИЙ) (60--)

V-ОТВАЛ (ГИДРАВЛИЧЕСКИЙ) (60--)

1Артикул: 6681958, CUTTING EDGE 60-- - R.H.
2Артикул: 6681963, CUTTING EDGE 60-- - L.H.
3Артикул: 6681989, BLADE 60-- - R.H. - w/cutting edge
Подробнее >
V-ОТВАЛ (ПРЕДУПРЕЖДАЮЩИЕ ТАБЛИЧКИ) (БЕЗ ТЕКСТА) (60--) (72--) (84--) (96--) (108--)

V-ОТВАЛ (ПРЕДУПРЕЖДАЮЩИЕ ТАБЛИЧКИ) (БЕЗ ТЕКСТА) (60--) (72--) (84--) (96--) (108--)

1Артикул: KIT,, KIT, DECAL NO-TEXT NLA - Ref. 3 - Order components - Was 7150297 - A
2Артикул: 6583862, DECAL, WARNING
3Артикул: 7130132, DECAL, WARNING no-text
Подробнее >
V-ОТВАЛ (72--) (84--) (96--) (108--)

V-ОТВАЛ (72--) (84--) (96--) (108--)

1Артикул: 6681959, CUTTING EDGE 72-- - R.H.
2Артикул: 6681960, CUTTING EDGE 84-- - R.H.
3Артикул: 6681961, CUTTING EDGE 96-- - R.H.
Подробнее >
V-ОТВАЛ (ГИДРОЦИЛИНДР) (72--) (84--) (96--) (108--)

V-ОТВАЛ (ГИДРОЦИЛИНДР) (72--) (84--) (96--) (108--)

1Артикул: 6681979, CYLINDER W/Ref. 2-12
2Артикул: 6673617, NUT Was 6673328 - A
3Артикул: 6681975, HEAD
Подробнее >
V-ОТВАЛ (РЕЗИНОВЫЙ ПОДРЕЗНОЙ НОЖ)

V-ОТВАЛ (РЕЗИНОВЫЙ ПОДРЕЗНОЙ НОЖ)

1Артикул: 6958664, KIT 60-- rubber edge - W/Ref. 2-7
2Артикул: 6958665, KIT 72-- rubber edge - W/Ref. 2-7
3Артикул: 6958666, KIT 84-- rubber edge - W/Ref. 2-7
Подробнее >
V-ОТВАЛ (РУКОВОДСТВО ПОЛЬЗОВАТЕЛЯ) (НЕГИДРАВЛИЧЕСКИЙ) (60--)

V-ОТВАЛ (РУКОВОДСТВО ПОЛЬЗОВАТЕЛЯ) (НЕГИДРАВЛИЧЕСКИЙ) (60--)

1Артикул: 6691161, BLADE RH W/cutting edge
2Артикул: 6691162, BLADE LH W/cutting edge
3Артикул: 6681958, CUTTING EDGE RH
Подробнее >
V-ОТВАЛ (КЛАПАН В СБОРЕ) (60-- 084300231 И ВЫШЕ) (72-- 083900626 И ВЫШЕ) (84-- 084000685 И ВЫШЕ) (96-- 084100823 И ВЫШЕ) (108-- 084200564 И ВЫШЕ)

V-ОТВАЛ (КЛАПАН В СБОРЕ) (60-- 084300231 И ВЫШЕ) (72-- 083900626 И ВЫШЕ) (84-- 084000685 И ВЫШЕ) (96-- 084100823 И ВЫШЕ) (108-- 084200564 И ВЫШЕ)

1Артикул: 7171628, VALVE, CONTROL W/Ref. 2 - 17
2Артикул: VALVE, VALVE BLOCK NSS - order Ref. 1
3Артикул: 6682160, LOGIC ELEMENT WRef. 11
Подробнее >
V-ОТВАЛ (КОМПЛЕКТ ВЫДВИЖНЫХ УСТРОЙСТВ) (72--) (84--) (96--) (108--)

V-ОТВАЛ (КОМПЛЕКТ ВЫДВИЖНЫХ УСТРОЙСТВ) (72--) (84--) (96--) (108--)

1Артикул: 7102603, KIT, FLOAT Ref. 2-12 - Was SALES - D
2Артикул: 6685726, SWIVEL
3Артикул: 6685727, PIN, LOCK
Подробнее >
V-ОТВАЛ (СХЕМА ГИДРАВЛИЧЕСКОЙ СИСТЕМЫ) (72--) (84--) (96--) (108--)

V-ОТВАЛ (СХЕМА ГИДРАВЛИЧЕСКОЙ СИСТЕМЫ) (72--) (84--) (96--) (108--)

1Артикул: 6681979, CYLINDER See Illustration V-BLADE/ B21785 HYDRAULIC
2Артикул: 6681546, VALVE ASSY See Illustration V-BLADE/ B21786
3Артикул: 7171628, VALVE, CONTROL See Illustration V-BLADE/ NA2343
Подробнее >
V-ОТВАЛ (ГИДРОЦИЛИНДР) (60--)

V-ОТВАЛ (ГИДРОЦИЛИНДР) (60--)

1Артикул: 6681946, CYLINDER W/Ref. 2-16
2Артикул: 6681947, NUT
3Артикул: 6681948, HEAD
Подробнее >
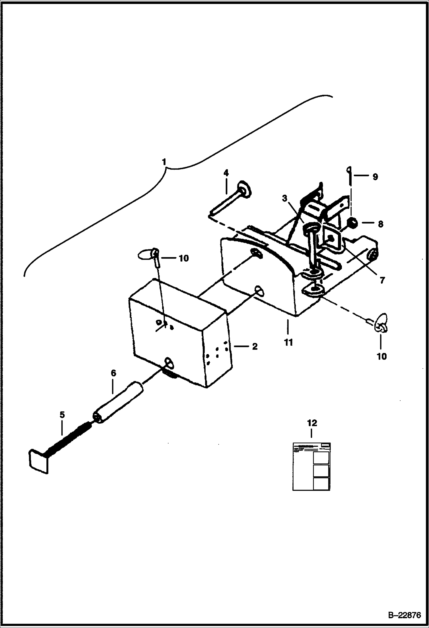
V-ОТВАЛ (КОМПЛЕКТ УСТРОЙСТВА УПРАВЛЕНИЯ НАВЕСНЫМ ОБОРУДОВАНИЕМ) (463 И 553) (60--)

V-ОТВАЛ (КОМПЛЕКТ УСТРОЙСТВА УПРАВЛЕНИЯ НАВЕСНЫМ ОБОРУДОВАНИЕМ) (463 И 553) (60--)

1Артикул: 6729313, KIT attach control - Ref. 2-16 - see note on Ref. 18
2Артикул: 6727870, HARNESS mounts on loader arm - 14-pin
3Артикул: 6680412, HANDLE ASSY L.H. - Also Order Ref. 4, 5 & 6-8 - Was 6707976 - A
Подробнее >